Pièces détachées de chauffage et climatisation
Plus de 650 000 références fabricants disponibles
Livraison en France et en Belgique
4.7
MARQUES ▾
CATALOGUES ▾
VUES ÉCLATÉES ▾ CODES DÉFAUTS ▾
OUTILS DE RECHERCHE ▾
FAQ / TUTOS
DÉSTOCKAGE
>
VOTRE RECHERCHE

Brûleur Ecoflam MAX 15 TC (TW) 230V 50 HZ



page 2
Pièces détachées Brûleur Ecoflam MAX 15 TC (TW) 230V 50 HZ chez Pièces Express


Référence fabricant
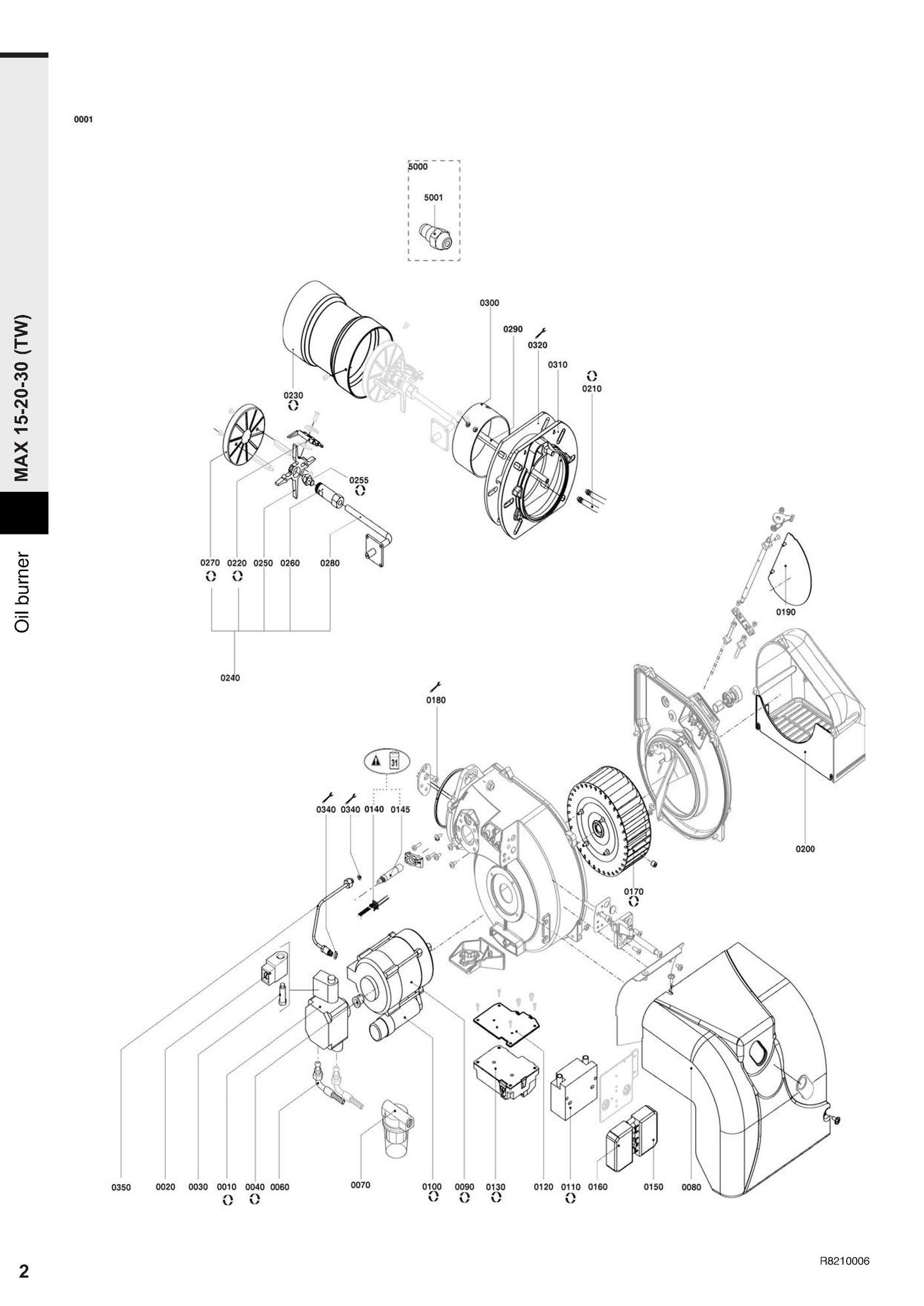
Position Schéma
65325111 Pompe fuel asv 47 a 10
65111335 Pompe fuel asv47ak 10
65323773 Bobine pour pompe danfoss cod.071n0010 2 20
65323767 Bobine sun pump as47-al35 220v 20
65323744 Stelo x elettrov.p.suntec as47-67-at2 ar 30
65323751 Stelo x elettrov. pompa danfoss s 11r3 bf 30
65322920 Accouplement d18/14,7/11x22 pompe/moteur 40
65323216 Flexible parigi nw 4 mg 1/4 mc 3/8 70 60
65325046 Filtre fuel 3/8 70451/006age viton 70
65322873 Moteur 130w 220-240/50-60 art.84278 90
65325037 Condensateur 3uf all m8 100
13010016 Condensateur 6µf (2p.3) 100
65323257 Allumeur oil-gas burners 230-50-60 110
65325251 Support e-bcu e trasf. max d120r-d160 120
65324167 Cablaggio max 4/30 tw 130
65105245 Cellule satronic x app.tf 974 - tf830 140
65074153 Cellule qrb1a-a050b70a2 noir 145
65322070 Morsett. wieland presa 7 poli c/coperchi 150
65322069 Morsett. wieland spina 7 poli c/coperchi 160
65323819 Turbine d 160x52 m.d 12,7 170
65321061 Or(silicone)tenuta lato mot./flangia fus 180
65321223 Volet air max fus.d160 190
65320126 Boite a air 192x209x110 d160 200
65325264 Cable allumage resistivo n.2 att.d4 l=40 210
65320924 Bloc-electrodes 25x40 d4 d2x25 45d 220
65320376 Tube de flamme d107 l180fus.d160 230
65322566 Groupe tete max 15/max 15 ab tc 240
65320692 Support portaugello a 1f max 15 fus.d16 250
13016094 Gicleur dan 3,00gph 60° s 255
65320707 Porta ugello minor d18.3x60 es.19 ottone 260
65326086 Deflecteur d85 8sl 270
65320191 Tube supporto t.c. 1f. max fus.d160 lio 280
65320195 Tige fiss.fascia tc l=219 max fus.d160 290
65320225 Ceinture max 15 fan.housing d.160 300
65320970 Bride fissaggio bruciatore 107 max fu 310
65321105 Bride isolcart ¿109 sp.6 max fus.d160 320
65321065 Guarnizione tubo gasolio per ghiera da 1 340
65321504 Tuyau cuivre d4x1 da pompaolio a tete ma 350
13016086 Gicleur dan 1,50gph 60° s 5001
13023128 Gicleur dan 1,65gph 60° s 5001
13016087 Gicleur dan 1,75gph 60° s 5001
13016092 Gicleur dan 2,00gph 60° s 5001
13016089 Gicleur dan 2,25gph 60° s 5001
13016090 Gicleur dan 2,50gph 60° s 5001
13016091 Gicleur dan 2,75gph 60° s 5001
13016093 Gicleur dan 3,50gph 60° s 5001
13018355 Gicleur dan 4,00gph 60° s 5001


Les images des vues éclatées peuvent contenir des prix datant de plusieurs années, merci de ne pas en tenir compte










Pièces détachées contenues dans cet appareil Brûleur Ecoflam MAX 15 TC (TW) 230V 50 HZ



Photo Position vue éclatée Article Référence fabricant Disponibilité et prix  
Pompe fuel asv 47 a Ecoflam 65325111
10 page 2 Pompe fuel asv 47 a
Code article PEX: 370148
Ecoflam
Réf fabricant: 65325111
en stock
202,14 € TTC
Pompe fuel asv47ak Ecoflam 65111335
10 page 2 Pompe fuel asv47ak
Code article PEX: 272185
Ecoflam
Réf fabricant: 65111335
± 3 jours ouvrés
202,14 € TTC
Bobine pour pompe danfoss cod.071n0010 2 Ecoflam 65323773
20 page 2 Bobine pour pompe danfoss cod.071n0010 2
Code article PEX: 273284
Ecoflam
Réf fabricant: 65323773
 
obsolète
 
Bobine Ecoflam 65323767
20 page 2 Bobine
Code article PEX: 181122
Ecoflam
Réf fabricant: 65323767
en stock
109,10 € TTC
Stelo x elettrov.p.suntec as47-67-at2 ar Ecoflam 65323744
30 page 2 Stelo x elettrov.p.suntec as47-67-at2 ar
Code article PEX: 273277
Ecoflam
Réf fabricant: 65323744
± 3 jours ouvrés
130,56 € TTC
Stelo x elettrov. pompa danfoss s 11r3 bf Ecoflam 65323751
30 page 2 Stelo x elettrov. pompa danfoss s 11r3 bf
Code article PEX: 273278
Ecoflam
Réf fabricant: 65323751
 
obsolète
 
Accouplement pompe 24mm Ecoflam 65322920
40 page 2 Accouplement pompe 24mm
Code article PEX: 185331
Ecoflam
Réf fabricant: 65322920
en stock
4,80 € TTC
Flexible parigi nw 4 mg 1/4 mc 3/8 70 Ecoflam 65323216
60 page 2 Flexible parigi nw 4 mg 1/4 mc 3/8 70
Code article PEX: 273235
Ecoflam
Réf fabricant: 65323216
± 3 jours ouvrés
32,04 € TTC
Filtre fuel 3/8 70451/006age viton Ecoflam 65325046
70 page 2 Filtre fuel 3/8 70451/006age viton
Code article PEX: 287948
Ecoflam
Réf fabricant: 65325046
± 3 jours ouvrés
57,47 € TTC
Moteur 130w 220-240/50-60 art.84278 Ecoflam 65322873
90 page 2 Moteur 130w 220-240/50-60 art.84278
Code article PEX: 273157
Ecoflam
Réf fabricant: 65322873
± 3 jours ouvrés
274,55 € TTC
Condensateur 3uf all m8 Ecoflam 65325037
100 page 2 Condensateur 3uf all m8
Code article PEX: 273424
Ecoflam
Réf fabricant: 65325037
± 3 jours ouvrés
27,96 € TTC
Condensateur 6µf (2p.3) Ecoflam 13010016
100 page 2 Condensateur 6µf (2p.3)
Code article PEX: 181132
Ecoflam
Réf fabricant: 13010016
en stock
64,06 € TTC
Allumeur oil-gas burners 230-50-60 Ecoflam 65323257
110 page 2 Allumeur oil-gas burners 230-50-60
Code article PEX: 273247
Ecoflam
Réf fabricant: 65323257
± 3 jours ouvrés
181,12 € TTC
Support e-bcu e trasf. max d120r-d160 Ecoflam 65325251
120 page 2 Support e-bcu e trasf. max d120r-d160
Code article PEX: 289549
Ecoflam
Réf fabricant: 65325251
± 3 jours ouvrés
9,04 € TTC
Cablaggio max 4/30 tw Ecoflam 65324167
130 page 2 Cablaggio max 4/30 tw
Code article PEX: 273335
Ecoflam
Réf fabricant: 65324167
± 3 jours ouvrés
328,57 € TTC
Cellule satronic x app.tf 974 - tf830 Ecoflam 65105245
140 page 2 Cellule satronic x app.tf 974 - tf830
Code article PEX: 271873
Ecoflam
Réf fabricant: 65105245
± 3 jours ouvrés
67,16 € TTC
Cellule qrb1a-a050b70a2 noir Ecoflam 65074153
145 page 2 Cellule qrb1a-a050b70a2 noir
Code article PEX: 270953
Ecoflam
Réf fabricant: 65074153
± 3 jours ouvrés
78,66 € TTC
Morsett. wieland presa 7 poli c/coperchi Ecoflam 65322070
150 page 2 Morsett. wieland presa 7 poli c/coperchi
Code article PEX: 273009
Ecoflam
Réf fabricant: 65322070
± 3 jours ouvrés
28,43 € TTC
Morsett. wieland spina 7 poli c/coperchi Ecoflam 65322069
160 page 2 Morsett. wieland spina 7 poli c/coperchi
Code article PEX: 273008
Ecoflam
Réf fabricant: 65322069
± 3 jours ouvrés
37,76 € TTC
Turbine d 160x52 m.d 12,7 Ecoflam 65323819
170 page 2 Turbine d 160x52 m.d 12,7
Code article PEX: 273291
Ecoflam
Réf fabricant: 65323819
± 3 jours ouvrés
64,06 € TTC
Joint oring Ecoflam 65321061
180 page 2 Joint oring
Code article PEX: 203796
Ecoflam
Réf fabricant: 65321061
en stock
10,21 € TTC
Volet air max fus.d160 Ecoflam 65321223
190 page 2 Volet air max fus.d160
Code article PEX: 288695
Ecoflam
Réf fabricant: 65321223
± 3 jours ouvrés
10,03 € TTC
Boite a air max fus.d160 Ecoflam 65320126
200 page 2 Boite a air max fus.d160
Code article PEX: 286295
Ecoflam
Réf fabricant: 65320126
± 3 jours ouvrés
50,75 € TTC
Cable allumage resistivo n.2 att.d4 l=40 Ecoflam 65325264
210 page 2 Cable allumage resistivo n.2 att.d4 l=40
Code article PEX: 288044
Ecoflam
Réf fabricant: 65325264
± 3 jours ouvrés
22,01 € TTC
Bloc-electrodes 25x40 d4 d2x25 45d Ecoflam 65320924
220 page 2 Bloc-electrodes 25x40 d4 d2x25 45d
Code article PEX: 370118
Ecoflam
Réf fabricant: 65320924
en stock
32,84 € TTC
Tube de flamme d107 l180fus.d160 Ecoflam 65320376
230 page 2 Tube de flamme d107 l180fus.d160
Code article PEX: 288538
Ecoflam
Réf fabricant: 65320376
± 3 jours ouvrés
118,73 € TTC
Groupe tete max 15/max 15 ab tc Ecoflam 65322566
240 page 2 Groupe tete max 15/max 15 ab tc
Code article PEX: 287223
Ecoflam
Réf fabricant: 65322566
± 3 jours ouvrés
358,48 € TTC
Support portaugello a 1f max 15 fus.d16 Ecoflam 65320692
250 page 2 Support portaugello a 1f max 15 fus.d16
Code article PEX: 288628
Ecoflam
Réf fabricant: 65320692
± 3 jours ouvrés
47,62 € TTC
Gicleur dan 3,00gph 60° s Ecoflam 13016094
255 page 2 Gicleur dan 3,00gph 60° s
Code article PEX: 183027
Ecoflam
Réf fabricant: 13016094
 
obsolète
 
Porta ugello minor d18.3x60 es.19 ottone Ecoflam 65320707
260 page 2 Porta ugello minor d18.3x60 es.19 ottone
Code article PEX: 272703
Ecoflam
Réf fabricant: 65320707
± 3 jours ouvrés
sur devis
Deflecteur d85 8sl Ecoflam 65326086
270 page 2 Deflecteur d85 8sl
Code article PEX: 370189
Ecoflam
Réf fabricant: 65326086
± 3 jours ouvrés
27,43 € TTC
Tube supporto t.c. 1f. max fus.d160 lio Ecoflam 65320191
280 page 2 Tube supporto t.c. 1f. max fus.d160 lio
Code article PEX: 288454
Ecoflam
Réf fabricant: 65320191
± 3 jours ouvrés
68,96 € TTC
Tige fiss.fascia tc l=219 max fus.d160 Ecoflam 65320195
290 page 2 Tige fiss.fascia tc l=219 max fus.d160
Code article PEX: 288457
Ecoflam
Réf fabricant: 65320195
± 3 jours ouvrés
20,03 € TTC
Ceinture max 15 fan.housing d.160 Ecoflam 65320225
300 page 2 Ceinture max 15 fan.housing d.160
Code article PEX: 272563
Ecoflam
Réf fabricant: 65320225
± 3 jours ouvrés
63,88 € TTC
Bride fissaggio bruciatore 107 max fu Ecoflam 65320970
310 page 2 Bride fissaggio bruciatore 107 max fu
Code article PEX: 272829
Ecoflam
Réf fabricant: 65320970
± 3 jours ouvrés
43,85 € TTC
Bride isolcart ¿109 sp.6 max fus.d160 Ecoflam 65321105
320 page 2 Bride isolcart ¿109 sp.6 max fus.d160
Code article PEX: 272866
Ecoflam
Réf fabricant: 65321105
± 3 jours ouvrés
12,82 € TTC
Guarnizione tubo gasolio per ghiera da 1 Ecoflam 65321065
340 page 2 Guarnizione tubo gasolio per ghiera da 1
Code article PEX: 272845
Ecoflam
Réf fabricant: 65321065
± 3 jours ouvrés
9,04 € TTC
Tuyau cuivre d4x1 da pompaolio a tete ma Ecoflam 65321504
350 page 2 Tuyau cuivre d4x1 da pompaolio a tete ma
Code article PEX: 272919
Ecoflam
Réf fabricant: 65321504
± 3 jours ouvrés
17,26 € TTC
Gicleur dan 1,50gph 60° s Ecoflam 13016086
5001 page 2 Gicleur dan 1,50gph 60° s
Code article PEX: 183019
Ecoflam
Réf fabricant: 13016086
± 3 jours ouvrés
sur devis
Gicleur dan 1,65gph 60° s Ecoflam 13023128
5001 page 2 Gicleur dan 1,65gph 60° s
Code article PEX: 185146
Ecoflam
Réf fabricant: 13023128
 
obsolète
 
Gicleur dan 1,75gph 60° s Ecoflam 13016087
5001 page 2 Gicleur dan 1,75gph 60° s
Code article PEX: 183020
Ecoflam
Réf fabricant: 13016087
 
obsolète
 
Gicleur dan 2,00gph 60° s Ecoflam 13016092
5001 page 2 Gicleur dan 2,00gph 60° s
Code article PEX: 183025
Ecoflam
Réf fabricant: 13016092
 
obsolète
 
Gicleur dan 2,25gph 60° s Ecoflam 13016089
5001 page 2 Gicleur dan 2,25gph 60° s
Code article PEX: 183022
Ecoflam
Réf fabricant: 13016089
 
obsolète
 
Gicleur dan 2,50gph 60° s Ecoflam 13016090
5001 page 2 Gicleur dan 2,50gph 60° s
Code article PEX: 183023
Ecoflam
Réf fabricant: 13016090
 
obsolète
 
Gicleur dan 2,75gph 60° s Ecoflam 13016091
5001 page 2 Gicleur dan 2,75gph 60° s
Code article PEX: 183024
Ecoflam
Réf fabricant: 13016091
 
obsolète
 
Gicleur dan 3,50gph 60° s Ecoflam 13016093
5001 page 2 Gicleur dan 3,50gph 60° s
Code article PEX: 183026
Ecoflam
Réf fabricant: 13016093
 
obsolète
 
Gicleur dan 4,00gph 60° s Ecoflam 13018355
5001 page 2 Gicleur dan 4,00gph 60° s
Code article PEX: 183749
Ecoflam
Réf fabricant: 13018355
 
obsolète
 


Dans cette page vous trouverez l'ensemble des articles et pièces détachées de chaufferie qui composent la nomenclature Brûleur Ecoflam MAX 15 TC (TW) 230V 50 HZ ainsi que des liens vers les articles Ecoflam. En parcourant la page Ecoflam, vous pourrez également trouver toutes les pièces Ecoflam présentes chez Pièces Express. L'indication de stock vous permet de savoir si la pièce détachée est disponible dans notre stock central ou bien avec un délai fournisseur. Dans ce dernier cas, renseignez vous, nous commandons très régulièrement chez chacun de nos fournisseurs, nous pouvons donc certainement répondre à votre besoin rapidement.

Nos marques
Nos catalogues
Nos outils
Nos gicleurs fioul
Nos bougies pour poêles à pellets
Pièces détachées de chauffage et climatisation
PIÈCES EXPRESS
1 rue Philippe LEBON
ZA Henri Spriet
14120 MONDEVILLE
Téléphone: 02 14 47 16 10
Siret: 790 553 242 00013
Tva: FR 38 790553242

4.7
157 avis