Pièces détachées de chauffage et climatisation
Plus de 650 000 références fabricants disponibles
Livraison en France et en Belgique
MARQUES ▾
CATALOGUES ▾
VUES ÉCLATÉES ▾ CODES DÉFAUTS ▾
OUTILS DE RECHERCHE ▾
FAQ / TUTOS
DÉSTOCKAGE
>
VOTRE RECHERCHE

Chaudière Viessmann VITODENS 200 WB2 6-24KW NAT (7382501)



page 4
page 5
Pièces détachées Chaudière Viessmann VITODENS 200 WB2 6-24KW NAT (7382501) chez Pièces Express


Référence fabricant
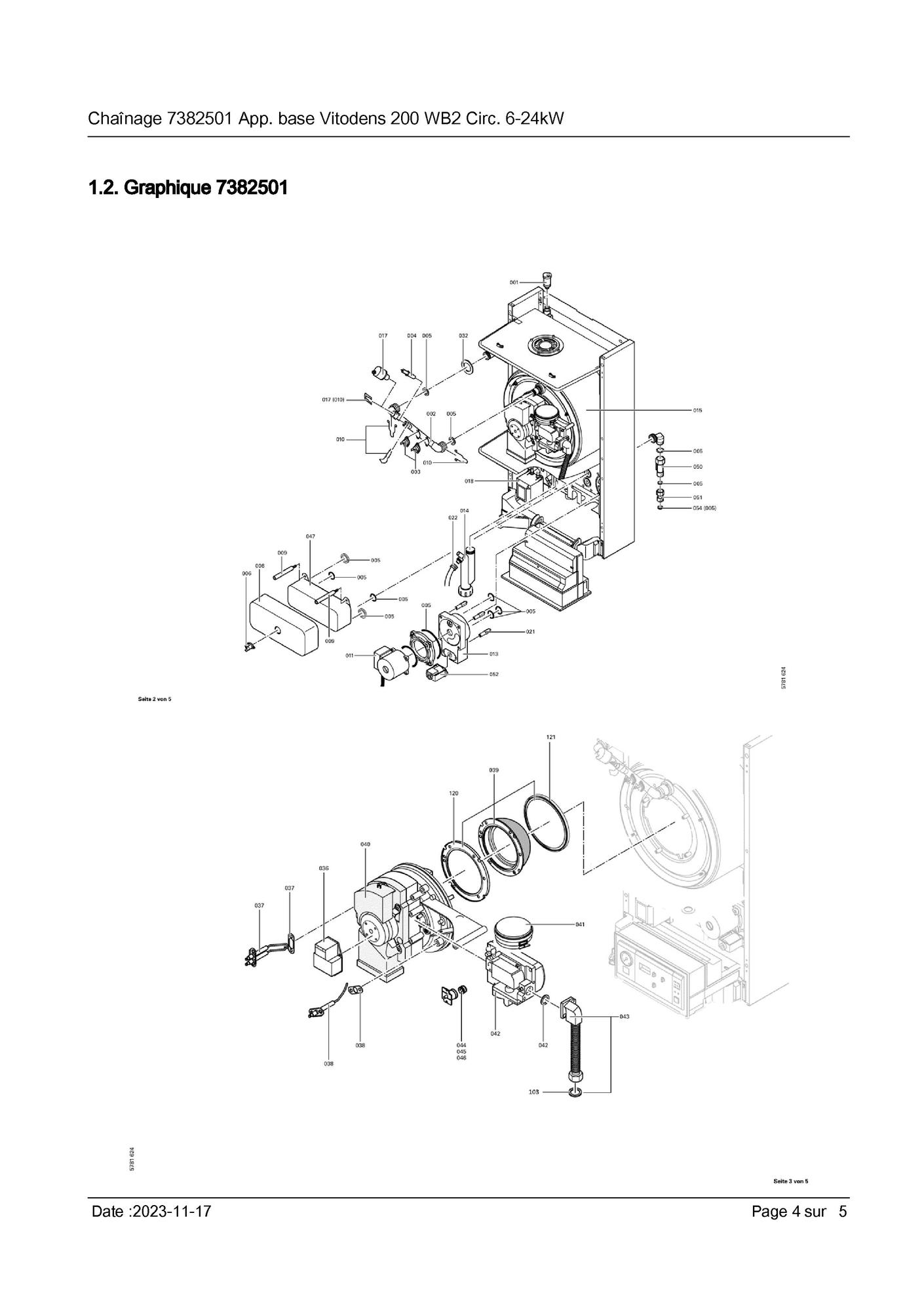
Position Schéma
7819971 Purgeur d'air automatique g 3/8 1
7819754 Tube de raccordement wt/ vl 2
7825487 Aquastat securite (thermocommutateur) 3
7819967 Sonde chaudiere 4
7819746 Set de joints vanne 2 voies et echangeur 5
7819748 Joint profile 10 x 478 7
7819757 Blocage raccords rapide 10
7876412 Moteur circulateur g-he km 11
7814136 Fixations vitodens/vitopend 12
7819877 Vanne a 2 voies pour vitodens 100/200 13
7819759 Siphon 14
7822662 Echangeur wb2 11/24kw 1g s.a.v. 15
7818022 Joint profile 11 x 930 16
7843803 Capteur de pression 0-4bar typ 505.91530 17
7819758 Transformateur 18
7819602 Graisse pour joint (6g) 19
7819193 Pate thermoconductrice p12 20
7823471 Entretoise m6 x 70 21
7819385 Flexible de condensats 22
7819761 Joint plat 23
7819773 Fixations pour tole 24
7819772 Trappe vitodens 25
7819763 Kit d entretien vitodens 200 26
7819875 Support manometre vitopend/vitodens 27
7149071 Tôle avant 28
7822943 Manometre et manchon 29
7819760 Tole de fermeture wb2 30
7382066 Mag allonge 31
7819745 Passe-cable 32
7819879 Surete pour fiches 33
7818457 Conduites d equilibrage vitodens 200 34
7819625 Bruleur gaz vitodens 200 24kw 35
7822467 Adaptateur allumeur 230v 36
7819627 Electrode allumage avec joints 37
7819628 Electrode ionisation avec joint 38
7819629 Grille de bruleur 39
7831025 Entrée d'air vitodens 24kw 40
7822897 Transmetteur de pression 41
7827527 Bloc combine gaz cgs71 d r10 20v 42
7819633 Flexible d alimentation gaz 43
7827547 Diaphragme gaz nat 24kw 44
7827548 Kit de transformation 24kw au eg-ll 45
7827549 Diaphragme propane 24kw 46
7818282 Protection plastique regulation vitodens 48
7819601 Sonde ecs/casse pression (<17/06/2004) 51
7823495 Kit d asserviss.linaire vanne 3/2 voies 52
7404365 Fusibles t 6,3 a / 250 v 53
7825609 Piece de racc. chaudiere 54
7822673 Tube interieur d=70 55
5581300 Bed.anl. vitodens 200 wb2 56
5581301 Bed.anl. vitodens 200 wb2 57
5581318 Bed.anl. vitodens 200 wb2 58
7818560 Logo vitodens 200 59
7819929 Faisceau 11 cables 65
7819928 Faisceau 12 cables 66
7818573 Faisceau de 13 cables 67
7818128 Cable avec circuit rc 68
7823072 Circuit imprimé vr20 69
7819932 Plastron ouverture commutateur 70
7819944 Module de commande 71
7819943 Support module de commande 72
7819936 Plaque d entree de cables 73
7819897 Boitier module de raccordement 74
7819906 Support regulation vitopend/vitodens 75
7820043 Support 76
7819939 Bouchon 77
7819937 Couvercle pour potentiometre 78
7819935 Cache regulation vitodens 79
7819930 Boutons pour module std (3 pieces) 80
7819940 Jeux de fiches pour vitodens 81
7819923 Interrupteur a bascule 82
7819945 Interrupteur vitodens 83
7818141 Platine optolink 84
7819950 Platine adaptation affichage 85
7871315 Boitier de controle lgm29.55b6201 86
7819925 Pont enfichable ionisation 87
7819946 Cable plat 26 poles 88
7818575 Faisceau de cables ion/pe 89
7857445 Cet article n est plus disponible 90
7819947 Module temperature constant 91
7819941 Kit regulation 92
5481734 Mont.anl. vitodens 200 wb2 93
5681298 Serv.anl. vitodens 200 wb2 94
5781624 Et-bildl. vitodens 200 wb2 95
7819490 Baton de peinture blanche 96
7819491 Spray peinture blanc 97
7450155 Afficheur pour trimatic 98
7819938 Cache pour platine vr20 99
7828618 Joint torique 19,2 x 3 (5 pieces) 102
7822618 Kit joints tube gaz ondule 103
7810960 Cache pour module de commande standard 108
7817746 Joint grille bruleur 120
7818117 Joint de bruleur 121
7826149 Jeu de petits accessoires bruleur wb2 122
7823950 Clapet d'air avec cadre 26/35kw 130
7818063 Bloquage regulation vitodens 200
7832276 Joints sortie cgs71 (5 pieces) 215
7832277 Tamis cgs71 d=20,4 (5 pieces) 216
7832278 Joint adapt. transmetteur pression (5p) 217
7832279 Runddichtring din3770 5 x 2 (5stck) 218
7820900 Boitier de regulation 250
7827825 Tige filetee m8 32kw 300
7827025 Joint electrode d allumage x5 316
7827031 Joint electrode d ionisation 317


Les images des vues éclatées peuvent contenir des prix datant de plusieurs années, merci de ne pas en tenir compte










Pièces détachées contenues dans cet appareil Chaudière Viessmann VITODENS 200 WB2 6-24KW NAT (7382501)



Photo Position vue éclatée Article Référence fabricant Disponibilité et prix  
Purgeur d'air automatique G 3/8 Viessmann 7819971
Purgeur d'air automatique g 3/8
Code article PEX: 247813
Viessmann
Réf fabricant: 7819971
en stock
22,56 € TTC
Tube de raccordement wt/ vl Viessmann 7819754
Tube de raccordement wt/ vl
Code article PEX: 247647
Viessmann
Réf fabricant: 7819754
± 3 jours ouvrés
158,40 € TTC
Aquastat securite (thermocommutateur) Viessmann 7825487
Aquastat securite (thermocommutateur)
Code article PEX: 250281
Viessmann
Réf fabricant: 7825487
en stock
27,60 € TTC
Sonde chaudiere Viessmann 7819967
Sonde chaudiere
Code article PEX: 247809
Viessmann
Réf fabricant: 7819967
en stock
62,40 € TTC
Set de joints vanne 2 voies et echangeur Viessmann 7819746
Set de joints vanne 2 voies et echangeur
Code article PEX: 247643
Viessmann
Réf fabricant: 7819746
± 3 jours ouvrés
62,40 € TTC
Joint profile 10 x 478 Viessmann 7819748
Joint profile 10 x 478
Code article PEX: 247644
Viessmann
Réf fabricant: 7819748
± 3 jours ouvrés
23,52 € TTC
Blocage raccords rapide Viessmann 7819757
Blocage raccords rapide
Code article PEX: 247650
Viessmann
Réf fabricant: 7819757
± 3 jours ouvrés
36,00 € TTC
Moteur circulateur g-he km Viessmann 7876412
Moteur circulateur g-he km
Code article PEX: 625168
Viessmann
Réf fabricant: 7876412
± 3 jours ouvrés
552,00 € TTC
Fixations vitodens/vitopend Viessmann 7814136
Fixations vitodens/vitopend
Code article PEX: 245009
Viessmann
Réf fabricant: 7814136
± 3 jours ouvrés
86,40 € TTC
Vanne a 2 voies pour vitodens 100/200 Viessmann 7819877
Vanne a 2 voies pour vitodens 100/200
Code article PEX: 247740
Viessmann
Réf fabricant: 7819877
en stock
152,40 € TTC
Siphon Viessmann 7819759
Siphon
Code article PEX: 247652
Viessmann
Réf fabricant: 7819759
± 3 jours ouvrés
30,00 € TTC
Echangeur wb2 11/24kw 1g s.a.v. Viessmann 7822662
Echangeur wb2 11/24kw 1g s.a.v.
Code article PEX: 248758
Viessmann
Réf fabricant: 7822662
 
obsolète
 
Joint profile 11 x 930 Viessmann 7818022
Joint profile 11 x 930
Code article PEX: 246672
Viessmann
Réf fabricant: 7818022
± 3 jours ouvrés
39,60 € TTC
Capteur de pression 0-4bar typ 505.91530 Viessmann 7843803
Capteur de pression 0-4bar typ 505.91530
Code article PEX: 301469
Viessmann
Réf fabricant: 7843803
± 3 jours ouvrés
100,80 € TTC
Transformateur Viessmann 7819758
Transformateur
Code article PEX: 247651
Viessmann
Réf fabricant: 7819758
en stock
169,20 € TTC
Graisse pour joint (6g) Viessmann 7819602
Graisse pour joint (6g)
Code article PEX: 247538
Viessmann
Réf fabricant: 7819602
± 3 jours ouvrés
5,64 € TTC
Pate thermoconductrice p12 Viessmann 7819193
Pate thermoconductrice p12
Code article PEX: 247280
Viessmann
Réf fabricant: 7819193
± 3 jours ouvrés
9,48 € TTC
Entretoise m6 x 70 Viessmann 7823471
Entretoise m6 x 70
Code article PEX: 249316
Viessmann
Réf fabricant: 7823471
± 3 jours ouvrés
82,80 € TTC
Flexible de condensats Viessmann 7819385
Flexible de condensats
Code article PEX: 247415
Viessmann
Réf fabricant: 7819385
± 3 jours ouvrés
16,44 € TTC
Joint plat Viessmann 7819761
Joint plat
Code article PEX: 247654
Viessmann
Réf fabricant: 7819761
± 3 jours ouvrés
36,00 € TTC
Fixations pour tole Viessmann 7819773
Fixations pour tole
Code article PEX: 247661
Viessmann
Réf fabricant: 7819773
en stock
16,80 € TTC
Trappe vitodens Viessmann 7819772
Trappe vitodens
Code article PEX: 247660
Viessmann
Réf fabricant: 7819772
± 3 jours ouvrés
91,20 € TTC
Kit d entretien vitodens 200 Viessmann 7819763
Kit d entretien vitodens 200
Code article PEX: 243233
Viessmann
Réf fabricant: 7819763
± 3 jours ouvrés
 
Support manometre vitopend/vitodens Viessmann 7819875
Support manometre vitopend/vitodens
Code article PEX: 247738
Viessmann
Réf fabricant: 7819875
± 3 jours ouvrés
9,48 € TTC
28 page 5 Tôle avant
 
Viessmann
Réf fabricant: 7149071
avec délai
sur devis
Manometre et manchon Viessmann 7822943
Manometre et manchon
Code article PEX: 248971
Viessmann
Réf fabricant: 7822943
en stock
67,20 € TTC
Tole de fermeture wb2 Viessmann 7819760
Tole de fermeture wb2
Code article PEX: 247653
Viessmann
Réf fabricant: 7819760
 
obsolète
 
Mag allonge Viessmann 7382066
Mag allonge
Code article PEX: 243234
Viessmann
Réf fabricant: 7382066
± 3 jours ouvrés
123,60 € TTC
Passe-cable Viessmann 7819745
Passe-cable
Code article PEX: 247642
Viessmann
Réf fabricant: 7819745
± 3 jours ouvrés
7,08 € TTC
Surete pour fiches Viessmann 7819879
Surete pour fiches
Code article PEX: 247742
Viessmann
Réf fabricant: 7819879
± 3 jours ouvrés
15,24 € TTC
Conduites d equilibrage vitodens 200 Viessmann 7818457
Conduites d equilibrage vitodens 200
Code article PEX: 246917
Viessmann
Réf fabricant: 7818457
 
obsolète
 
Bruleur gaz vitodens 200 24kw Viessmann 7819625
Bruleur gaz vitodens 200 24kw
Code article PEX: 247559
Viessmann
Réf fabricant: 7819625
 
obsolète
 
Adaptateur allumeur 230v Viessmann 7822467
Adaptateur allumeur 230v
Code article PEX: 248651
Viessmann
Réf fabricant: 7822467
± 3 jours ouvrés
160,80 € TTC
Electrode allumage avec joints Viessmann 7819627
Electrode allumage avec joints
Code article PEX: 247560
Viessmann
Réf fabricant: 7819627
en stock
66,00 € TTC
Electrode ionisation avec joint Viessmann 7819628
Electrode ionisation avec joint
Code article PEX: 247561
Viessmann
Réf fabricant: 7819628
en stock
51,60 € TTC
Grille de bruleur Viessmann 7819629
Grille de bruleur
Code article PEX: 247562
Viessmann
Réf fabricant: 7819629
± 3 jours ouvrés
405,60 € TTC
Entrée d'air Vitodens 24kw Viessmann 7831025
Entrée d'air vitodens 24kw
Code article PEX: 252302
Viessmann
Réf fabricant: 7831025
± 3 jours ouvrés
744,00 € TTC
Transmetteur de pression Viessmann 7822897
Transmetteur de pression
Code article PEX: 248925
Viessmann
Réf fabricant: 7822897
en stock
122,40 € TTC
Bloc combine gaz cgs71 d r10 20v Viessmann 7827527
Bloc combine gaz cgs71 d r10 20v
Code article PEX: 251202
Viessmann
Réf fabricant: 7827527
en stock
554,40 € TTC
Flexible d alimentation gaz Viessmann 7819633
Flexible d alimentation gaz
Code article PEX: 247566
Viessmann
Réf fabricant: 7819633
± 3 jours ouvrés
172,80 € TTC
Diaphragme gaz nat 24kw Viessmann 7827547
Diaphragme gaz nat 24kw
Code article PEX: 251214
Viessmann
Réf fabricant: 7827547
± 3 jours ouvrés
50,40 € TTC
Kit de transformation 24kw au eg-ll Viessmann 7827548
Kit de transformation 24kw au eg-ll
Code article PEX: 475954
Viessmann
Réf fabricant: 7827548
± 3 jours ouvrés
42,00 € TTC
Diaphragme propane 24kw Viessmann 7827549
Diaphragme propane 24kw
Code article PEX: 314913
Viessmann
Réf fabricant: 7827549
± 3 jours ouvrés
42,00 € TTC
Protection plastique regulation vitodens Viessmann 7818282
Protection plastique regulation vitodens
Code article PEX: 246822
Viessmann
Réf fabricant: 7818282
± 3 jours ouvrés
51,60 € TTC
Sonde ecs/casse pression (<17/06/2004) Viessmann 7819601
Sonde ecs/casse pression (<17/06/2004)
Code article PEX: 475807
Viessmann
Réf fabricant: 7819601
± 3 jours ouvrés
111,60 € TTC
Kit d asserviss.linaire vanne 3/2 voies Viessmann 7823495
Kit d asserviss.linaire vanne 3/2 voies
Code article PEX: 249326
Viessmann
Réf fabricant: 7823495
± 3 jours ouvrés
418,80 € TTC
Fusibles t 6,3 a / 250 v Viessmann 7404365
Fusibles t 6,3 a / 250 v
Code article PEX: 243455
Viessmann
Réf fabricant: 7404365
en stock
8,40 € TTC
Piece de racc. chaudiere Viessmann 7825609
Piece de racc. chaudiere
Code article PEX: 250354
Viessmann
Réf fabricant: 7825609
± 3 jours ouvrés
171,60 € TTC
Tube interieur d=70 Viessmann 7822673
Tube interieur d=70
Code article PEX: 248767
Viessmann
Réf fabricant: 7822673
± 3 jours ouvrés
106,80 € TTC
56 page 5 Bed.anl. vitodens 200 wb2
 
Viessmann
Réf fabricant: 5581300
avec délai
sur devis
57 page 5 Bed.anl. vitodens 200 wb2
 
Viessmann
Réf fabricant: 5581301
avec délai
sur devis
58 page 5 Bed.anl. vitodens 200 wb2
 
Viessmann
Réf fabricant: 5581318
avec délai
sur devis
Logo vitodens 200 Viessmann 7818560
Logo vitodens 200
Code article PEX: 246950
Viessmann
Réf fabricant: 7818560
± 3 jours ouvrés
26,40 € TTC
Faisceau 11 cables Viessmann 7819929
Faisceau 11 cables
Code article PEX: 247780
Viessmann
Réf fabricant: 7819929
± 3 jours ouvrés
17,64 € TTC
Faisceau 12 cables Viessmann 7819928
Faisceau 12 cables
Code article PEX: 247779
Viessmann
Réf fabricant: 7819928
± 3 jours ouvrés
36,00 € TTC
Faisceau de 13 cables Viessmann 7818573
Faisceau de 13 cables
Code article PEX: 246953
Viessmann
Réf fabricant: 7818573
± 3 jours ouvrés
62,40 € TTC
Cable avec circuit rc Viessmann 7818128
Cable avec circuit rc
Code article PEX: 246753
Viessmann
Réf fabricant: 7818128
± 3 jours ouvrés
70,80 € TTC
Circuit imprimé VR20 Viessmann 7823072
Circuit imprimé vr20
Code article PEX: 249065
Viessmann
Réf fabricant: 7823072
en stock
415,20 € TTC
Plastron ouverture commutateur Viessmann 7819932
Plastron ouverture commutateur
Code article PEX: 247782
Viessmann
Réf fabricant: 7819932
 
obsolète
 
Module de commande Viessmann 7819944
Module de commande
Code article PEX: 247792
Viessmann
Réf fabricant: 7819944
± 3 jours ouvrés
62,40 € TTC
Support module de commande Viessmann 7819943
Support module de commande
Code article PEX: 247791
Viessmann
Réf fabricant: 7819943
± 3 jours ouvrés
14,76 € TTC
Plaque d entree de cables Viessmann 7819936
Plaque d entree de cables
Code article PEX: 247785
Viessmann
Réf fabricant: 7819936
± 3 jours ouvrés
13,80 € TTC
Boitier module de raccordement Viessmann 7819897
Boitier module de raccordement
Code article PEX: 247754
Viessmann
Réf fabricant: 7819897
± 3 jours ouvrés
36,00 € TTC
Support regulation vitopend/vitodens Viessmann 7819906
Support regulation vitopend/vitodens
Code article PEX: 247762
Viessmann
Réf fabricant: 7819906
 
obsolète
 
Support Viessmann 7820043
Support
Code article PEX: 247851
Viessmann
Réf fabricant: 7820043
± 3 jours ouvrés
27,60 € TTC
Bouchon Viessmann 7819939
Bouchon
Code article PEX: 247788
Viessmann
Réf fabricant: 7819939
± 3 jours ouvrés
15,24 € TTC
Couvercle pour potentiometre Viessmann 7819937
Couvercle pour potentiometre
Code article PEX: 247786
Viessmann
Réf fabricant: 7819937
 
obsolète
 
Cache regulation vitodens Viessmann 7819935
Cache regulation vitodens
Code article PEX: 247784
Viessmann
Réf fabricant: 7819935
± 3 jours ouvrés
17,64 € TTC
Boutons pour module std (3 pieces) Viessmann 7819930
Boutons pour module std (3 pieces)
Code article PEX: 247781
Viessmann
Réf fabricant: 7819930
± 3 jours ouvrés
10,44 € TTC
Jeux de fiches pour vitodens Viessmann 7819940
Jeux de fiches pour vitodens
Code article PEX: 247789
Viessmann
Réf fabricant: 7819940
± 3 jours ouvrés
62,40 € TTC
Interrupteur a bascule Viessmann 7819923
Interrupteur a bascule
Code article PEX: 247775
Viessmann
Réf fabricant: 7819923
± 3 jours ouvrés
26,40 € TTC
Interrupteur Vitodens Viessmann 7819945
Interrupteur vitodens
Code article PEX: 247793
Viessmann
Réf fabricant: 7819945
± 3 jours ouvrés
9,48 € TTC
Platine optolink Viessmann 7818141
Platine optolink
Code article PEX: 246759
Viessmann
Réf fabricant: 7818141
± 3 jours ouvrés
104,40 € TTC
Platine adaptation affichage Viessmann 7819950
Platine adaptation affichage
Code article PEX: 247798
Viessmann
Réf fabricant: 7819950
± 3 jours ouvrés
104,40 € TTC
Boitier de controle lgm29.55b6201 Viessmann 7871315
Boitier de controle lgm29.55b6201
Code article PEX: 534946
Viessmann
Réf fabricant: 7871315
en stock
1 405,20 € TTC
Pont enfichable ionisation Viessmann 7819925
Pont enfichable ionisation
Code article PEX: 247777
Viessmann
Réf fabricant: 7819925
± 3 jours ouvrés
13,80 € TTC
Cable plat 26 poles Viessmann 7819946
Cable plat 26 poles
Code article PEX: 247794
Viessmann
Réf fabricant: 7819946
± 3 jours ouvrés
27,60 € TTC
Faisceau de cables ion/pe Viessmann 7818575
Faisceau de cables ion/pe
Code article PEX: 246954
Viessmann
Réf fabricant: 7818575
± 3 jours ouvrés
62,40 € TTC
90 page 5 Cet article n est plus disponible
 
Viessmann
Réf fabricant: 7857445
avec délai
sur devis
Module temperature constant Viessmann 7819947
Module temperature constant
Code article PEX: 247795
Viessmann
Réf fabricant: 7819947
± 3 jours ouvrés
430,80 € TTC
Kit regulation Viessmann 7819941
Kit regulation
Code article PEX: 475819
Viessmann
Réf fabricant: 7819941
± 3 jours ouvrés
27,60 € TTC
93 page 5 Mont.anl. vitodens 200 wb2
 
Viessmann
Réf fabricant: 5481734
avec délai
sur devis
94 page 5 Serv.anl. vitodens 200 wb2
 
Viessmann
Réf fabricant: 5681298
avec délai
sur devis
95 page 4 Et-bildl. vitodens 200 wb2
 
Viessmann
Réf fabricant: 5781624
avec délai
sur devis
Baton de peinture blanche Viessmann 7819490
Baton de peinture blanche
Code article PEX: 247467
Viessmann
Réf fabricant: 7819490
 
obsolète
 
Spray peinture blanc Viessmann 7819491
Spray peinture blanc
Code article PEX: 247468
Viessmann
Réf fabricant: 7819491
 
obsolète
 
Afficheur pour trimatic Viessmann 7450155
Afficheur pour trimatic
Code article PEX: 267710
Viessmann
Réf fabricant: 7450155
en stock
391,20 € TTC
Cache pour platine vr20 Viessmann 7819938
Cache pour platine vr20
Code article PEX: 247787
Viessmann
Réf fabricant: 7819938
± 3 jours ouvrés
9,84 € TTC
Joint torique 19,2 x 3 (5 pieces) Viessmann 7828618
Joint torique 19,2 x 3 (5 pieces)
Code article PEX: 251612
Viessmann
Réf fabricant: 7828618
± 3 jours ouvrés
16,80 € TTC
Kit joints tube gaz ondule Viessmann 7822618
Kit joints tube gaz ondule
Code article PEX: 248724
Viessmann
Réf fabricant: 7822618
 
obsolète
 
Cache pour module de commande standard Viessmann 7810960
Cache pour module de commande standard
Code article PEX: 244045
Viessmann
Réf fabricant: 7810960
 
obsolète
 
Joint grille bruleur Viessmann 7817746
Joint grille bruleur
Code article PEX: 246522
Viessmann
Réf fabricant: 7817746
en stock
25,20 € TTC
Joint de bruleur Viessmann 7818117
Joint de bruleur
Code article PEX: 246746
Viessmann
Réf fabricant: 7818117
en stock
34,80 € TTC
Jeu de petits accessoires bruleur wb2 Viessmann 7826149
Jeu de petits accessoires bruleur wb2
Code article PEX: 250531
Viessmann
Réf fabricant: 7826149
± 3 jours ouvrés
62,40 € TTC
Clapet d'air avec cadre 26/35kw Viessmann 7823950
Clapet d'air avec cadre 26/35kw
Code article PEX: 249620
Viessmann
Réf fabricant: 7823950
 
obsolète
 
Bloquage regulation vitodens Viessmann 7818063
Bloquage regulation vitodens
Code article PEX: 246707
Viessmann
Réf fabricant: 7818063
± 3 jours ouvrés
17,64 € TTC
Joints sortie cgs71 (5 pieces) Viessmann 7832276
Joints sortie cgs71 (5 pieces)
Code article PEX: 252719
Viessmann
Réf fabricant: 7832276
± 3 jours ouvrés
62,40 € TTC
Tamis cgs71 d=20,4 (5 pieces) Viessmann 7832277
Tamis cgs71 d=20,4 (5 pieces)
Code article PEX: 476105
Viessmann
Réf fabricant: 7832277
± 3 jours ouvrés
26,40 € TTC
Joint adapt. transmetteur pression (5p) Viessmann 7832278
Joint adapt. transmetteur pression (5p)
Code article PEX: 476106
Viessmann
Réf fabricant: 7832278
± 3 jours ouvrés
17,64 € TTC
Runddichtring din3770 5 x 2 (5stck) Viessmann 7832279
Runddichtring din3770 5 x 2 (5stck)
Code article PEX: 366647
Viessmann
Réf fabricant: 7832279
± 3 jours ouvrés
17,64 € TTC
Boitier de regulation Viessmann 7820900
Boitier de regulation
Code article PEX: 248316
Viessmann
Réf fabricant: 7820900
 
obsolète
 
Tige filetee m8 32kw Viessmann 7827825
Tige filetee m8 32kw
Code article PEX: 475965
Viessmann
Réf fabricant: 7827825
± 3 jours ouvrés
26,40 € TTC
Joint electrode d allumage X5 Viessmann 7827025
Joint electrode d allumage x5
Code article PEX: 250979
Viessmann
Réf fabricant: 7827025
en stock
18,24 € TTC
Joint electrode d ionisation Viessmann 7827031
Joint electrode d ionisation
Code article PEX: 250982
Viessmann
Réf fabricant: 7827031
En cours de réappro
16,92 € TTC


Dans cette page vous trouverez l'ensemble des articles et pièces détachées de chaufferie qui composent la nomenclature Chaudière Viessmann VITODENS 200 WB2 6-24KW NAT (7382501) ainsi que des liens vers les articles Viessmann. En parcourant la page Viessmann, vous pourrez également trouver toutes les pièces Viessmann présentes chez Pièces Express. L'indication de stock vous permet de savoir si la pièce détachée est disponible dans notre stock central ou bien avec un délai fournisseur. Dans ce dernier cas, renseignez vous, nous commandons très régulièrement chez chacun de nos fournisseurs, nous pouvons donc certainement répondre à votre besoin rapidement.

Nos marques
Nos catalogues
Nos outils
Nos gicleurs fioul
Nos bougies pour poêles à pellets
Pièces détachées de chauffage et climatisation
PIÈCES EXPRESS
1 rue Philippe LEBON
ZA Henri Spriet
14120 MONDEVILLE
Téléphone: 02 14 47 16 10
Siret: 790 553 242 00013
Tva: FR 38 790553242