Pièces détachées de chauffage et climatisation
Plus de 650 000 références fabricants disponibles
Livraison en France et en Belgique
4.7
MARQUES ▾
CATALOGUES ▾
VUES ÉCLATÉES ▾ CODES DÉFAUTS ▾
OUTILS DE RECHERCHE ▾
FAQ / TUTOS
DÉSTOCKAGE
>
VOTRE RECHERCHE

Brûleur Viessmann MATRIX CX065 (7259727)



page 1
page 2
page 3
Pièces détachées Brûleur Viessmann MATRIX CX065 (7259727) chez Pièces Express


Référence fabricant
Position Schéma
7314401 Kesseltür mit kleber cx046/65 0001
7813202 Mischrohr 8 d=4,0 mm 0002
7218708 Accessoires pour brul. gaz a air souffle 0003
7818853 Bloc isolant vcr 46/65 kw 0004
7810726 Melangeur 8 rainures 0005
7820301 Joints gf 16 x 12 l=2000 0006
7815924 Pressostat air matrix 0007
7857445 Cet article n est plus disponible 0008
7252740 Flexible 0009
7813210 Flexibles gaszufuhrrohr dn20 0010
7088562 Jeu de joints pour atola 0012
7218860 Sachet diaphragme d=8,0 0014
7813219 Sachet diaphragme d = 9,5 mm 0015
7218861 Flexible air comprime bleu 0017
7218865 Flexible air comprime noir 0018
7813214 Tuyau d arrivee de gaz 0019
7813967 Capot de bruleur cx024-065 0020
7218863 Matelas filtrant pour bloc combine gaz 0023
7218857 Vanne gaz cg 220 r01v kromschröder 0027
7810722 Electrodes de ionisation 0029
7810718 Trafo-halterung 0030
7404363 Fusible t 2,0 a / 250 v 0031
9519027 Transfo d allumage type:tqg 21 0032
7815971 Allumeur zt930 0033
7813488 Transfo d alimentation vitocrossal 300 0034
7404364 Fusible t 4,0 a / 250 v 0035
7404396 Fusible t 2,5 a 0036
7408821 Transformateur d allumage p. condensola 0037
7813495 Cables raccord. transfo d allumage 0038
5481404 Mont.anl. condensola 24-65kw 0040
5581203 Bed.anl. condensola 24-65kw 0041
5681158 Wart-/serv.anl. condensola 24-65kw 0042
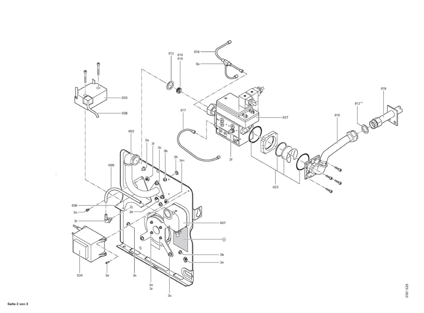
5781529 Et-bildl. condensola 0043
7813487 Cable d ionisation 0050
7218708 Accessoires pour brul. gaz a air souffle 0051
7813215 Piece de fixation 0052
7888482 Detecteur de co condensola cx 0053
7888481 Interface detecteur de co condensola cx 0054
7857445 Cet article n est plus disponible 0070
7819315 Interrupteur 2 poles 0071
7815954 Touche a pression 1 touche 0072
7819315 Interrupteur 2 poles 0073
7857445 Cet article n est plus disponible 0075
7857445 Cet article n est plus disponible 0076
7815907 Cable tresse 26pol. 0077
7849785 Grille de bruleur matrix d=330 0090
7810656 Joint graphite 0091
7810721 Joints systeme de melange 0092
7218839 Verre de viseur 0094
7810720 Joint pour électrode 0095
7810719 Electrodes d'allumage 0096
7813496 Cable d allumage 0099
7857445 Cet article n est plus disponible 0100
7823153 Cable de connexion lgm18/ventilateur 0101
7857445 Cet article n est plus disponible 0102
ZK02178 Wartungspaket condensola cx 046 / 065 0120


Les images des vues éclatées peuvent contenir des prix datant de plusieurs années, merci de ne pas en tenir compte










Pièces détachées contenues dans cet appareil Brûleur Viessmann MATRIX CX065 (7259727)



Photo Position vue éclatée Article Référence fabricant Disponibilité et prix  
0001 page 1 Kesseltür mit kleber cx046/65
 
Viessmann
Réf fabricant: 7314401
avec délai
sur devis
Mischrohr 8 d=4,0 mm Viessmann 7813202
Mischrohr 8 d=4,0 mm
Code article PEX: 365965
Viessmann
Réf fabricant: 7813202
 
obsolète
 
Accessoires pour brul. gaz a air souffle Viessmann 7218708
Accessoires pour brul. gaz a air souffle
Code article PEX: 241016
Viessmann
Réf fabricant: 7218708
± 3 jours ouvrés
152,40 € TTC
Bloc isolant vcr 46/65 kw Viessmann 7818853
Bloc isolant vcr 46/65 kw
Code article PEX: 247079
Viessmann
Réf fabricant: 7818853
± 3 jours ouvrés
262,80 € TTC
Melangeur 8 rainures Viessmann 7810726
Melangeur 8 rainures
Code article PEX: 243977
Viessmann
Réf fabricant: 7810726
 
obsolète
 
Joints GF 16 x 12 L=2000 Viessmann 7820301
Joints gf 16 x 12 l=2000
Code article PEX: 248006
Viessmann
Réf fabricant: 7820301
en stock
72,00 € TTC
Pressostat air matrix Viessmann 7815924
Pressostat air matrix
Code article PEX: 245610
Viessmann
Réf fabricant: 7815924
± 3 jours ouvrés
162,00 € TTC
0008 page 3 Cet article n est plus disponible
 
Viessmann
Réf fabricant: 7857445
avec délai
sur devis
Flexible Viessmann 7252740
Flexible
Code article PEX: 241865
Viessmann
Réf fabricant: 7252740
± 3 jours ouvrés
9,84 € TTC
Flexibles gaszufuhrrohr dn20 Viessmann 7813210
Flexibles gaszufuhrrohr dn20
Code article PEX: 297459
Viessmann
Réf fabricant: 7813210
± 3 jours ouvrés
218,40 € TTC
Jeu de joints pour atola Viessmann 7088562
Jeu de joints pour atola
Code article PEX: 240585
Viessmann
Réf fabricant: 7088562
± 3 jours ouvrés
8,76 € TTC
0014 page 3 Sachet diaphragme d=8,0
 
Viessmann
Réf fabricant: 7218860
avec délai
sur devis
Sachet diaphragme d = 9,5 mm Viessmann 7813219
Sachet diaphragme d = 9,5 mm
Code article PEX: 297462
Viessmann
Réf fabricant: 7813219
± 3 jours ouvrés
18,36 € TTC
Flexible air comprime bleu Viessmann 7218861
Flexible air comprime bleu
Code article PEX: 241031
Viessmann
Réf fabricant: 7218861
± 3 jours ouvrés
12,24 € TTC
Flexible air comprime noir Viessmann 7218865
Flexible air comprime noir
Code article PEX: 241034
Viessmann
Réf fabricant: 7218865
± 3 jours ouvrés
13,80 € TTC
Tuyau d arrivee de gaz Viessmann 7813214
Tuyau d arrivee de gaz
Code article PEX: 297460
Viessmann
Réf fabricant: 7813214
 
obsolète
 
Capot de bruleur cx024-065 Viessmann 7813967
Capot de bruleur cx024-065
Code article PEX: 244969
Viessmann
Réf fabricant: 7813967
 
obsolète
 
Matelas filtrant pour bloc combine gaz Viessmann 7218863
Matelas filtrant pour bloc combine gaz
Code article PEX: 241033
Viessmann
Réf fabricant: 7218863
± 3 jours ouvrés
54,00 € TTC
Vanne gaz cg 220 r01v kromschröder Viessmann 7218857
Vanne gaz cg 220 r01v kromschröder
Code article PEX: 241029
Viessmann
Réf fabricant: 7218857
± 3 jours ouvrés
1 856,40 € TTC
Electrodes de ionisation Viessmann 7810722
Electrodes de ionisation
Code article PEX: 243974
Viessmann
Réf fabricant: 7810722
± 3 jours ouvrés
142,80 € TTC
Trafo-halterung Viessmann 7810718
Trafo-halterung
Code article PEX: 365814
Viessmann
Réf fabricant: 7810718
 
obsolète
 
Fusible t 2,0 a / 250 v Viessmann 7404363
Fusible t 2,0 a / 250 v
Code article PEX: 243453
Viessmann
Réf fabricant: 7404363
± 3 jours ouvrés
9,24 € TTC
0032 page 3 Transfo d allumage type:tqg 21
 
Viessmann
Réf fabricant: 9519027
avec délai
sur devis
Allumeur zt930 Viessmann 7815971
Allumeur zt930
Code article PEX: 245629
Viessmann
Réf fabricant: 7815971
± 3 jours ouvrés
177,60 € TTC
Transfo d alimentation vitocrossal 300 Viessmann 7813488
Transfo d alimentation vitocrossal 300
Code article PEX: 244799
Viessmann
Réf fabricant: 7813488
 
obsolète
 
Fusible t 4,0 a / 250 v Viessmann 7404364
Fusible t 4,0 a / 250 v
Code article PEX: 243454
Viessmann
Réf fabricant: 7404364
± 3 jours ouvrés
9,36 € TTC
Fusible t 2,5 a Viessmann 7404396
Fusible t 2,5 a
Code article PEX: 243458
Viessmann
Réf fabricant: 7404396
± 3 jours ouvrés
18,00 € TTC
Commande de transformateur d allumage Viessmann 7408821
Commande de transformateur d allumage
Code article PEX: 245143
Viessmann
Réf fabricant: 7408821
± 3 jours ouvrés
224,40 € TTC
Cables raccord. transfo d allumage Viessmann 7813495
Cables raccord. transfo d allumage
Code article PEX: 244800
Viessmann
Réf fabricant: 7813495
± 3 jours ouvrés
25,20 € TTC
0040 page 2 Mont.anl. condensola 24-65kw
 
Viessmann
Réf fabricant: 5481404
avec délai
sur devis
0041 page 3 Bed.anl. condensola 24-65kw
 
Viessmann
Réf fabricant: 5581203
avec délai
sur devis
0042 page 1 Wart-/serv.anl. condensola 24-65kw
 
Viessmann
Réf fabricant: 5681158
avec délai
sur devis
0043 page 2 Et-bildl. condensola
 
Viessmann
Réf fabricant: 5781529
avec délai
sur devis
Cable d ionisation Viessmann 7813487
Cable d ionisation
Code article PEX: 244798
Viessmann
Réf fabricant: 7813487
± 3 jours ouvrés
61,20 € TTC
Accessoires pour brul. gaz a air souffle Viessmann 7218708
Accessoires pour brul. gaz a air souffle
Code article PEX: 241016
Viessmann
Réf fabricant: 7218708
± 3 jours ouvrés
152,40 € TTC
Piece de fixation Viessmann 7813215
Piece de fixation
Code article PEX: 244747
Viessmann
Réf fabricant: 7813215
 
obsolète
 
Detecteur de co condensola cx Viessmann 7888482
Detecteur de co condensola cx
Code article PEX: 752827
Viessmann
Réf fabricant: 7888482
± 3 jours ouvrés
286,80 € TTC
Interface detecteur de co condensola cx Viessmann 7888481
Interface detecteur de co condensola cx
Code article PEX: 752826
Viessmann
Réf fabricant: 7888481
± 3 jours ouvrés
236,40 € TTC
0070 page 1 Cet article n est plus disponible
 
Viessmann
Réf fabricant: 7857445
avec délai
sur devis
Interrupteur 2 poles Viessmann 7819315
Interrupteur 2 poles
Code article PEX: 247359
Viessmann
Réf fabricant: 7819315
± 3 jours ouvrés
16,32 € TTC
Touche a pression 1 touche Viessmann 7815954
Touche a pression 1 touche
Code article PEX: 245623
Viessmann
Réf fabricant: 7815954
 
obsolète
 
Interrupteur 2 poles Viessmann 7819315
Interrupteur 2 poles
Code article PEX: 247359
Viessmann
Réf fabricant: 7819315
± 3 jours ouvrés
16,32 € TTC
0075 page 3 Cet article n est plus disponible
 
Viessmann
Réf fabricant: 7857445
avec délai
sur devis
Cable tresse 26pol. Viessmann 7815907
Cable tresse 26pol.
Code article PEX: 245601
Viessmann
Réf fabricant: 7815907
± 3 jours ouvrés
30,00 € TTC
Grille de bruleur matrix d=330 Viessmann 7849785
Grille de bruleur matrix d=330
Code article PEX: 315887
Viessmann
Réf fabricant: 7849785
± 3 jours ouvrés
1 447,20 € TTC
Joint graphite Viessmann 7810656
Joint graphite
Code article PEX: 243952
Viessmann
Réf fabricant: 7810656
± 3 jours ouvrés
44,40 € TTC
Joints systeme de melange Viessmann 7810721
Joints systeme de melange
Code article PEX: 243973
Viessmann
Réf fabricant: 7810721
± 3 jours ouvrés
18,36 € TTC
Verre de viseur Viessmann 7218839
Verre de viseur
Code article PEX: 241023
Viessmann
Réf fabricant: 7218839
± 3 jours ouvrés
42,00 € TTC
Joint pour électrode Viessmann 7810720
Joint pour électrode
Code article PEX: 243972
Viessmann
Réf fabricant: 7810720
± 3 jours ouvrés
18,36 € TTC
Electrodes d'allumage Viessmann 7810719
Electrodes d'allumage
Code article PEX: 243971
Viessmann
Réf fabricant: 7810719
± 3 jours ouvrés
128,40 € TTC
Cable d allumage Viessmann 7813496
Cable d allumage
Code article PEX: 244801
Viessmann
Réf fabricant: 7813496
 
obsolète
 
0100 page 3 Cet article n est plus disponible
 
Viessmann
Réf fabricant: 7857445
avec délai
sur devis
Cable de connexion lgm18/ventilateur Viessmann 7823153
Cable de connexion lgm18/ventilateur
Code article PEX: 249127
Viessmann
Réf fabricant: 7823153
± 3 jours ouvrés
25,20 € TTC
0102 page 3 Cet article n est plus disponible
 
Viessmann
Réf fabricant: 7857445
avec délai
sur devis
0120 page 1 Wartungspaket condensola cx 046 / 065
 
Viessmann
Réf fabricant: ZK02178
avec délai
sur devis


Dans cette page vous trouverez l'ensemble des articles et pièces détachées de chaufferie qui composent la nomenclature Brûleur Viessmann MATRIX CX065 (7259727) ainsi que des liens vers les articles Viessmann. En parcourant la page Viessmann, vous pourrez également trouver toutes les pièces Viessmann présentes chez Pièces Express. L'indication de stock vous permet de savoir si la pièce détachée est disponible dans notre stock central ou bien avec un délai fournisseur. Dans ce dernier cas, renseignez vous, nous commandons très régulièrement chez chacun de nos fournisseurs, nous pouvons donc certainement répondre à votre besoin rapidement.

Nos marques
Nos catalogues
Nos outils
Nos gicleurs fioul
Nos bougies pour poêles à pellets
Pièces détachées de chauffage et climatisation
PIÈCES EXPRESS
1 rue Philippe LEBON
ZA Henri Spriet
14120 MONDEVILLE
Téléphone: 02 14 47 16 10
Siret: 790 553 242 00013
Tva: FR 38 790553242

4.7
156 avis