Pièces détachées de chauffage et climatisation
Plus de 650 000 références fabricants disponibles
Livraison en France et en Belgique
4.7
MARQUES ▾
CATALOGUES ▾
VUES ÉCLATÉES ▾ CODES DÉFAUTS ▾
OUTILS DE RECHERCHE ▾
FAQ / TUTOS
DÉSTOCKAGE
>
VOTRE RECHERCHE

Brûleur Viessmann FIOUL VBE33 (7259503)



page 1
page 2
page 3
page 4
page 5
page 6
page 7
page 8
Pièces détachées Brûleur Viessmann FIOUL VBE33 (7259503) chez Pièces Express


Référence fabricant
Position Schéma
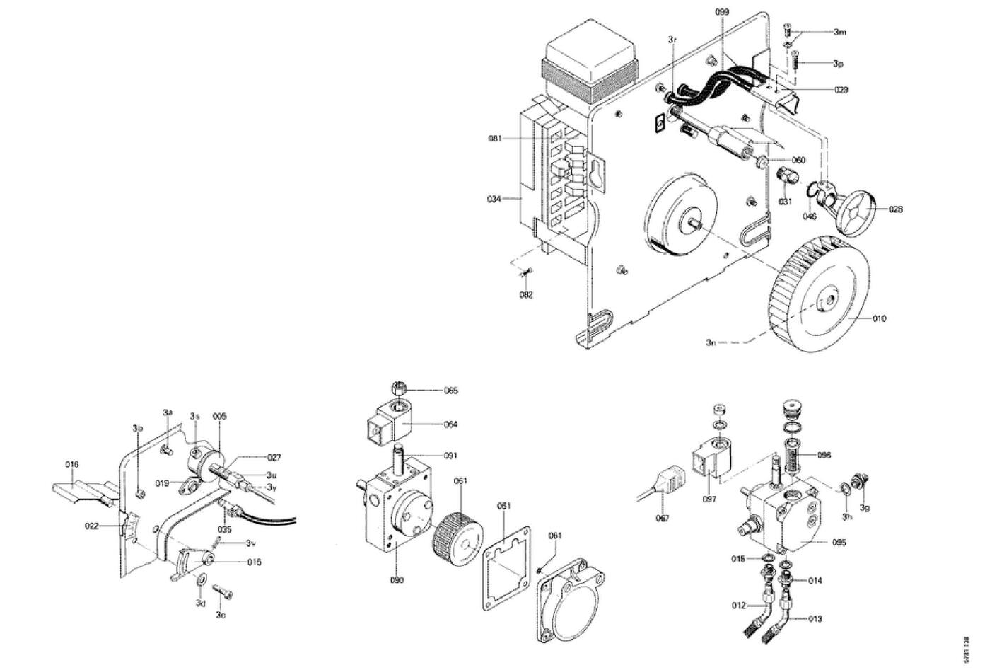
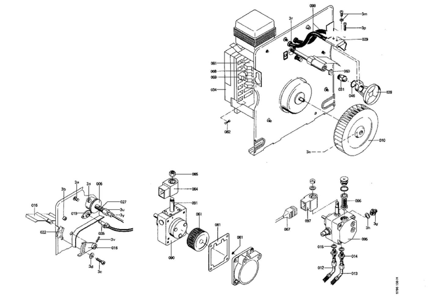
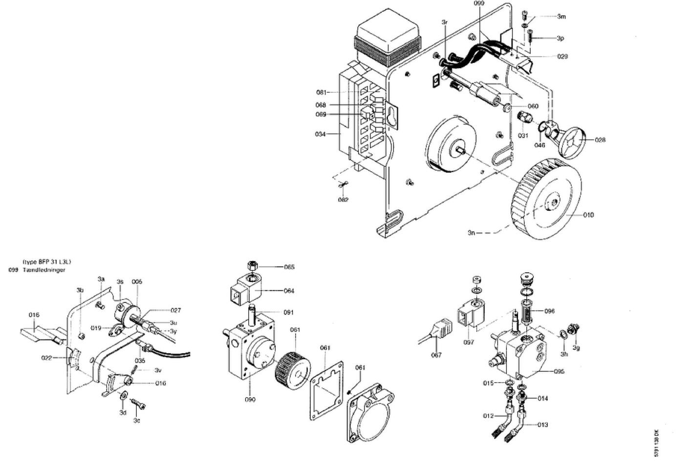
7812933 Gueulard 2
7318979 Piece pour bruleur 3
7810132 Ecrou reglage pour bruleur 5
7836335 Moteur pour brûleur 8
7812755 Conduite fuel 9
7815284 Turbine ø160 x 34 mm 10
7218426 Pièces d'accouplement brûleur fuel (sachet de 3) 11
7875229 Viessmann : set olschlauche vor-/rucklau 12
7875229 Viessmann : set olschlauche vor-/rucklau 13
7818891 Mamelon pompe fuel 14
7218748 Joint cuivre d'étanchéité cu 1/4" 15
7305046 Clapet de reglage d air 16
7812456 Capot de bruleur fuel 17
7814878 Bride de raccordement qrb 19
7238496 Insonorisant capot bruleur gr. i 20
7810087 Skalen-aufkleber 22
7813192 Ligne gicleur 27
7218433 Accroche flamme ø 60 mm 28
7810713 Electrodes allumage ( bloc ) 29
7815289 Gicleur 0,75 gph/45° s 31
ZK04463 Zündtrafo zm 20/10 mit zündleitung 32
7832743 Boitier de controle fuel lmo 14.111c2v 33
7818899 Console pour relais bruleur mazout 34
7857445 Cet article n est plus disponible 35
7812697 Volet d air 45
7815125 Joint torique 19 x 2,5 simrit 46
7813983 Kit capot bruleur avec poignee 51
7240973 Accessoires 52
5481149 Mont.anl. olbrenner-v unit 18-63kw 53
5581075 Bed.anl. ol-gebläsebr. m.v 15-63 54
5681080 Wart-checkl. olbrenner vec 55
5781138 Et-bildl. unit-olbrenner-v oh.ov 56
7815035 Rondelle no-air 60
7817919 Kit pieces pour pompe fuel suntec 61
7838979 Bobine t80 pour electrovanne ( suntec ) 64
7815297 Ecrou d electro-vanne 65
7814346 Cable de raccordement electrovanne 67
7814347 Pont enfichable 122 68
7814348 Pont enfichable 125 69
7250572 Compteur mazout pour placeme t 70
7815150 Compteur de fuel 71
7814351 Electrovanne pour 7250572 72
7812108 Pcs indiv. de kit de modernisation pour 79
7218473 Compteur d heures pour bruleur mazout 80
7814337 Pont enfichable 121 81
7404364 Fusible t 4,0 a / 250 v 82
7840263 Pompe a fuel alv 35 c 9619 6p 07 00 90
7815738 Noyau electrovanne 91
7834256 Pompe fuel bfp21 95
7818904 Filtre pompe a fuel 96
7858539 Bobine t85 plus 97
7815390 Cable transfo bruleur 99
7218504 Joint bride bruleur 109
7810889 Passe-cables a membrane 114
7834147 Plastron emboitable 115
7813667 Carter de bruleur bg15-23 120


Les images des vues éclatées peuvent contenir des prix datant de plusieurs années, merci de ne pas en tenir compte










Pièces détachées contenues dans cet appareil Brûleur Viessmann FIOUL VBE33 (7259503)



Photo Position vue éclatée Article Référence fabricant Disponibilité et prix  
Gueulard Viessmann 7812933
Gueulard
Code article PEX: 244698
Viessmann
Réf fabricant: 7812933
en stock
252,00 € TTC
Piece pour bruleur Viessmann 7318979
Piece pour bruleur
Code article PEX: 242323
Viessmann
Réf fabricant: 7318979
± 3 jours ouvrés
158,40 € TTC
Ecrou reglage pour bruleur Viessmann 7810132
Ecrou reglage pour bruleur
Code article PEX: 243764
Viessmann
Réf fabricant: 7810132
± 3 jours ouvrés
25,20 € TTC
Moteur pour brûleur Viessmann 7836335
Moteur pour brûleur
Code article PEX: 267688
Viessmann
Réf fabricant: 7836335
en stock
331,20 € TTC
Conduite fuel Viessmann 7812755
Conduite fuel
Code article PEX: 244652
Viessmann
Réf fabricant: 7812755
± 3 jours ouvrés
75,60 € TTC
Turbine Ø160 x 34 mm Viessmann 7815284
Turbine ø160 x 34 mm
Code article PEX: 245345
Viessmann
Réf fabricant: 7815284
en stock
80,40 € TTC
Pièces d'accouplement brûleur fuel (sachet de 3) Viessmann 7218426
Pièces d'accouplement brûleur fuel (sachet de 3)
Code article PEX: 241006
Viessmann
Réf fabricant: 7218426
en stock
12,24 € TTC
Viessmann : set olschlauche vor-/rucklau Viessmann 7875229
Viessmann : set olschlauche vor-/rucklau
Code article PEX: 662956
Viessmann
Réf fabricant: 7875229
en stock
46,80 € TTC
Mamelon pompe fuel Viessmann 7818891
Mamelon pompe fuel
Code article PEX: 247097
Viessmann
Réf fabricant: 7818891
± 3 jours ouvrés
25,20 € TTC
Joint cuivre d'étanchéité CU 1/4" Viessmann 7218748
Joint cuivre d'étanchéité cu 1/4"
Code article PEX: 241021
Viessmann
Réf fabricant: 7218748
± 3 jours ouvrés
16,08 € TTC
Clapet de reglage d air Viessmann 7305046
Clapet de reglage d air
Code article PEX: 242117
Viessmann
Réf fabricant: 7305046
 
obsolète
 
Capot de bruleur fuel Viessmann 7812456
Capot de bruleur fuel
Code article PEX: 244572
Viessmann
Réf fabricant: 7812456
 
obsolète
 
Bride de raccordement qrb Viessmann 7814878
Bride de raccordement qrb
Code article PEX: 245195
Viessmann
Réf fabricant: 7814878
± 3 jours ouvrés
13,44 € TTC
Insonorisant capot bruleur gr. i Viessmann 7238496
Insonorisant capot bruleur gr. i
Code article PEX: 241587
Viessmann
Réf fabricant: 7238496
± 3 jours ouvrés
160,80 € TTC
Skalen-aufkleber Viessmann 7810087
Skalen-aufkleber
Code article PEX: 365798
Viessmann
Réf fabricant: 7810087
 
obsolète
 
Ligne gicleur Viessmann 7813192
Ligne gicleur
Code article PEX: 244742
Viessmann
Réf fabricant: 7813192
en stock
118,80 € TTC
Accroche flamme Ø 60 mm Viessmann 7218433
Accroche flamme ø 60 mm
Code article PEX: 241010
Viessmann
Réf fabricant: 7218433
en stock
178,80 € TTC
Electrodes allumage ( bloc ) Viessmann 7810713
Electrodes allumage ( bloc )
Code article PEX: 243968
Viessmann
Réf fabricant: 7810713
en stock
60,00 € TTC
Gicleur od type s 0,75 45° Viessmann 7815289
Gicleur od type s 0,75 45°
Code article PEX: 100159
Viessmann
Réf fabricant: 7815289
en stock
29,04 € TTC
32 page 7 Zündtrafo zm 20/10 mit zündleitung
 
Viessmann
Réf fabricant: ZK04463
avec délai
sur devis
Boitier de controle fuel lmo 14.111c2v Viessmann 7832743
Boitier de controle fuel lmo 14.111c2v
Code article PEX: 252864
Viessmann
Réf fabricant: 7832743
en stock
178,80 € TTC
Console pour relais bruleur mazout Viessmann 7818899
Console pour relais bruleur mazout
Code article PEX: 247104
Viessmann
Réf fabricant: 7818899
en stock
237,60 € TTC
35 page 8 Cet article n est plus disponible
 
Viessmann
Réf fabricant: 7857445
avec délai
sur devis
Volet d air Viessmann 7812697
Volet d air
Code article PEX: 244637
Viessmann
Réf fabricant: 7812697
 
obsolète
 
Joint torique 19 x 2,5 simrit Viessmann 7815125
Joint torique 19 x 2,5 simrit
Code article PEX: 245278
Viessmann
Réf fabricant: 7815125
± 3 jours ouvrés
9,84 € TTC
Kit capot bruleur avec poignee Viessmann 7813983
Kit capot bruleur avec poignee
Code article PEX: 244974
Viessmann
Réf fabricant: 7813983
± 3 jours ouvrés
46,80 € TTC
Accessoires Viessmann 7240973
Accessoires
Code article PEX: 241666
Viessmann
Réf fabricant: 7240973
 
obsolète
 
53 page 7 Mont.anl. olbrenner-v unit 18-63kw
 
Viessmann
Réf fabricant: 5481149
avec délai
sur devis
54 page 7 Bed.anl. ol-gebläsebr. m.v 15-63
 
Viessmann
Réf fabricant: 5581075
avec délai
sur devis
55 page 7 Wart-checkl. olbrenner vec
 
Viessmann
Réf fabricant: 5681080
avec délai
sur devis
56 page 8 Et-bildl. unit-olbrenner-v oh.ov
 
Viessmann
Réf fabricant: 5781138
avec délai
sur devis
Rondelle no-air Viessmann 7815035
Rondelle no-air
Code article PEX: 245257
Viessmann
Réf fabricant: 7815035
 
obsolète
 
Kit pieces pour pompe fuel suntec Viessmann 7817919
Kit pieces pour pompe fuel suntec
Code article PEX: 246597
Viessmann
Réf fabricant: 7817919
en stock
43,20 € TTC
Bobine t80 pour electrovanne ( suntec ) Viessmann 7838979
Bobine t80 pour electrovanne ( suntec )
Code article PEX: 300644
Viessmann
Réf fabricant: 7838979
en stock
84,00 € TTC
Ecrou d electro-vanne Viessmann 7815297
Ecrou d electro-vanne
Code article PEX: 245356
Viessmann
Réf fabricant: 7815297
 
obsolète
 
Cable de raccordement electrovanne Viessmann 7814346
Cable de raccordement electrovanne
Code article PEX: 245062
Viessmann
Réf fabricant: 7814346
± 3 jours ouvrés
28,80 € TTC
Pont enfichable 122 Viessmann 7814347
Pont enfichable 122
Code article PEX: 245063
Viessmann
Réf fabricant: 7814347
± 3 jours ouvrés
18,36 € TTC
Pont enfichable 125 Viessmann 7814348
Pont enfichable 125
Code article PEX: 245064
Viessmann
Réf fabricant: 7814348
± 3 jours ouvrés
18,36 € TTC
70 page 8 Compteur mazout pour placeme t
 
Viessmann
Réf fabricant: 7250572
avec délai
sur devis
Compteur de fuel Viessmann 7815150
Compteur de fuel
Code article PEX: 245286
Viessmann
Réf fabricant: 7815150
 
obsolète
 
Electrovanne pour 7250572 Viessmann 7814351
Electrovanne pour 7250572
Code article PEX: 245065
Viessmann
Réf fabricant: 7814351
± 3 jours ouvrés
742,80 € TTC
79 page 1 Pcs indiv. de kit de modernisation pour
 
Viessmann
Réf fabricant: 7812108
avec délai
sur devis
Compteur d heures pour bruleur mazout Viessmann 7218473
Compteur d heures pour bruleur mazout
Code article PEX: 475324
Viessmann
Réf fabricant: 7218473
± 3 jours ouvrés
159,60 € TTC
Pont enfichable 121 Viessmann 7814337
Pont enfichable 121
Code article PEX: 245057
Viessmann
Réf fabricant: 7814337
± 3 jours ouvrés
18,36 € TTC
Fusible t 4,0 a / 250 v Viessmann 7404364
Fusible t 4,0 a / 250 v
Code article PEX: 243454
Viessmann
Réf fabricant: 7404364
± 3 jours ouvrés
9,36 € TTC
Pompe a fuel alv 35 c 9619 6p 07 00 Viessmann 7840263
Pompe a fuel alv 35 c 9619 6p 07 00
Code article PEX: 301002
Viessmann
Réf fabricant: 7840263
en stock
232,80 € TTC
Noyau electrovanne Viessmann 7815738
Noyau electrovanne
Code article PEX: 245557
Viessmann
Réf fabricant: 7815738
en stock
120,00 € TTC
Pompe fuel bfp21 Viessmann 7834256
Pompe fuel bfp21
Code article PEX: 253312
Viessmann
Réf fabricant: 7834256
en stock
241,20 € TTC
Filtre pompe a fuel Viessmann 7818904
Filtre pompe a fuel
Code article PEX: 247107
Viessmann
Réf fabricant: 7818904
± 3 jours ouvrés
39,60 € TTC
Bobine t85 plus Viessmann 7858539
Bobine t85 plus
Code article PEX: 477158
Viessmann
Réf fabricant: 7858539
en stock
84,00 € TTC
Cable transfo bruleur Viessmann 7815390
Cable transfo bruleur
Code article PEX: 245397
Viessmann
Réf fabricant: 7815390
en stock
39,60 € TTC
Joint bride bruleur Viessmann 7218504
Joint bride bruleur
Code article PEX: 241013
Viessmann
Réf fabricant: 7218504
en stock
25,20 € TTC
Passe-cables a membrane Viessmann 7810889
Passe-cables a membrane
Code article PEX: 312771
Viessmann
Réf fabricant: 7810889
 
obsolète
 
Plastron emboitable Viessmann 7834147
Plastron emboitable
Code article PEX: 253261
Viessmann
Réf fabricant: 7834147
± 3 jours ouvrés
14,28 € TTC
Carter de bruleur bg15-23 Viessmann 7813667
Carter de bruleur bg15-23
Code article PEX: 244878
Viessmann
Réf fabricant: 7813667
 
obsolète
 


Dans cette page vous trouverez l'ensemble des articles et pièces détachées de chaufferie qui composent la nomenclature Brûleur Viessmann FIOUL VBE33 (7259503) ainsi que des liens vers les articles Viessmann. En parcourant la page Viessmann, vous pourrez également trouver toutes les pièces Viessmann présentes chez Pièces Express. L'indication de stock vous permet de savoir si la pièce détachée est disponible dans notre stock central ou bien avec un délai fournisseur. Dans ce dernier cas, renseignez vous, nous commandons très régulièrement chez chacun de nos fournisseurs, nous pouvons donc certainement répondre à votre besoin rapidement.

Nos marques
Nos catalogues
Nos outils
Nos gicleurs fioul
Nos bougies pour poêles à pellets
Pièces détachées de chauffage et climatisation
PIÈCES EXPRESS
1 rue Philippe LEBON
ZA Henri Spriet
14120 MONDEVILLE
Téléphone: 02 14 47 16 10
Siret: 790 553 242 00013
Tva: FR 38 790553242

4.7
156 avis