Pièces détachées de chauffage et climatisation
Plus de 650 000 références fabricants disponibles
Livraison en France et en Belgique
4.7
MARQUES ▾
CATALOGUES ▾
VUES ÉCLATÉES ▾ CODES DÉFAUTS ▾
OUTILS DE RECHERCHE ▾
FAQ / TUTOS
DÉSTOCKAGE
>
VOTRE RECHERCHE

Brûleur Viessmann FIOUL Brn-Bra 2 (7218802)



page 1
page 2
Pièces détachées Brûleur Viessmann FIOUL Brn-Bra 2 (7218802) chez Pièces Express


Référence fabricant
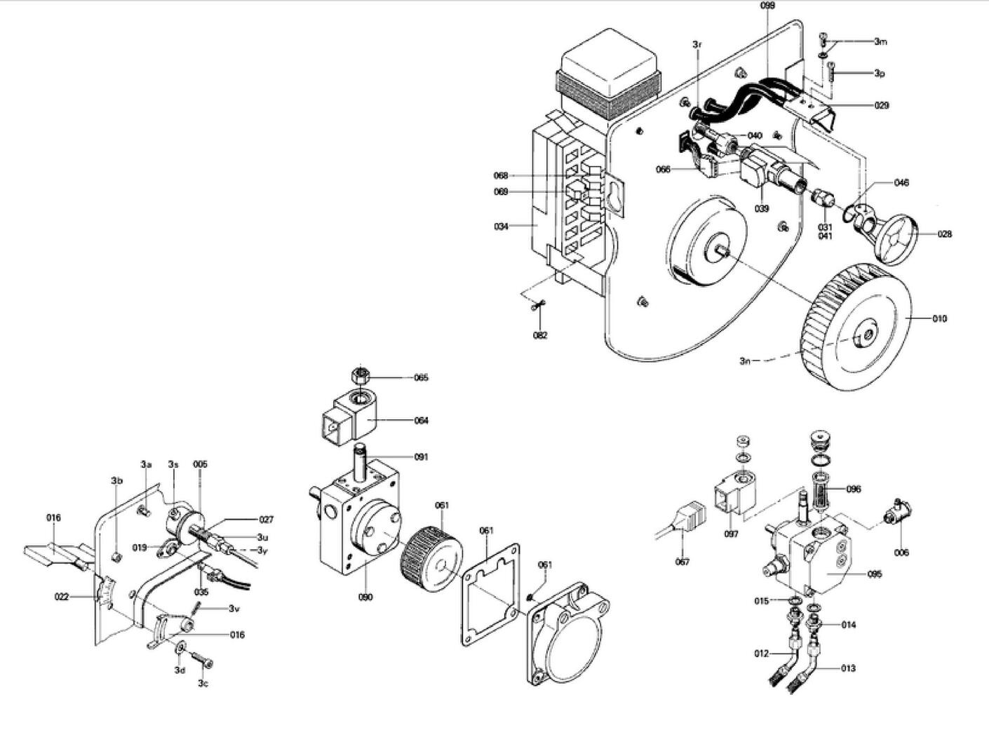
Position Schéma
7813653 Brennergehäuse 1
7813195 Tube de flamme vei 2
7318979 Piece pour bruleur 3
7810132 Ecrou reglage pour bruleur 5
7815481 Coude filete 6
7836335 Moteur pour brûleur 8
7812745 Olleitung ol-gebläsebrenner 14-58kw 9
7815284 Turbine ø160 x 34 mm 10
7218426 Pièces d'accouplement brûleur fuel (sachet de 3) 11
7875238 Viessmann : set olschlauche vor-/rucklau 12
7875238 Viessmann : set olschlauche vor-/rucklau 13
7818891 Mamelon pompe fuel 14
7218748 Joint cuivre d'étanchéité cu 1/4" 15
7305046 Clapet de reglage d air 16
7812395 Olbrennerhaube 17
7814878 Bride de raccordement qrb 19
7237941 Schalldämm-matten mit kleber 20
7254296 Deckel 22kw 21
7810087 Skalen-aufkleber 22
7813194 Ligne gicleur vea gr.i 27
7813181 Diffuseur ø60 mm 28
7810713 Electrodes allumage ( bloc ) 29
7815544 Gicleur 0,60 gph 60° hf 31
ZK04463 Zündtrafo zm 20/10 mit zündleitung 32
7832743 Boitier de controle fuel lmo 14.111c2v 33
7818899 Console pour relais bruleur mazout 34
7857445 Cet article n est plus disponible 35
7254782 Prechauffage fuel 39
7814950 Ecrou 40
7812697 Volet d air 45
7815125 Joint torique 19 x 2,5 simrit 46
7812056 Beipack brennerhaube 51
7812536 Beipack brennergehäuse 52
5129516 Mont.anl. unit olbrenner ra/rn 53
5243065 Bed.anl. unit-olbrenner ra/rn 54
5244061 Wart-checkl. unit-olbren. ra/rn 18-34kw 55
5781040 Et-bildl. olbrenner brn 18-29kw 56
7814939 Bombe de peinture gris clair ral 7035 57
7814940 Lackstift lichtgrau ral 7035 58
7817919 Kit pieces pour pompe fuel suntec 61
7838979 Bobine t80 pour electrovanne ( suntec ) 64
7815297 Ecrou d electro-vanne 65
7814345 Cable prechauffeur fuel et flexible 66
7814346 Cable de raccordement electrovanne 67
7814347 Pont enfichable 122 68
7814348 Pont enfichable 125 69
7218474 Compteur fioul brn 70
7815150 Compteur de fuel 71
7814351 Electrovanne pour 7250572 72
7251745 Jeu de raccords filetes pour compteur 75
7812937 Conduite fuel avec fixation p. compteur 76
7218473 Compteur d heures pour bruleur mazout 80
7404364 Fusible t 4,0 a / 250 v 82
7840263 Pompe a fuel alv 35 c 9619 6p 07 00 90
7815536 Noyau electrovanne 1 allure 91
7834256 Pompe fuel bfp21 95
7818904 Filtre pompe a fuel 96
7858539 Bobine t85 plus 97
7810708 Clapet d air pour bruleur 98
7815390 Cable transfo bruleur 99
7813587 Crochet plastique capot 100
7810200 Fixation capot bruleur 101
7218504 Joint bride bruleur 109
7834147 Plastron emboitable 115


Les images des vues éclatées peuvent contenir des prix datant de plusieurs années, merci de ne pas en tenir compte










Pièces détachées contenues dans cet appareil Brûleur Viessmann FIOUL Brn-Bra 2 (7218802)



Photo Position vue éclatée Article Référence fabricant Disponibilité et prix  
1 page 1 Brennergehäuse
 
Viessmann
Réf fabricant: 7813653
avec délai
sur devis
Tube de flamme VEI Viessmann 7813195
Tube de flamme vei
Code article PEX: 244744
Viessmann
Réf fabricant: 7813195
± 3 jours ouvrés
252,00 € TTC
Piece pour bruleur Viessmann 7318979
Piece pour bruleur
Code article PEX: 242323
Viessmann
Réf fabricant: 7318979
± 3 jours ouvrés
158,40 € TTC
Ecrou reglage pour bruleur Viessmann 7810132
Ecrou reglage pour bruleur
Code article PEX: 243764
Viessmann
Réf fabricant: 7810132
± 3 jours ouvrés
25,20 € TTC
Coude filete Viessmann 7815481
Coude filete
Code article PEX: 245439
Viessmann
Réf fabricant: 7815481
± 3 jours ouvrés
54,00 € TTC
Moteur pour brûleur Viessmann 7836335
Moteur pour brûleur
Code article PEX: 267688
Viessmann
Réf fabricant: 7836335
en stock
331,20 € TTC
9 page 1 Olleitung ol-gebläsebrenner 14-58kw
 
Viessmann
Réf fabricant: 7812745
avec délai
sur devis
Turbine Ø160 x 34 mm Viessmann 7815284
Turbine ø160 x 34 mm
Code article PEX: 245345
Viessmann
Réf fabricant: 7815284
en stock
80,40 € TTC
Pièces d'accouplement brûleur fuel (sachet de 3) Viessmann 7218426
Pièces d'accouplement brûleur fuel (sachet de 3)
Code article PEX: 241006
Viessmann
Réf fabricant: 7218426
en stock
12,24 € TTC
Viessmann : set olschlauche vor-/rucklau Viessmann 7875238
Viessmann : set olschlauche vor-/rucklau
Code article PEX: 662957
Viessmann
Réf fabricant: 7875238
± 3 jours ouvrés
46,80 € TTC
Mamelon pompe fuel Viessmann 7818891
Mamelon pompe fuel
Code article PEX: 247097
Viessmann
Réf fabricant: 7818891
± 3 jours ouvrés
25,20 € TTC
Joint cuivre d'étanchéité CU 1/4" Viessmann 7218748
Joint cuivre d'étanchéité cu 1/4"
Code article PEX: 241021
Viessmann
Réf fabricant: 7218748
± 3 jours ouvrés
16,08 € TTC
Clapet de reglage d air Viessmann 7305046
Clapet de reglage d air
Code article PEX: 242117
Viessmann
Réf fabricant: 7305046
 
obsolète
 
17 page 2 Olbrennerhaube
 
Viessmann
Réf fabricant: 7812395
avec délai
sur devis
Bride de raccordement qrb Viessmann 7814878
Bride de raccordement qrb
Code article PEX: 245195
Viessmann
Réf fabricant: 7814878
± 3 jours ouvrés
13,44 € TTC
20 page 2 Schalldämm-matten mit kleber
 
Viessmann
Réf fabricant: 7237941
avec délai
sur devis
21 page 2 Deckel 22kw
 
Viessmann
Réf fabricant: 7254296
avec délai
sur devis
Skalen-aufkleber Viessmann 7810087
Skalen-aufkleber
Code article PEX: 365798
Viessmann
Réf fabricant: 7810087
 
obsolète
 
Ligne gicleur vea gr.i Viessmann 7813194
Ligne gicleur vea gr.i
Code article PEX: 244743
Viessmann
Réf fabricant: 7813194
± 3 jours ouvrés
210,00 € TTC
Diffuseur Ø60 mm Viessmann 7813181
Diffuseur ø60 mm
Code article PEX: 244739
Viessmann
Réf fabricant: 7813181
± 3 jours ouvrés
108,00 € TTC
Electrodes allumage ( bloc ) Viessmann 7810713
Electrodes allumage ( bloc )
Code article PEX: 243968
Viessmann
Réf fabricant: 7810713
en stock
60,00 € TTC
Gicleur Fluidics 0,60 60° hf Viessmann 7815544
Gicleur fluidics 0,60 60° hf
Code article PEX: 226223
Viessmann
Réf fabricant: 7815544
en stock
13,30 € TTC
32 page 2 Zündtrafo zm 20/10 mit zündleitung
 
Viessmann
Réf fabricant: ZK04463
avec délai
sur devis
Boitier de controle fuel lmo 14.111c2v Viessmann 7832743
Boitier de controle fuel lmo 14.111c2v
Code article PEX: 252864
Viessmann
Réf fabricant: 7832743
en stock
178,80 € TTC
Console pour relais bruleur mazout Viessmann 7818899
Console pour relais bruleur mazout
Code article PEX: 247104
Viessmann
Réf fabricant: 7818899
en stock
237,60 € TTC
35 page 2 Cet article n est plus disponible
 
Viessmann
Réf fabricant: 7857445
avec délai
sur devis
Prechauffage fuel Viessmann 7254782
Prechauffage fuel
Code article PEX: 241946
Viessmann
Réf fabricant: 7254782
± 3 jours ouvrés
243,60 € TTC
Ecrou Viessmann 7814950
Ecrou
Code article PEX: 245226
Viessmann
Réf fabricant: 7814950
± 3 jours ouvrés
17,04 € TTC
Volet d air Viessmann 7812697
Volet d air
Code article PEX: 244637
Viessmann
Réf fabricant: 7812697
 
obsolète
 
Joint torique 19 x 2,5 simrit Viessmann 7815125
Joint torique 19 x 2,5 simrit
Code article PEX: 245278
Viessmann
Réf fabricant: 7815125
± 3 jours ouvrés
9,84 € TTC
51 page 2 Beipack brennerhaube
 
Viessmann
Réf fabricant: 7812056
avec délai
sur devis
52 page 1 Beipack brennergehäuse
 
Viessmann
Réf fabricant: 7812536
avec délai
sur devis
53 page 2 Mont.anl. unit olbrenner ra/rn
 
Viessmann
Réf fabricant: 5129516
avec délai
sur devis
54 page 2 Bed.anl. unit-olbrenner ra/rn
 
Viessmann
Réf fabricant: 5243065
avec délai
sur devis
55 page 1 Wart-checkl. unit-olbren. ra/rn 18-34kw
 
Viessmann
Réf fabricant: 5244061
avec délai
sur devis
56 page 2 Et-bildl. olbrenner brn 18-29kw
 
Viessmann
Réf fabricant: 5781040
avec délai
sur devis
Bombe de peinture gris clair ral 7035 Viessmann 7814939
Bombe de peinture gris clair ral 7035
Code article PEX: 245220
Viessmann
Réf fabricant: 7814939
 
obsolète
 
Lackstift lichtgrau ral 7035 Viessmann 7814940
Lackstift lichtgrau ral 7035
Code article PEX: 366038
Viessmann
Réf fabricant: 7814940
 
obsolète
 
Kit pieces pour pompe fuel suntec Viessmann 7817919
Kit pieces pour pompe fuel suntec
Code article PEX: 246597
Viessmann
Réf fabricant: 7817919
en stock
43,20 € TTC
Bobine t80 pour electrovanne ( suntec ) Viessmann 7838979
Bobine t80 pour electrovanne ( suntec )
Code article PEX: 300644
Viessmann
Réf fabricant: 7838979
en stock
84,00 € TTC
Ecrou d electro-vanne Viessmann 7815297
Ecrou d electro-vanne
Code article PEX: 245356
Viessmann
Réf fabricant: 7815297
 
obsolète
 
Cable prechauffeur fuel et flexible Viessmann 7814345
Cable prechauffeur fuel et flexible
Code article PEX: 245061
Viessmann
Réf fabricant: 7814345
± 3 jours ouvrés
36,00 € TTC
Cable de raccordement electrovanne Viessmann 7814346
Cable de raccordement electrovanne
Code article PEX: 245062
Viessmann
Réf fabricant: 7814346
± 3 jours ouvrés
28,80 € TTC
Pont enfichable 122 Viessmann 7814347
Pont enfichable 122
Code article PEX: 245063
Viessmann
Réf fabricant: 7814347
± 3 jours ouvrés
18,36 € TTC
Pont enfichable 125 Viessmann 7814348
Pont enfichable 125
Code article PEX: 245064
Viessmann
Réf fabricant: 7814348
± 3 jours ouvrés
18,36 € TTC
70 page 2 Compteur fioul brn
 
Viessmann
Réf fabricant: 7218474
avec délai
sur devis
Compteur de fuel Viessmann 7815150
Compteur de fuel
Code article PEX: 245286
Viessmann
Réf fabricant: 7815150
 
obsolète
 
Electrovanne pour 7250572 Viessmann 7814351
Electrovanne pour 7250572
Code article PEX: 245065
Viessmann
Réf fabricant: 7814351
± 3 jours ouvrés
742,80 € TTC
Jeu de raccords filetes pour compteur Viessmann 7251745
Jeu de raccords filetes pour compteur
Code article PEX: 241811
Viessmann
Réf fabricant: 7251745
 
obsolète
 
Conduite fuel avec fixation p. compteur Viessmann 7812937
Conduite fuel avec fixation p. compteur
Code article PEX: 244700
Viessmann
Réf fabricant: 7812937
 
obsolète
 
Compteur d heures pour bruleur mazout Viessmann 7218473
Compteur d heures pour bruleur mazout
Code article PEX: 475324
Viessmann
Réf fabricant: 7218473
± 3 jours ouvrés
159,60 € TTC
Fusible t 4,0 a / 250 v Viessmann 7404364
Fusible t 4,0 a / 250 v
Code article PEX: 243454
Viessmann
Réf fabricant: 7404364
± 3 jours ouvrés
9,36 € TTC
Pompe a fuel alv 35 c 9619 6p 07 00 Viessmann 7840263
Pompe a fuel alv 35 c 9619 6p 07 00
Code article PEX: 301002
Viessmann
Réf fabricant: 7840263
en stock
232,80 € TTC
Noyau electrovanne 1 allure Viessmann 7815536
Noyau electrovanne 1 allure
Code article PEX: 245473
Viessmann
Réf fabricant: 7815536
 
obsolète
 
Pompe fuel bfp21 Viessmann 7834256
Pompe fuel bfp21
Code article PEX: 253312
Viessmann
Réf fabricant: 7834256
en stock
241,20 € TTC
Filtre pompe a fuel Viessmann 7818904
Filtre pompe a fuel
Code article PEX: 247107
Viessmann
Réf fabricant: 7818904
± 3 jours ouvrés
39,60 € TTC
Bobine t85 plus Viessmann 7858539
Bobine t85 plus
Code article PEX: 477158
Viessmann
Réf fabricant: 7858539
en stock
84,00 € TTC
Clapet d air pour bruleur Viessmann 7810708
Clapet d air pour bruleur
Code article PEX: 297404
Viessmann
Réf fabricant: 7810708
 
obsolète
 
Cable transfo bruleur Viessmann 7815390
Cable transfo bruleur
Code article PEX: 245397
Viessmann
Réf fabricant: 7815390
en stock
39,60 € TTC
Crochet plastique capot Viessmann 7813587
Crochet plastique capot
Code article PEX: 244847
Viessmann
Réf fabricant: 7813587
± 3 jours ouvrés
14,28 € TTC
Fixation capot bruleur Viessmann 7810200
Fixation capot bruleur
Code article PEX: 243801
Viessmann
Réf fabricant: 7810200
± 3 jours ouvrés
9,84 € TTC
Joint bride bruleur Viessmann 7218504
Joint bride bruleur
Code article PEX: 241013
Viessmann
Réf fabricant: 7218504
en stock
25,20 € TTC
Plastron emboitable Viessmann 7834147
Plastron emboitable
Code article PEX: 253261
Viessmann
Réf fabricant: 7834147
± 3 jours ouvrés
14,28 € TTC


Dans cette page vous trouverez l'ensemble des articles et pièces détachées de chaufferie qui composent la nomenclature Brûleur Viessmann FIOUL Brn-Bra 2 (7218802) ainsi que des liens vers les articles Viessmann. En parcourant la page Viessmann, vous pourrez également trouver toutes les pièces Viessmann présentes chez Pièces Express. L'indication de stock vous permet de savoir si la pièce détachée est disponible dans notre stock central ou bien avec un délai fournisseur. Dans ce dernier cas, renseignez vous, nous commandons très régulièrement chez chacun de nos fournisseurs, nous pouvons donc certainement répondre à votre besoin rapidement.

Nos marques
Nos catalogues
Nos outils
Nos gicleurs fioul
Nos bougies pour poêles à pellets
Pièces détachées de chauffage et climatisation
PIÈCES EXPRESS
1 rue Philippe LEBON
ZA Henri Spriet
14120 MONDEVILLE
Téléphone: 02 14 47 16 10
Siret: 790 553 242 00013
Tva: FR 38 790553242

4.7
156 avis