Pièces détachées de chauffage et climatisation
Plus de 650 000 références fabricants disponibles
Livraison en France et en Belgique
4.7
MARQUES ▾
CATALOGUES ▾
VUES ÉCLATÉES ▾ CODES DÉFAUTS ▾
OUTILS DE RECHERCHE ▾
FAQ / TUTOS
DÉSTOCKAGE
>
VOTRE RECHERCHE

Brûleur Viessmann PROFLAME 27 kW (7259018)



page 1
page 2
Pièces détachées Brûleur Viessmann PROFLAME 27 kW (7259018) chez Pièces Express


Référence fabricant
Position Schéma
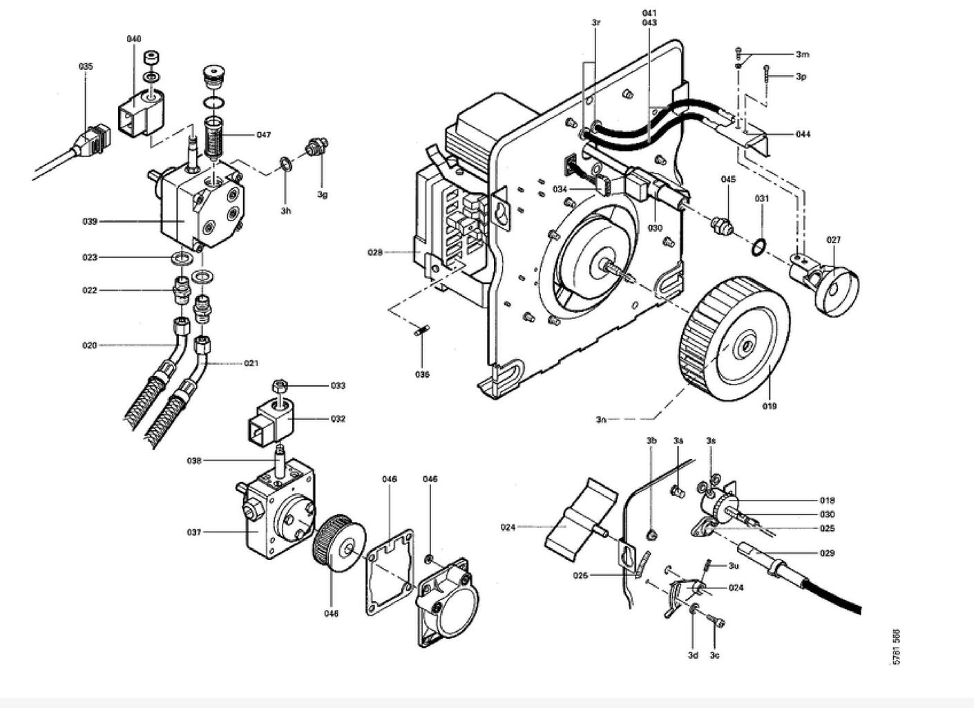
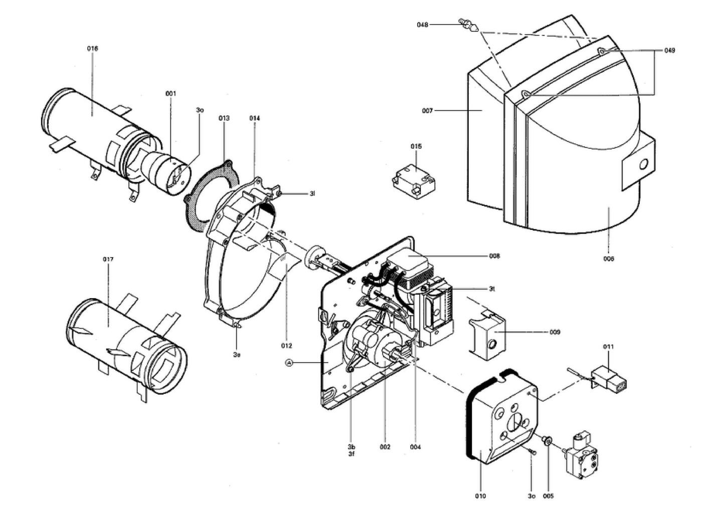
7813195 Tube de flamme vei 0001
7836335 Moteur pour brûleur 0002
7318979 Piece pour bruleur 0003
7812755 Conduite fuel 0004
7218426 Pièces d'accouplement brûleur fuel (sachet de 3) 0005
7819492 Capot de bruleur gr.1 0006
7819363 Matelas isolant avec colle 0007
7819463 Transfo allumage zm 20/10 0008
7832743 Boitier de controle fuel lmo 14.111c2v 0009
7812697 Volet d air 0010
7218473 Compteur d heures pour bruleur mazout 0011
7810708 Clapet d air pour bruleur 0012
7218504 Joint bride bruleur 0013
7813669 Porte bruleur 22-33kw 0014
7837189 Transformateur électronique ebi4m 0015
7241689 Insert brûleur vitola 27/33 kw 0016
7241781 Insert bruleur 27/33 kw 0017
7810132 Ecrou reglage pour bruleur 0018
7815636 Ventilateur brûleur ø170 x 34 mm 0019
7875229 Viessmann : set olschlauche vor-/rucklau 0020
7875229 Viessmann : set olschlauche vor-/rucklau 0021
7818891 Mamelon pompe fuel 0022
7218748 Joint cuivre d'étanchéité cu 1/4" 0023
7305046 Clapet de reglage d air 0024
7814878 Bride de raccordement qrb 0025
7810087 Skalen-aufkleber 0026
7813181 Diffuseur ø60 mm 0027
7818899 Console pour relais bruleur mazout 0028
7857445 Cet article n est plus disponible 0029
7254782 Prechauffage fuel 0030
7815125 Joint torique 19 x 2,5 simrit 0031
7838979 Bobine t80 pour electrovanne ( suntec ) 0032
7815297 Ecrou d electro-vanne 0033
7814345 Cable prechauffeur fuel et flexible 0034
7814346 Cable de raccordement electrovanne 0035
7404364 Fusible t 4,0 a / 250 v 0036
7840263 Pompe a fuel alv 35 c 9619 6p 07 00 0037
7815738 Noyau electrovanne 0038
7834256 Pompe fuel bfp21 0039
7858539 Bobine t85 plus 0040
7815390 Cable transfo bruleur 0041
7257034 Accessoires bruleur 0042
7815390 Cable transfo bruleur 0043
7810713 Electrodes allumage ( bloc ) 0044
7815545 Gicleur 0,75 gph 60° hf 0045
7817919 Kit pieces pour pompe fuel suntec 0046
7818904 Filtre pompe a fuel 0047
7810200 Fixation capot bruleur 0048
7819282 Fermeture capot bruleur 0049
5481783 Mont.anl. proflame-ölbr. vea 15-63kw 0050
5681278 Serv.anl. proflame-ölbr. vea 15-63 0051
5781566 Et-bildl. ölbrenner 0052
7834147 Plastron emboitable 0115


Les images des vues éclatées peuvent contenir des prix datant de plusieurs années, merci de ne pas en tenir compte










Pièces détachées contenues dans cet appareil Brûleur Viessmann PROFLAME 27 kW (7259018)



Photo Position vue éclatée Article Référence fabricant Disponibilité et prix  
Tube de flamme VEI Viessmann 7813195
Tube de flamme vei
Code article PEX: 244744
Viessmann
Réf fabricant: 7813195
± 3 jours ouvrés
252,00 € TTC
Moteur pour brûleur Viessmann 7836335
Moteur pour brûleur
Code article PEX: 267688
Viessmann
Réf fabricant: 7836335
en stock
331,20 € TTC
Piece pour bruleur Viessmann 7318979
Piece pour bruleur
Code article PEX: 242323
Viessmann
Réf fabricant: 7318979
± 3 jours ouvrés
158,40 € TTC
Conduite fuel Viessmann 7812755
Conduite fuel
Code article PEX: 244652
Viessmann
Réf fabricant: 7812755
± 3 jours ouvrés
75,60 € TTC
Pièces d'accouplement brûleur fuel (sachet de 3) Viessmann 7218426
Pièces d'accouplement brûleur fuel (sachet de 3)
Code article PEX: 241006
Viessmann
Réf fabricant: 7218426
en stock
12,24 € TTC
Capot de bruleur gr.1 Viessmann 7819492
Capot de bruleur gr.1
Code article PEX: 247469
Viessmann
Réf fabricant: 7819492
± 3 jours ouvrés
386,40 € TTC
Matelas isolant avec colle Viessmann 7819363
Matelas isolant avec colle
Code article PEX: 297913
Viessmann
Réf fabricant: 7819363
± 3 jours ouvrés
97,20 € TTC
Transformateur électronique EBI4M Viessmann 7819463
Transformateur électronique ebi4m
Code article PEX: 300281
Viessmann
Réf fabricant: 7819463
en stock
102,00 € TTC
Boitier de controle fuel lmo 14.111c2v Viessmann 7832743
Boitier de controle fuel lmo 14.111c2v
Code article PEX: 252864
Viessmann
Réf fabricant: 7832743
en stock
178,80 € TTC
Volet d air Viessmann 7812697
Volet d air
Code article PEX: 244637
Viessmann
Réf fabricant: 7812697
 
obsolète
 
Compteur d heures pour bruleur mazout Viessmann 7218473
Compteur d heures pour bruleur mazout
Code article PEX: 475324
Viessmann
Réf fabricant: 7218473
± 3 jours ouvrés
159,60 € TTC
Clapet d air pour bruleur Viessmann 7810708
Clapet d air pour bruleur
Code article PEX: 297404
Viessmann
Réf fabricant: 7810708
 
obsolète
 
Joint bride bruleur Viessmann 7218504
Joint bride bruleur
Code article PEX: 241013
Viessmann
Réf fabricant: 7218504
en stock
25,20 € TTC
Porte bruleur 22-33kw Viessmann 7813669
Porte bruleur 22-33kw
Code article PEX: 244880
Viessmann
Réf fabricant: 7813669
 
obsolète
 
Transformateur électronique EBI4M Viessmann 7837189
Transformateur électronique ebi4m
Code article PEX: 300281
Viessmann
Réf fabricant: 7837189
en stock
102,00 € TTC
Insert brûleur vitola 27/33 kw Viessmann 7241689
Insert brûleur vitola 27/33 kw
Code article PEX: 241697
Viessmann
Réf fabricant: 7241689
± 3 jours ouvrés
568,80 € TTC
Insert bruleur 27/33 kw Viessmann 7241781
Insert bruleur 27/33 kw
Code article PEX: 241705
Viessmann
Réf fabricant: 7241781
± 3 jours ouvrés
543,60 € TTC
Ecrou reglage pour bruleur Viessmann 7810132
Ecrou reglage pour bruleur
Code article PEX: 243764
Viessmann
Réf fabricant: 7810132
± 3 jours ouvrés
25,20 € TTC
Ventilateur brûleur Ø170 x 34 mm Viessmann 7815636
Ventilateur brûleur ø170 x 34 mm
Code article PEX: 245515
Viessmann
Réf fabricant: 7815636
± 3 jours ouvrés
118,80 € TTC
Viessmann : set olschlauche vor-/rucklau Viessmann 7875229
Viessmann : set olschlauche vor-/rucklau
Code article PEX: 662956
Viessmann
Réf fabricant: 7875229
en stock
46,80 € TTC
Mamelon pompe fuel Viessmann 7818891
Mamelon pompe fuel
Code article PEX: 247097
Viessmann
Réf fabricant: 7818891
± 3 jours ouvrés
25,20 € TTC
Joint cuivre d'étanchéité CU 1/4" Viessmann 7218748
Joint cuivre d'étanchéité cu 1/4"
Code article PEX: 241021
Viessmann
Réf fabricant: 7218748
± 3 jours ouvrés
16,08 € TTC
Clapet de reglage d air Viessmann 7305046
Clapet de reglage d air
Code article PEX: 242117
Viessmann
Réf fabricant: 7305046
 
obsolète
 
Bride de raccordement qrb Viessmann 7814878
Bride de raccordement qrb
Code article PEX: 245195
Viessmann
Réf fabricant: 7814878
± 3 jours ouvrés
13,44 € TTC
Skalen-aufkleber Viessmann 7810087
Skalen-aufkleber
Code article PEX: 365798
Viessmann
Réf fabricant: 7810087
 
obsolète
 
Diffuseur Ø60 mm Viessmann 7813181
Diffuseur ø60 mm
Code article PEX: 244739
Viessmann
Réf fabricant: 7813181
± 3 jours ouvrés
108,00 € TTC
Console pour relais bruleur mazout Viessmann 7818899
Console pour relais bruleur mazout
Code article PEX: 247104
Viessmann
Réf fabricant: 7818899
en stock
237,60 € TTC
0029 page 3 Cet article n est plus disponible
 
Viessmann
Réf fabricant: 7857445
avec délai
sur devis
Prechauffage fuel Viessmann 7254782
Prechauffage fuel
Code article PEX: 241946
Viessmann
Réf fabricant: 7254782
± 3 jours ouvrés
243,60 € TTC
Joint torique 19 x 2,5 simrit Viessmann 7815125
Joint torique 19 x 2,5 simrit
Code article PEX: 245278
Viessmann
Réf fabricant: 7815125
± 3 jours ouvrés
9,84 € TTC
Bobine t80 pour electrovanne ( suntec ) Viessmann 7838979
Bobine t80 pour electrovanne ( suntec )
Code article PEX: 300644
Viessmann
Réf fabricant: 7838979
en stock
84,00 € TTC
Ecrou d electro-vanne Viessmann 7815297
Ecrou d electro-vanne
Code article PEX: 245356
Viessmann
Réf fabricant: 7815297
 
obsolète
 
Cable prechauffeur fuel et flexible Viessmann 7814345
Cable prechauffeur fuel et flexible
Code article PEX: 245061
Viessmann
Réf fabricant: 7814345
± 3 jours ouvrés
36,00 € TTC
Cable de raccordement electrovanne Viessmann 7814346
Cable de raccordement electrovanne
Code article PEX: 245062
Viessmann
Réf fabricant: 7814346
± 3 jours ouvrés
28,80 € TTC
Fusible t 4,0 a / 250 v Viessmann 7404364
Fusible t 4,0 a / 250 v
Code article PEX: 243454
Viessmann
Réf fabricant: 7404364
± 3 jours ouvrés
9,36 € TTC
Pompe a fuel alv 35 c 9619 6p 07 00 Viessmann 7840263
Pompe a fuel alv 35 c 9619 6p 07 00
Code article PEX: 301002
Viessmann
Réf fabricant: 7840263
en stock
232,80 € TTC
Noyau electrovanne Viessmann 7815738
Noyau electrovanne
Code article PEX: 245557
Viessmann
Réf fabricant: 7815738
en stock
120,00 € TTC
Pompe fuel bfp21 Viessmann 7834256
Pompe fuel bfp21
Code article PEX: 253312
Viessmann
Réf fabricant: 7834256
en stock
241,20 € TTC
Bobine t85 plus Viessmann 7858539
Bobine t85 plus
Code article PEX: 477158
Viessmann
Réf fabricant: 7858539
en stock
84,00 € TTC
Cable transfo bruleur Viessmann 7815390
Cable transfo bruleur
Code article PEX: 245397
Viessmann
Réf fabricant: 7815390
en stock
39,60 € TTC
Accessoires bruleur Viessmann 7257034
Accessoires bruleur
Code article PEX: 241960
Viessmann
Réf fabricant: 7257034
± 3 jours ouvrés
28,80 € TTC
Cable transfo bruleur Viessmann 7815390
Cable transfo bruleur
Code article PEX: 245397
Viessmann
Réf fabricant: 7815390
en stock
39,60 € TTC
Electrodes allumage ( bloc ) Viessmann 7810713
Electrodes allumage ( bloc )
Code article PEX: 243968
Viessmann
Réf fabricant: 7810713
en stock
60,00 € TTC
Gicleur Fluidics 0,75 60° hf Viessmann 7815545
Gicleur fluidics 0,75 60° hf
Code article PEX: 226225
Viessmann
Réf fabricant: 7815545
en stock
13,30 € TTC
Kit pieces pour pompe fuel suntec Viessmann 7817919
Kit pieces pour pompe fuel suntec
Code article PEX: 246597
Viessmann
Réf fabricant: 7817919
en stock
43,20 € TTC
Filtre pompe a fuel Viessmann 7818904
Filtre pompe a fuel
Code article PEX: 247107
Viessmann
Réf fabricant: 7818904
± 3 jours ouvrés
39,60 € TTC
Fixation capot bruleur Viessmann 7810200
Fixation capot bruleur
Code article PEX: 243801
Viessmann
Réf fabricant: 7810200
± 3 jours ouvrés
9,84 € TTC
Fermeture capot bruleur Viessmann 7819282
Fermeture capot bruleur
Code article PEX: 247332
Viessmann
Réf fabricant: 7819282
en stock
18,36 € TTC
0050 page 3 Mont.anl. proflame-ölbr. vea 15-63kw
 
Viessmann
Réf fabricant: 5481783
avec délai
sur devis
0051 page 1 Serv.anl. proflame-ölbr. vea 15-63
 
Viessmann
Réf fabricant: 5681278
avec délai
sur devis
0052 page 2 Et-bildl. ölbrenner
 
Viessmann
Réf fabricant: 5781566
avec délai
sur devis
Plastron emboitable Viessmann 7834147
Plastron emboitable
Code article PEX: 253261
Viessmann
Réf fabricant: 7834147
± 3 jours ouvrés
14,28 € TTC


Dans cette page vous trouverez l'ensemble des articles et pièces détachées de chaufferie qui composent la nomenclature Brûleur Viessmann PROFLAME 27 kW (7259018) ainsi que des liens vers les articles Viessmann. En parcourant la page Viessmann, vous pourrez également trouver toutes les pièces Viessmann présentes chez Pièces Express. L'indication de stock vous permet de savoir si la pièce détachée est disponible dans notre stock central ou bien avec un délai fournisseur. Dans ce dernier cas, renseignez vous, nous commandons très régulièrement chez chacun de nos fournisseurs, nous pouvons donc certainement répondre à votre besoin rapidement.

Nos marques
Nos catalogues
Nos outils
Nos gicleurs fioul
Nos bougies pour poêles à pellets
Pièces détachées de chauffage et climatisation
PIÈCES EXPRESS
1 rue Philippe LEBON
ZA Henri Spriet
14120 MONDEVILLE
Téléphone: 02 14 47 16 10
Siret: 790 553 242 00013
Tva: FR 38 790553242

4.7
156 avis