Pièces détachées de chauffage et climatisation
Plus de 650 000 références fabricants disponibles
Livraison en France et en Belgique
4.7
MARQUES ▾
CATALOGUES ▾
VUES ÉCLATÉES ▾ CODES DÉFAUTS ▾
OUTILS DE RECHERCHE ▾
FAQ / TUTOS
DÉSTOCKAGE
>
VOTRE RECHERCHE

Brûleur Viessmann FIOUL 46-55 kW (7218625)



page 1
page 2
page 3
Pièces détachées Brûleur Viessmann FIOUL 46-55 kW (7218625) chez Pièces Express


Référence fabricant
Position Schéma
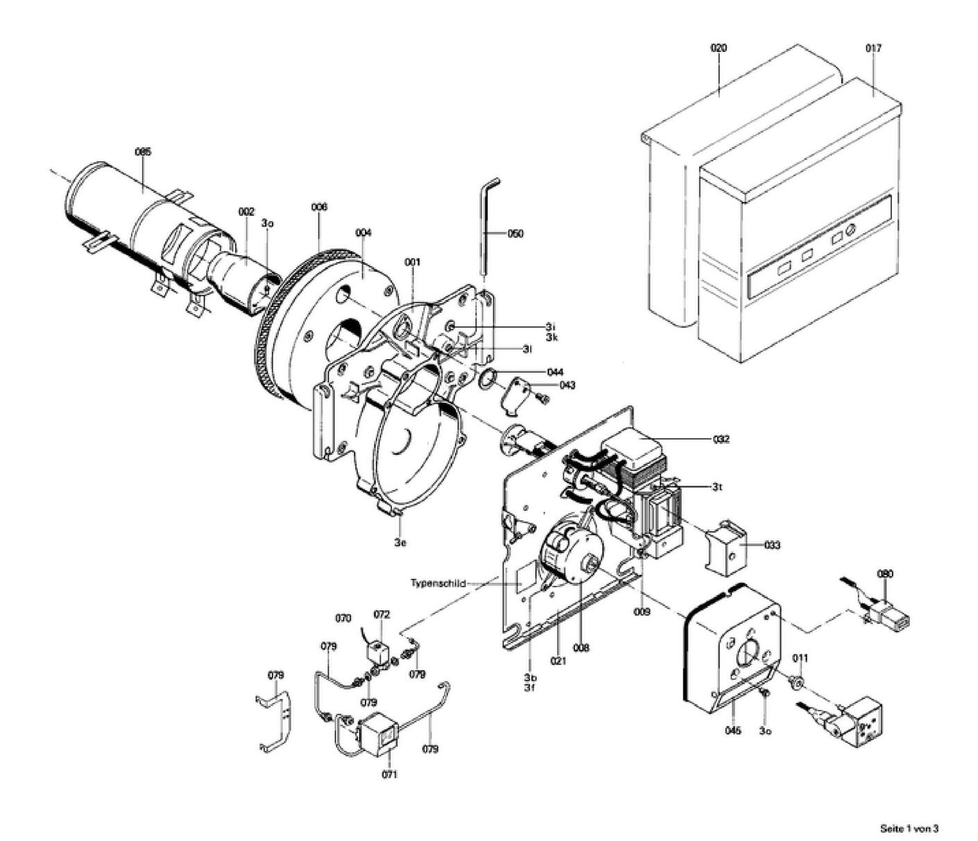
7833541 Porte de chaudière bv46/1 1
7813136 Tete de combustion ve ii 2
7318979 Piece pour bruleur 3
7833462 Isolant bloc bv36 + joint tresse d16 (1m) + vis 4
7810132 Ecrou reglage pour bruleur 5
7820301 Joints gf 16 x 12 l=2000 6
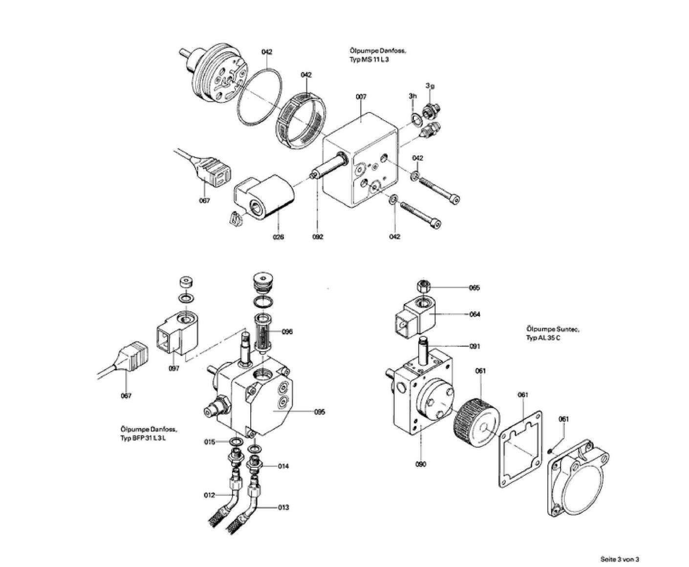
ZK03022 Kit pompe fuel danfoss 7
7836335 Moteur pour brûleur 8
7812755 Conduite fuel 9
7815283 Turbine ø160 x 52 mm 10
7218426 Pièces d'accouplement brûleur fuel (sachet de 3) 11
7875229 Viessmann : set olschlauche vor-/rucklau 12
7875229 Viessmann : set olschlauche vor-/rucklau 13
7818891 Mamelon pompe fuel 14
7218748 Joint cuivre d'étanchéité cu 1/4" 15
7305047 Registre curseur de reglage debit d air 16
7812391 Capot bruleur fuel 17
7814878 Bride de raccordement qrb 19
7206539 Matelas isolant bruleur gr iii + colle 20
7813139 Deckel 35-58 kw 21
7810087 Skalen-aufkleber 22
7815162 Vanne magnetique 26
7813194 Ligne gicleur vea gr.i 27
7813137 Diffuseur d = 80 mm pour bruleur mazout 28
7810713 Electrodes allumage ( bloc ) 29
7815548 Gicleur 1,25 gph 60°h 31
ZK04463 Zündtrafo zm 20/10 mit zündleitung 32
7832743 Boitier de controle fuel lmo 14.111c2v 33
7818899 Console pour relais bruleur mazout 34
7857445 Cet article n est plus disponible 35
7815287 Prechauffage fphb ptc 70 39
7814950 Ecrou 40
7815549 Gicleur 1,50 gph 60° h 41
7815315 Pieces detachees pompe fuel danfoss 42
7819163 Clapet trou regard de flamme 43
7314414 Tresse de fibre de verre d=3x116 44
7812697 Volet d air 45
7815125 Joint torique 19 x 2,5 simrit 46
7819162 Tige de charniere mod. iii 50
7812055 Colis accessoires capot bruleur 51
7811843 Ensemble de vis 35-38 52
5481004 Mont.anl. olbrenner m. brennk.einsatz 53
5581004 Bed.anl. ol-gebläsebr. m.bk-einsatz 54
5681021 Wart-checkl. unit-olgebläsebrenner 55
5781023 Et-bildl. unit-olbrenner 56
7814939 Bombe de peinture gris clair ral 7035 57
7814940 Lackstift lichtgrau ral 7035 58
7817919 Kit pieces pour pompe fuel suntec 61
7838979 Bobine t80 pour electrovanne ( suntec ) 64
7815297 Ecrou d electro-vanne 65
7814345 Cable prechauffeur fuel et flexible 66
7814346 Cable de raccordement electrovanne 67
7814347 Pont enfichable 122 68
7814348 Pont enfichable 125 69
7250572 Compteur mazout pour placeme t 70
7815150 Compteur de fuel 71
7814351 Electrovanne pour 7250572 72
7812108 Pcs indiv. de kit de modernisation pour 79
7218473 Compteur d heures pour bruleur mazout 80
7404364 Fusible t 4,0 a / 250 v 82
7241777 Insert bruleur vitola 46/58 kw 85
7840263 Pompe a fuel alv 35 c 9619 6p 07 00 90
7815536 Noyau electrovanne 1 allure 91
7815535 Noyau electrovanne 1 allure danfoss 92
7834256 Pompe fuel bfp21 95
7818904 Filtre pompe a fuel 96
7858539 Bobine t85 plus 97
7815390 Cable transfo bruleur 99
7834147 Plastron emboitable 115


Les images des vues éclatées peuvent contenir des prix datant de plusieurs années, merci de ne pas en tenir compte










Pièces détachées contenues dans cet appareil Brûleur Viessmann FIOUL 46-55 kW (7218625)



Photo Position vue éclatée Article Référence fabricant Disponibilité et prix  
1 page 1 Porte de chaudière bv46/1
 
Viessmann
Réf fabricant: 7833541
avec délai
sur devis
Tete de combustion ve ii Viessmann 7813136
Tete de combustion ve ii
Code article PEX: 244729
Viessmann
Réf fabricant: 7813136
± 3 jours ouvrés
252,00 € TTC
Piece pour bruleur Viessmann 7318979
Piece pour bruleur
Code article PEX: 242323
Viessmann
Réf fabricant: 7318979
± 3 jours ouvrés
158,40 € TTC
Isolant bloc bv36 + joint tresse d16 (1m) + vis Viessmann 7833462
Isolant bloc bv36 + joint tresse d16 (1m) + vis
Code article PEX: 253093
Viessmann
Réf fabricant: 7833462
± 3 jours ouvrés
262,80 € TTC
Ecrou reglage pour bruleur Viessmann 7810132
Ecrou reglage pour bruleur
Code article PEX: 243764
Viessmann
Réf fabricant: 7810132
± 3 jours ouvrés
25,20 € TTC
Joints GF 16 x 12 L=2000 Viessmann 7820301
Joints gf 16 x 12 l=2000
Code article PEX: 248006
Viessmann
Réf fabricant: 7820301
en stock
72,00 € TTC
Kit pompe fuel danfoss Viessmann ZK03022
Kit pompe fuel danfoss
Code article PEX: 535095
Viessmann
Réf fabricant: ZK03022
 
obsolète
 
Moteur pour brûleur Viessmann 7836335
Moteur pour brûleur
Code article PEX: 267688
Viessmann
Réf fabricant: 7836335
en stock
331,20 € TTC
Conduite fuel Viessmann 7812755
Conduite fuel
Code article PEX: 244652
Viessmann
Réf fabricant: 7812755
± 3 jours ouvrés
75,60 € TTC
Turbine Ø160 x 52 mm Viessmann 7815283
Turbine ø160 x 52 mm
Code article PEX: 245344
Viessmann
Réf fabricant: 7815283
± 3 jours ouvrés
97,20 € TTC
Pièces d'accouplement brûleur fuel (sachet de 3) Viessmann 7218426
Pièces d'accouplement brûleur fuel (sachet de 3)
Code article PEX: 241006
Viessmann
Réf fabricant: 7218426
en stock
12,24 € TTC
Viessmann : set olschlauche vor-/rucklau Viessmann 7875229
Viessmann : set olschlauche vor-/rucklau
Code article PEX: 662956
Viessmann
Réf fabricant: 7875229
en stock
46,80 € TTC
Mamelon pompe fuel Viessmann 7818891
Mamelon pompe fuel
Code article PEX: 247097
Viessmann
Réf fabricant: 7818891
± 3 jours ouvrés
25,20 € TTC
Joint cuivre d'étanchéité CU 1/4" Viessmann 7218748
Joint cuivre d'étanchéité cu 1/4"
Code article PEX: 241021
Viessmann
Réf fabricant: 7218748
± 3 jours ouvrés
16,08 € TTC
Registre curseur de reglage debit d air Viessmann 7305047
Registre curseur de reglage debit d air
Code article PEX: 242118
Viessmann
Réf fabricant: 7305047
 
obsolète
 
Capot bruleur fuel Viessmann 7812391
Capot bruleur fuel
Code article PEX: 244557
Viessmann
Réf fabricant: 7812391
 
obsolète
 
Bride de raccordement qrb Viessmann 7814878
Bride de raccordement qrb
Code article PEX: 245195
Viessmann
Réf fabricant: 7814878
± 3 jours ouvrés
13,44 € TTC
20 page 3 Matelas isolant bruleur gr iii + colle
 
Viessmann
Réf fabricant: 7206539
avec délai
sur devis
21 page 2 Deckel 35-58 kw
 
Viessmann
Réf fabricant: 7813139
avec délai
sur devis
Skalen-aufkleber Viessmann 7810087
Skalen-aufkleber
Code article PEX: 365798
Viessmann
Réf fabricant: 7810087
 
obsolète
 
Vanne magnetique Viessmann 7815162
Vanne magnetique
Code article PEX: 245293
Viessmann
Réf fabricant: 7815162
 
obsolète
 
Ligne gicleur vea gr.i Viessmann 7813194
Ligne gicleur vea gr.i
Code article PEX: 244743
Viessmann
Réf fabricant: 7813194
± 3 jours ouvrés
210,00 € TTC
Diffuseur d = 80 mm pour bruleur mazout Viessmann 7813137
Diffuseur d = 80 mm pour bruleur mazout
Code article PEX: 244730
Viessmann
Réf fabricant: 7813137
± 3 jours ouvrés
108,00 € TTC
Electrodes allumage ( bloc ) Viessmann 7810713
Electrodes allumage ( bloc )
Code article PEX: 243968
Viessmann
Réf fabricant: 7810713
en stock
60,00 € TTC
Gicleur 1,25 gph 60°h Viessmann 7815548
Gicleur 1,25 gph 60°h
Code article PEX: 245483
Viessmann
Réf fabricant: 7815548
± 3 jours ouvrés
25,20 € TTC
32 page 2 Zündtrafo zm 20/10 mit zündleitung
 
Viessmann
Réf fabricant: ZK04463
avec délai
sur devis
Boitier de controle fuel lmo 14.111c2v Viessmann 7832743
Boitier de controle fuel lmo 14.111c2v
Code article PEX: 252864
Viessmann
Réf fabricant: 7832743
en stock
178,80 € TTC
Console pour relais bruleur mazout Viessmann 7818899
Console pour relais bruleur mazout
Code article PEX: 247104
Viessmann
Réf fabricant: 7818899
en stock
237,60 € TTC
35 page 2 Cet article n est plus disponible
 
Viessmann
Réf fabricant: 7857445
avec délai
sur devis
Prechauffage fphb ptc 70 Viessmann 7815287
Prechauffage fphb ptc 70
Code article PEX: 245348
Viessmann
Réf fabricant: 7815287
± 3 jours ouvrés
243,60 € TTC
Ecrou Viessmann 7814950
Ecrou
Code article PEX: 245226
Viessmann
Réf fabricant: 7814950
± 3 jours ouvrés
17,04 € TTC
Gicleur 1,50 gph 60° h Viessmann 7815549
Gicleur 1,50 gph 60° h
Code article PEX: 245484
Viessmann
Réf fabricant: 7815549
± 3 jours ouvrés
26,40 € TTC
Pieces detachees pompe fuel danfoss Viessmann 7815315
Pieces detachees pompe fuel danfoss
Code article PEX: 245369
Viessmann
Réf fabricant: 7815315
 
obsolète
 
Clapet trou regard de flamme Viessmann 7819163
Clapet trou regard de flamme
Code article PEX: 247252
Viessmann
Réf fabricant: 7819163
± 3 jours ouvrés
18,36 € TTC
Tresse fibres de verre 3 x 118 Viessmann 7314414
Tresse fibres de verre 3 x 118
Code article PEX: 242265
Viessmann
Réf fabricant: 7314414
± 3 jours ouvrés
11,76 € TTC
Volet d air Viessmann 7812697
Volet d air
Code article PEX: 244637
Viessmann
Réf fabricant: 7812697
 
obsolète
 
Joint torique 19 x 2,5 simrit Viessmann 7815125
Joint torique 19 x 2,5 simrit
Code article PEX: 245278
Viessmann
Réf fabricant: 7815125
± 3 jours ouvrés
9,84 € TTC
Tige de charniere mod. iii Viessmann 7819162
Tige de charniere mod. iii
Code article PEX: 247251
Viessmann
Réf fabricant: 7819162
± 3 jours ouvrés
12,24 € TTC
Colis accessoires capot bruleur Viessmann 7812055
Colis accessoires capot bruleur
Code article PEX: 244421
Viessmann
Réf fabricant: 7812055
± 3 jours ouvrés
50,40 € TTC
Ensemble de vis 35-38 Viessmann 7811843
Ensemble de vis 35-38
Code article PEX: 475703
Viessmann
Réf fabricant: 7811843
 
obsolète
 
53 page 2 Mont.anl. olbrenner m. brennk.einsatz
 
Viessmann
Réf fabricant: 5481004
avec délai
sur devis
54 page 1 Bed.anl. ol-gebläsebr. m.bk-einsatz
 
Viessmann
Réf fabricant: 5581004
avec délai
sur devis
55 page 3 Wart-checkl. unit-olgebläsebrenner
 
Viessmann
Réf fabricant: 5681021
avec délai
sur devis
56 page 1 Et-bildl. unit-olbrenner
 
Viessmann
Réf fabricant: 5781023
avec délai
sur devis
Bombe de peinture gris clair ral 7035 Viessmann 7814939
Bombe de peinture gris clair ral 7035
Code article PEX: 245220
Viessmann
Réf fabricant: 7814939
 
obsolète
 
Lackstift lichtgrau ral 7035 Viessmann 7814940
Lackstift lichtgrau ral 7035
Code article PEX: 366038
Viessmann
Réf fabricant: 7814940
 
obsolète
 
Kit pieces pour pompe fuel suntec Viessmann 7817919
Kit pieces pour pompe fuel suntec
Code article PEX: 246597
Viessmann
Réf fabricant: 7817919
en stock
43,20 € TTC
Bobine t80 pour electrovanne ( suntec ) Viessmann 7838979
Bobine t80 pour electrovanne ( suntec )
Code article PEX: 300644
Viessmann
Réf fabricant: 7838979
en stock
84,00 € TTC
Ecrou d electro-vanne Viessmann 7815297
Ecrou d electro-vanne
Code article PEX: 245356
Viessmann
Réf fabricant: 7815297
 
obsolète
 
Cable prechauffeur fuel et flexible Viessmann 7814345
Cable prechauffeur fuel et flexible
Code article PEX: 245061
Viessmann
Réf fabricant: 7814345
± 3 jours ouvrés
36,00 € TTC
Cable de raccordement electrovanne Viessmann 7814346
Cable de raccordement electrovanne
Code article PEX: 245062
Viessmann
Réf fabricant: 7814346
± 3 jours ouvrés
28,80 € TTC
Pont enfichable 122 Viessmann 7814347
Pont enfichable 122
Code article PEX: 245063
Viessmann
Réf fabricant: 7814347
± 3 jours ouvrés
18,36 € TTC
Pont enfichable 125 Viessmann 7814348
Pont enfichable 125
Code article PEX: 245064
Viessmann
Réf fabricant: 7814348
± 3 jours ouvrés
18,36 € TTC
70 page 2 Compteur mazout pour placeme t
 
Viessmann
Réf fabricant: 7250572
avec délai
sur devis
Compteur de fuel Viessmann 7815150
Compteur de fuel
Code article PEX: 245286
Viessmann
Réf fabricant: 7815150
 
obsolète
 
Electrovanne pour 7250572 Viessmann 7814351
Electrovanne pour 7250572
Code article PEX: 245065
Viessmann
Réf fabricant: 7814351
± 3 jours ouvrés
742,80 € TTC
79 page 2 Pcs indiv. de kit de modernisation pour
 
Viessmann
Réf fabricant: 7812108
avec délai
sur devis
Compteur d heures pour bruleur mazout Viessmann 7218473
Compteur d heures pour bruleur mazout
Code article PEX: 475324
Viessmann
Réf fabricant: 7218473
± 3 jours ouvrés
159,60 € TTC
Fusible t 4,0 a / 250 v Viessmann 7404364
Fusible t 4,0 a / 250 v
Code article PEX: 243454
Viessmann
Réf fabricant: 7404364
± 3 jours ouvrés
9,36 € TTC
Insert bruleur vitola 46/58 kw Viessmann 7241777
Insert bruleur vitola 46/58 kw
Code article PEX: 241701
Viessmann
Réf fabricant: 7241777
± 3 jours ouvrés
661,20 € TTC
Pompe a fuel alv 35 c 9619 6p 07 00 Viessmann 7840263
Pompe a fuel alv 35 c 9619 6p 07 00
Code article PEX: 301002
Viessmann
Réf fabricant: 7840263
en stock
232,80 € TTC
Noyau electrovanne 1 allure Viessmann 7815536
Noyau electrovanne 1 allure
Code article PEX: 245473
Viessmann
Réf fabricant: 7815536
 
obsolète
 
Pompe fuel bfp21 Viessmann 7815535
Pompe fuel bfp21
Code article PEX: 253312
Viessmann
Réf fabricant: 7815535
en stock
241,20 € TTC
Pompe fuel bfp21 Viessmann 7834256
Pompe fuel bfp21
Code article PEX: 253312
Viessmann
Réf fabricant: 7834256
en stock
241,20 € TTC
Filtre pompe a fuel Viessmann 7818904
Filtre pompe a fuel
Code article PEX: 247107
Viessmann
Réf fabricant: 7818904
± 3 jours ouvrés
39,60 € TTC
Bobine t85 plus Viessmann 7858539
Bobine t85 plus
Code article PEX: 477158
Viessmann
Réf fabricant: 7858539
en stock
84,00 € TTC
Cable transfo bruleur Viessmann 7815390
Cable transfo bruleur
Code article PEX: 245397
Viessmann
Réf fabricant: 7815390
en stock
39,60 € TTC
Plastron emboitable Viessmann 7834147
Plastron emboitable
Code article PEX: 253261
Viessmann
Réf fabricant: 7834147
± 3 jours ouvrés
14,28 € TTC


Dans cette page vous trouverez l'ensemble des articles et pièces détachées de chaufferie qui composent la nomenclature Brûleur Viessmann FIOUL 46-55 kW (7218625) ainsi que des liens vers les articles Viessmann. En parcourant la page Viessmann, vous pourrez également trouver toutes les pièces Viessmann présentes chez Pièces Express. L'indication de stock vous permet de savoir si la pièce détachée est disponible dans notre stock central ou bien avec un délai fournisseur. Dans ce dernier cas, renseignez vous, nous commandons très régulièrement chez chacun de nos fournisseurs, nous pouvons donc certainement répondre à votre besoin rapidement.

Nos marques
Nos catalogues
Nos outils
Nos gicleurs fioul
Nos bougies pour poêles à pellets
Pièces détachées de chauffage et climatisation
PIÈCES EXPRESS
1 rue Philippe LEBON
ZA Henri Spriet
14120 MONDEVILLE
Téléphone: 02 14 47 16 10
Siret: 790 553 242 00013
Tva: FR 38 790553242

4.7
156 avis