Pièces détachées de chauffage et climatisation
Plus de 650 000 références fabricants disponibles
Livraison en France et en Belgique
4.7
MARQUES ▾
CATALOGUES ▾
VUES ÉCLATÉES ▾ CODES DÉFAUTS ▾
OUTILS DE RECHERCHE ▾
FAQ / TUTOS
DÉSTOCKAGE
>
VOTRE RECHERCHE

Brûleur Viessmann RN System 18 kW (7254381)



page 1
page 2
Pièces détachées Brûleur Viessmann RN System 18 kW (7254381) chez Pièces Express


Référence fabricant
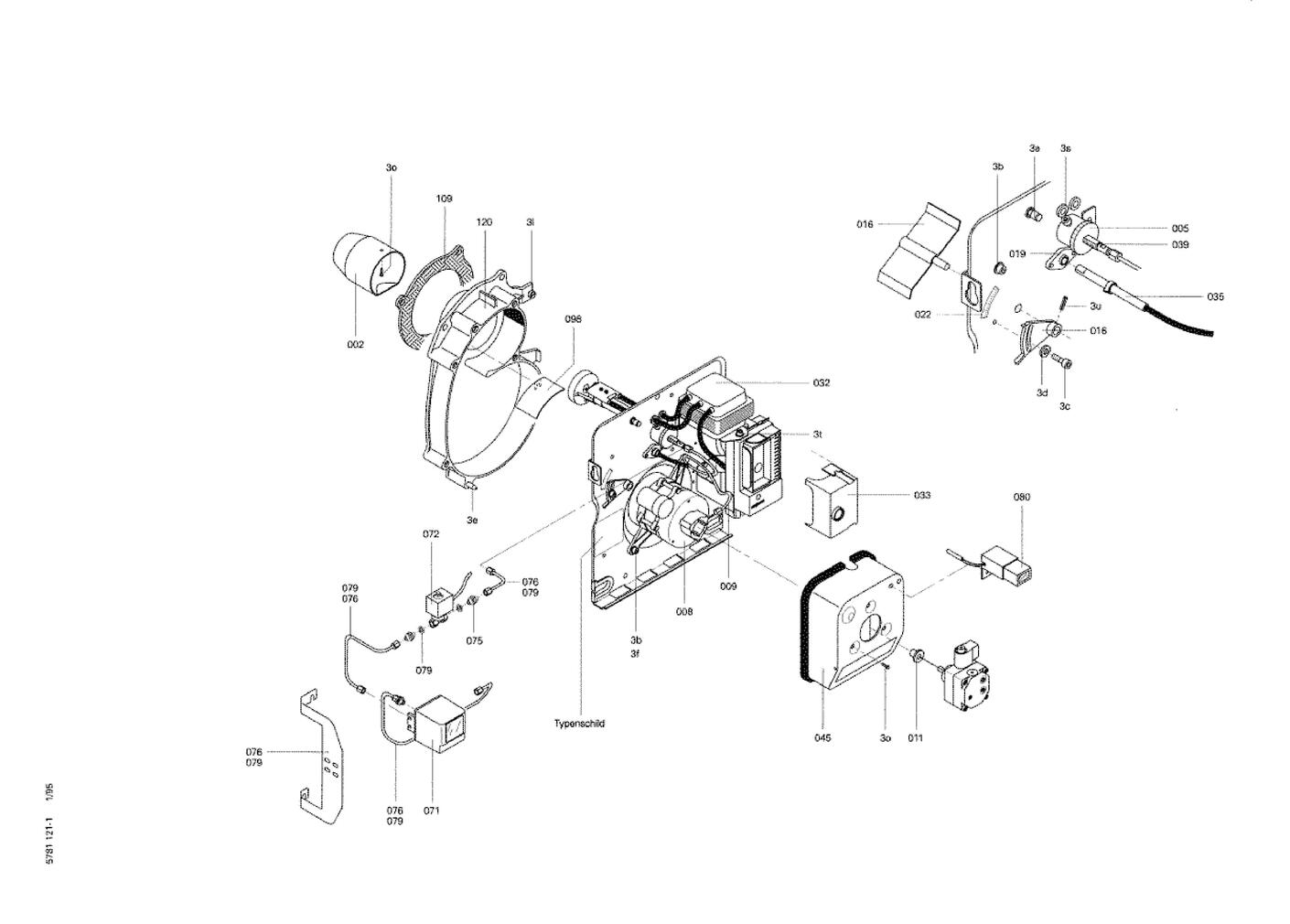
Position Schéma
7813195 Tube de flamme vei 2
7318979 Piece pour bruleur 3
7810132 Ecrou reglage pour bruleur 5
7836335 Moteur pour brûleur 8
7812755 Conduite fuel 9
7815284 Turbine ø160 x 34 mm 10
7218426 Pièces d'accouplement brûleur fuel (sachet de 3) 11
7814876 Flexible mazout retour 12
7814886 Flexible fuel depart 13
7818891 Mamelon pompe fuel 14
7218748 Joint cuivre d'étanchéité cu 1/4" 15
7305046 Clapet de reglage d air 16
7814878 Bride de raccordement qrb 19
7810087 Skalen-aufkleber 22
7813194 Ligne gicleur vea gr.i 27
7813143 Diffuseur ø 60mm pour brûleur 15-18kw 28
7810713 Electrodes allumage ( bloc ) 29
7815543 Gicleur 0,50 gph 60° hf 31
ZK04463 Zündtrafo zm 20/10 mit zündleitung 32
7818898 Relais brûleur 33
7818899 Console pour relais bruleur mazout 34
7857445 Cet article n est plus disponible 35
7254782 Prechauffage fuel 39
7814950 Ecrou 40
7812697 Volet d air 45
7815125 Joint torique 19 x 2,5 simrit 46
7812536 Beipack brennergehäuse 52
5481123 Mont.anl. olbrenner vr 53
5581086 Bed.anl. ol-gebläsebr.-vr 15-27kw 54
5681064 Wart-checkl. unit-olbrenner vbr15-27 55
5786121 Et-bildl. olbrenner fr 56
7817919 Kit pieces pour pompe fuel suntec 61
7838979 Bobine t80 pour electrovanne ( suntec ) 64
7815297 Ecrou d electro-vanne 65
7814345 Cable prechauffeur fuel et flexible 66
7814346 Cable de raccordement electrovanne 67
7814347 Pont enfichable 122 68
7814348 Pont enfichable 125 69
7250572 Compteur mazout pour placeme t 70
7815150 Compteur de fuel 71
7814351 Electrovanne pour 7250572 72
7812108 Pcs indiv. de kit de modernisation pour 79
7218473 Compteur d heures pour bruleur mazout 80
7404364 Fusible t 4,0 a / 250 v 82
7840263 Pompe a fuel alv 35 c 9619 6p 07 00 90
7815738 Noyau electrovanne 91
7834256 Pompe fuel bfp21 95
7818904 Filtre pompe a fuel 96
7858539 Bobine t85 plus 97
7815390 Cable transfo bruleur 99
7218504 Joint bride bruleur 109
7810889 Passe-cables a membrane 114
7834147 Plastron emboitable 115
7813668 Carter de bruleur 15 + 18 w 120


Les images des vues éclatées peuvent contenir des prix datant de plusieurs années, merci de ne pas en tenir compte










Pièces détachées contenues dans cet appareil Brûleur Viessmann RN System 18 kW (7254381)



Photo Position vue éclatée Article Référence fabricant Disponibilité et prix  
Tube de flamme VEI Viessmann 7813195
Tube de flamme vei
Code article PEX: 244744
Viessmann
Réf fabricant: 7813195
± 3 jours ouvrés
252,00 € TTC
Piece pour bruleur Viessmann 7318979
Piece pour bruleur
Code article PEX: 242323
Viessmann
Réf fabricant: 7318979
± 3 jours ouvrés
158,40 € TTC
Ecrou reglage pour bruleur Viessmann 7810132
Ecrou reglage pour bruleur
Code article PEX: 243764
Viessmann
Réf fabricant: 7810132
± 3 jours ouvrés
25,20 € TTC
Moteur pour brûleur Viessmann 7836335
Moteur pour brûleur
Code article PEX: 267688
Viessmann
Réf fabricant: 7836335
en stock
331,20 € TTC
Conduite fuel Viessmann 7812755
Conduite fuel
Code article PEX: 244652
Viessmann
Réf fabricant: 7812755
± 3 jours ouvrés
75,60 € TTC
Turbine Ø160 x 34 mm Viessmann 7815284
Turbine ø160 x 34 mm
Code article PEX: 245345
Viessmann
Réf fabricant: 7815284
en stock
80,40 € TTC
Pièces d'accouplement brûleur fuel (sachet de 3) Viessmann 7218426
Pièces d'accouplement brûleur fuel (sachet de 3)
Code article PEX: 241006
Viessmann
Réf fabricant: 7218426
en stock
12,24 € TTC
Viessmann : set olschlauche vor-/rucklau Viessmann 7814876
Viessmann : set olschlauche vor-/rucklau
Code article PEX: 662956
Viessmann
Réf fabricant: 7814876
en stock
46,80 € TTC
Viessmann : set olschlauche vor-/rucklau Viessmann 7814886
Viessmann : set olschlauche vor-/rucklau
Code article PEX: 662956
Viessmann
Réf fabricant: 7814886
en stock
46,80 € TTC
Mamelon pompe fuel Viessmann 7818891
Mamelon pompe fuel
Code article PEX: 247097
Viessmann
Réf fabricant: 7818891
± 3 jours ouvrés
25,20 € TTC
Joint cuivre d'étanchéité CU 1/4" Viessmann 7218748
Joint cuivre d'étanchéité cu 1/4"
Code article PEX: 241021
Viessmann
Réf fabricant: 7218748
± 3 jours ouvrés
16,08 € TTC
Clapet de reglage d air Viessmann 7305046
Clapet de reglage d air
Code article PEX: 242117
Viessmann
Réf fabricant: 7305046
 
obsolète
 
Bride de raccordement qrb Viessmann 7814878
Bride de raccordement qrb
Code article PEX: 245195
Viessmann
Réf fabricant: 7814878
± 3 jours ouvrés
13,44 € TTC
Skalen-aufkleber Viessmann 7810087
Skalen-aufkleber
Code article PEX: 365798
Viessmann
Réf fabricant: 7810087
 
obsolète
 
Ligne gicleur vea gr.i Viessmann 7813194
Ligne gicleur vea gr.i
Code article PEX: 244743
Viessmann
Réf fabricant: 7813194
± 3 jours ouvrés
210,00 € TTC
Diffuseur Ø 60mm pour brûleur 15-18kw Viessmann 7813143
Diffuseur ø 60mm pour brûleur 15-18kw
Code article PEX: 244732
Viessmann
Réf fabricant: 7813143
± 3 jours ouvrés
108,00 € TTC
Electrodes allumage ( bloc ) Viessmann 7810713
Electrodes allumage ( bloc )
Code article PEX: 243968
Viessmann
Réf fabricant: 7810713
en stock
60,00 € TTC
Gicleur Fluidics 0,50 60° hf Viessmann 7815543
Gicleur fluidics 0,50 60° hf
Code article PEX: 226221
Viessmann
Réf fabricant: 7815543
en stock
13,30 € TTC
32 page 2 Zündtrafo zm 20/10 mit zündleitung
 
Viessmann
Réf fabricant: ZK04463
avec délai
sur devis
Boitier controle brul.fuel lmo24.111c2v Viessmann 7818898
Boitier controle brul.fuel lmo24.111c2v
Code article PEX: 752090
Viessmann
Réf fabricant: 7818898
en stock
242,40 € TTC
Console pour relais bruleur mazout Viessmann 7818899
Console pour relais bruleur mazout
Code article PEX: 247104
Viessmann
Réf fabricant: 7818899
en stock
237,60 € TTC
35 page 2 Cet article n est plus disponible
 
Viessmann
Réf fabricant: 7857445
avec délai
sur devis
Prechauffage fuel Viessmann 7254782
Prechauffage fuel
Code article PEX: 241946
Viessmann
Réf fabricant: 7254782
± 3 jours ouvrés
243,60 € TTC
Ecrou Viessmann 7814950
Ecrou
Code article PEX: 245226
Viessmann
Réf fabricant: 7814950
± 3 jours ouvrés
17,04 € TTC
Volet d air Viessmann 7812697
Volet d air
Code article PEX: 244637
Viessmann
Réf fabricant: 7812697
 
obsolète
 
Joint torique 19 x 2,5 simrit Viessmann 7815125
Joint torique 19 x 2,5 simrit
Code article PEX: 245278
Viessmann
Réf fabricant: 7815125
± 3 jours ouvrés
9,84 € TTC
52 page 2 Beipack brennergehäuse
 
Viessmann
Réf fabricant: 7812536
avec délai
sur devis
53 page 1 Mont.anl. olbrenner vr
 
Viessmann
Réf fabricant: 5481123
avec délai
sur devis
54 page 1 Bed.anl. ol-gebläsebr.-vr 15-27kw
 
Viessmann
Réf fabricant: 5581086
avec délai
sur devis
55 page 1 Wart-checkl. unit-olbrenner vbr15-27
 
Viessmann
Réf fabricant: 5681064
avec délai
sur devis
56 page 1 Et-bildl. olbrenner fr
 
Viessmann
Réf fabricant: 5786121
avec délai
sur devis
Kit pieces pour pompe fuel suntec Viessmann 7817919
Kit pieces pour pompe fuel suntec
Code article PEX: 246597
Viessmann
Réf fabricant: 7817919
en stock
43,20 € TTC
Bobine t80 pour electrovanne ( suntec ) Viessmann 7838979
Bobine t80 pour electrovanne ( suntec )
Code article PEX: 300644
Viessmann
Réf fabricant: 7838979
en stock
84,00 € TTC
Ecrou d electro-vanne Viessmann 7815297
Ecrou d electro-vanne
Code article PEX: 245356
Viessmann
Réf fabricant: 7815297
 
obsolète
 
Cable prechauffeur fuel et flexible Viessmann 7814345
Cable prechauffeur fuel et flexible
Code article PEX: 245061
Viessmann
Réf fabricant: 7814345
± 3 jours ouvrés
36,00 € TTC
Cable de raccordement electrovanne Viessmann 7814346
Cable de raccordement electrovanne
Code article PEX: 245062
Viessmann
Réf fabricant: 7814346
± 3 jours ouvrés
28,80 € TTC
Pont enfichable 122 Viessmann 7814347
Pont enfichable 122
Code article PEX: 245063
Viessmann
Réf fabricant: 7814347
± 3 jours ouvrés
18,36 € TTC
Pont enfichable 125 Viessmann 7814348
Pont enfichable 125
Code article PEX: 245064
Viessmann
Réf fabricant: 7814348
± 3 jours ouvrés
18,36 € TTC
70 page 2 Compteur mazout pour placeme t
 
Viessmann
Réf fabricant: 7250572
avec délai
sur devis
Compteur de fuel Viessmann 7815150
Compteur de fuel
Code article PEX: 245286
Viessmann
Réf fabricant: 7815150
 
obsolète
 
Electrovanne pour 7250572 Viessmann 7814351
Electrovanne pour 7250572
Code article PEX: 245065
Viessmann
Réf fabricant: 7814351
± 3 jours ouvrés
742,80 € TTC
79 page 2 Pcs indiv. de kit de modernisation pour
 
Viessmann
Réf fabricant: 7812108
avec délai
sur devis
Compteur d heures pour bruleur mazout Viessmann 7218473
Compteur d heures pour bruleur mazout
Code article PEX: 475324
Viessmann
Réf fabricant: 7218473
± 3 jours ouvrés
159,60 € TTC
Fusible t 4,0 a / 250 v Viessmann 7404364
Fusible t 4,0 a / 250 v
Code article PEX: 243454
Viessmann
Réf fabricant: 7404364
± 3 jours ouvrés
9,36 € TTC
Pompe a fuel alv 35 c 9619 6p 07 00 Viessmann 7840263
Pompe a fuel alv 35 c 9619 6p 07 00
Code article PEX: 301002
Viessmann
Réf fabricant: 7840263
en stock
232,80 € TTC
Noyau electrovanne Viessmann 7815738
Noyau electrovanne
Code article PEX: 245557
Viessmann
Réf fabricant: 7815738
en stock
120,00 € TTC
Pompe fuel bfp21 Viessmann 7834256
Pompe fuel bfp21
Code article PEX: 253312
Viessmann
Réf fabricant: 7834256
en stock
241,20 € TTC
Filtre pompe a fuel Viessmann 7818904
Filtre pompe a fuel
Code article PEX: 247107
Viessmann
Réf fabricant: 7818904
± 3 jours ouvrés
39,60 € TTC
Bobine t85 plus Viessmann 7858539
Bobine t85 plus
Code article PEX: 477158
Viessmann
Réf fabricant: 7858539
en stock
84,00 € TTC
Cable transfo bruleur Viessmann 7815390
Cable transfo bruleur
Code article PEX: 245397
Viessmann
Réf fabricant: 7815390
en stock
39,60 € TTC
Joint bride bruleur Viessmann 7218504
Joint bride bruleur
Code article PEX: 241013
Viessmann
Réf fabricant: 7218504
en stock
25,20 € TTC
Passe-cables a membrane Viessmann 7810889
Passe-cables a membrane
Code article PEX: 312771
Viessmann
Réf fabricant: 7810889
 
obsolète
 
Plastron emboitable Viessmann 7834147
Plastron emboitable
Code article PEX: 253261
Viessmann
Réf fabricant: 7834147
± 3 jours ouvrés
14,28 € TTC
Carter de bruleur 15 + 18 w Viessmann 7813668
Carter de bruleur 15 + 18 w
Code article PEX: 244879
Viessmann
Réf fabricant: 7813668
 
obsolète
 


Dans cette page vous trouverez l'ensemble des articles et pièces détachées de chaufferie qui composent la nomenclature Brûleur Viessmann RN System 18 kW (7254381) ainsi que des liens vers les articles Viessmann. En parcourant la page Viessmann, vous pourrez également trouver toutes les pièces Viessmann présentes chez Pièces Express. L'indication de stock vous permet de savoir si la pièce détachée est disponible dans notre stock central ou bien avec un délai fournisseur. Dans ce dernier cas, renseignez vous, nous commandons très régulièrement chez chacun de nos fournisseurs, nous pouvons donc certainement répondre à votre besoin rapidement.

Nos marques
Nos catalogues
Nos outils
Nos gicleurs fioul
Nos bougies pour poêles à pellets
Pièces détachées de chauffage et climatisation
PIÈCES EXPRESS
1 rue Philippe LEBON
ZA Henri Spriet
14120 MONDEVILLE
Téléphone: 02 14 47 16 10
Siret: 790 553 242 00013
Tva: FR 38 790553242

4.7
156 avis