Pièces détachées de chauffage et climatisation
Plus de 650 000 références fabricants disponibles
Livraison en France et en Belgique
4.7
MARQUES ▾
CATALOGUES ▾
VUES ÉCLATÉES ▾ CODES DÉFAUTS ▾
OUTILS DE RECHERCHE ▾
FAQ / TUTOS
DÉSTOCKAGE
>
VOTRE RECHERCHE

Brûleur Viessmann VB-VF022 (7259802)



page 1
page 2
Pièces détachées Brûleur Viessmann VB-VF022 (7259802) chez Pièces Express


Référence fabricant
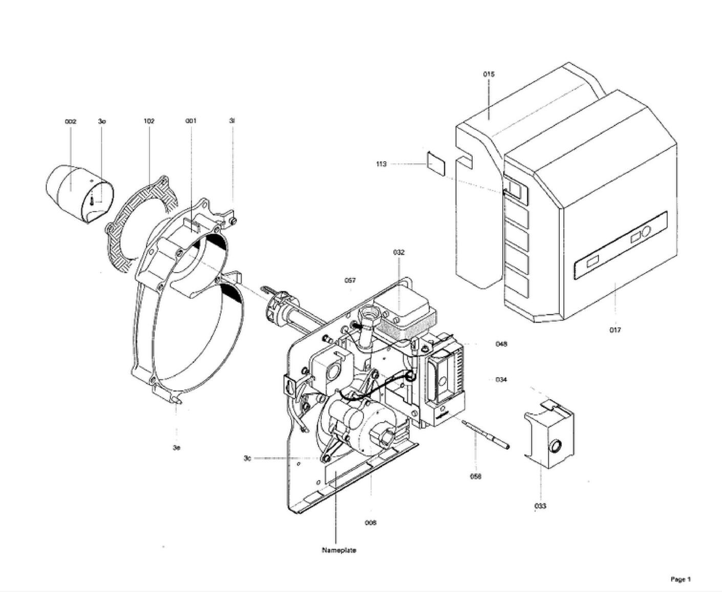
Position Schéma
7813665 Carter de bruleur gaz 0001
7813182 Tete de bruleur 0002
7218708 Accessoires pour brul. gaz a air souffle 0003
7812959 Tete de melange 0005
7813559 Pressostat air vgiii 0007
7813513 Moteur turbine bruleur gaz 0008
7252740 Flexible 0009
7815284 Turbine ø160 x 34 mm 0010
7218416 Joint vanne gaz 0011
7088562 Jeu de joints pour atola 0012
7810154 Console 0013
7813586 Fixations pour capot bruleur 0014
7238523 Matelas amortisseur bruit 0015
7305046 Clapet de reglage d air 0016
7812453 Capot de bruleur gaz 0017
7254411 Verbindungsrohr 0019
7810087 Skalen-aufkleber 0022
7218414 Matelas filtrant de remplacement 0023
7218388 Bloc combine gaz cg115 0027
7810585 Accroche-flamme 0028
7810148 Electrode d'ionisation 0029
7810589 Electrode d'allumage brûleur gaz à air soufflé vgi 0030
7404364 Fusible t 4,0 a / 250 v 0031
7813514 Transformateur d allumage bruleur gaz 0032
7826295 Boitier de controle bruleur lme21.330a2v 0033
7815234 Socle de connexion boitier de bruleur 0034
7813521 Cable de mesure d ionisation 0048
7813983 Kit capot bruleur avec poignee 0051
7240973 Accessoires 0052
5481308 Mont.anl. gasgebläsebr.-v unit 0053
5581172 Bed.anl. unit-gasgebläsebr.-v 15-63kw 0054
5681248 Wart-checkl./serv. gas-gebl.brenner-v 0055
5781264 Et-bildl. gasgebl.br. unit 0056
7812874 Piece de raccordement 0057
7810709 Vis de reglage m8/m5 0058
7813516 Pont enfichable 0068
7813518 Pont enfichable 111 0069
7813519 Cable pour electro-vanne 0070
7813520 Conduite bloc gaz 0071
7822118 Electrode de masse apm 0072
7813536 Cable de mise a la terre 0073
7810590 Support d electrode 0074
7815430 Résistance câble d allumage 2ko/m 0099
7218504 Joint bride bruleur 0102
7813589 Cache pour capot bruleur 0113


Les images des vues éclatées peuvent contenir des prix datant de plusieurs années, merci de ne pas en tenir compte










Pièces détachées contenues dans cet appareil Brûleur Viessmann VB-VF022 (7259802)



Photo Position vue éclatée Article Référence fabricant Disponibilité et prix  
Carter de bruleur gaz Viessmann 7813665
Carter de bruleur gaz
Code article PEX: 244877
Viessmann
Réf fabricant: 7813665
 
obsolète
 
Tete de bruleur Viessmann 7813182
Tete de bruleur
Code article PEX: 244740
Viessmann
Réf fabricant: 7813182
± 3 jours ouvrés
252,00 € TTC
Accessoires pour brul. gaz a air souffle Viessmann 7218708
Accessoires pour brul. gaz a air souffle
Code article PEX: 241016
Viessmann
Réf fabricant: 7218708
± 3 jours ouvrés
152,40 € TTC
Tete de melange Viessmann 7812959
Tete de melange
Code article PEX: 244706
Viessmann
Réf fabricant: 7812959
 
obsolète
 
Pressostat air vgiii Viessmann 7813559
Pressostat air vgiii
Code article PEX: 244835
Viessmann
Réf fabricant: 7813559
± 3 jours ouvrés
162,00 € TTC
Moteur turbine bruleur gaz Viessmann 7813513
Moteur turbine bruleur gaz
Code article PEX: 244807
Viessmann
Réf fabricant: 7813513
± 3 jours ouvrés
414,00 € TTC
Flexible Viessmann 7252740
Flexible
Code article PEX: 241865
Viessmann
Réf fabricant: 7252740
± 3 jours ouvrés
9,84 € TTC
Turbine Ø160 x 34 mm Viessmann 7815284
Turbine ø160 x 34 mm
Code article PEX: 245345
Viessmann
Réf fabricant: 7815284
en stock
80,40 € TTC
Joint vanne gaz Viessmann 7218416
Joint vanne gaz
Code article PEX: 241004
Viessmann
Réf fabricant: 7218416
± 3 jours ouvrés
46,80 € TTC
Jeu de joints pour atola Viessmann 7088562
Jeu de joints pour atola
Code article PEX: 240585
Viessmann
Réf fabricant: 7088562
± 3 jours ouvrés
8,76 € TTC
Console Viessmann 7810154
Console
Code article PEX: 365800
Viessmann
Réf fabricant: 7810154
 
obsolète
 
Fixations pour capot bruleur Viessmann 7813586
Fixations pour capot bruleur
Code article PEX: 244846
Viessmann
Réf fabricant: 7813586
± 3 jours ouvrés
14,28 € TTC
Matelas amortisseur bruit Viessmann 7238523
Matelas amortisseur bruit
Code article PEX: 241593
Viessmann
Réf fabricant: 7238523
± 3 jours ouvrés
224,40 € TTC
Clapet de reglage d air Viessmann 7305046
Clapet de reglage d air
Code article PEX: 242117
Viessmann
Réf fabricant: 7305046
 
obsolète
 
Capot de bruleur gaz Viessmann 7812453
Capot de bruleur gaz
Code article PEX: 244570
Viessmann
Réf fabricant: 7812453
 
obsolète
 
0019 page 2 Verbindungsrohr
 
Viessmann
Réf fabricant: 7254411
avec délai
sur devis
Skalen-aufkleber Viessmann 7810087
Skalen-aufkleber
Code article PEX: 365798
Viessmann
Réf fabricant: 7810087
 
obsolète
 
Matelas filtrant de remplacement Viessmann 7218414
Matelas filtrant de remplacement
Code article PEX: 241002
Viessmann
Réf fabricant: 7218414
± 3 jours ouvrés
54,00 € TTC
Bloc combine gaz cg115 Viessmann 7218388
Bloc combine gaz cg115
Code article PEX: 241000
Viessmann
Réf fabricant: 7218388
± 3 jours ouvrés
1 573,20 € TTC
Accroche-flamme Viessmann 7810585
Accroche-flamme
Code article PEX: 243914
Viessmann
Réf fabricant: 7810585
± 3 jours ouvrés
54,00 € TTC
Electrode d'ionisation Viessmann 7810148
Electrode d'ionisation
Code article PEX: 243775
Viessmann
Réf fabricant: 7810148
± 3 jours ouvrés
60,00 € TTC
Electrode d'allumage brûleur gaz à air soufflé VGI Viessmann 7810589
Electrode d'allumage brûleur gaz à air soufflé vgi
Code article PEX: 243917
Viessmann
Réf fabricant: 7810589
± 3 jours ouvrés
57,60 € TTC
Fusible t 4,0 a / 250 v Viessmann 7404364
Fusible t 4,0 a / 250 v
Code article PEX: 243454
Viessmann
Réf fabricant: 7404364
± 3 jours ouvrés
9,36 € TTC
Transformateur d allumage bruleur gaz Viessmann 7813514
Transformateur d allumage bruleur gaz
Code article PEX: 244808
Viessmann
Réf fabricant: 7813514
± 3 jours ouvrés
262,80 € TTC
Boitier de controle bruleur lme21.330a2v Viessmann 7826295
Boitier de controle bruleur lme21.330a2v
Code article PEX: 250609
Viessmann
Réf fabricant: 7826295
en stock
481,20 € TTC
Socle de connexion boitier de bruleur Viessmann 7815234
Socle de connexion boitier de bruleur
Code article PEX: 245312
Viessmann
Réf fabricant: 7815234
± 3 jours ouvrés
247,20 € TTC
Cable de mesure d ionisation Viessmann 7813521
Cable de mesure d ionisation
Code article PEX: 244813
Viessmann
Réf fabricant: 7813521
± 3 jours ouvrés
61,20 € TTC
Kit capot bruleur avec poignee Viessmann 7813983
Kit capot bruleur avec poignee
Code article PEX: 244974
Viessmann
Réf fabricant: 7813983
± 3 jours ouvrés
46,80 € TTC
Accessoires Viessmann 7240973
Accessoires
Code article PEX: 241666
Viessmann
Réf fabricant: 7240973
 
obsolète
 
0053 page 2 Mont.anl. gasgebläsebr.-v unit
 
Viessmann
Réf fabricant: 5481308
avec délai
sur devis
0054 page 1 Bed.anl. unit-gasgebläsebr.-v 15-63kw
 
Viessmann
Réf fabricant: 5581172
avec délai
sur devis
0055 page 2 Wart-checkl./serv. gas-gebl.brenner-v
 
Viessmann
Réf fabricant: 5681248
avec délai
sur devis
0056 page 2 Et-bildl. gasgebl.br. unit
 
Viessmann
Réf fabricant: 5781264
avec délai
sur devis
Piece de raccordement Viessmann 7812874
Piece de raccordement
Code article PEX: 365951
Viessmann
Réf fabricant: 7812874
 
obsolète
 
Vis de reglage m8/m5 Viessmann 7810709
Vis de reglage m8/m5
Code article PEX: 243965
Viessmann
Réf fabricant: 7810709
 
obsolète
 
Pont enfichable Viessmann 7813516
Pont enfichable
Code article PEX: 244809
Viessmann
Réf fabricant: 7813516
± 3 jours ouvrés
18,36 € TTC
Pont enfichable 111 Viessmann 7813518
Pont enfichable 111
Code article PEX: 244810
Viessmann
Réf fabricant: 7813518
± 3 jours ouvrés
18,36 € TTC
Cable pour electro-vanne Viessmann 7813519
Cable pour electro-vanne
Code article PEX: 244811
Viessmann
Réf fabricant: 7813519
± 3 jours ouvrés
39,60 € TTC
Conduite bloc gaz Viessmann 7813520
Conduite bloc gaz
Code article PEX: 244812
Viessmann
Réf fabricant: 7813520
± 3 jours ouvrés
39,60 € TTC
Electrode de masse APM Viessmann 7822118
Electrode de masse apm
Code article PEX: 248439
Viessmann
Réf fabricant: 7822118
± 3 jours ouvrés
52,80 € TTC
Cable de mise a la terre Viessmann 7813536
Cable de mise a la terre
Code article PEX: 244822
Viessmann
Réf fabricant: 7813536
± 3 jours ouvrés
12,72 € TTC
Support d electrode Viessmann 7810590
Support d electrode
Code article PEX: 243918
Viessmann
Réf fabricant: 7810590
 
obsolète
 
0099 page 2 Résistance câble d allumage 2ko/m
 
Viessmann
Réf fabricant: 7815430
avec délai
sur devis
Joint bride bruleur Viessmann 7218504
Joint bride bruleur
Code article PEX: 241013
Viessmann
Réf fabricant: 7218504
en stock
25,20 € TTC
Cache pour capot bruleur Viessmann 7813589
Cache pour capot bruleur
Code article PEX: 365981
Viessmann
Réf fabricant: 7813589
 
obsolète
 


Dans cette page vous trouverez l'ensemble des articles et pièces détachées de chaufferie qui composent la nomenclature Brûleur Viessmann VB-VF022 (7259802) ainsi que des liens vers les articles Viessmann. En parcourant la page Viessmann, vous pourrez également trouver toutes les pièces Viessmann présentes chez Pièces Express. L'indication de stock vous permet de savoir si la pièce détachée est disponible dans notre stock central ou bien avec un délai fournisseur. Dans ce dernier cas, renseignez vous, nous commandons très régulièrement chez chacun de nos fournisseurs, nous pouvons donc certainement répondre à votre besoin rapidement.

Nos marques
Nos catalogues
Nos outils
Nos gicleurs fioul
Nos bougies pour poêles à pellets
Pièces détachées de chauffage et climatisation
PIÈCES EXPRESS
1 rue Philippe LEBON
ZA Henri Spriet
14120 MONDEVILLE
Téléphone: 02 14 47 16 10
Siret: 790 553 242 00013
Tva: FR 38 790553242

4.7
156 avis