Pièces détachées de chauffage et climatisation
Plus de 650 000 références fabricants disponibles
Livraison en France et en Belgique
4.7
MARQUES ▾
CATALOGUES ▾
VUES ÉCLATÉES ▾ CODES DÉFAUTS ▾
OUTILS DE RECHERCHE ▾
FAQ / TUTOS
DÉSTOCKAGE
>
VOTRE RECHERCHE

Brûleur Viessmann VBE50 (7259706)



page 1
page 2
page 3
page 4
Pièces détachées Brûleur Viessmann VBE50 (7259706) chez Pièces Express


Référence fabricant
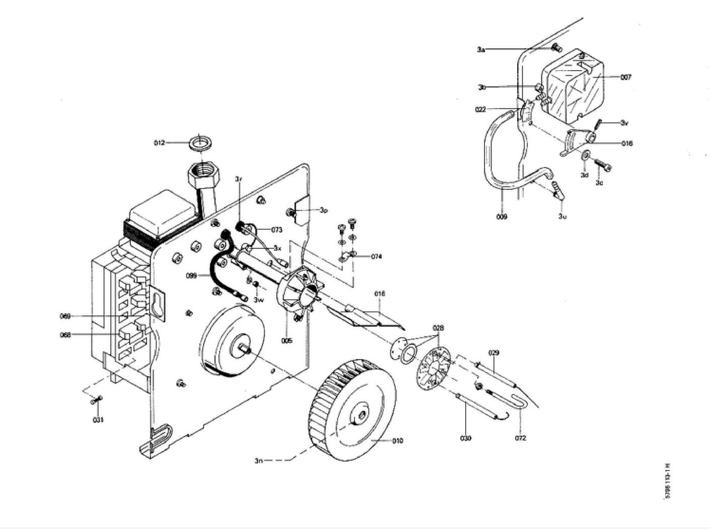
Position Schéma
7813676 Boite bruleur bruleur a gaz 1
7813126 Tete de bruleur 2
7218708 Accessoires pour brul. gaz a air souffle 3
7813189 Tete de melange 50/63 kw 5
7813559 Pressostat air vgiii 7
7813513 Moteur turbine bruleur gaz 8
7252740 Flexible 9
7815283 Turbine ø160 x 52 mm 10
7218416 Joint vanne gaz 11
7088562 Jeu de joints pour atola 12
7810154 Console 13
7238531 Matelas insonorisant capot brul.vbe gr.2 15
7305047 Registre curseur de reglage debit d air 16
7812452 Brennerhaube gas gr.2 vbe 17
7812775 Tube de liaison 19
7810087 Skalen-aufkleber 22
7810714 Accroche-flamme gr.4 28
7810148 Electrode d'ionisation 29
7810589 Electrode d'allumage brûleur gaz à air soufflé vgi 30
7404364 Fusible t 4,0 a / 250 v 31
7813514 Transformateur d allumage bruleur gaz 32
7826295 Boitier de controle bruleur lme21.330a2v 33
7815234 Socle de connexion boitier de bruleur 34
7218389 Bloc gaz complet 35
7218415 Matelas filtrant de remplacement 36
7218431 Kit passage bloc comb.gaz gb1 a mbdle405 39
7813521 Cable de mesure d ionisation 48
7813983 Kit capot bruleur avec poignee 51
7240973 Accessoires 52
5481116 Mont.anl. gasgebläsebr.-v unit 15-63kw 53
5581079 Bed.anl. gasbr. vgi 15-63kw 54
5681121 Serv.anl. unit-gasbrenner-vg 15-63kw 55
5781113 Et-bildl. unit-gasgebl.br.-v 56
7813124 Piece de raccordement 57
7810709 Vis de reglage m8/m5 58
7813527 Cable de pressostat gaz 66
7813526 Cable d electrovanne 67
7813516 Pont enfichable 68
7813518 Pont enfichable 111 69
7822118 Electrode de masse apm 72
7813536 Cable de mise a la terre 73
7810590 Support d electrode 74
7815430 Résistance câble d allumage 2ko/m 99
7218504 Joint bride bruleur 102
7813589 Cache pour capot bruleur 113
7828789 Bombe rotorange ral 2001 dose 400ml 157
9588907 Flacon de peinture ral 2001 158


Les images des vues éclatées peuvent contenir des prix datant de plusieurs années, merci de ne pas en tenir compte










Pièces détachées contenues dans cet appareil Brûleur Viessmann VBE50 (7259706)



Photo Position vue éclatée Article Référence fabricant Disponibilité et prix  
Boite bruleur bruleur a gaz Viessmann 7813676
Boite bruleur bruleur a gaz
Code article PEX: 365988
Viessmann
Réf fabricant: 7813676
 
obsolète
 
Tete de bruleur Viessmann 7813126
Tete de bruleur
Code article PEX: 244725
Viessmann
Réf fabricant: 7813126
± 3 jours ouvrés
252,00 € TTC
Accessoires pour brul. gaz a air souffle Viessmann 7218708
Accessoires pour brul. gaz a air souffle
Code article PEX: 241016
Viessmann
Réf fabricant: 7218708
± 3 jours ouvrés
152,40 € TTC
Tete de melange 50/63 kw Viessmann 7813189
Tete de melange 50/63 kw
Code article PEX: 312779
Viessmann
Réf fabricant: 7813189
± 3 jours ouvrés
376,80 € TTC
Pressostat air vgiii Viessmann 7813559
Pressostat air vgiii
Code article PEX: 244835
Viessmann
Réf fabricant: 7813559
± 3 jours ouvrés
162,00 € TTC
Moteur turbine bruleur gaz Viessmann 7813513
Moteur turbine bruleur gaz
Code article PEX: 244807
Viessmann
Réf fabricant: 7813513
± 3 jours ouvrés
414,00 € TTC
Flexible Viessmann 7252740
Flexible
Code article PEX: 241865
Viessmann
Réf fabricant: 7252740
± 3 jours ouvrés
9,84 € TTC
Turbine Ø160 x 52 mm Viessmann 7815283
Turbine ø160 x 52 mm
Code article PEX: 245344
Viessmann
Réf fabricant: 7815283
± 3 jours ouvrés
97,20 € TTC
Joint vanne gaz Viessmann 7218416
Joint vanne gaz
Code article PEX: 241004
Viessmann
Réf fabricant: 7218416
± 3 jours ouvrés
46,80 € TTC
Jeu de joints pour atola Viessmann 7088562
Jeu de joints pour atola
Code article PEX: 240585
Viessmann
Réf fabricant: 7088562
± 3 jours ouvrés
8,76 € TTC
Console Viessmann 7810154
Console
Code article PEX: 365800
Viessmann
Réf fabricant: 7810154
 
obsolète
 
Matelas insonorisant capot brul.vbe gr.2 Viessmann 7238531
Matelas insonorisant capot brul.vbe gr.2
Code article PEX: 475336
Viessmann
Réf fabricant: 7238531
± 3 jours ouvrés
177,60 € TTC
Registre curseur de reglage debit d air Viessmann 7305047
Registre curseur de reglage debit d air
Code article PEX: 242118
Viessmann
Réf fabricant: 7305047
 
obsolète
 
17 page 3 Brennerhaube gas gr.2 vbe
 
Viessmann
Réf fabricant: 7812452
avec délai
sur devis
Tube de liaison Viessmann 7812775
Tube de liaison
Code article PEX: 244658
Viessmann
Réf fabricant: 7812775
± 3 jours ouvrés
188,40 € TTC
Skalen-aufkleber Viessmann 7810087
Skalen-aufkleber
Code article PEX: 365798
Viessmann
Réf fabricant: 7810087
 
obsolète
 
Accroche-flamme gr.4 Viessmann 7810714
Accroche-flamme gr.4
Code article PEX: 243969
Viessmann
Réf fabricant: 7810714
± 3 jours ouvrés
108,00 € TTC
Electrode d'ionisation Viessmann 7810148
Electrode d'ionisation
Code article PEX: 243775
Viessmann
Réf fabricant: 7810148
± 3 jours ouvrés
60,00 € TTC
Electrode d'allumage brûleur gaz à air soufflé VGI Viessmann 7810589
Electrode d'allumage brûleur gaz à air soufflé vgi
Code article PEX: 243917
Viessmann
Réf fabricant: 7810589
± 3 jours ouvrés
57,60 € TTC
Fusible t 4,0 a / 250 v Viessmann 7404364
Fusible t 4,0 a / 250 v
Code article PEX: 243454
Viessmann
Réf fabricant: 7404364
± 3 jours ouvrés
9,36 € TTC
Transformateur d allumage bruleur gaz Viessmann 7813514
Transformateur d allumage bruleur gaz
Code article PEX: 244808
Viessmann
Réf fabricant: 7813514
± 3 jours ouvrés
262,80 € TTC
Boitier de controle bruleur lme21.330a2v Viessmann 7826295
Boitier de controle bruleur lme21.330a2v
Code article PEX: 250609
Viessmann
Réf fabricant: 7826295
en stock
481,20 € TTC
Socle de connexion boitier de bruleur Viessmann 7815234
Socle de connexion boitier de bruleur
Code article PEX: 245312
Viessmann
Réf fabricant: 7815234
± 3 jours ouvrés
247,20 € TTC
Bloc gaz complet Viessmann 7218389
Bloc gaz complet
Code article PEX: 241001
Viessmann
Réf fabricant: 7218389
± 3 jours ouvrés
1 209,60 € TTC
Matelas filtrant de remplacement Viessmann 7218415
Matelas filtrant de remplacement
Code article PEX: 241003
Viessmann
Réf fabricant: 7218415
± 3 jours ouvrés
84,00 € TTC
Kit passage bloc comb.gaz gb1 a mbdle405 Viessmann 7218431
Kit passage bloc comb.gaz gb1 a mbdle405
Code article PEX: 241009
Viessmann
Réf fabricant: 7218431
± 3 jours ouvrés
376,80 € TTC
Cable de mesure d ionisation Viessmann 7813521
Cable de mesure d ionisation
Code article PEX: 244813
Viessmann
Réf fabricant: 7813521
± 3 jours ouvrés
61,20 € TTC
Kit capot bruleur avec poignee Viessmann 7813983
Kit capot bruleur avec poignee
Code article PEX: 244974
Viessmann
Réf fabricant: 7813983
± 3 jours ouvrés
46,80 € TTC
Accessoires Viessmann 7240973
Accessoires
Code article PEX: 241666
Viessmann
Réf fabricant: 7240973
 
obsolète
 
53 page 2 Mont.anl. gasgebläsebr.-v unit 15-63kw
 
Viessmann
Réf fabricant: 5481116
avec délai
sur devis
54 page 4 Bed.anl. gasbr. vgi 15-63kw
 
Viessmann
Réf fabricant: 5581079
avec délai
sur devis
55 page 4 Serv.anl. unit-gasbrenner-vg 15-63kw
 
Viessmann
Réf fabricant: 5681121
avec délai
sur devis
56 page 2 Et-bildl. unit-gasgebl.br.-v
 
Viessmann
Réf fabricant: 5781113
avec délai
sur devis
Piece de raccordement Viessmann 7813124
Piece de raccordement
Code article PEX: 365957
Viessmann
Réf fabricant: 7813124
 
obsolète
 
Vis de reglage m8/m5 Viessmann 7810709
Vis de reglage m8/m5
Code article PEX: 243965
Viessmann
Réf fabricant: 7810709
 
obsolète
 
Cable de pressostat gaz Viessmann 7813527
Cable de pressostat gaz
Code article PEX: 244816
Viessmann
Réf fabricant: 7813527
± 3 jours ouvrés
54,00 € TTC
Cable d electrovanne Viessmann 7813526
Cable d electrovanne
Code article PEX: 244815
Viessmann
Réf fabricant: 7813526
± 3 jours ouvrés
54,00 € TTC
Pont enfichable Viessmann 7813516
Pont enfichable
Code article PEX: 244809
Viessmann
Réf fabricant: 7813516
± 3 jours ouvrés
18,36 € TTC
Pont enfichable 111 Viessmann 7813518
Pont enfichable 111
Code article PEX: 244810
Viessmann
Réf fabricant: 7813518
± 3 jours ouvrés
18,36 € TTC
Electrode de masse APM Viessmann 7822118
Electrode de masse apm
Code article PEX: 248439
Viessmann
Réf fabricant: 7822118
± 3 jours ouvrés
52,80 € TTC
Cable de mise a la terre Viessmann 7813536
Cable de mise a la terre
Code article PEX: 244822
Viessmann
Réf fabricant: 7813536
± 3 jours ouvrés
12,72 € TTC
Support d electrode Viessmann 7810590
Support d electrode
Code article PEX: 243918
Viessmann
Réf fabricant: 7810590
 
obsolète
 
99 page 1 Résistance câble d allumage 2ko/m
 
Viessmann
Réf fabricant: 7815430
avec délai
sur devis
Joint bride bruleur Viessmann 7218504
Joint bride bruleur
Code article PEX: 241013
Viessmann
Réf fabricant: 7218504
en stock
25,20 € TTC
Cache pour capot bruleur Viessmann 7813589
Cache pour capot bruleur
Code article PEX: 365981
Viessmann
Réf fabricant: 7813589
 
obsolète
 
Bombe rotorange ral 2001 dose 400ml Viessmann 7828789
Bombe rotorange ral 2001 dose 400ml
Code article PEX: 251677
Viessmann
Réf fabricant: 7828789
± 3 jours ouvrés
60,00 € TTC
Flacon de peinture ral 2001 Viessmann 9588907
Flacon de peinture ral 2001
Code article PEX: 254769
Viessmann
Réf fabricant: 9588907
± 3 jours ouvrés
13,80 € TTC


Dans cette page vous trouverez l'ensemble des articles et pièces détachées de chaufferie qui composent la nomenclature Brûleur Viessmann VBE50 (7259706) ainsi que des liens vers les articles Viessmann. En parcourant la page Viessmann, vous pourrez également trouver toutes les pièces Viessmann présentes chez Pièces Express. L'indication de stock vous permet de savoir si la pièce détachée est disponible dans notre stock central ou bien avec un délai fournisseur. Dans ce dernier cas, renseignez vous, nous commandons très régulièrement chez chacun de nos fournisseurs, nous pouvons donc certainement répondre à votre besoin rapidement.

Nos marques
Nos catalogues
Nos outils
Nos gicleurs fioul
Nos bougies pour poêles à pellets
Pièces détachées de chauffage et climatisation
PIÈCES EXPRESS
1 rue Philippe LEBON
ZA Henri Spriet
14120 MONDEVILLE
Téléphone: 02 14 47 16 10
Siret: 790 553 242 00013
Tva: FR 38 790553242

4.7
156 avis