Pièces détachées de chauffage et climatisation
Plus de 650 000 références fabricants disponibles
Livraison en France et en Belgique
4.7
MARQUES ▾
CATALOGUES ▾
VUES ÉCLATÉES ▾ CODES DÉFAUTS ▾
OUTILS DE RECHERCHE ▾
FAQ / TUTOS
DÉSTOCKAGE
>
VOTRE RECHERCHE

Brûleur Viessmann VITOFLAME 100 veilleuse 125 kW (7143271)



page 1
page 2
page 3
Pièces détachées Brûleur Viessmann VITOFLAME 100 veilleuse 125 kW (7143271) chez Pièces Express


Référence fabricant
Position Schéma
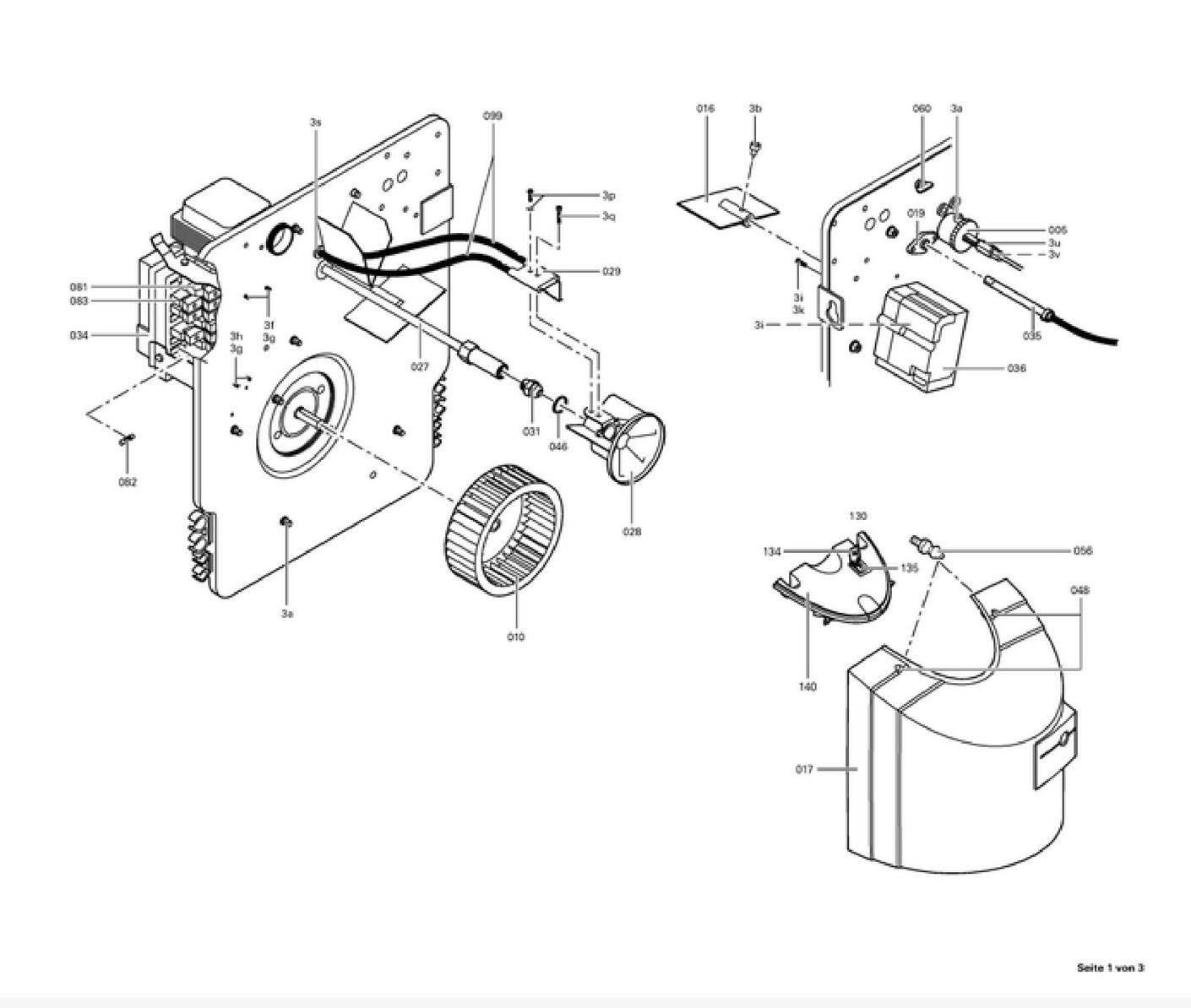
7813698 Enveloppe de bruleur 0001
7812894 Tete de bruleur fioul 0002
7318979 Piece pour bruleur 0003
7810600 Vis de fixation m8 x 8 0004
7812896 Ecrou de reglage 0005
7810427 Joint 190 x 135 x 5 0006
7843842 Moteur bruleur 180 w 0008
7812903 Conduite de fioul 0009
7815169 Turbine ø180 x 62 mm 0010
7218426 Pièces d'accouplement brûleur fioul (sachet de 3) 0011
7875238 Viessmann : set olschlauche vor-/rucklau 0012
7875238 Viessmann : set olschlauche vor-/rucklau 0013
7818891 Mamelon pompe fioul 0014
7218748 Joint cuivre d'étanchéité cu 1/4" 0015
7810712 Clapet de regulation d air 0016
7820159 Capot bruleur vitoplex 0017
7810599 Injecteur 90-195 kw 0018
7814878 Bride de raccordement qrb 0019
7812898 Ligne de gicleur veiii 90-225kw 0027
7822615 Accroche-flamme conique d=90 0028
7810717 Bloc électrodes d'allumage veiii 0029
7815834 Gicleur 2,00 gph 60° w 0031
ZK07136 Zündtrafo zm 20/10 mit zündleitung 0032
7818898 Relais brûleur 0033
7818899 Console pour relais bruleur mazout 0034
7813558 Cellule photo longue 0035
7820162 Servo moteur sta 3,5 bo.37/6 4n16r 0036
7833453 Cable servo-moteur bruleur fioul ve iii 0039
7815125 Joint torique 19 x 2,5 simrit 0046
7815481 Coude filete 0047
7819282 Fermeture capot bruleur 0048
7218500 Accessoire capot bruleur veiii 0051
7307657 Paquet boite bruleur 0052
7149656 Nt vitoflame 100 veiii 0053
5781781 Et-bildl. vitoflame 100 ve 0054
7810200 Fixation capot bruleur 0056
7815482 Tourillon d= 6 mm, avec ailette et 0060
7817919 Kit pieces pour pompe fioul suntec 0061
7838979 Bobine t80 pour electrovanne ( suntec ) 0064
7815297 Ecrou d electro-vanne 0065
7814337 Pont enfichable 121 0081
7404364 Fusible t 4,0 a / 250 v 0082
7814338 Connecteur 126 0083
7812935 Capot insonorisant de bruleur 80-225kw 0085
7813533 Cable de raccordement electrovanne 1 0086
7813534 Cable de raccord. electro-vanne 2 pompes 0087
7840265 Pompe fioul at2v 55 c 9672 4p 07 00 0090
7815536 Noyau electrovanne 1 allure 0091
7815554 Noyau electrovanne 2 allures 0093
7840265 Pompe fioul at2v 55 c 9672 4p 07 00 0095
7818904 Filtre pompe a fioul 0096
7858539 Bobine t85 plus 0097
7829029 Kit cable d allumage vehiii 0099
7820163 Tôle de fixation 0100
7810058 Joint refractaire 5-6 mm d= 310 mm 0109
7834147 Plastron emboitable 0115
7813563 Commutateur de maintenance ve3 0130
7818952 Traversee sb-1500-18 0131
7820976 Cache anthracite 0134
7820161 Adaptateur capot bruleur vitoplex fioul 0140
7839391 Cable 3 poles moteur bruleur fioul 0200


Les images des vues éclatées peuvent contenir des prix datant de plusieurs années, merci de ne pas en tenir compte










Pièces détachées contenues dans cet appareil Brûleur Viessmann VITOFLAME 100 veilleuse 125 kW (7143271)



Photo Position vue éclatée Article Référence fabricant Disponibilité et prix  
Enveloppe de bruleur Viessmann 7813698
Enveloppe de bruleur
Code article PEX: 297478
Viessmann
Réf fabricant: 7813698
± 3 jours ouvrés
1 282,80 € TTC
Tete de bruleur fioul Viessmann 7812894
Tete de bruleur fioul
Code article PEX: 244683
Viessmann
Réf fabricant: 7812894
± 3 jours ouvrés
285,60 € TTC
Piece pour bruleur Viessmann 7318979
Piece pour bruleur
Code article PEX: 242323
Viessmann
Réf fabricant: 7318979
± 3 jours ouvrés
153,60 € TTC
Vis de fixation m8 x 8 Viessmann 7810600
Vis de fixation m8 x 8
Code article PEX: 243923
Viessmann
Réf fabricant: 7810600
± 3 jours ouvrés
8,28 € TTC
Ecrou de reglage Viessmann 7812896
Ecrou de reglage
Code article PEX: 244685
Viessmann
Réf fabricant: 7812896
 
obsolète
 
Joint 190 x 135 x 5 Viessmann 7810427
Joint 190 x 135 x 5
Code article PEX: 243855
Viessmann
Réf fabricant: 7810427
± 3 jours ouvrés
23,52 € TTC
Moteur bruleur 180 w Viessmann 7843842
Moteur bruleur 180 w
Code article PEX: 283670
Viessmann
Réf fabricant: 7843842
± 3 jours ouvrés
402,00 € TTC
Conduite de fioul Viessmann 7812903
Conduite de fioul
Code article PEX: 244692
Viessmann
Réf fabricant: 7812903
± 3 jours ouvrés
54,00 € TTC
Turbine Ø180 x 62 mm Viessmann 7815169
Turbine ø180 x 62 mm
Code article PEX: 245296
Viessmann
Réf fabricant: 7815169
± 3 jours ouvrés
115,20 € TTC
Pièces d'accouplement brûleur fioul (sachet de 3) Viessmann 7218426
Pièces d'accouplement brûleur fioul (sachet de 3)
Code article PEX: 241006
Viessmann
Réf fabricant: 7218426
en stock
11,76 € TTC
Viessmann : set olschlauche vor-/rucklau Viessmann 7875238
Viessmann : set olschlauche vor-/rucklau
Code article PEX: 662957
Viessmann
Réf fabricant: 7875238
± 3 jours ouvrés
42,00 € TTC
Mamelon pompe fioul Viessmann 7818891
Mamelon pompe fioul
Code article PEX: 247097
Viessmann
Réf fabricant: 7818891
± 3 jours ouvrés
22,80 € TTC
Joint cuivre d'étanchéité CU 1/4" Viessmann 7218748
Joint cuivre d'étanchéité cu 1/4"
Code article PEX: 241021
Viessmann
Réf fabricant: 7218748
± 3 jours ouvrés
15,48 € TTC
Clapet de regulation d air Viessmann 7810712
Clapet de regulation d air
Code article PEX: 243967
Viessmann
Réf fabricant: 7810712
± 3 jours ouvrés
45,60 € TTC
Capot bruleur vitoplex Viessmann 7820159
Capot bruleur vitoplex
Code article PEX: 247917
Viessmann
Réf fabricant: 7820159
± 3 jours ouvrés
332,40 € TTC
Injecteur 90-195 kw Viessmann 7810599
Injecteur 90-195 kw
Code article PEX: 297387
Viessmann
Réf fabricant: 7810599
 
obsolète
 
Bride de raccordement qrb Viessmann 7814878
Bride de raccordement qrb
Code article PEX: 245195
Viessmann
Réf fabricant: 7814878
± 3 jours ouvrés
12,96 € TTC
Ligne de gicleur veiii 90-225kw Viessmann 7812898
Ligne de gicleur veiii 90-225kw
Code article PEX: 244687
Viessmann
Réf fabricant: 7812898
± 3 jours ouvrés
115,20 € TTC
Accroche-flamme conique d=90 Viessmann 7822615
Accroche-flamme conique d=90
Code article PEX: 248722
Viessmann
Réf fabricant: 7822615
± 3 jours ouvrés
194,40 € TTC
Bloc électrodes d'allumage VEIII Viessmann 7810717
Bloc électrodes d'allumage veiii
Code article PEX: 243970
Viessmann
Réf fabricant: 7810717
en stock
75,60 € TTC
Gicleur 2,00 gph 60° w Viessmann 7815834
Gicleur 2,00 gph 60° w
Code article PEX: 245580
Viessmann
Réf fabricant: 7815834
± 3 jours ouvrés
27,60 € TTC
0032 page 3 Zündtrafo zm 20/10 mit zündleitung
 
Viessmann
Réf fabricant: ZK07136
avec délai
sur devis
Boitier controle brul.fioul lmo24.111c2v Viessmann 7818898
Boitier controle brul.fioul lmo24.111c2v
Code article PEX: 752090
Viessmann
Réf fabricant: 7818898
en stock
235,21 € TTC
Console pour relais bruleur mazout Viessmann 7818899
Console pour relais bruleur mazout
Code article PEX: 247104
Viessmann
Réf fabricant: 7818899
En cours de réappro
230,40 € TTC
Cellule photo longue Viessmann 7813558
Cellule photo longue
Code article PEX: 244834
Viessmann
Réf fabricant: 7813558
en stock
63,60 € TTC
Servo moteur sta 3,5 bo.37/6 4n16r Viessmann 7820162
Servo moteur sta 3,5 bo.37/6 4n16r
Code article PEX: 247920
Viessmann
Réf fabricant: 7820162
± 3 jours ouvrés
478,80 € TTC
Cable servo-moteur bruleur fioul ve iii Viessmann 7833453
Cable servo-moteur bruleur fioul ve iii
Code article PEX: 315064
Viessmann
Réf fabricant: 7833453
± 3 jours ouvrés
75,60 € TTC
Joint torique 19 x 2,5 simrit Viessmann 7815125
Joint torique 19 x 2,5 simrit
Code article PEX: 245278
Viessmann
Réf fabricant: 7815125
± 3 jours ouvrés
9,48 € TTC
Coude filete Viessmann 7815481
Coude filete
Code article PEX: 245439
Viessmann
Réf fabricant: 7815481
± 3 jours ouvrés
51,60 € TTC
Fermeture capot bruleur Viessmann 7819282
Fermeture capot bruleur
Code article PEX: 247332
Viessmann
Réf fabricant: 7819282
en stock
17,64 € TTC
Accessoire capot bruleur veiii Viessmann 7218500
Accessoire capot bruleur veiii
Code article PEX: 241012
Viessmann
Réf fabricant: 7218500
± 3 jours ouvrés
26,40 € TTC
Paquet boite bruleur Viessmann 7307657
Paquet boite bruleur
Code article PEX: 242179
Viessmann
Réf fabricant: 7307657
± 3 jours ouvrés
36,00 € TTC
0053 page 3 Nt vitoflame 100 veiii
 
Viessmann
Réf fabricant: 7149656
avec délai
sur devis
0054 page 2 Et-bildl. vitoflame 100 ve
 
Viessmann
Réf fabricant: 5781781
avec délai
sur devis
Fixation capot bruleur Viessmann 7810200
Fixation capot bruleur
Code article PEX: 243801
Viessmann
Réf fabricant: 7810200
± 3 jours ouvrés
9,48 € TTC
0060 page 2 Tourillon d= 6 mm, avec ailette et
 
Viessmann
Réf fabricant: 7815482
avec délai
sur devis
Kit pieces pour pompe fioul suntec Viessmann 7817919
Kit pieces pour pompe fioul suntec
Code article PEX: 246597
Viessmann
Réf fabricant: 7817919
en stock
39,60 € TTC
Bobine t80 pour electrovanne ( suntec ) Viessmann 7838979
Bobine t80 pour electrovanne ( suntec )
Code article PEX: 300644
Viessmann
Réf fabricant: 7838979
En cours de réappro
79,20 € TTC
Ecrou d electro-vanne Viessmann 7815297
Ecrou d electro-vanne
Code article PEX: 245356
Viessmann
Réf fabricant: 7815297
 
obsolète
 
Pont enfichable 121 Viessmann 7814337
Pont enfichable 121
Code article PEX: 245057
Viessmann
Réf fabricant: 7814337
± 3 jours ouvrés
17,64 € TTC
Fusible t 4,0 a / 250 v Viessmann 7404364
Fusible t 4,0 a / 250 v
Code article PEX: 243454
Viessmann
Réf fabricant: 7404364
± 3 jours ouvrés
9,00 € TTC
Connecteur 126 Viessmann 7814338
Connecteur 126
Code article PEX: 245058
Viessmann
Réf fabricant: 7814338
± 3 jours ouvrés
17,64 € TTC
Capot insonorisant de bruleur 80-225kw Viessmann 7812935
Capot insonorisant de bruleur 80-225kw
Code article PEX: 244699
Viessmann
Réf fabricant: 7812935
± 3 jours ouvrés
312,00 € TTC
Cable de raccordement electrovanne 1 Viessmann 7813533
Cable de raccordement electrovanne 1
Code article PEX: 244819
Viessmann
Réf fabricant: 7813533
± 3 jours ouvrés
26,40 € TTC
Cable de raccord. electro-vanne 2 pompes Viessmann 7813534
Cable de raccord. electro-vanne 2 pompes
Code article PEX: 244820
Viessmann
Réf fabricant: 7813534
± 3 jours ouvrés
26,40 € TTC
Pompe fioul at2v 55 c 9672 4p 07 00 Viessmann 7840265
Pompe fioul at2v 55 c 9672 4p 07 00
Code article PEX: 301004
Viessmann
Réf fabricant: 7840265
± 3 jours ouvrés
367,20 € TTC
Noyau electrovanne 1 allure Viessmann 7815536
Noyau electrovanne 1 allure
Code article PEX: 245473
Viessmann
Réf fabricant: 7815536
 
obsolète
 
Noyau electrovanne 2 allures Viessmann 7815554
Noyau electrovanne 2 allures
Code article PEX: 245487
Viessmann
Réf fabricant: 7815554
± 3 jours ouvrés
129,60 € TTC
Pompe fioul at2v 55 c 9672 4p 07 00 Viessmann 7840265
Pompe fioul at2v 55 c 9672 4p 07 00
Code article PEX: 301004
Viessmann
Réf fabricant: 7840265
± 3 jours ouvrés
367,20 € TTC
Filtre pompe a fioul Viessmann 7818904
Filtre pompe a fioul
Code article PEX: 247107
Viessmann
Réf fabricant: 7818904
± 3 jours ouvrés
36,00 € TTC
Bobine t85 plus Viessmann 7858539
Bobine t85 plus
Code article PEX: 477158
Viessmann
Réf fabricant: 7858539
en stock
79,20 € TTC
Kit cable d allumage vehiii Viessmann 7829029
Kit cable d allumage vehiii
Code article PEX: 251800
Viessmann
Réf fabricant: 7829029
± 3 jours ouvrés
36,00 € TTC
0100 page 2 Tôle de fixation
 
Viessmann
Réf fabricant: 7820163
avec délai
sur devis
Joint refractaire 5-6 mm d= 310 mm Viessmann 7810058
Joint refractaire 5-6 mm d= 310 mm
Code article PEX: 243727
Viessmann
Réf fabricant: 7810058
± 3 jours ouvrés
36,00 € TTC
Plastron emboitable Viessmann 7834147
Plastron emboitable
Code article PEX: 253261
Viessmann
Réf fabricant: 7834147
± 3 jours ouvrés
13,68 € TTC
Commutateur de maintenance ve3 Viessmann 7813563
Commutateur de maintenance ve3
Code article PEX: 244837
Viessmann
Réf fabricant: 7813563
± 3 jours ouvrés
36,00 € TTC
Traversee sb-1500-18 Viessmann 7818952
Traversee sb-1500-18
Code article PEX: 475797
Viessmann
Réf fabricant: 7818952
± 3 jours ouvrés
10,68 € TTC
Cache anthracite Viessmann 7820976
Cache anthracite
Code article PEX: 248347
Viessmann
Réf fabricant: 7820976
± 3 jours ouvrés
12,96 € TTC
Adaptateur capot bruleur vitoplex fioul Viessmann 7820161
Adaptateur capot bruleur vitoplex fioul
Code article PEX: 247919
Viessmann
Réf fabricant: 7820161
± 3 jours ouvrés
51,60 € TTC
Cable 3 poles moteur bruleur fioul Viessmann 7839391
Cable 3 poles moteur bruleur fioul
Code article PEX: 315306
Viessmann
Réf fabricant: 7839391
± 3 jours ouvrés
48,00 € TTC


Dans cette page vous trouverez l'ensemble des articles et pièces détachées de chaufferie qui composent la nomenclature Brûleur Viessmann VITOFLAME 100 veilleuse 125 kW (7143271) ainsi que des liens vers les articles Viessmann. En parcourant la page Viessmann, vous pourrez également trouver toutes les pièces Viessmann présentes chez Pièces Express. L'indication de stock vous permet de savoir si la pièce détachée est disponible dans notre stock central ou bien avec un délai fournisseur. Dans ce dernier cas, renseignez vous, nous commandons très régulièrement chez chacun de nos fournisseurs, nous pouvons donc certainement répondre à votre besoin rapidement.

Nos marques
Nos catalogues
Nos outils
Nos gicleurs fioul
Nos bougies pour poêles à pellets
Pièces détachées de chauffage et climatisation
PIÈCES EXPRESS
1 rue Philippe LEBON
ZA Henri Spriet
14120 MONDEVILLE
Téléphone: 02 14 47 16 10
Siret: 790 553 242 00013
Tva: FR 38 790553242

4.7
146 avis