|
Pièces détachées de chauffage et climatisation
|
Plus de 650 000 références fabricants disponibles
|
Livraison en France et en Belgique
|
|
|
|
|
|
|
|
|
MARQUES ▾
|
CATALOGUES ▾
|
VUES ÉCLATÉES ▾ | CODES DÉFAUTS ▾ |
OUTILS DE RECHERCHE ▾
|
FAQ / TUTOS
|
DÉSTOCKAGE
|
|
MARQUES
|
ARTICLES
|
CATALOGUES
|
NOMENCLATURES
|
|
VOIR TOUS LES RÉSULTATS
|
VOIR TOUS LES RÉSULTATS
|
VOIR TOUS LES RÉSULTATS
|
VOIR TOUS LES RÉSULTATS
|
|
>
VOTRE RECHERCHE
|
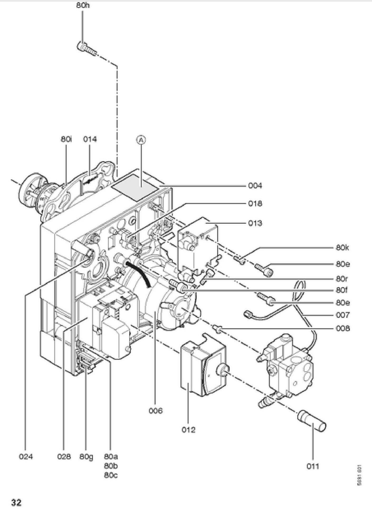
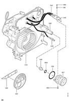
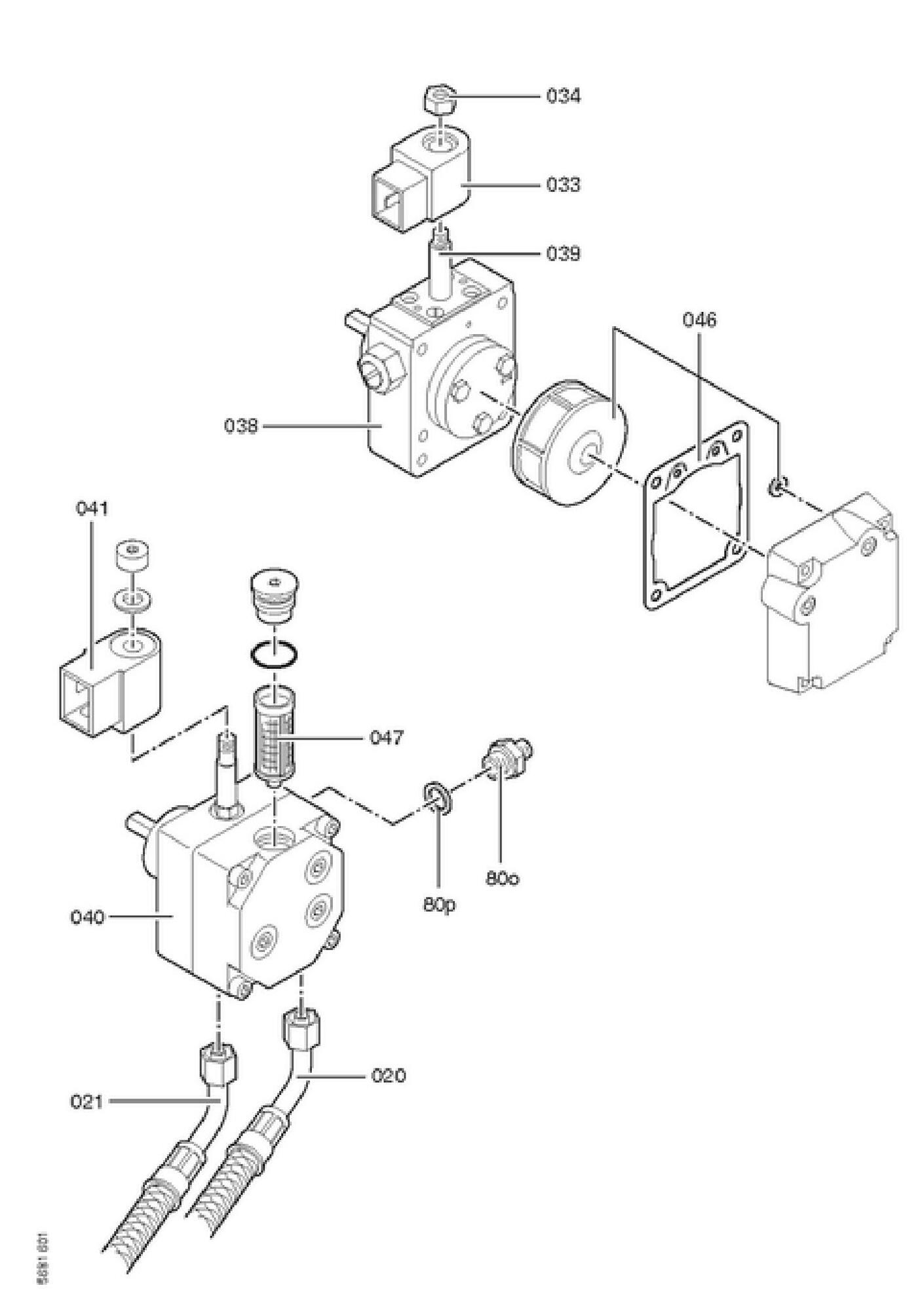
Pièces détachées contenues dans cet appareil Brûleur Viessmann VITOFLAME 200 18 kW (7188359)
Dans cette page vous trouverez l'ensemble des articles et pièces détachées de chaufferie qui composent la nomenclature Brûleur Viessmann VITOFLAME 200 18 kW (7188359) ainsi que des liens vers les articles Viessmann. En parcourant la page Viessmann, vous pourrez également trouver toutes les pièces Viessmann présentes chez Pièces Express. L'indication de stock vous permet de savoir si la pièce détachée est disponible dans notre stock central ou bien avec un délai fournisseur. Dans ce dernier cas, renseignez vous, nous commandons très régulièrement chez chacun de nos fournisseurs, nous pouvons donc certainement répondre à votre besoin rapidement. |