Pièces détachées de chauffage et climatisation
Plus de 650 000 références fabricants disponibles
Livraison en France et en Belgique
MARQUES ▾
CATALOGUES ▾
VUES ÉCLATÉES ▾ CODES DÉFAUTS ▾
OUTILS DE RECHERCHE ▾
FAQ / TUTOS
DÉSTOCKAGE
>
VOTRE RECHERCHE

Unité interne Viessmann Vitoclima 242-S D2125M1 (7729110)



page 2
Pièces détachées Unité interne Viessmann Vitoclima 242-S D2125M1 (7729110) chez Pièces Express


Référence fabricant
Position Schéma


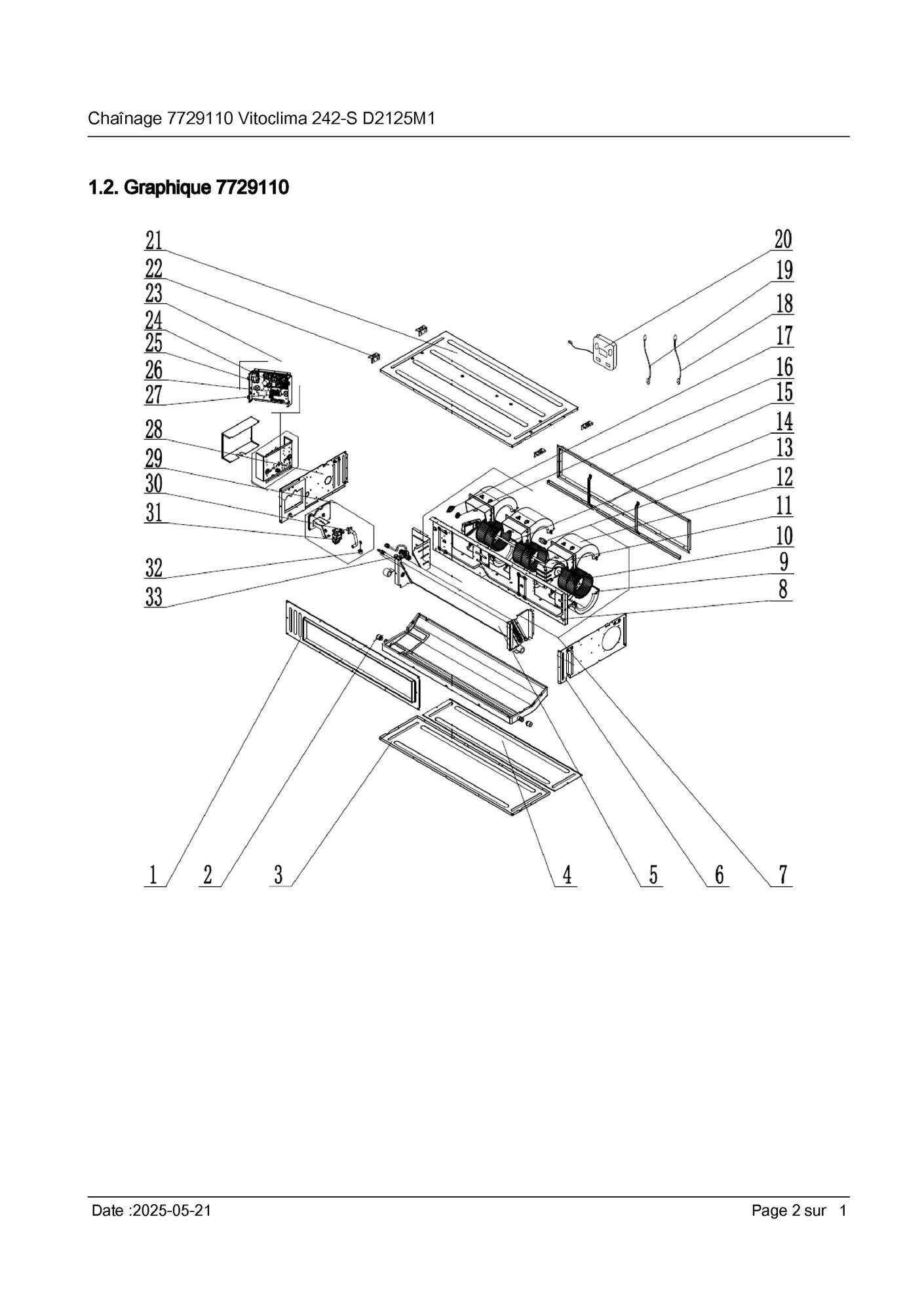
Les images des vues éclatées peuvent contenir des prix datant de plusieurs années, merci de ne pas en tenir compte










Pièces détachées contenues dans cet appareil Unité interne Viessmann Vitoclima 242-S D2125M1 (7729110)



Photo Position vue éclatée Article Référence fabricant Disponibilité et prix  
5 page 2 Evaporator assy
 
Viessmann
Réf fabricant: 7636088
avec délai
sur devis
7 page 2 Radialventilator-baugruppe
 
Viessmann
Réf fabricant: 7857599
avec délai
sur devis
8 page 2 Baugruppe geblase-montageplatte
 
Viessmann
Réf fabricant: 7857600
avec délai
sur devis
10 page 2 242-s/idu 40-48 d ventilatore cenrifugo
 
Viessmann
Réf fabricant: 7729916
avec délai
sur devis
11 page 2 Ventilator motor
 
Viessmann
Réf fabricant: 7729922
avec délai
sur devis
14 page 2 Rotary axis sub-assy
 
Viessmann
Réf fabricant: 7636080
avec délai
sur devis
18 page 2 242-s/idu 40-48 d sonda ambiente
 
Viessmann
Réf fabricant: 7513784
avec délai
sur devis
20 page 2 242-s/idu 28-40-48 d scheda display
 
Viessmann
Réf fabricant: 7729915
avec délai
sur devis
21 page 2 Top cover board assy
 
Viessmann
Réf fabricant: 7857602
avec délai
sur devis
23 page 2 Elektrokasten-baugruppe
 
Viessmann
Réf fabricant: 7857603
avec délai
sur devis
24 page 2 Hauptplatine
 
Viessmann
Réf fabricant: 7729919
avec délai
sur devis
25 page 2 Filterplatine
 
Viessmann
Réf fabricant: 7857604
avec délai
sur devis
28 page 2 Linke seitenplatte
 
Viessmann
Réf fabricant: 7857605
avec délai
sur devis
31 page 2 242-s/idu 40-48 d pompa condensa
 
Viessmann
Réf fabricant: 7729920
avec délai
sur devis
32 page 2 242-s/idu 28 d galleggiante cond
 
Viessmann
Réf fabricant: 7729909
avec délai
sur devis
33 page 2 Magnet spule
 
Viessmann
Réf fabricant: 7512684
avec délai
sur devis
1000 page 2 Et-bildl.idu vitoclima 242-s d2125m1
 
Viessmann
Réf fabricant: 5269381
avec délai
sur devis


Dans cette page vous trouverez l'ensemble des articles et pièces détachées de chaufferie qui composent la nomenclature Unité interne Viessmann Vitoclima 242-S D2125M1 (7729110) ainsi que des liens vers les articles Viessmann. En parcourant la page Viessmann, vous pourrez également trouver toutes les pièces Viessmann présentes chez Pièces Express. L'indication de stock vous permet de savoir si la pièce détachée est disponible dans notre stock central ou bien avec un délai fournisseur. Dans ce dernier cas, renseignez vous, nous commandons très régulièrement chez chacun de nos fournisseurs, nous pouvons donc certainement répondre à votre besoin rapidement.

Nos marques
Nos catalogues
Nos outils
Nos gicleurs fioul
Nos bougies pour poêles à pellets
Pièces détachées de chauffage et climatisation
PIÈCES EXPRESS
1 rue Philippe LEBON
ZA Henri Spriet
14120 MONDEVILLE
Téléphone: 02 14 47 16 10
Siret: 790 553 242 00013
Tva: FR 38 790553242