Pièces détachées de chauffage et climatisation
Plus de 650 000 références fabricants disponibles
Livraison en France et en Belgique
4.7
MARQUES ▾
CATALOGUES ▾
VUES ÉCLATÉES ▾ CODES DÉFAUTS ▾
OUTILS DE RECHERCHE ▾
FAQ / TUTOS
DÉSTOCKAGE
>
VOTRE RECHERCHE

Unité interne Daikin EHVH08S18CB3V



Pompe a chaleur gamme Altherma
page 1
page 2
page 3
page 4
page 5
Pièces détachées Unité interne Daikin EHVH08S18CB3V chez Pièces Express


Référence fabricant
Position Schéma
5009313 Bornier t3079-1-3p 3p170731-30 A1
5013645 Fusible thermique A11
5015065 Sonde r1t 3p378679-1a A12
5013659 Sonde r1t 3p378679-1 a A12
5013660 H_sonde r2t 3p378679-2 a A13
5013661 Sonde r3t 3p378679-3 a A14
5013662 Sonde r4t 3p378679-4 a A15
5016444 Platine electrode 4p415443-1 A16
5016828 Cable adapt. resistance elec. 3p414218-1 A17
5001956 Bornier 3p238498-95 A2
5001954 Bornier 3p238498-20 A3
5022517 H_platine a1p 2p490341- A5
5009161 R* transformateur 3ea74055-5 A7
5002559 Contacteur 4sw08936-1 A8
301157P Fusible a3v3 5sy 220-7 20a 4sw02669-1 A9
5011952 Ballon tampon 10l 3p351430-1 B10
5014139 Tube flexible expans B11
5011972 Joint 4p345922-1 B13
5002154 Joint torique 4sw08056-2 od27xid24,6x2,4 B15
(RI-007-18) Check tech.bulletin for part selection B16
5015188 Resistance electrique 3kw B16-1
5016517 Resistance electrique 3kw 2p383231-3 d B16-2
5016825 Resistance electrique 3kw 3p437113-1 B16-3
5016828 Cable adapt. resistance elec. 3p414218-1 B16-4
5016827 Accessoire ehvh/x 3p427209-1 B16-5
(RI-007-18) Check tech.bulletin for part selection B17
_ Check serial number for part selection b18-1 or b18-2 B18
5021127 Till 399999 and if no mfg no. availble->replacemen kit B18-1
5018077 Corps vanne 3voies+moteur yjs 3p415834-2 B18-1-1
5017440 Accessoire 3 voies yjs h/o 1p445599-1 B18-1-2
5018077 Corps vanne 3voies+moteur yjs 3p415834-2 B18-2
_ Check serial number for part selection b19-1 or b19-2 B19
5021127 Till 399999 and if no mfg no. availble->replacemen kit B19-1
5018077 Corps vanne 3voies+moteur yjs 3p415834-2 B19-1-1
5017440 Accessoire 3 voies yjs h/o 1p445599-1 B19-1-2
5018076 Cable liaison vanne 3 voies 3p415834-3 B19-2
5013650 Echangeur de chaleur 8kw B2
5002034 Goupille fixation 4p188355-1 B20
5014143 Tuyau eau potable 180l B22
5017437 H_accessoire tuyeauterie 2p439296-1a B24
_ Multiple selection required (depending on model) B25
5014590 Pompe yonos 15/7 + cable 4p318021-5 B25.1
5011953 Joint 4p345922-3 B28
5002161 Grand collier de fixation B29
5009335 Fixation 4p314160-1 B30
5014025 Installation (capteur de debit) B31
5011971 Vanne securite eau 4p317397-3 B32
5002556 Manometre 0/4 bar 4sw04196-4 B33
301751P Joint ligne 1/4 11 x 6.2 x 1.5 B34
5009336 Purgeur automatique 4p314929-1 B35
5006140 Bouchon 5/16" 4sw09896-1 B36
5015621 Filtre tuyauterie 4p32090 B37
5014149 Ensemble conduite d eau de chauffage B42
5006960 Joint torique 15,54 x 2,62 4sw08056-4 B44
5014159 Isolation thermique manchon buh 4p371137 B47
5014152 Support vase d expansion B48
5009427 Sonde ballon 4p317953-1 B49
5009421 Joint torique 4p322169-1 B5
0035107 Doigt de gant B50
300847P Support sonde 4pa38890-1 B51
5009428 Vanne 1/2 4p322067-1 B52
5009429 Circlips 4p317171-1 B53
5015046 Tube flex. vidange reservoir 3p317395-1d B54
5009430 Tube flexible 3p317395-1 B54
5010639 Isolation thermique cote 4p339682-2 B57
5013638 Controleur de debit sika vvx15 B6
5016443 Anode 3p415453-1 B65
5007762 Joint 50 d=56.7 d=49.7 B66
5016831 H_tube flexible vanne 3 voies 4p414217-1 B67
5017439 Isolation thermique 2p415074-1c B68
_ Multiple selection required->see note B69
5009417 Isolation thermique 3p314844-1 B69.1
5020634 Thermal insulation hatch B69.2
5002153 Joint torique 4sw08056-1 od20xid16x2 B7
5015613 Joint 25.7x3.5 wht 4p395522-1 B8
5013654 Cable controleur debit B9
5002164 Pieds mise a niveau m10x40 4sw07436-2 C1
5009445 Couvercle panneau contrôle 3p320558-1 C12
5010090 Charniere 3p318415-1 C13
5009909 Tole cote 2p312043-1 C14
5014234 Lock pin C15
5015912 Daikin logo sticker C16
5014236 Tole avant 3p320511-1 C2
302896P Aimant de fermeture portillon C3
5009410 Panneau 2p311942-1 C4
5009411 Tole arriere 3p320513-1 C5
5009412 Tole arriere 3p320514-1 C6
5014157 Ensemble couvercle superieur 3p374064-1 C7
5009394 Sealing epdm 38x27x2 C8
302634P Joint 24 x 17 x 2mm epdm 4sw04376-6 C9
5009320 Caisse d emballage avant 4p316758-2 D1
5010864 Pan head tapping screw (universal woodscrew) D10
_ Check which one needed, select one of d11-1~d11-10 D11
5018984 Telecommande 3p382155-1 k D11-1
5018993 Telecommande ekrumcl1 3p382155-19 j D11-10
5018985 Remote controller ekrucbl2 D11-2
5018986 Teleco. ekrucbl2 3p382155-3 k en/es/el/p D11-3
5018987 Remote controller ekrucbl4 D11-4
5018988 Remote controller kit ekrucbl5c D11-5
5018989 Remote controller kit ekrucbl6c D11-6
5018990 Telecommande ekrucbl7 3p382155-7 k D11-7
5018991 Remote controller kit ekrucbsc D11-8
5018992 Remote controller kit ekrucbl8c D11-9
5015017 Vis torx 4p398689-1 D12
5009441 Caisse d emballage support france 4p3167 D2
5009442 Caisse d emballage gauche 4p317029-1 D3
5009443 Caisse d emballage droite 4p317030-1 D4
5009444 Caisse d emballage dessus 4p316773-1 D5
5010868 Pallet (transportation plank) D6
5006674 Protection cap D7
5009447 Protection cap D8
5009440 Packing case (pallet) D9


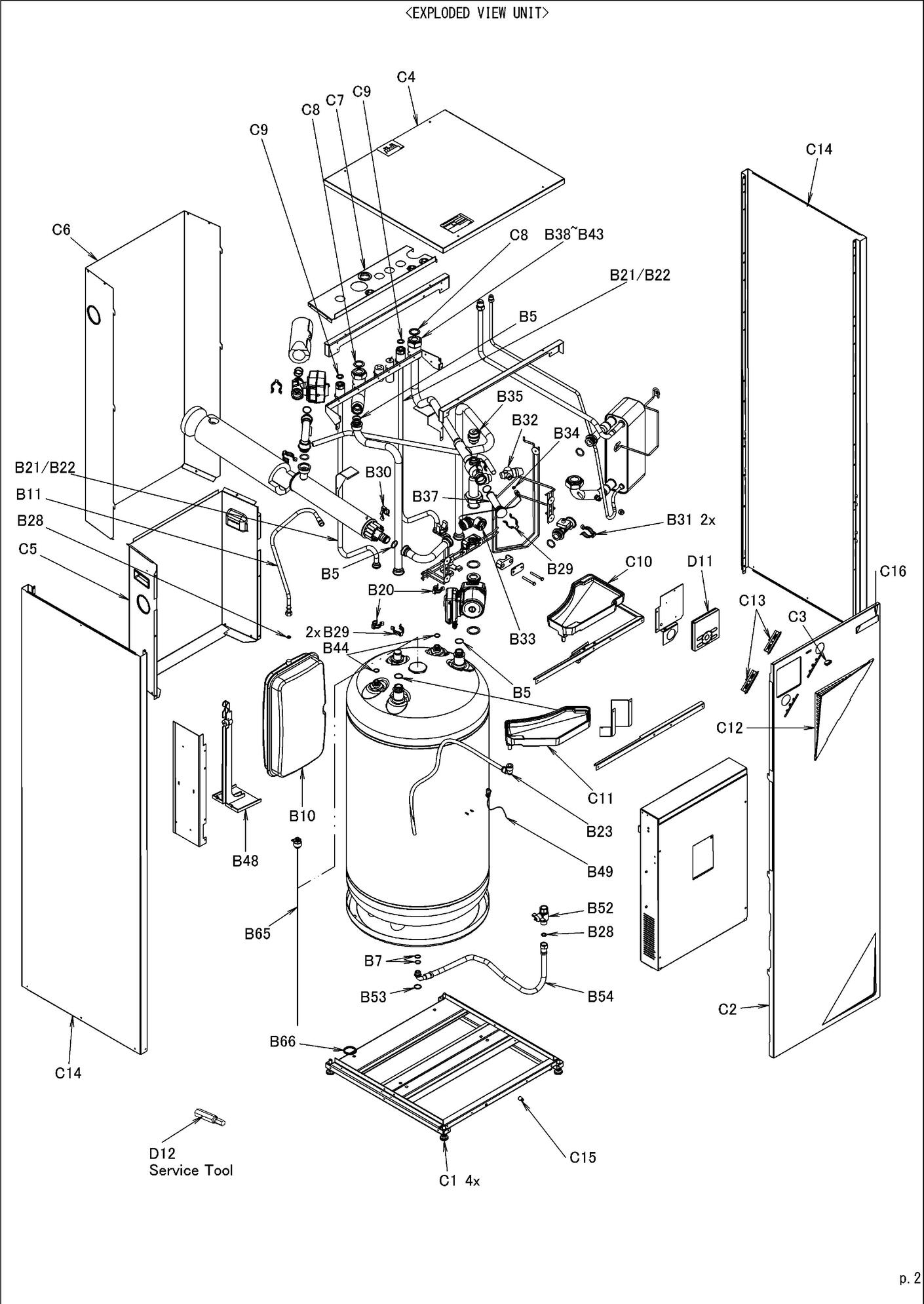
Les images des vues éclatées peuvent contenir des prix datant de plusieurs années, merci de ne pas en tenir compte










Pièces détachées contenues dans cet appareil Unité interne Daikin EHVH08S18CB3V



Photo Position vue éclatée Article Référence fabricant Disponibilité et prix  
Bornier t3079-1-3p 3p170731-30 Daikin 5009313
Bornier t3079-1-3p 3p170731-30
Code article PEX: 452602
Daikin
Réf fabricant: 5009313
± 3 jours ouvrés
32,74 € TTC
Fusible thermique Daikin 5013645
Fusible thermique
Code article PEX: 454333
Daikin
Réf fabricant: 5013645
± 3 jours ouvrés
259,36 € TTC
Sonde r1t 3p378679-1a Daikin 5015065
A12 page 1 Sonde r1t 3p378679-1a
Code article PEX: 454978
Daikin
Réf fabricant: 5015065
± 3 jours ouvrés
14,51 € TTC
Sonde r1t 3p378679-1 a Daikin 5013659
Sonde r1t 3p378679-1 a
Code article PEX: 454350
Daikin
Réf fabricant: 5013659
± 3 jours ouvrés
13,78 € TTC
Sonde r1t 3p378679-1a Daikin 5015065
Sonde r1t 3p378679-1a
Code article PEX: 454978
Daikin
Réf fabricant: 5015065
± 3 jours ouvrés
14,51 € TTC
Sonde r1t 3p378679-1 a Daikin 5013659
Sonde r1t 3p378679-1 a
Code article PEX: 454350
Daikin
Réf fabricant: 5013659
± 3 jours ouvrés
13,78 € TTC
Sonde r1t 3p378679-1a Daikin 5015065
A12 page 2 Sonde r1t 3p378679-1a
Code article PEX: 454978
Daikin
Réf fabricant: 5015065
± 3 jours ouvrés
14,51 € TTC
Sonde r1t 3p378679-1 a Daikin 5013659
A12 page 5 Sonde r1t 3p378679-1 a
Code article PEX: 454350
Daikin
Réf fabricant: 5013659
± 3 jours ouvrés
13,78 € TTC
H_sonde r2t 3p378679-2 a Daikin 5013660
H_sonde r2t 3p378679-2 a
Code article PEX: 454351
Daikin
Réf fabricant: 5013660
± 3 jours ouvrés
54,18 € TTC
Sonde r3t 3p378679-3 a Daikin 5013661
Sonde r3t 3p378679-3 a
Code article PEX: 454352
Daikin
Réf fabricant: 5013661
± 3 jours ouvrés
15,46 € TTC
Sonde r4t 3p378679-4 a Daikin 5013662
Sonde r4t 3p378679-4 a
Code article PEX: 454353
Daikin
Réf fabricant: 5013662
± 3 jours ouvrés
15,46 € TTC
Platine electrode 4p415443-1 Daikin 5016444
Platine electrode 4p415443-1
Code article PEX: 455450
Daikin
Réf fabricant: 5016444
± 3 jours ouvrés
163,34 € TTC
Cable adapt. resistance elec. 3p414218-1 Daikin 5016828
Cable adapt. resistance elec. 3p414218-1
Code article PEX: 455643
Daikin
Réf fabricant: 5016828
± 3 jours ouvrés
89,20 € TTC
Bornier 3p238498-95 Daikin 5001956
Bornier 3p238498-95
Code article PEX: 449873
Daikin
Réf fabricant: 5001956
± 3 jours ouvrés
88,36 € TTC
Bornier 3p238498-20 Daikin 5001954
Bornier 3p238498-20
Code article PEX: 449872
Daikin
Réf fabricant: 5001954
 
obsolète
 
H_platine a1p 2p490341- Daikin 5022517
H_platine a1p 2p490341-
Code article PEX: 456881
Daikin
Réf fabricant: 5022517
± 3 jours ouvrés
562,31 € TTC
R* transformateur 3ea74055-5 Daikin 5009161
R* transformateur 3ea74055-5
Code article PEX: 452532
Daikin
Réf fabricant: 5009161
± 3 jours ouvrés
sur devis
Contacteur 4sw08936-1 Daikin 5002559
Contacteur 4sw08936-1
Code article PEX: 450122
Daikin
Réf fabricant: 5002559
En cours de réappro
97,03 € TTC
Fusible a3v3 5sy 220-7 20a 4sw02669-1 Daikin 301157P
Fusible a3v3 5sy 220-7 20a 4sw02669-1
Code article PEX: 446343
Daikin
Réf fabricant: 301157P
± 3 jours ouvrés
85,43 € TTC
Ballon tampon 10l 3p351430-1 Daikin 5011952
Ballon tampon 10l 3p351430-1
Code article PEX: 453648
Daikin
Réf fabricant: 5011952
en stock
171,30 € TTC
Tube flexible expans Daikin 5014139
Tube flexible expans
Code article PEX: 454660
Daikin
Réf fabricant: 5014139
± 3 jours ouvrés
40,67 € TTC
Joint 4p345922-1 Daikin 5011972
Joint 4p345922-1
Code article PEX: 453653
Daikin
Réf fabricant: 5011972
± 3 jours ouvrés
11,83 € TTC
Joint torique 4sw08056-2 od27xid24,6x2,4 Daikin 5002154
Joint torique 4sw08056-2 od27xid24,6x2,4
Code article PEX: 449950
Daikin
Réf fabricant: 5002154
En cours de réappro
8,76 € TTC
B16 page 2 Check tech.bulletin for part selection
 
Daikin
Réf fabricant: (RI-007-18)
avec délai
sur devis
Resistance electrique 3kw Daikin 5015188
Resistance electrique 3kw
Code article PEX: 454998
Daikin
Réf fabricant: 5015188
± 3 jours ouvrés
561,59 € TTC
Resistance electrique 3kw 2p383231-3 d Daikin 5016517
Resistance electrique 3kw 2p383231-3 d
Code article PEX: 455491
Daikin
Réf fabricant: 5016517
± 3 jours ouvrés
562,62 € TTC
Resistance electrique 3kw 3p437113-1 Daikin 5016825
Resistance electrique 3kw 3p437113-1
Code article PEX: 455640
Daikin
Réf fabricant: 5016825
± 3 jours ouvrés
487,51 € TTC
Cable adapt. resistance elec. 3p414218-1 Daikin 5016828
Cable adapt. resistance elec. 3p414218-1
Code article PEX: 455643
Daikin
Réf fabricant: 5016828
± 3 jours ouvrés
89,20 € TTC
Accessoire ehvh/x 3p427209-1 Daikin 5016827
Accessoire ehvh/x 3p427209-1
Code article PEX: 455642
Daikin
Réf fabricant: 5016827
± 3 jours ouvrés
191,42 € TTC
B17 page 5 Check tech.bulletin for part selection
 
Daikin
Réf fabricant: (RI-007-18)
avec délai
sur devis
B18 page 1 Check serial number for part selection b18-1 or b18-2
 
Daikin
Réf fabricant: _
avec délai
sur devis
B18-1 page 4 Till 399999 and if no mfg no. availble->replacemen kit
 
Daikin
Réf fabricant: 5021127
avec délai
sur devis
Three way valve assy Daikin 5018077
Three way valve assy
Code article PEX: 684743
Daikin
Réf fabricant: 5018077
en stock
220,96 € TTC
Accessoire 3 voies yjs h/o 1p445599-1 Daikin 5017440
Accessoire 3 voies yjs h/o 1p445599-1
Code article PEX: 455852
Daikin
Réf fabricant: 5017440
en stock
640,39 € TTC
Three way valve assy Daikin 5018077
Three way valve assy
Code article PEX: 684743
Daikin
Réf fabricant: 5018077
en stock
220,96 € TTC
B19 page 4 Check serial number for part selection b19-1 or b19-2
 
Daikin
Réf fabricant: _
avec délai
sur devis
B19-1 page 4 Till 399999 and if no mfg no. availble->replacemen kit
 
Daikin
Réf fabricant: 5021127
avec délai
sur devis
Three way valve assy Daikin 5018077
Three way valve assy
Code article PEX: 684743
Daikin
Réf fabricant: 5018077
en stock
220,96 € TTC
Accessoire 3 voies yjs h/o 1p445599-1 Daikin 5017440
Accessoire 3 voies yjs h/o 1p445599-1
Code article PEX: 455852
Daikin
Réf fabricant: 5017440
en stock
640,39 € TTC
Cable liaison vanne 3 voies 3p415834-3 Daikin 5018076
Cable liaison vanne 3 voies 3p415834-3
Code article PEX: 455984
Daikin
Réf fabricant: 5018076
± 3 jours ouvrés
226,32 € TTC
Echangeur de chaleur 8kw Daikin 5013650
Echangeur de chaleur 8kw
Code article PEX: 454339
Daikin
Réf fabricant: 5013650
± 3 jours ouvrés
1 281,62 € TTC
Goupille fixation 4p188355-1 Daikin 5002034
Goupille fixation 4p188355-1
Code article PEX: 449906
Daikin
Réf fabricant: 5002034
± 3 jours ouvrés
10,84 € TTC
Tuyau eau potable 180l Daikin 5014143
Tuyau eau potable 180l
Code article PEX: 454664
Daikin
Réf fabricant: 5014143
± 3 jours ouvrés
140,70 € TTC
H_accessoire tuyeauterie 2p439296-1a Daikin 5017437
H_accessoire tuyeauterie 2p439296-1a
Code article PEX: 455851
Daikin
Réf fabricant: 5017437
± 3 jours ouvrés
291,55 € TTC
B25 page 3 Multiple selection required (depending on model)
 
Daikin
Réf fabricant: _
avec délai
sur devis
Pompe para 15-130/7-50/ipwm1-6 Daikin 5014590
Pompe para 15-130/7-50/ipwm1-6
Code article PEX: 630226
Daikin
Réf fabricant: 5014590
± 3 jours ouvrés
358,22 € TTC
Joint 4p345922-3 Daikin 5011953
Joint 4p345922-3
Code article PEX: 453649
Daikin
Réf fabricant: 5011953
± 3 jours ouvrés
10,38 € TTC
Grand collier de fixation Daikin 5002161
Grand collier de fixation
Code article PEX: 449956
Daikin
Réf fabricant: 5002161
En cours de réappro
13,78 € TTC
Fixation 4p314160-1 Daikin 5009335
Fixation 4p314160-1
Code article PEX: 452616
Daikin
Réf fabricant: 5009335
± 3 jours ouvrés
11,80 € TTC
Installation (capteur de debit) Daikin 5014025
Installation (capteur de debit)
Code article PEX: 454615
Daikin
Réf fabricant: 5014025
en stock
23,54 € TTC
Vanne securite eau 4p317397-3 Daikin 5011971
Vanne securite eau 4p317397-3
Code article PEX: 453652
Daikin
Réf fabricant: 5011971
en stock
44,30 € TTC
Manometre 0/4 bar + capillaire Daikin 5002556
Manometre 0/4 bar + capillaire
Code article PEX: 446789
Daikin
Réf fabricant: 5002556
en stock
43,86 € TTC
Joint ligne 1/4 11 x 6.2 x 1.5 Daikin 301751P
Joint ligne 1/4 11 x 6.2 x 1.5
Code article PEX: 446801
Daikin
Réf fabricant: 301751P
± 3 jours ouvrés
11,03 € TTC
Purgeur automatique 4p314929-1 Daikin 5009336
Purgeur automatique 4p314929-1
Code article PEX: 452617
Daikin
Réf fabricant: 5009336
en stock
47,08 € TTC
Bouchon 5/16" 4sw09896-1 Daikin 5006140
Bouchon 5/16" 4sw09896-1
Code article PEX: 451456
Daikin
Réf fabricant: 5006140
± 3 jours ouvrés
10,67 € TTC
Filtre tuyauterie 4p32090 Daikin 5015621
Filtre tuyauterie 4p32090
Code article PEX: 455180
Daikin
Réf fabricant: 5015621
en stock
39,86 € TTC
Ensemble conduite d eau de chauffage Daikin 5014149
Ensemble conduite d eau de chauffage
Code article PEX: 454670
Daikin
Réf fabricant: 5014149
± 3 jours ouvrés
546,50 € TTC
Joint torique 15,54 x 2,62 4sw08056-4 Daikin 5006960
Joint torique 15,54 x 2,62 4sw08056-4
Code article PEX: 451699
Daikin
Réf fabricant: 5006960
± 3 jours ouvrés
6,71 € TTC
Isolation thermique manchon buh 4p371137 Daikin 5014159
Isolation thermique manchon buh 4p371137
Code article PEX: 454682
Daikin
Réf fabricant: 5014159
± 3 jours ouvrés
69,59 € TTC
Support vase d expansion Daikin 5014152
Support vase d expansion
Code article PEX: 454674
Daikin
Réf fabricant: 5014152
± 3 jours ouvrés
250,10 € TTC
Sonde ballon 4p317953-1 Daikin 5009427
Sonde ballon 4p317953-1
Code article PEX: 452671
Daikin
Réf fabricant: 5009427
± 3 jours ouvrés
46,86 € TTC
Joint torique 4p322169-1 Daikin 5009421
Joint torique 4p322169-1
Code article PEX: 452665
Daikin
Réf fabricant: 5009421
en stock
9,10 € TTC
Doigt de gant Daikin 0035107
Doigt de gant
Code article PEX: 433771
Daikin
Réf fabricant: 0035107
± 3 jours ouvrés
190,60 € TTC
Support sonde 4pa38890-1 Daikin 300847P
Support sonde 4pa38890-1
Code article PEX: 446174
Daikin
Réf fabricant: 300847P
± 3 jours ouvrés
8,83 € TTC
Vanne 1/2 4p322067-1 Daikin 5009428
Vanne 1/2 4p322067-1
Code article PEX: 452672
Daikin
Réf fabricant: 5009428
± 3 jours ouvrés
46,60 € TTC
Circlips 4p317171-1 Daikin 5009429
Circlips 4p317171-1
Code article PEX: 452673
Daikin
Réf fabricant: 5009429
± 3 jours ouvrés
7,96 € TTC
Tube flexible 3p317395-1 Daikin 5009430
B54 page 4 Tube flexible 3p317395-1
Code article PEX: 452674
Daikin
Réf fabricant: 5009430
± 3 jours ouvrés
104,30 € TTC
Tube flex. vidange reservoir 3p317395-1d Daikin 5015046
B54 page 3 Tube flex. vidange reservoir 3p317395-1d
Code article PEX: 454975
Daikin
Réf fabricant: 5015046
± 3 jours ouvrés
130,63 € TTC
Tube flexible 3p317395-1 Daikin 5009430
Tube flexible 3p317395-1
Code article PEX: 452674
Daikin
Réf fabricant: 5009430
± 3 jours ouvrés
104,30 € TTC
Tube flex. vidange reservoir 3p317395-1d Daikin 5015046
B54 page 5 Tube flex. vidange reservoir 3p317395-1d
Code article PEX: 454975
Daikin
Réf fabricant: 5015046
± 3 jours ouvrés
130,63 € TTC
Tube flexible 3p317395-1 Daikin 5009430
B54 page 2 Tube flexible 3p317395-1
Code article PEX: 452674
Daikin
Réf fabricant: 5009430
± 3 jours ouvrés
104,30 € TTC
Tube flex. vidange reservoir 3p317395-1d Daikin 5015046
Tube flex. vidange reservoir 3p317395-1d
Code article PEX: 454975
Daikin
Réf fabricant: 5015046
± 3 jours ouvrés
130,63 € TTC
Tube flexible 3p317395-1 Daikin 5009430
B54 page 1 Tube flexible 3p317395-1
Code article PEX: 452674
Daikin
Réf fabricant: 5009430
± 3 jours ouvrés
104,30 € TTC
Tube flex. vidange reservoir 3p317395-1d Daikin 5015046
B54 page 4 Tube flex. vidange reservoir 3p317395-1d
Code article PEX: 454975
Daikin
Réf fabricant: 5015046
± 3 jours ouvrés
130,63 € TTC
Isolation thermique cote 4p339682-2 Daikin 5010639
Isolation thermique cote 4p339682-2
Code article PEX: 681157
Daikin
Réf fabricant: 5010639
± 3 jours ouvrés
26,22 € TTC
Controleur de debit sika vvx15 Daikin 5013638
Controleur de debit sika vvx15
Code article PEX: 454328
Daikin
Réf fabricant: 5013638
± 3 jours ouvrés
325,36 € TTC
Anode 3p415453-1 Daikin 5016443
Anode 3p415453-1
Code article PEX: 455449
Daikin
Réf fabricant: 5016443
± 3 jours ouvrés
372,19 € TTC
Joint 50 d=56.7 d=49.7 Daikin 5007762
Joint 50 d=56.7 d=49.7
Code article PEX: 452000
Daikin
Réf fabricant: 5007762
en stock
36,47 € TTC
H_tube flexible vanne 3 voies 4p414217-1 Daikin 5016831
H_tube flexible vanne 3 voies 4p414217-1
Code article PEX: 455646
Daikin
Réf fabricant: 5016831
± 3 jours ouvrés
77,52 € TTC
Isolation thermique 2p415074-1c Daikin 5017439
Isolation thermique 2p415074-1c
Code article PEX: 681631
Daikin
Réf fabricant: 5017439
± 3 jours ouvrés
157,82 € TTC
B69 page 1 Multiple selection required->see note
 
Daikin
Réf fabricant: _
avec délai
sur devis
Isolation thermique 3p314844-1 Daikin 5009417
Isolation thermique 3p314844-1
Code article PEX: 452661
Daikin
Réf fabricant: 5009417
± 3 jours ouvrés
44,70 € TTC
B69.2 page 2 Thermal insulation hatch
 
Daikin
Réf fabricant: 5020634
avec délai
sur devis
Joint torique 4sw08056-1 od20xid16x2 Daikin 5002153
Joint torique 4sw08056-1 od20xid16x2
Code article PEX: 449949
Daikin
Réf fabricant: 5002153
en stock
8,47 € TTC
Joint 25.7x3.5 wht 4p395522-1 Daikin 5015613
Joint 25.7x3.5 wht 4p395522-1
Code article PEX: 455174
Daikin
Réf fabricant: 5015613
en stock
15,74 € TTC
Cable controleur debit Daikin 5013654
Cable controleur debit
Code article PEX: 454344
Daikin
Réf fabricant: 5013654
± 3 jours ouvrés
128,02 € TTC
Pieds mise a niveau m10x40 4sw07436-2 Daikin 5002164
Pieds mise a niveau m10x40 4sw07436-2
Code article PEX: 449959
Daikin
Réf fabricant: 5002164
± 3 jours ouvrés
19,00 € TTC
Couvercle panneau contrôle 3p320558-1 Daikin 5009445
Couvercle panneau contrôle 3p320558-1
Code article PEX: 452685
Daikin
Réf fabricant: 5009445
± 3 jours ouvrés
25,22 € TTC
Charniere 3p318415-1 Daikin 5010090
Charniere 3p318415-1
Code article PEX: 452930
Daikin
Réf fabricant: 5010090
± 3 jours ouvrés
10,80 € TTC
Tole cote 2p312043-1 Daikin 5009909
Tole cote 2p312043-1
Code article PEX: 452884
Daikin
Réf fabricant: 5009909
± 3 jours ouvrés
291,82 € TTC
C15 page 5 Lock pin
 
Daikin
Réf fabricant: 5014234
avec délai
sur devis
Daikin logo sticker Daikin 5015912
Daikin logo sticker
Code article PEX: 455259
Daikin
Réf fabricant: 5015912
± 3 jours ouvrés
34,96 € TTC
Tole avant 3p320511-1 Daikin 5014236
Tole avant 3p320511-1
Code article PEX: 454717
Daikin
Réf fabricant: 5014236
± 3 jours ouvrés
306,28 € TTC
Aimant de fermeture portillon Daikin 302896P
Aimant de fermeture portillon
Code article PEX: 447199
Daikin
Réf fabricant: 302896P
± 3 jours ouvrés
20,28 € TTC
Panneau 2p311942-1 Daikin 5009410
Panneau 2p311942-1
Code article PEX: 452654
Daikin
Réf fabricant: 5009410
± 3 jours ouvrés
143,04 € TTC
Tole arriere 3p320513-1 Daikin 5009411
Tole arriere 3p320513-1
Code article PEX: 452655
Daikin
Réf fabricant: 5009411
± 3 jours ouvrés
219,47 € TTC
Tole arriere 3p320514-1 Daikin 5009412
Tole arriere 3p320514-1
Code article PEX: 452656
Daikin
Réf fabricant: 5009412
± 3 jours ouvrés
163,27 € TTC
Ensemble couvercle superieur 3p374064-1 Daikin 5014157
Ensemble couvercle superieur 3p374064-1
Code article PEX: 454680
Daikin
Réf fabricant: 5014157
± 3 jours ouvrés
56,56 € TTC
C8 page 5 Sealing epdm 38x27x2
 
Daikin
Réf fabricant: 5009394
avec délai
sur devis
Joint 24 x 17 x 2mm epdm 4sw04376-6 Daikin 302634P
Joint 24 x 17 x 2mm epdm 4sw04376-6
Code article PEX: 447100
Daikin
Réf fabricant: 302634P
± 3 jours ouvrés
5,87 € TTC
Caisse d emballage avant 4p316758-2 Daikin 5009320
Caisse d emballage avant 4p316758-2
Code article PEX: 452605
Daikin
Réf fabricant: 5009320
± 3 jours ouvrés
54,83 € TTC
D10 page 3 Pan head tapping screw (universal woodscrew)
 
Daikin
Réf fabricant: 5010864
avec délai
sur devis
D11 page 5 Check which one needed, select one of d11-1~d11-10
 
Daikin
Réf fabricant: _
avec délai
sur devis
Telecommande 3p382155-1 k Daikin 5018984
Telecommande 3p382155-1 k
Code article PEX: 456203
Daikin
Réf fabricant: 5018984
± 3 jours ouvrés
320,88 € TTC
Telecommande ekrumcl1 3p382155-19 j Daikin 5018993
Telecommande ekrumcl1 3p382155-19 j
Code article PEX: 681839
Daikin
Réf fabricant: 5018993
± 3 jours ouvrés
308,62 € TTC
Remote controller ekrucbl2 Daikin 5018985
Remote controller ekrucbl2
Code article PEX: 681835
Daikin
Réf fabricant: 5018985
± 3 jours ouvrés
320,88 € TTC
Teleco. ekrucbl2 3p382155-3 k en/es/el/p Daikin 5018986
Teleco. ekrucbl2 3p382155-3 k en/es/el/p
Code article PEX: 681836
Daikin
Réf fabricant: 5018986
± 3 jours ouvrés
305,23 € TTC
Remote controller ekrucbl4 Daikin 5018987
Remote controller ekrucbl4
Code article PEX: 681837
Daikin
Réf fabricant: 5018987
± 3 jours ouvrés
320,50 € TTC
D11-5 page 5 Remote controller kit ekrucbl5c
 
Daikin
Réf fabricant: 5018988
avec délai
sur devis
D11-6 page 1 Remote controller kit ekrucbl6c
 
Daikin
Réf fabricant: 5018989
avec délai
sur devis
Telecommande ekrucbl7 3p382155-7 k Daikin 5018990
Telecommande ekrucbl7 3p382155-7 k
Code article PEX: 681838
Daikin
Réf fabricant: 5018990
± 3 jours ouvrés
320,88 € TTC
D11-8 page 4 Remote controller kit ekrucbsc
 
Daikin
Réf fabricant: 5018991
avec délai
sur devis
D11-9 page 2 Remote controller kit ekrucbl8c
 
Daikin
Réf fabricant: 5018992
avec délai
sur devis
Vis torx 4p398689-1 Daikin 5015017
Vis torx 4p398689-1
Code article PEX: 454970
Daikin
Réf fabricant: 5015017
± 3 jours ouvrés
25,26 € TTC
Caisse d emballage support france 4p3167 Daikin 5009441
Caisse d emballage support france 4p3167
Code article PEX: 452681
Daikin
Réf fabricant: 5009441
± 3 jours ouvrés
40,08 € TTC
Caisse d emballage gauche 4p317029-1 Daikin 5009442
Caisse d emballage gauche 4p317029-1
Code article PEX: 452682
Daikin
Réf fabricant: 5009442
± 3 jours ouvrés
75,04 € TTC
Caisse d emballage droite 4p317030-1 Daikin 5009443
Caisse d emballage droite 4p317030-1
Code article PEX: 452683
Daikin
Réf fabricant: 5009443
± 3 jours ouvrés
75,04 € TTC
Caisse d emballage dessus 4p316773-1 Daikin 5009444
Caisse d emballage dessus 4p316773-1
Code article PEX: 452684
Daikin
Réf fabricant: 5009444
± 3 jours ouvrés
19,06 € TTC
D6 page 3 Pallet (transportation plank)
 
Daikin
Réf fabricant: 5010868
avec délai
sur devis
D7 page 2 Protection cap
 
Daikin
Réf fabricant: 5006674
avec délai
sur devis
Protection cap Daikin 5009447
Protection cap
Code article PEX: 681097
Daikin
Réf fabricant: 5009447
± 3 jours ouvrés
12,83 € TTC
D9 page 5 Packing case (pallet)
 
Daikin
Réf fabricant: 5009440
avec délai
sur devis


Dans cette page vous trouverez l'ensemble des articles et pièces détachées de chaufferie qui composent la nomenclature Unité interne Daikin EHVH08S18CB3V ainsi que des liens vers les articles Daikin. En parcourant la page Daikin, vous pourrez également trouver toutes les pièces Daikin présentes chez Pièces Express. L'indication de stock vous permet de savoir si la pièce détachée est disponible dans notre stock central ou bien avec un délai fournisseur. Dans ce dernier cas, renseignez vous, nous commandons très régulièrement chez chacun de nos fournisseurs, nous pouvons donc certainement répondre à votre besoin rapidement.

Nos marques
Nos catalogues
Nos outils
Nos gicleurs fioul
Nos bougies pour poêles à pellets
Pièces détachées de chauffage et climatisation
PIÈCES EXPRESS
1 rue Philippe LEBON
ZA Henri Spriet
14120 MONDEVILLE
Téléphone: 02 14 47 16 10
Siret: 790 553 242 00013
Tva: FR 38 790553242

4.7
149 avis