Pièces détachées de chauffage et climatisation
Plus de 650 000 références fabricants disponibles
Livraison en France et en Belgique
4.7
MARQUES ▾
CATALOGUES ▾
VUES ÉCLATÉES ▾ CODES DÉFAUTS ▾
OUTILS DE RECHERCHE ▾
FAQ / TUTOS
DÉSTOCKAGE
>
VOTRE RECHERCHE

Unité interne Daikin FTXP20K3V1B



page 1
Pièces détachées Unité interne Daikin FTXP20K3V1B chez Pièces Express


Référence fabricant
Position Schéma
5039335 Ensemble d echangeur de chaleur B1
300987P Flare nut 3/8 B1-1
301452P Ecrou 1/4" 4sw01241-1 1/4 B1-2
5016233 Tole cote gauche 1p399023-1 B1-3
5016308 Mastic B1-4
5010695 Flare cap packing 3/8" B1-5
5010694 Flare cap packing 1/4" B1-6
5016528 Putty B1-7
5018274 Vis ftxa35b2v1bs /4p448735-12 M4X 12 B3
5016237 Turbine de ventil. 4f032870-1 C1
5016238 Volet de balayage 3p395849-1 C2
5008272 Axe volet 4p294461-1 C2-1
7900093 Filtre a air 347 x 307 1p344735-1 347 X 307 C3
5016239 Switch box E1
174888J Vis ha4114-04-25 M4X 25 E11
5016245 Cover/ operation sign (infrared) E12
2218720 Harnais 4p342484-1 E13
121650J Vis m4x16 ha41113-16 M4X 16 E14
6024959 Earth wire E15
6024960 Moteur ventil mm6k11s20va 10p MM6K11S20VA 10P E16
2217121 Ensemble sonde 3e700017-2 L=300 E17
5017542 Platine ex592 3p185701-5 EX592 E18
5016240 Platine 3p400915-1 E2
5037692 Pcb assy ex13009-19a (d) E3
153875J Fusible 21533.15 3eb82016-1 2153.15MXP 250V 3.15A E3-1
113954J Varistance 3eb71012-1 470NR-14D-204 E3-2
5016241 Platine pcb3 - s21 a4p 3p166094-3 PCB3 E3-3
5016242 Plaque protection 1p396007-1 E4
5016243 Plaque protection (2) 1p396771-1 E5
1724688 Bornier- x1m - tb-etx-4pa-d1- 3sb45571-1 HP-T3032A-1-L3P E6
0812847 Fixation cable E7
5016244 Cover/ indication lamp E8
5016246 Socle complet 1p397353-1 F1
066228J Bouchon bac a condensat 3pb34652-1 F1-10
5012608 Tube d evacuation 3p266403-1 F1-11
5016254 Ens. grille proection ventil 3p397038-1 F1-12
5016255 Sealing material (bottom frame) F1-14
170429J Vis de fixation 4sb00088-12 M4X 12 F1-15
5016247 Volets verticaux 3p396878-1 F1-2
5016248 Grille de refoulement verticale 1p396855 F1-2-1
2217145 Moteur de balayage 20byj46-514 3s470001 20BYJ46-514 F1-4
5016249 Arbre ventilation 3p396892-1_c F1-5
5016250 Palier 4p396879-1 F1-6
5016251 Plaque montage palier 2p396880-1 F1-6-1
156867J Palier 4p102621-2 F1-6-2
5016252 Thermal insulation (rear) F1-8
5016253 Isolation termique avant 3p396825-1 F1-9
5016263 Piping fixture F11
5016264 Couvercle moteur 2p396751-1 F12
5016265 Couvercle moteur 3p396572-1 F13
6023946 Emballage 3p344837-1 F14
146817J Pallier de ventilation 4p102621-1 F15
121650J Vis m4x16 ha41113-16 M4X 16 F17
7900109 Panneau indication 3p364935-1 F18
5016256 Plaque laterale (droite) F2
5016257 Facade 1p399898-1_c F4
5016259 Facade 3p398089-1 F4-2
5016261 Couvercle service 3p397172-1 F7
5016262 Sealing plate F9
5016267 Cushion (eps) l K10
5016268 Cushion (eps) r K11
5016269 Packing case K12
6025239 Remote controller assy. ARC480A11 K2
7900110 Support telecommande 2p207994-2 K3
5012434 Kit vis 3sb73031-39 K5
_ Air filter assy. (pack) not on webbank K7
1840489 Filtre photocatalyseur 4p173581-2 255X 42X T5 APATAITO K7-1
5016266 Tole montage unite mural 1p397268-1 K8
5012613 Couvercle de produit 4p352323-1 K9


Les images des vues éclatées peuvent contenir des prix datant de plusieurs années, merci de ne pas en tenir compte










Pièces détachées contenues dans cet appareil Unité interne Daikin FTXP20K3V1B



Photo Position vue éclatée Article Référence fabricant Disponibilité et prix  
Ensemble d echangeur de chaleur Daikin 5039335
B1 page 1 Ensemble d echangeur de chaleur
Code article PEX: 744797
Daikin
Réf fabricant: 5039335
± 3 jours ouvrés
225,76 € TTC
B1-1 page 1 Flare nut
 
Daikin
Réf fabricant: 300987P
avec délai
sur devis
Ecrou 1/4" 4sw01241-1 Daikin 301452P
B1-2 page 1 Ecrou 1/4" 4sw01241-1
Code article PEX: 446558
Daikin
Réf fabricant: 301452P
± 3 jours ouvrés
13,30 € TTC
Tole cote gauche 1p399023-1 Daikin 5016233
B1-3 page 1 Tole cote gauche 1p399023-1
Code article PEX: 681480
Daikin
Réf fabricant: 5016233
± 3 jours ouvrés
8,22 € TTC
Mastic Daikin 5016308
B1-4 page 1 Mastic
Code article PEX: 744445
Daikin
Réf fabricant: 5016308
± 3 jours ouvrés
sur devis
B1-5 page 1 Flare cap packing
 
Daikin
Réf fabricant: 5010695
avec délai
sur devis
B1-6 page 1 Flare cap packing
 
Daikin
Réf fabricant: 5010694
avec délai
sur devis
B1-7 page 1 Putty
 
Daikin
Réf fabricant: 5016528
avec délai
sur devis
Vis ftxa35b2v1bs /4p448735-12 Daikin 5018274
B3 page 1 Vis ftxa35b2v1bs /4p448735-12
Code article PEX: 681708
Daikin
Réf fabricant: 5018274
± 3 jours ouvrés
1,03 € TTC
Turbine de ventil. 4f032870-1 Daikin 5016237
C1 page 1 Turbine de ventil. 4f032870-1
Code article PEX: 455347
Daikin
Réf fabricant: 5016237
en stock
26,26 € TTC
Volet de balayage 3p395849-1 Daikin 5016238
C2 page 1 Volet de balayage 3p395849-1
Code article PEX: 455348
Daikin
Réf fabricant: 5016238
± 3 jours ouvrés
12,31 € TTC
Axe volet 4p294461-1 Daikin 5008272
C2-1 page 1 Axe volet 4p294461-1
Code article PEX: 452188
Daikin
Réf fabricant: 5008272
en stock
1,15 € TTC
Filtre a air 347 x 307 1p344735-1 Daikin 7900093
C3 page 1 Filtre a air 347 x 307 1p344735-1
Code article PEX: 458412
Daikin
Réf fabricant: 7900093
 
obsolète
 
E1 page 1 Switch box
 
Daikin
Réf fabricant: 5016239
avec délai
sur devis
Vis ha4114-04-25 Daikin 174888J
E11 page 1 Vis ha4114-04-25
Code article PEX: 442370
Daikin
Réf fabricant: 174888J
± 3 jours ouvrés
2,90 € TTC
E12 page 1 Cover/ operation sign (infrared)
 
Daikin
Réf fabricant: 5016245
avec délai
sur devis
Harnais 4p342484-1 Daikin 2218720
E13 page 1 Harnais 4p342484-1
Code article PEX: 445026
Daikin
Réf fabricant: 2218720
± 3 jours ouvrés
115,84 € TTC
Vis m4x16 ha41113-16 Daikin 121650J
E14 page 1 Vis m4x16 ha41113-16
Code article PEX: 438698
Daikin
Réf fabricant: 121650J
en stock
3,06 € TTC
Earth wire Daikin 6024959
E15 page 1 Earth wire
Code article PEX: 686842
Daikin
Réf fabricant: 6024959
± 3 jours ouvrés
4,42 € TTC
Moteur ventil mm6k11s20va 10p Daikin 6024960
E16 page 1 Moteur ventil mm6k11s20va 10p
Code article PEX: 457434
Daikin
Réf fabricant: 6024960
± 3 jours ouvrés
114,67 € TTC
Ensemble sonde 3e700017-2 Daikin 2217121
E17 page 1 Ensemble sonde 3e700017-2
Code article PEX: 445019
Daikin
Réf fabricant: 2217121
en stock
7,32 € TTC
Platine ex592 3p185701-5 Daikin 5017542
E18 page 1 Platine ex592 3p185701-5
Code article PEX: 455865
Daikin
Réf fabricant: 5017542
en stock
14,64 € TTC
Platine 3p400915-1 Daikin 5016240
E2 page 1 Platine 3p400915-1
Code article PEX: 455349
Daikin
Réf fabricant: 5016240
± 3 jours ouvrés
20,54 € TTC
Pcb assy ex13009-19a (d) Daikin 5037692
E3 page 1 Pcb assy ex13009-19a (d)
Code article PEX: 684149
Daikin
Réf fabricant: 5037692
± 3 jours ouvrés
311,39 € TTC
Fusible 21533.15 3eb82016-1 Daikin 153875J
E3-1 page 1 Fusible 21533.15 3eb82016-1
Code article PEX: 440936
Daikin
Réf fabricant: 153875J
± 3 jours ouvrés
7,58 € TTC
Varistance 3eb71012-1 Daikin 113954J
E3-2 page 1 Varistance 3eb71012-1
Code article PEX: 438212
Daikin
Réf fabricant: 113954J
en stock
5,90 € TTC
Platine pcb3 - s21 a4p 3p166094-3 Daikin 5016241
E3-3 page 1 Platine pcb3 - s21 a4p 3p166094-3
Code article PEX: 455351
Daikin
Réf fabricant: 5016241
± 3 jours ouvrés
62,82 € TTC
Plaque protection 1p396007-1 Daikin 5016242
E4 page 1 Plaque protection 1p396007-1
Code article PEX: 455352
Daikin
Réf fabricant: 5016242
± 3 jours ouvrés
6,60 € TTC
Plaque protection (2) 1p396771-1 Daikin 5016243
E5 page 1 Plaque protection (2) 1p396771-1
Code article PEX: 681481
Daikin
Réf fabricant: 5016243
± 3 jours ouvrés
5,14 € TTC
Bornier- x1m - tb-etx-4pa-d1- 3sb45571-1 Daikin 1724688
E6 page 1 Bornier- x1m - tb-etx-4pa-d1- 3sb45571-1
Code article PEX: 442283
Daikin
Réf fabricant: 1724688
± 3 jours ouvrés
9,67 € TTC
Fixation cable Daikin 0812847
E7 page 1 Fixation cable
Code article PEX: 436535
Daikin
Réf fabricant: 0812847
± 3 jours ouvrés
1,19 € TTC
E8 page 1 Cover/ indication lamp
 
Daikin
Réf fabricant: 5016244
avec délai
sur devis
Socle complet 1p397353-1 Daikin 5016246
F1 page 1 Socle complet 1p397353-1
Code article PEX: 681482
Daikin
Réf fabricant: 5016246
± 3 jours ouvrés
106,94 € TTC
Bouchon bac a condensat 3pb34652-1 Daikin 066228J
F1-10 page 1 Bouchon bac a condensat 3pb34652-1
Code article PEX: 435907
Daikin
Réf fabricant: 066228J
en stock
4,03 € TTC
Tube d evacuation 3p266403-1 Daikin 5012608
F1-11 page 1 Tube d evacuation 3p266403-1
Code article PEX: 453885
Daikin
Réf fabricant: 5012608
± 3 jours ouvrés
8,06 € TTC
Ens. grille proection ventil 3p397038-1 Daikin 5016254
F1-12 page 1 Ens. grille proection ventil 3p397038-1
Code article PEX: 455356
Daikin
Réf fabricant: 5016254
± 3 jours ouvrés
8,22 € TTC
F1-14 page 1 Sealing material (bottom frame)
 
Daikin
Réf fabricant: 5016255
avec délai
sur devis
Vis de fixation 4sb00088-12 Daikin 170429J
F1-15 page 1 Vis de fixation 4sb00088-12
Code article PEX: 442096
Daikin
Réf fabricant: 170429J
± 3 jours ouvrés
1,15 € TTC
Volets verticaux 3p396878-1 Daikin 5016247
F1-2 page 1 Volets verticaux 3p396878-1
Code article PEX: 681483
Daikin
Réf fabricant: 5016247
± 3 jours ouvrés
12,90 € TTC
Grille de refoulement verticale 1p396855 Daikin 5016248
F1-2-1 page 1 Grille de refoulement verticale 1p396855
Code article PEX: 681484
Daikin
Réf fabricant: 5016248
± 3 jours ouvrés
5,14 € TTC
Moteur de balayage 20byj46-514 3s470001 Daikin 2217145
F1-4 page 1 Moteur de balayage 20byj46-514 3s470001
Code article PEX: 445020
Daikin
Réf fabricant: 2217145
± 3 jours ouvrés
39,76 € TTC
Arbre ventilation 3p396892-1_c Daikin 5016249
F1-5 page 1 Arbre ventilation 3p396892-1_c
Code article PEX: 455353
Daikin
Réf fabricant: 5016249
± 3 jours ouvrés
1,03 € TTC
Palier 4p396879-1 Daikin 5016250
F1-6 page 1 Palier 4p396879-1
Code article PEX: 455354
Daikin
Réf fabricant: 5016250
± 3 jours ouvrés
5,28 € TTC
Plaque montage palier 2p396880-1 Daikin 5016251
F1-6-1 page 1 Plaque montage palier 2p396880-1
Code article PEX: 681485
Daikin
Réf fabricant: 5016251
± 3 jours ouvrés
1,03 € TTC
Palier 4p102621-2 Daikin 156867J
F1-6-2 page 1 Palier 4p102621-2
Code article PEX: 441059
Daikin
Réf fabricant: 156867J
en stock
5,06 € TTC
F1-8 page 1 Thermal insulation (rear)
 
Daikin
Réf fabricant: 5016252
avec délai
sur devis
Isolation termique avant 3p396825-1 Daikin 5016253
F1-9 page 1 Isolation termique avant 3p396825-1
Code article PEX: 455355
Daikin
Réf fabricant: 5016253
en stock
8,80 € TTC
F11 page 1 Piping fixture
 
Daikin
Réf fabricant: 5016263
avec délai
sur devis
Couvercle moteur 2p396751-1 Daikin 5016264
F12 page 1 Couvercle moteur 2p396751-1
Code article PEX: 455362
Daikin
Réf fabricant: 5016264
± 3 jours ouvrés
5,14 € TTC
Couvercle moteur 3p396572-1 Daikin 5016265
F13 page 1 Couvercle moteur 3p396572-1
Code article PEX: 455363
Daikin
Réf fabricant: 5016265
± 3 jours ouvrés
8,80 € TTC
Emballage 3p344837-1 Daikin 6023946
F14 page 1 Emballage 3p344837-1
Code article PEX: 457394
Daikin
Réf fabricant: 6023946
± 3 jours ouvrés
5,87 € TTC
Pallier de ventilation 4p102621-1 Daikin 146817J
F15 page 1 Pallier de ventilation 4p102621-1
Code article PEX: 440447
Daikin
Réf fabricant: 146817J
± 3 jours ouvrés
11,62 € TTC
Vis m4x16 ha41113-16 Daikin 121650J
F17 page 1 Vis m4x16 ha41113-16
Code article PEX: 438698
Daikin
Réf fabricant: 121650J
en stock
3,06 € TTC
Panneau indication 3p364935-1 Daikin 7900109
F18 page 1 Panneau indication 3p364935-1
Code article PEX: 458417
Daikin
Réf fabricant: 7900109
± 3 jours ouvrés
21,28 € TTC
Plaque laterale (droite) Daikin 5016256
F2 page 1 Plaque laterale (droite)
Code article PEX: 455358
Daikin
Réf fabricant: 5016256
± 3 jours ouvrés
9,38 € TTC
Facade 1p399898-1_c Daikin 5016257
F4 page 1 Facade 1p399898-1_c
Code article PEX: 455359
Daikin
Réf fabricant: 5016257
± 3 jours ouvrés
106,72 € TTC
Facade 3p398089-1 Daikin 5016259
F4-2 page 1 Facade 3p398089-1
Code article PEX: 455361
Daikin
Réf fabricant: 5016259
± 3 jours ouvrés
48,02 € TTC
Couvercle service 3p397172-1 Daikin 5016261
F7 page 1 Couvercle service 3p397172-1
Code article PEX: 681487
Daikin
Réf fabricant: 5016261
± 3 jours ouvrés
11,74 € TTC
Sealing plate Daikin 5016262
F9 page 1 Sealing plate
Code article PEX: 681488
Daikin
Réf fabricant: 5016262
± 3 jours ouvrés
7,63 € TTC
K10 page 1 Cushion (eps) l
 
Daikin
Réf fabricant: 5016267
avec délai
sur devis
K11 page 1 Cushion (eps) r
 
Daikin
Réf fabricant: 5016268
avec délai
sur devis
K12 page 1 Packing case
 
Daikin
Réf fabricant: 5016269
avec délai
sur devis
K2 page 1 Remote controller assy.
 
Daikin
Réf fabricant: 6025239
avec délai
sur devis
Support telecommande 2p207994-2 Daikin 7900110
K3 page 1 Support telecommande 2p207994-2
Code article PEX: 458418
Daikin
Réf fabricant: 7900110
± 3 jours ouvrés
14,06 € TTC
Kit vis 3sb73031-39 Daikin 5012434
K5 page 1 Kit vis 3sb73031-39
Code article PEX: 453820
Daikin
Réf fabricant: 5012434
± 3 jours ouvrés
1,03 € TTC
K7 page 1 Air filter assy. (pack)
 
Daikin
Réf fabricant: _
avec délai
sur devis
Filtre photocatalytique ftxs20-35dvmw Daikin 1840489
K7-1 page 1 Filtre photocatalytique ftxs20-35dvmw
Code article PEX: 458828
Daikin
Réf fabricant: 1840489
en stock
12,83 € TTC
Tole montage unite mural 1p397268-1 Daikin 5016266
K8 page 1 Tole montage unite mural 1p397268-1
Code article PEX: 455365
Daikin
Réf fabricant: 5016266
± 3 jours ouvrés
12,31 € TTC
Couvercle de produit 4p352323-1 Daikin 5012613
K9 page 1 Couvercle de produit 4p352323-1
Code article PEX: 681291
Daikin
Réf fabricant: 5012613
± 3 jours ouvrés
2,06 € TTC


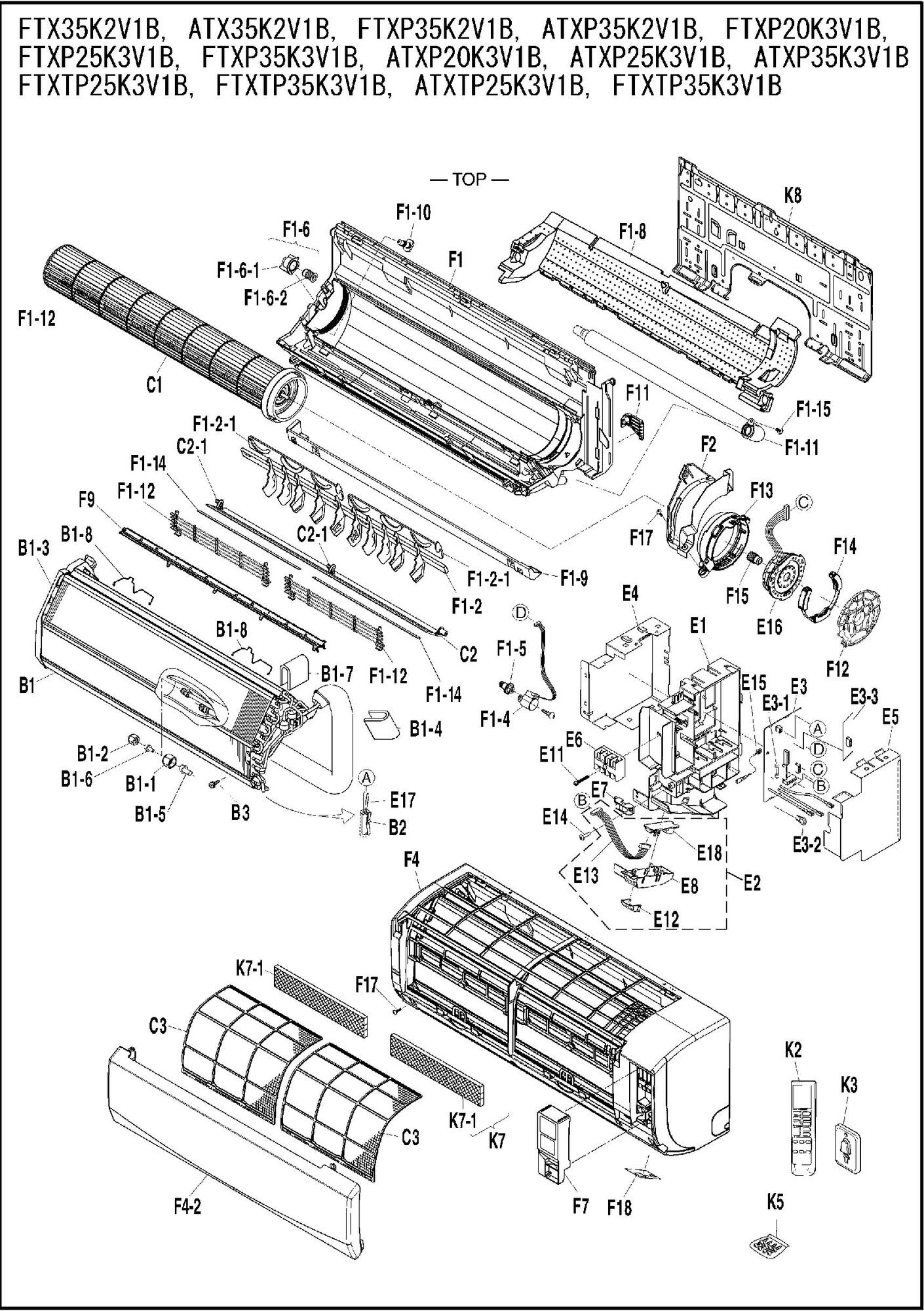
Dans cette page vous trouverez l'ensemble des articles et pièces détachées de chaufferie qui composent la nomenclature Unité interne Daikin FTXP20K3V1B ainsi que des liens vers les articles Daikin. En parcourant la page Daikin, vous pourrez également trouver toutes les pièces Daikin présentes chez Pièces Express. L'indication de stock vous permet de savoir si la pièce détachée est disponible dans notre stock central ou bien avec un délai fournisseur. Dans ce dernier cas, renseignez vous, nous commandons très régulièrement chez chacun de nos fournisseurs, nous pouvons donc certainement répondre à votre besoin rapidement.

Nos marques
Nos catalogues
Nos outils
Nos gicleurs fioul
Nos bougies pour poêles à pellets
Pièces détachées de chauffage et climatisation
PIÈCES EXPRESS
1 rue Philippe LEBON
ZA Henri Spriet
14120 MONDEVILLE
Téléphone: 02 14 47 16 10
Siret: 790 553 242 00013
Tva: FR 38 790553242

4.7
149 avis