Pièces détachées de chauffage et climatisation
Plus de 650 000 références fabricants disponibles
Livraison en France et en Belgique
MARQUES ▾
CATALOGUES ▾
VUES ÉCLATÉES ▾ CODES DÉFAUTS ▾
OUTILS DE RECHERCHE ▾
FAQ / TUTOS
DÉSTOCKAGE
>
VOTRE RECHERCHE

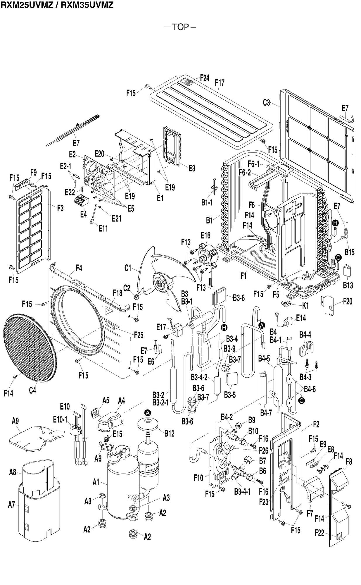
Unité externe Daikin RXM35UVMZ



page 1
Pièces détachées Unité externe Daikin RXM35UVMZ chez Pièces Express


Référence fabricant
Position Schéma
4013821 Compresseur 1yc25fxd#a 1YC25FXD#A A1
091532J Sylinbloc ex0915328 A2
4010410 Washer (nut with washer) M8-P1.25 A3
126264J Couvercle de borne 3pd03148-1 A4
040139J Silent bloc 1mu28nfv A5
380620J Support klixon ak3468 A6
4016524 Sound insulation (outside trunk) A7
4016525 Sound insulation (inside trunk) A8
4016526 Sound insulation (top) A9
4016573 Cross-fin condenser assy. B1
4016026 Heat exchanger fixing band B1-1
1753314 Capuchon de valve 3sb58148-1 1/4IN. B10
111898J Sound absorbing putty B12
116681J Putty B13
380120J Clips blocage sonde r4610281-1 B15
_ Four way valve assy. B3
1964138 Corps vanne 4 voie shf-4h-23u-p-dj SHF-4H-23U-P-DC B3-1
_ Discharge pipe assy. B3-2
117029J Silencieux 4pb39112-4 B3-2-1
_ Gas stop valve assy. B3-4
4017219 Gas stop valve assy. (sub) B3-4-1
1406207 Silencieux B3-4-2
2221137 Putty B3-5
980754J Vibration absorber/ ref. piping B3-6
980761J Support hg 4001-ki B3-7
1754285 Putty B3-8
980753J Vibration absorber/ ref. piping B3-9
_ Electronic exp. valve assy. B4
1980882 Corps vanne mot.cbm-bd16dm-1 CBM-BD16DM-1 B4-1
4017220 Liquid stop valve assy. (sub) B4-2
148403J Strainer 200MESH B4-3
138349J Putty 4p099955-1 B4-4
4016574 Liquid receiver B4-5
138233J Filtre tuyeauterie 4p069391-1 150MESH B4-6
1708213 Soundproof putty B4-7
2158703 Cap/ stop valve B6
119848J Ecrou 3/8 r18/25d FNSF3 U5/8 D9.5CUT B7
1723546 Raccord flare 1/4 ftxs-f FNSF2 U7/16 D6.4CUT B9
2217897 Propeller fan C1
847002J Ecrou helice m6 x 8 ha4017 M6X 8 C2
4016575 Suction grille C3
4016531 Discharge grille C4
4016532 Switch box E1
4016535 Wire harness (for comp.) E10
6019188 Ferrite core E10-1
4016536 Earth wire E11
4023717 Coil/ electronic exp. valve CAM-MD12DM-165 E14
622418J H_klixon hl3104-4 cs7 nfz250-130/95 OFF/ON=130/95DEG. E15
4022911 Single phase ac fan motor 8P 50W E16
150426J Bobine vanne 4 voies 4p116067-3 SQ-188 SHF-4-10W2 E17
_ Truss head tapping screw M4X 12 E19
4019138 Printed circuit board assy. EX14005-2J E2
131316J Fusible 3.15a / 250v / 3eb82015-1 2153.15MXF34P 250V 3.15A E2-1
_ Tapping screw M4X 12 E20
_ Tapping screw M4X 12 E21
_ Pan head tapping screw M4X 30 E22
4016533 Mounting plate (heat sink) E3
139734J Bornier rxg25cvmb TB-ETW-4P-D1 E4
4015929 Machine screw with washer E5
1728781 Support sonde 4p170372-1 [02143026] E6
4016534 Thermistor assy. 1SET=3PCS. E7
059080J Support collier fixation cable 3pb30973- E8
059320J Mousse isolation 4pb30947-1 E9
4016538 Bottom frame F1
4016546 Stop valve mounting plate F10
_ Washer faced head tapping screw [70113001] M4 F13
_ Truss head tapping screw M4X 12 F14
_ Hex. head tapping screw M4X 12 F15
_ Pan head tapping screw M5X 16 F16
4016547 Top plate assy. F17
1853966 Etiquette daikin 3sb61287-5 F18
4016576 Side plate (right) F2
4016577 Mounting plate (auxiliary heat exch.) F20
4023092 Product liability caution label F22
4901296 Caution label (diesel explosion) F23
4011522 Label F24
4015454 Etiquette inverter (r32) 3p363579-1 F25
4016548 Spacer F26
4016540 Side plate (left) F3
4016541 Front plate F4
4016542 Partition plate F5
4016543 Fan motor stand assy. F6
4025474 Sealing material F6-1
4025475 Sealing material F6-2
4016544 Radiation shield plate F7
4016545 Stop valve cover assy. F8
4015625 Handle (left) F9
058956J Coude evacuation condensat 4pb32246-1 K1


Les images des vues éclatées peuvent contenir des prix datant de plusieurs années, merci de ne pas en tenir compte










Pièces détachées contenues dans cet appareil Unité externe Daikin RXM35UVMZ



Photo Position vue éclatée Article Référence fabricant Disponibilité et prix  
Compresseur 1yc25fxd#a Daikin 4013821
A1 page 1 Compresseur 1yc25fxd#a
Code article PEX: 448731
Daikin
Réf fabricant: 4013821
± 3 jours ouvrés
879,64 € TTC
Sylinbloc ex0915328 Daikin 091532J
A2 page 1 Sylinbloc ex0915328
Code article PEX: 436739
Daikin
Réf fabricant: 091532J
± 3 jours ouvrés
25,42 € TTC
A3 page 1 Washer (nut with washer)
 
Daikin
Réf fabricant: 4010410
avec délai
sur devis
Couvercle de borne 3pd03148-1 Daikin 126264J
A4 page 1 Couvercle de borne 3pd03148-1
Code article PEX: 438940
Daikin
Réf fabricant: 126264J
± 3 jours ouvrés
13,58 € TTC
Silent bloc 1mu28nfv Daikin 040139J
A5 page 1 Silent bloc 1mu28nfv
Code article PEX: 434908
Daikin
Réf fabricant: 040139J
± 3 jours ouvrés
9,48 € TTC
Support klixon ak3468 Daikin 380620J
A6 page 1 Support klixon ak3468
Code article PEX: 447595
Daikin
Réf fabricant: 380620J
en stock
6,35 € TTC
A7 page 1 Sound insulation (outside trunk)
 
Daikin
Réf fabricant: 4016524
avec délai
sur devis
A8 page 1 Sound insulation (inside trunk)
 
Daikin
Réf fabricant: 4016525
avec délai
sur devis
A9 page 1 Sound insulation (top)
 
Daikin
Réf fabricant: 4016526
avec délai
sur devis
B1 page 1 Cross-fin condenser assy.
 
Daikin
Réf fabricant: 4016573
avec délai
sur devis
B1-1 page 1 Heat exchanger fixing band
 
Daikin
Réf fabricant: 4016026
avec délai
sur devis
Capuchon de valve 3sb58148-1 Daikin 1753314
B10 page 1 Capuchon de valve 3sb58148-1
Code article PEX: 679394
Daikin
Réf fabricant: 1753314
± 3 jours ouvrés
14,18 € TTC
B12 page 1 Sound absorbing putty
 
Daikin
Réf fabricant: 111898J
avec délai
sur devis
B13 page 1 Putty
 
Daikin
Réf fabricant: 116681J
avec délai
sur devis
Clips blocage sonde r4610281-1 Daikin 380120J
B15 page 1 Clips blocage sonde r4610281-1
Code article PEX: 447586
Daikin
Réf fabricant: 380120J
± 3 jours ouvrés
1,48 € TTC
B3 page 1 Four way valve assy.
 
Daikin
Réf fabricant: _
avec délai
sur devis
Corps vanne 4 voie shf-4h-23u-p-dj Daikin 1964138
B3-1 page 1 Corps vanne 4 voie shf-4h-23u-p-dj
Code article PEX: 443861
Daikin
Réf fabricant: 1964138
± 3 jours ouvrés
118,72 € TTC
B3-2 page 1 Discharge pipe assy.
 
Daikin
Réf fabricant: _
avec délai
sur devis
Silencieux 4pb39112-4 Daikin 117029J
B3-2-1 page 1 Silencieux 4pb39112-4
Code article PEX: 438309
Daikin
Réf fabricant: 117029J
± 3 jours ouvrés
36,86 € TTC
B3-4 page 1 Gas stop valve assy.
 
Daikin
Réf fabricant: _
avec délai
sur devis
B3-4-1 page 1 Gas stop valve assy. (sub)
 
Daikin
Réf fabricant: 4017219
avec délai
sur devis
Silencieux Daikin 1406207
B3-4-2 page 1 Silencieux
Code article PEX: 440000
Daikin
Réf fabricant: 1406207
± 3 jours ouvrés
10,78 € TTC
B3-5 page 1 Putty
 
Daikin
Réf fabricant: 2221137
avec délai
sur devis
B3-6 page 1 Vibration absorber/ ref. piping
 
Daikin
Réf fabricant: 980754J
avec délai
sur devis
Support hg 4001-ki Daikin 980761J
B3-7 page 1 Support hg 4001-ki
Code article PEX: 458817
Daikin
Réf fabricant: 980761J
± 3 jours ouvrés
sur devis
B3-8 page 1 Putty
 
Daikin
Réf fabricant: 1754285
avec délai
sur devis
B3-9 page 1 Vibration absorber/ ref. piping
 
Daikin
Réf fabricant: 980753J
avec délai
sur devis
B4 page 1 Electronic exp. valve assy.
 
Daikin
Réf fabricant: _
avec délai
sur devis
Corps vanne mot.cbm-bd16dm-1 Daikin 1980882
B4-1 page 1 Corps vanne mot.cbm-bd16dm-1
Code article PEX: 443986
Daikin
Réf fabricant: 1980882
± 3 jours ouvrés
82,87 € TTC
B4-2 page 1 Liquid stop valve assy. (sub)
 
Daikin
Réf fabricant: 4017220
avec délai
sur devis
B4-3 page 1 Strainer
 
Daikin
Réf fabricant: 148403J
avec délai
sur devis
Putty 4p099955-1 Daikin 138349J
B4-4 page 1 Putty 4p099955-1
Code article PEX: 439672
Daikin
Réf fabricant: 138349J
± 3 jours ouvrés
42,40 € TTC
B4-5 page 1 Liquid receiver
 
Daikin
Réf fabricant: 4016574
avec délai
sur devis
Filtre tuyeauterie 4p069391-1 Daikin 138233J
B4-6 page 1 Filtre tuyeauterie 4p069391-1
Code article PEX: 439670
Daikin
Réf fabricant: 138233J
± 3 jours ouvrés
43,70 € TTC
B4-7 page 1 Soundproof putty
 
Daikin
Réf fabricant: 1708213
avec délai
sur devis
Cap/ stop valve Daikin 2158703
B6 page 1 Cap/ stop valve
Code article PEX: 679604
Daikin
Réf fabricant: 2158703
± 3 jours ouvrés
10,84 € TTC
Ecrou 3/8 r18/25d Daikin 119848J
B7 page 1 Ecrou 3/8 r18/25d
Code article PEX: 438520
Daikin
Réf fabricant: 119848J
± 3 jours ouvrés
33,10 € TTC
Raccord flare 1/4 ftxs-f Daikin 1723546
B9 page 1 Raccord flare 1/4 ftxs-f
Code article PEX: 442271
Daikin
Réf fabricant: 1723546
± 3 jours ouvrés
15,38 € TTC
C1 page 1 Propeller fan
 
Daikin
Réf fabricant: 2217897
avec délai
sur devis
Ecrou helice m6 x 8 ha4017 Daikin 847002J
C2 page 1 Ecrou helice m6 x 8 ha4017
Code article PEX: 458433
Daikin
Réf fabricant: 847002J
en stock
13,42 € TTC
C3 page 1 Suction grille
 
Daikin
Réf fabricant: 4016575
avec délai
sur devis
C4 page 1 Discharge grille
 
Daikin
Réf fabricant: 4016531
avec délai
sur devis
E1 page 1 Switch box
 
Daikin
Réf fabricant: 4016532
avec délai
sur devis
E10 page 1 Wire harness (for comp.)
 
Daikin
Réf fabricant: 4016535
avec délai
sur devis
E10-1 page 1 Ferrite core
 
Daikin
Réf fabricant: 6019188
avec délai
sur devis
E11 page 1 Earth wire
 
Daikin
Réf fabricant: 4016536
avec délai
sur devis
E14 page 1 Coil/ electronic exp. valve
 
Daikin
Réf fabricant: 4023717
avec délai
sur devis
H_klixon hl3104-4 cs7 nfz250-130/95 Daikin 622418J
E15 page 1 H_klixon hl3104-4 cs7 nfz250-130/95
Code article PEX: 457689
Daikin
Réf fabricant: 622418J
± 3 jours ouvrés
6,10 € TTC
E16 page 1 Single phase ac fan motor
 
Daikin
Réf fabricant: 4022911
avec délai
sur devis
Bobine vanne 4 voies 4p116067-3 Daikin 150426J
E17 page 1 Bobine vanne 4 voies 4p116067-3
Code article PEX: 440705
Daikin
Réf fabricant: 150426J
± 3 jours ouvrés
17,58 € TTC
E19 page 1 Truss head tapping screw
 
Daikin
Réf fabricant: _
avec délai
sur devis
E2 page 1 Printed circuit board assy.
 
Daikin
Réf fabricant: 4019138
avec délai
sur devis
Fusible 3.15a / 250v / 3eb82015-1 Daikin 131316J
E2-1 page 1 Fusible 3.15a / 250v / 3eb82015-1
Code article PEX: 439342
Daikin
Réf fabricant: 131316J
en stock
22,51 € TTC
E20 page 1 Tapping screw
 
Daikin
Réf fabricant: _
avec délai
sur devis
E3 page 1 Mounting plate (heat sink)
 
Daikin
Réf fabricant: 4016533
avec délai
sur devis
Bornier rxg25cvmb Daikin 139734J
E4 page 1 Bornier rxg25cvmb
Code article PEX: 439933
Daikin
Réf fabricant: 139734J
± 3 jours ouvrés
36,24 € TTC
E5 page 1 Machine screw with washer
 
Daikin
Réf fabricant: 4015929
avec délai
sur devis
Support sonde 4p170372-1 Daikin 1728781
E6 page 1 Support sonde 4p170372-1
Code article PEX: 442311
Daikin
Réf fabricant: 1728781
± 3 jours ouvrés
21,10 € TTC
E7 page 1 Thermistor assy.
 
Daikin
Réf fabricant: 4016534
avec délai
sur devis
Support collier fixation cable 3pb30973- Daikin 059080J
E8 page 1 Support collier fixation cable 3pb30973-
Code article PEX: 435401
Daikin
Réf fabricant: 059080J
± 3 jours ouvrés
9,06 € TTC
Mousse isolation 4pb30947-1 Daikin 059320J
E9 page 1 Mousse isolation 4pb30947-1
Code article PEX: 435411
Daikin
Réf fabricant: 059320J
± 3 jours ouvrés
12,58 € TTC
F1 page 1 Bottom frame
 
Daikin
Réf fabricant: 4016538
avec délai
sur devis
F10 page 1 Stop valve mounting plate
 
Daikin
Réf fabricant: 4016546
avec délai
sur devis
F13 page 1 Washer faced head tapping screw
 
Daikin
Réf fabricant: _
avec délai
sur devis
F17 page 1 Top plate assy.
 
Daikin
Réf fabricant: 4016547
avec délai
sur devis
Etiquette daikin 3sb61287-5 Daikin 1853966
F18 page 1 Etiquette daikin 3sb61287-5
Code article PEX: 443336
Daikin
Réf fabricant: 1853966
± 3 jours ouvrés
34,15 € TTC
F2 page 1 Side plate (right)
 
Daikin
Réf fabricant: 4016576
avec délai
sur devis
F20 page 1 Mounting plate (auxiliary heat exch.)
 
Daikin
Réf fabricant: 4016577
avec délai
sur devis
F22 page 1 Product liability caution label
 
Daikin
Réf fabricant: 4023092
avec délai
sur devis
F23 page 1 Caution label (diesel explosion)
 
Daikin
Réf fabricant: 4901296
avec délai
sur devis
F24 page 1 Label
 
Daikin
Réf fabricant: 4011522
avec délai
sur devis
Etiquette inverter (r32) 3p363579-1 Daikin 4015454
F25 page 1 Etiquette inverter (r32) 3p363579-1
Code article PEX: 448832
Daikin
Réf fabricant: 4015454
± 3 jours ouvrés
7,51 € TTC
F26 page 1 Spacer
 
Daikin
Réf fabricant: 4016548
avec délai
sur devis
F3 page 1 Side plate (left)
 
Daikin
Réf fabricant: 4016540
avec délai
sur devis
F4 page 1 Front plate
 
Daikin
Réf fabricant: 4016541
avec délai
sur devis
F5 page 1 Partition plate
 
Daikin
Réf fabricant: 4016542
avec délai
sur devis
F6 page 1 Fan motor stand assy.
 
Daikin
Réf fabricant: 4016543
avec délai
sur devis
F6-1 page 1 Sealing material
 
Daikin
Réf fabricant: 4025474
avec délai
sur devis
F6-2 page 1 Sealing material
 
Daikin
Réf fabricant: 4025475
avec délai
sur devis
F7 page 1 Radiation shield plate
 
Daikin
Réf fabricant: 4016544
avec délai
sur devis
F8 page 1 Stop valve cover assy.
 
Daikin
Réf fabricant: 4016545
avec délai
sur devis
F9 page 1 Handle (left)
 
Daikin
Réf fabricant: 4015625
avec délai
sur devis
Coude evacuation condensat 4pb32246-1 Daikin 058956J
K1 page 1 Coude evacuation condensat 4pb32246-1
Code article PEX: 435391
Daikin
Réf fabricant: 058956J
en stock
22,74 € TTC


Dans cette page vous trouverez l'ensemble des articles et pièces détachées de chaufferie qui composent la nomenclature Unité externe Daikin RXM35UVMZ ainsi que des liens vers les articles Daikin. En parcourant la page Daikin, vous pourrez également trouver toutes les pièces Daikin présentes chez Pièces Express. L'indication de stock vous permet de savoir si la pièce détachée est disponible dans notre stock central ou bien avec un délai fournisseur. Dans ce dernier cas, renseignez vous, nous commandons très régulièrement chez chacun de nos fournisseurs, nous pouvons donc certainement répondre à votre besoin rapidement.

Nos marques
Nos catalogues
Nos outils
Nos gicleurs fioul
Nos bougies pour poêles à pellets
Pièces détachées de chauffage et climatisation
PIÈCES EXPRESS
1 rue Philippe LEBON
ZA Henri Spriet
14120 MONDEVILLE
Téléphone: 02 14 47 16 10
Siret: 790 553 242 00013
Tva: FR 38 790553242