Pièces détachées de chauffage et climatisation
Plus de 650 000 références fabricants disponibles
Livraison en France et en Belgique
MARQUES ▾
CATALOGUES ▾
VUES ÉCLATÉES ▾ CODES DÉFAUTS ▾
OUTILS DE RECHERCHE ▾
FAQ / TUTOS
DÉSTOCKAGE
>
VOTRE RECHERCHE

Groupe extérieur TECHNIBEL PHIE 125 FAA



page 1
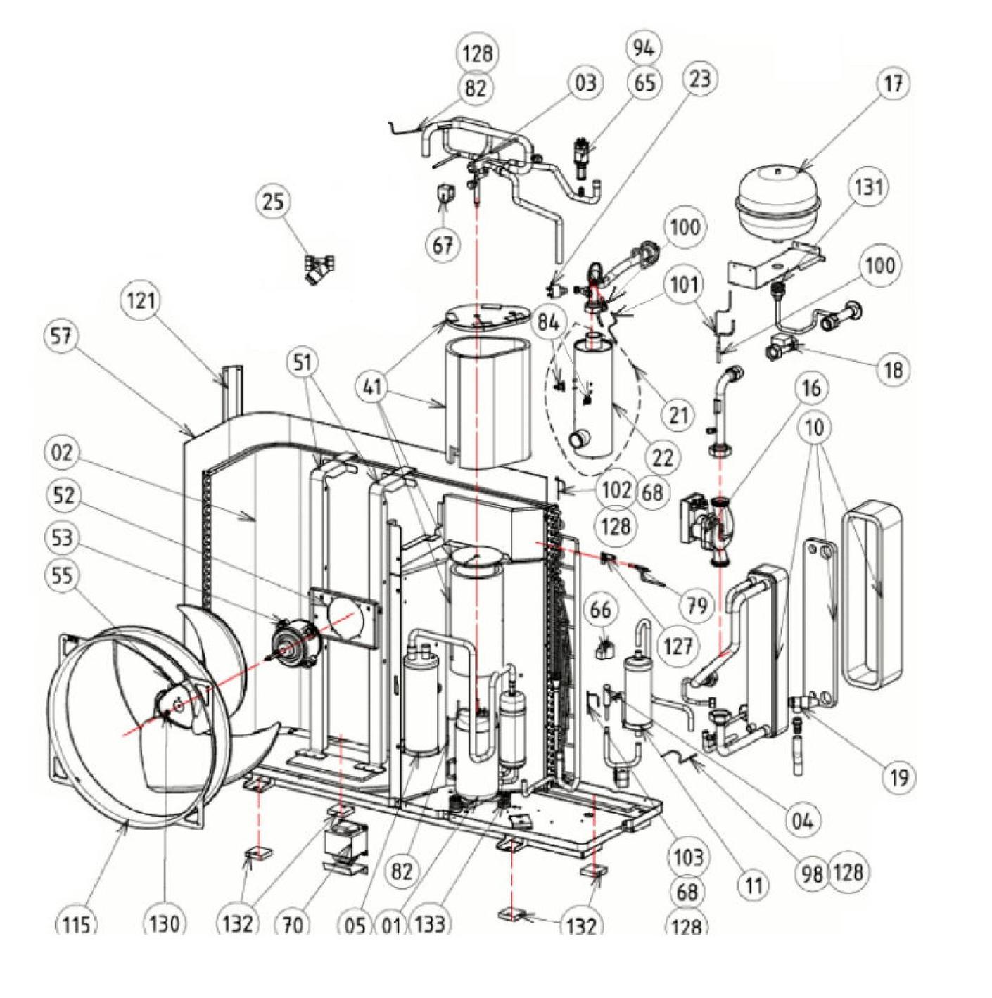
Pièces détachées Groupe extérieur TECHNIBEL PHIE 125 FAA chez Pièces Express


Référence fabricant
Position Schéma
9901141 Cp c-6rvn103hos 124/3/60 1
9901092 Ens. batterie phrie-phie 9-12 2
9900569 V4v stf0306g -3x3/4-1/2 odf 3
9901093 Detendeur ukv 18d 4
9900935 Bouteille liquide asp. 1.6l 5
9901142 Eau gbh240h-32 5/8 1/2 7/8 2m8 10
9901095 Reservoir 0.7l 11
9900937 Circulateur stratos para25-1-7 16
9901096 Vase d expansion 4l 17
9900763 Controleur debit 9l/mn on 18
9901280 Detecteur debit 4,5l/mn sika 18
9900664 Soupape securite 3b 1/2 mf 19
9900669 Manometre 6b d50 + etrie 20
9901097 Ens. rechauff. 3x1,5kw 21
9901098 Rechauffeur 3 x 1.5kw 22
9900025 Pressostat d eau 1/4g pc5412 23
9900760 Filtre a tamis taraude 3/4 25
9901099 Capotage compresseur 41
9901100 Montant support ventil 51
9900786 Support moteur 52
9901101 Moteur ventil 53
9900789 Helice 3 pales 55
9900790 Grille de soufflage 56
9901103 Grillage protection plastique 57
9900945 Capteur pression 506 0/50bar 65
9901104 Bobine detendeur 66
9901105 Bobine vanne 4v 67
9901143 Ens.carte commande 3hp 68
9901114 Self r502ad-tb 70
9901132 Fusible 250v-25a 71
9901108 Ens. bornier phrie- phie 77
9901109 Sonde air batterie (to) 79
9901267 Sonde aspiration 82
9900809 Sonde temp. refoul. comp. 83
9901255 Ens. thermostats de securite 84
9901203 Carte communication-cde cwc2 87
9900030 Disjoncteur 1p+n 2a 88
9900681 Carte cde chauff. inverter a1 90
9900024 Contacteur modulaire 20a 91
9900029 Disjoncteur 1p+n 20a 92
9900766 Relais 2rt 8a 230v 93
9900948 Cable capteur pression 94
9900687 Sonde temp circuit frig - e1 98
9900028 Sonde temp. d eau dep.ret. 100
9900686 Sonde temperature eau-tw1-tw2 101
9901129 Sonde temp. batterie 102
9901130 Sonde temp. batterie 103
9901131 Couvercle boitier plastique 104
9900949 Virole plastique 115
9901123 Facade grill.simple phri-phie 116
9901124 Panneau avant phrie 095 117
9901125 Panneau lateral phrie-phie 118
9901126 Panneau arriere 119
9900954 Panneau superieur 120
9901127 Montant arriere 121
9900818 Support sonde batterie 127
9900819 Ressort sonde 128
9900821 Ecrou special 130
9900688 Contre ecrou 3/4 gaz+rondelle 131
9900848 Plaques antivibratiles 132
9901128 Ens. fixation compresseur 133
T1098368 Esploso chiller 3hp inverter 998
9901133 Ensemble emballage 0


Les images des vues éclatées peuvent contenir des prix datant de plusieurs années, merci de ne pas en tenir compte










Pièces détachées contenues dans cet appareil Groupe extérieur TECHNIBEL PHIE 125 FAA



Photo Position vue éclatée Article Référence fabricant Disponibilité et prix  
Cp c-6rvn103hos 124/3/60 Technibel 9901141
1 page 1 Cp c-6rvn103hos 124/3/60
Code article PEX: 465397
Technibel
Réf fabricant: 9901141
avec délai fournisseur
2 526,02 € TTC
Ens. batterie phrie-phie 9-12 Technibel 9901092
2 page 1 Ens. batterie phrie-phie 9-12
Code article PEX: 465364
Technibel
Réf fabricant: 9901092
avec délai fournisseur
2 556,49 € TTC
V4v stf0306g -3x3/4-1/2 odf Technibel 9900569
3 page 1 V4v stf0306g -3x3/4-1/2 odf
Code article PEX: 465130
Technibel
Réf fabricant: 9900569
avec délai fournisseur
199,42 € TTC
Detendeur ukv 18d Technibel 9901093
4 page 1 Detendeur ukv 18d
Code article PEX: 465365
Technibel
Réf fabricant: 9901093
avec délai fournisseur
176,39 € TTC
5 page 1 Bouteille liquide asp. 1.6l
 
Technibel
Réf fabricant: 9900935
avec délai
sur devis
Eau gbh240h-32 5/8 1/2 7/8 2m8 Technibel 9901142
10 page 1 Eau gbh240h-32 5/8 1/2 7/8 2m8
Code article PEX: 465398
Technibel
Réf fabricant: 9901142
avec délai fournisseur
1 554,01 € TTC
11 page 1 Reservoir 0.7l
 
Technibel
Réf fabricant: 9901095
avec délai
sur devis
Circulateur stratos para25-1-7 Technibel 9900937
16 page 1 Circulateur stratos para25-1-7
Code article PEX: 465317
Technibel
Réf fabricant: 9900937
 
obsolète
 
Vase d expansion 4l Technibel 9901096
17 page 1 Vase d expansion 4l
Code article PEX: 465367
Technibel
Réf fabricant: 9901096
avec délai fournisseur
284,38 € TTC
Controleur debit 9l/mn on Technibel 9900763
18 page 1 Controleur debit 9l/mn on
Code article PEX: 465235
Technibel
Réf fabricant: 9900763
avec délai fournisseur
sur devis
Detecteur debit 4,5l/mn sika Technibel 9901280
18 page 1 Detecteur debit 4,5l/mn sika
Code article PEX: 465441
Technibel
Réf fabricant: 9901280
en stock
369,58 € TTC
19 page 1 Soupape securite 3b 1/2 mf
 
Technibel
Réf fabricant: 9900664
avec délai
sur devis
Manometre 6b d50 + etrie Technibel 9900669
20 page 1 Manometre 6b d50 + etrie
Code article PEX: 526960
Technibel
Réf fabricant: 9900669
avec délai fournisseur
109,69 € TTC
Ens. rechauff. 3x1,5kw Technibel 9901097
21 page 1 Ens. rechauff. 3x1,5kw
Code article PEX: 465368
Technibel
Réf fabricant: 9901097
avec délai fournisseur
1 334,62 € TTC
22 page 1 Rechauffeur 3 x 1.5kw
 
Technibel
Réf fabricant: 9901098
avec délai
sur devis
Pressostat d eau 1/4g pc5412 Technibel 9900025
23 page 1 Pressostat d eau 1/4g pc5412
Code article PEX: 464867
Technibel
Réf fabricant: 9900025
avec délai fournisseur
145,70 € TTC
25 page 1 Filtre a tamis taraude 3/4
 
Technibel
Réf fabricant: 9900760
avec délai
sur devis
41 page 1 Capotage compresseur
 
Technibel
Réf fabricant: 9901099
avec délai
sur devis
51 page 1 Montant support ventil
 
Technibel
Réf fabricant: 9901100
avec délai
sur devis
Support moteur Technibel 9900786
52 page 1 Support moteur
Code article PEX: 465247
Technibel
Réf fabricant: 9900786
avec délai fournisseur
84,36 € TTC
Moteur ventil Technibel 9901101
53 page 1 Moteur ventil
Code article PEX: 465369
Technibel
Réf fabricant: 9901101
avec délai fournisseur
734,35 € TTC
Helice 3 pales Technibel 9900789
55 page 1 Helice 3 pales
Code article PEX: 465251
Technibel
Réf fabricant: 9900789
avec délai fournisseur
161,50 € TTC
Grille de soufflage Technibel 9900790
56 page 1 Grille de soufflage
Code article PEX: 465252
Technibel
Réf fabricant: 9900790
avec délai fournisseur
130,39 € TTC
57 page 1 Grillage protection plastique
 
Technibel
Réf fabricant: 9901103
avec délai
sur devis
Capteur pression 506 0/50bar Technibel 9900945
65 page 1 Capteur pression 506 0/50bar
Code article PEX: 465321
Technibel
Réf fabricant: 9900945
avec délai fournisseur
281,54 € TTC
Bobine detendeur Technibel 9901104
66 page 1 Bobine detendeur
Code article PEX: 465371
Technibel
Réf fabricant: 9901104
 
obsolète
 
Bobine vanne 4v Technibel 9901105
67 page 1 Bobine vanne 4v
Code article PEX: 465372
Technibel
Réf fabricant: 9901105
avec délai fournisseur
84,36 € TTC
Ens.carte commande 3hp Technibel 9901143
68 page 1 Ens.carte commande 3hp
Code article PEX: 465399
Technibel
Réf fabricant: 9901143
avec délai fournisseur
1 970,87 € TTC
Self r502ad-tb Technibel 9901114
70 page 1 Self r502ad-tb
Code article PEX: 465379
Technibel
Réf fabricant: 9901114
avec délai fournisseur
sur devis
Fusible 250v-25a Technibel 9901132
71 page 1 Fusible 250v-25a
Code article PEX: 465394
Technibel
Réf fabricant: 9901132
avec délai fournisseur
69,02 € TTC
Ens. bornier phrie- phie Technibel 9901108
77 page 1 Ens. bornier phrie- phie
Code article PEX: 465376
Technibel
Réf fabricant: 9901108
avec délai fournisseur
322,98 € TTC
Sonde air batterie (to) Technibel 9901109
79 page 1 Sonde air batterie (to)
Code article PEX: 465377
Technibel
Réf fabricant: 9901109
avec délai fournisseur
73,12 € TTC
Sonde aspiration Technibel 9901267
82 page 1 Sonde aspiration
Code article PEX: 465436
Technibel
Réf fabricant: 9901267
avec délai fournisseur
53,68 € TTC
Sonde temp. refoul. comp. Technibel 9900809
83 page 1 Sonde temp. refoul. comp.
Code article PEX: 465270
Technibel
Réf fabricant: 9900809
avec délai fournisseur
79,22 € TTC
Ens. thermostats de securite Technibel 9901255
84 page 1 Ens. thermostats de securite
Code article PEX: 465432
Technibel
Réf fabricant: 9901255
avec délai fournisseur
201,12 € TTC
Carte communication-cde cwc2 Technibel 9901203
87 page 1 Carte communication-cde cwc2
Code article PEX: 465407
Technibel
Réf fabricant: 9901203
avec délai fournisseur
688,63 € TTC
Disjoncteur 1p+n 2a Technibel 9900030
88 page 1 Disjoncteur 1p+n 2a
Code article PEX: 464873
Technibel
Réf fabricant: 9900030
avec délai fournisseur
107,38 € TTC
Carte cde chauff. inverter a1 Technibel 9900681
90 page 1 Carte cde chauff. inverter a1
Code article PEX: 465207
Technibel
Réf fabricant: 9900681
avec délai fournisseur
484,49 € TTC
Contacteur modulaire 20a Technibel 9900024
91 page 1 Contacteur modulaire 20a
Code article PEX: 464866
Technibel
Réf fabricant: 9900024
avec délai fournisseur
168,73 € TTC
Disjoncteur 1p+n 20a Technibel 9900029
92 page 1 Disjoncteur 1p+n 20a
Code article PEX: 464872
Technibel
Réf fabricant: 9900029
avec délai fournisseur
92,03 € TTC
Relais 2rt 8a 230v Technibel 9900766
93 page 1 Relais 2rt 8a 230v
Code article PEX: 465238
Technibel
Réf fabricant: 9900766
avec délai fournisseur
140,17 € TTC
Cable capteur pression Technibel 9900948
94 page 1 Cable capteur pression
Code article PEX: 465322
Technibel
Réf fabricant: 9900948
avec délai fournisseur
61,36 € TTC
Sonde temp circuit frig - e1 Technibel 9900687
98 page 1 Sonde temp circuit frig - e1
Code article PEX: 465211
Technibel
Réf fabricant: 9900687
avec délai fournisseur
79,22 € TTC
Sonde temp. d eau dep.ret. Technibel 9900028
100 page 1 Sonde temp. d eau dep.ret.
Code article PEX: 464871
Technibel
Réf fabricant: 9900028
avec délai fournisseur
107,38 € TTC
Sonde temperature eau-tw1-tw2 Technibel 9900686
101 page 1 Sonde temperature eau-tw1-tw2
Code article PEX: 465210
Technibel
Réf fabricant: 9900686
avec délai fournisseur
69,02 € TTC
Sonde temp. batterie Technibel 9901129
102 page 1 Sonde temp. batterie
Code article PEX: 465392
Technibel
Réf fabricant: 9901129
avec délai fournisseur
58,30 € TTC
Sonde temp. batterie Technibel 9901130
103 page 1 Sonde temp. batterie
Code article PEX: 465393
Technibel
Réf fabricant: 9901130
avec délai fournisseur
60,95 € TTC
104 page 1 Couvercle boitier plastique
 
Technibel
Réf fabricant: 9901131
avec délai
sur devis
Virole plastique Technibel 9900949
115 page 1 Virole plastique
Code article PEX: 465323
Technibel
Réf fabricant: 9900949
avec délai fournisseur
138,06 € TTC
Facade grill.simple phri-phie Technibel 9901123
116 page 1 Facade grill.simple phri-phie
Code article PEX: 465389
Technibel
Réf fabricant: 9901123
avec délai fournisseur
259,01 € TTC
Panneau avant phrie 095 Technibel 9901124
117 page 1 Panneau avant phrie 095
Code article PEX: 465390
Technibel
Réf fabricant: 9901124
avec délai fournisseur
161,05 € TTC
Panneau lateral phrie-phie Technibel 9901125
118 page 1 Panneau lateral phrie-phie
Code article PEX: 465391
Technibel
Réf fabricant: 9901125
avec délai fournisseur
243,76 € TTC
119 page 1 Panneau arriere
 
Technibel
Réf fabricant: 9901126
avec délai
sur devis
Panneau superieur Technibel 9900954
120 page 1 Panneau superieur
Code article PEX: 465329
Technibel
Réf fabricant: 9900954
avec délai fournisseur
255,96 € TTC
121 page 1 Montant arriere
 
Technibel
Réf fabricant: 9901127
avec délai
sur devis
Support sonde batterie Technibel 9900818
127 page 1 Support sonde batterie
Code article PEX: 465271
Technibel
Réf fabricant: 9900818
avec délai fournisseur
58,30 € TTC
128 page 1 Ressort sonde
 
Technibel
Réf fabricant: 9900819
avec délai
sur devis
Ecrou special Technibel 9900821
130 page 1 Ecrou special
Code article PEX: 465272
Technibel
Réf fabricant: 9900821
avec délai fournisseur
54,84 € TTC
Contre ecrou 3/4 gaz+rondelle Technibel 9900688
131 page 1 Contre ecrou 3/4 gaz+rondelle
Code article PEX: 465212
Technibel
Réf fabricant: 9900688
avec délai fournisseur
sur devis
132 page 1 Plaques antivibratiles
 
Technibel
Réf fabricant: 9900848
avec délai
sur devis
133 page 1 Ens. fixation compresseur
 
Technibel
Réf fabricant: 9901128
avec délai
sur devis
998 page 1 Esploso chiller 3hp inverter
 
Technibel
Réf fabricant: T1098368
avec délai
sur devis
  Ensemble emballage
 
Technibel
Réf fabricant: 9901133
avec délai
sur devis


Dans cette page vous trouverez l'ensemble des articles et pièces détachées de chaufferie qui composent la nomenclature Groupe extérieur TECHNIBEL PHIE 125 FAA ainsi que des liens vers les articles Technibel. En parcourant la page Technibel, vous pourrez également trouver toutes les pièces Technibel présentes chez Pièces Express. L'indication de stock vous permet de savoir si la pièce détachée est disponible dans notre stock central ou bien avec un délai fournisseur. Dans ce dernier cas, renseignez vous, nous commandons très régulièrement chez chacun de nos fournisseurs, nous pouvons donc certainement répondre à votre besoin rapidement.

Nos marques
Nos catalogues
Nos outils
Nos gicleurs fioul
Nos bougies pour poêles à pellets
Pièces détachées de chauffage et climatisation
PIÈCES EXPRESS
1 rue Philippe LEBON
ZA Henri Spriet
14120 MONDEVILLE
Téléphone: 02 14 47 16 10
Siret: 790 553 242 00013
Tva: FR 38 790553242