Pièces détachées de chauffage et climatisation
Plus de 650 000 références fabricants disponibles
Livraison en France et en Belgique
4.7
MARQUES ▾
CATALOGUES ▾
VUES ÉCLATÉES ▾ CODES DÉFAUTS ▾
OUTILS DE RECHERCHE ▾
FAQ / TUTOS
DÉSTOCKAGE
>
VOTRE RECHERCHE

Brûleur Viessmann VITOFLAME 200 VEKII 63 kW (7143167)



page 1
page 2
Pièces détachées Brûleur Viessmann VITOFLAME 200 VEKII 63 kW (7143167) chez Pièces Express


Référence fabricant
Position Schéma
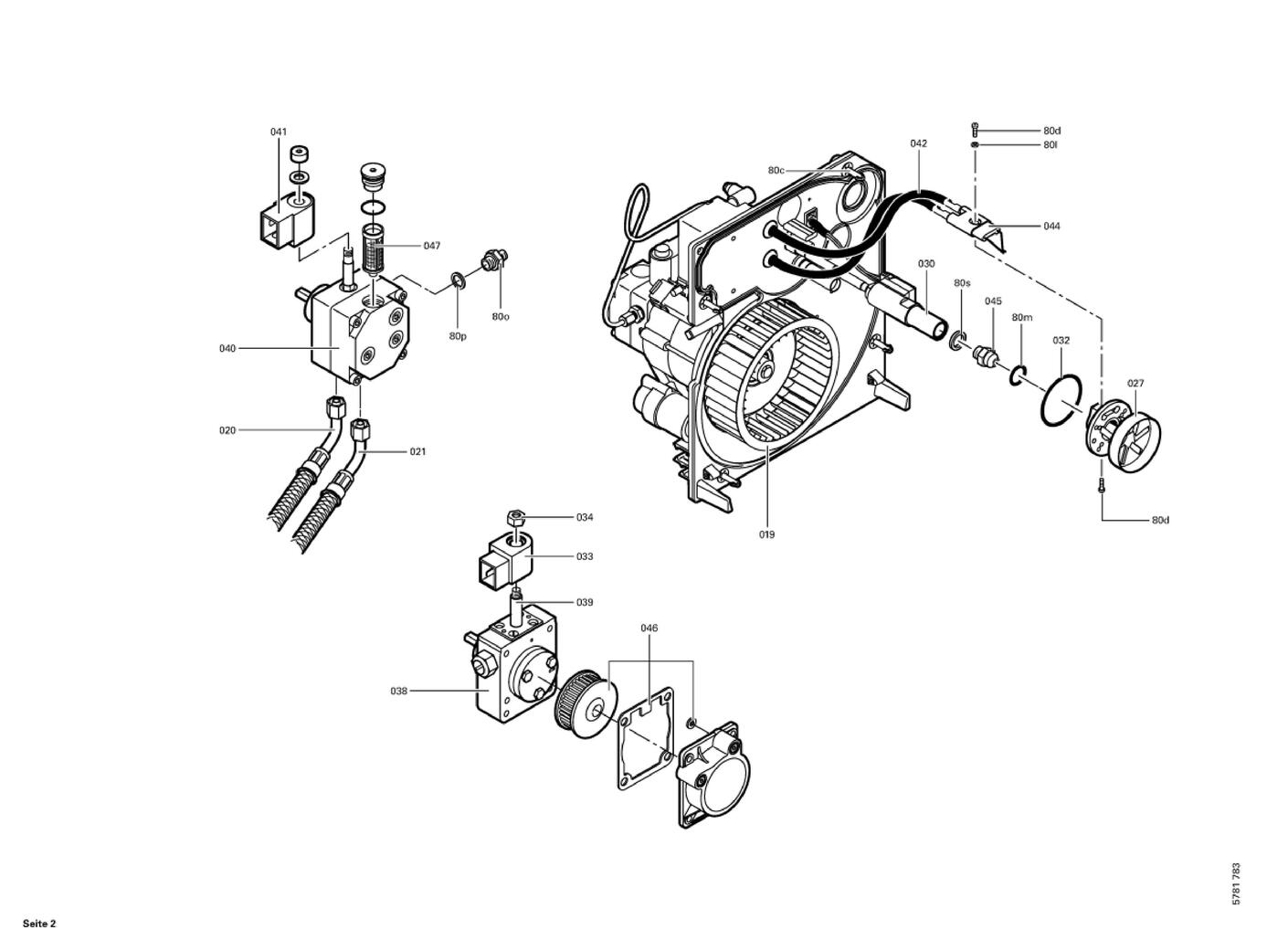
7818691 Tete de bruleur 0001
7218504 Joint bride bruleur 0002
7818095 Carter bruleur gr. iii vek 0004
7810200 Fixation capot bruleur 0005
7836325 Moteur de turbine 90 watt 0006
7818093 Conduite de fuel 0007
7836850 Accouplement vek jusqu a 63 kw 0008
7820105 Capot bruleur vitorond vitoflamme 200 0009
7820103 Dammmatte mit kleber 0010
7822297 Rallonge bouton de rearmement agk20.55 0011
7832743 Boitier de controle fuel lmo 14.111c2v 0012
7832744 Transformateur électronique ebi4m 0013
7818066 Bride de bruleur vek gr.ii 0014
7818083 Molette de reglage gicleur vek 0018
7818081 Turbine d=133 x 62 vek 0019
7827478 Kit de rechange flexibles fuel 1000 mm 0020
7827478 Kit de rechange flexibles fuel 1000 mm 0021
7816359 Volet d admission d air bruleur vek grii 0024
7817284 Diaphragme de mesure vek avec qrb gr.4 0027
7820908 Socle de connexion agc 21.122v 0028
7855500 Detecteur lumiere ir 1010.1 axial blanc 0029
7818065 Porte gicleur gr. 2 mazout vek 0030
7815981 Joint torique diffuseur. 54,0 x 3,0 mm 0032
7838979 Bobine t80 pour electrovanne ( suntec ) 0033
7840263 Pompe a fuel alv 35 c 9619 6p 07 00 0038
7815738 Noyau electrovanne 0039
7818074 Pompe fuel dafoss 0040
7858539 Bobine t85 plus 0041
7816395 Jeu de cable d allumage d=6,4 0042
7810713 Electrodes allumage ( bloc ) 0044
7818064 Gicleur 1,50 gph 80° h fluidics 0045
7817919 Kit pieces pour pompe fuel suntec 0046
7818904 Filtre pompe a fuel 0047
7819282 Fermeture capot bruleur 0049
5851156 Mont.anl. vitoflame 200 vek 0071
5681438 Serv.anl. vitoflame 200 vek 0072
5781783 Et-bildl. vitoflame-ölbr. vek 0073
7810996 Bouchon de fermeture prechauff. fuel 0078
7822310 Sachet petits accessoires 0080
7839391 Cable 3 poles moteur bruleur fuel 0200


Les images des vues éclatées peuvent contenir des prix datant de plusieurs années, merci de ne pas en tenir compte










Pièces détachées contenues dans cet appareil Brûleur Viessmann VITOFLAME 200 VEKII 63 kW (7143167)



Photo Position vue éclatée Article Référence fabricant Disponibilité et prix  
Tete de bruleur Viessmann 7818691
Tete de bruleur
Code article PEX: 247023
Viessmann
Réf fabricant: 7818691
± 3 jours ouvrés
326,40 € TTC
Joint bride bruleur Viessmann 7218504
Joint bride bruleur
Code article PEX: 241013
Viessmann
Réf fabricant: 7218504
en stock
25,20 € TTC
Carter de bruleur gr.2 avec air Viessmann 7818095
Carter de bruleur gr.2 avec air
Code article PEX: 752925
Viessmann
Réf fabricant: 7818095
± 3 jours ouvrés
194,40 € TTC
Fixation capot bruleur Viessmann 7810200
Fixation capot bruleur
Code article PEX: 243801
Viessmann
Réf fabricant: 7810200
± 3 jours ouvrés
9,84 € TTC
Moteur de turbine 90 watt Viessmann 7836325
Moteur de turbine 90 watt
Code article PEX: 299993
Viessmann
Réf fabricant: 7836325
en stock
262,80 € TTC
Conduite de fuel Viessmann 7818093
Conduite de fuel
Code article PEX: 246733
Viessmann
Réf fabricant: 7818093
± 3 jours ouvrés
39,60 € TTC
Accouplement vek jusqu a 63 kw Viessmann 7836850
Accouplement vek jusqu a 63 kw
Code article PEX: 300204
Viessmann
Réf fabricant: 7836850
en stock
15,36 € TTC
Capot bruleur vitorond vitoflamme 200 Viessmann 7820105
Capot bruleur vitorond vitoflamme 200
Code article PEX: 247884
Viessmann
Réf fabricant: 7820105
± 3 jours ouvrés
376,80 € TTC
Dammmatte mit kleber Viessmann 7820103
Dammmatte mit kleber
Code article PEX: 297962
Viessmann
Réf fabricant: 7820103
± 3 jours ouvrés
252,00 € TTC
Rallonge bouton de rearmement agk20.55 Viessmann 7822297
Rallonge bouton de rearmement agk20.55
Code article PEX: 248529
Viessmann
Réf fabricant: 7822297
± 3 jours ouvrés
18,36 € TTC
Boitier de controle fuel lmo 14.111c2v Viessmann 7832743
Boitier de controle fuel lmo 14.111c2v
Code article PEX: 252864
Viessmann
Réf fabricant: 7832743
en stock
178,80 € TTC
Allumeur EBI4 2x7,5 230v Viessmann 7832744
Allumeur ebi4 2x7,5 230v
Code article PEX: 342994
Viessmann
Réf fabricant: 7832744
en stock
79,12 € TTC
Bride de bruleur vek gr.ii Viessmann 7818066
Bride de bruleur vek gr.ii
Code article PEX: 246710
Viessmann
Réf fabricant: 7818066
± 3 jours ouvrés
69,60 € TTC
Molette de reglage gicleur vek Viessmann 7818083
Molette de reglage gicleur vek
Code article PEX: 246724
Viessmann
Réf fabricant: 7818083
± 3 jours ouvrés
38,40 € TTC
Turbine d=133 x 62 vek Viessmann 7818081
Turbine d=133 x 62 vek
Code article PEX: 246722
Viessmann
Réf fabricant: 7818081
± 3 jours ouvrés
66,00 € TTC
Kit de rechange flexibles fuel 1000 mm Viessmann 7827478
Kit de rechange flexibles fuel 1000 mm
Code article PEX: 251177
Viessmann
Réf fabricant: 7827478
en stock
44,40 € TTC
Volet d admission d air bruleur vek grii Viessmann 7816359
Volet d admission d air bruleur vek grii
Code article PEX: 245788
Viessmann
Réf fabricant: 7816359
en stock
28,80 € TTC
Diaphragme de mesure vek avec qrb gr.4 Viessmann 7817284
Diaphragme de mesure vek avec qrb gr.4
Code article PEX: 297810
Viessmann
Réf fabricant: 7817284
± 3 jours ouvrés
178,80 € TTC
Socle de connexion agc 21.122v Viessmann 7820908
Socle de connexion agc 21.122v
Code article PEX: 248319
Viessmann
Réf fabricant: 7820908
en stock
182,40 € TTC
Detecteur lumiere ir 1010.1 axial blanc Viessmann 7855500
Detecteur lumiere ir 1010.1 axial blanc
Code article PEX: 316103
Viessmann
Réf fabricant: 7855500
en stock
272,40 € TTC
Porte gicleur gr. 2 mazout vek Viessmann 7818065
Porte gicleur gr. 2 mazout vek
Code article PEX: 246709
Viessmann
Réf fabricant: 7818065
en stock
118,80 € TTC
Joint torique diffuseur. 54,0 x 3,0 mm Viessmann 7815981
Joint torique diffuseur. 54,0 x 3,0 mm
Code article PEX: 245636
Viessmann
Réf fabricant: 7815981
± 3 jours ouvrés
8,76 € TTC
Bobine t80 pour electrovanne ( suntec ) Viessmann 7838979
Bobine t80 pour electrovanne ( suntec )
Code article PEX: 300644
Viessmann
Réf fabricant: 7838979
en stock
84,00 € TTC
Pompe a fuel alv 35 c 9619 6p 07 00 Viessmann 7840263
Pompe a fuel alv 35 c 9619 6p 07 00
Code article PEX: 301002
Viessmann
Réf fabricant: 7840263
en stock
232,80 € TTC
Noyau electrovanne Viessmann 7815738
Noyau electrovanne
Code article PEX: 245557
Viessmann
Réf fabricant: 7815738
en stock
120,00 € TTC
Pompe a fuel alv 35 c 9619 6p 07 00 Viessmann 7818074
Pompe a fuel alv 35 c 9619 6p 07 00
Code article PEX: 301002
Viessmann
Réf fabricant: 7818074
en stock
232,80 € TTC
Bobine t85 plus Viessmann 7858539
Bobine t85 plus
Code article PEX: 477158
Viessmann
Réf fabricant: 7858539
en stock
84,00 € TTC
Jeu de cable d allumage d=6,4 Viessmann 7816395
Jeu de cable d allumage d=6,4
Code article PEX: 245820
Viessmann
Réf fabricant: 7816395
en stock
43,20 € TTC
Electrodes allumage ( bloc ) Viessmann 7810713
Electrodes allumage ( bloc )
Code article PEX: 243968
Viessmann
Réf fabricant: 7810713
en stock
60,00 € TTC
Gicleur 1,50 gph 80° h fluidics Viessmann 7818064
Gicleur 1,50 gph 80° h fluidics
Code article PEX: 246708
Viessmann
Réf fabricant: 7818064
± 3 jours ouvrés
27,60 € TTC
Kit pieces pour pompe fuel suntec Viessmann 7817919
Kit pieces pour pompe fuel suntec
Code article PEX: 246597
Viessmann
Réf fabricant: 7817919
en stock
43,20 € TTC
Filtre pompe a fuel Viessmann 7818904
Filtre pompe a fuel
Code article PEX: 247107
Viessmann
Réf fabricant: 7818904
± 3 jours ouvrés
39,60 € TTC
Fermeture capot bruleur Viessmann 7819282
Fermeture capot bruleur
Code article PEX: 247332
Viessmann
Réf fabricant: 7819282
en stock
18,36 € TTC
0071 page 1 Mont.anl. vitoflame 200 vek
 
Viessmann
Réf fabricant: 5851156
avec délai
sur devis
0072 page 1 Serv.anl. vitoflame 200 vek
 
Viessmann
Réf fabricant: 5681438
avec délai
sur devis
0073 page 2 Et-bildl. vitoflame-ölbr. vek
 
Viessmann
Réf fabricant: 5781783
avec délai
sur devis
Bouchon de fermeture prechauff. fuel Viessmann 7810996
Bouchon de fermeture prechauff. fuel
Code article PEX: 244056
Viessmann
Réf fabricant: 7810996
± 3 jours ouvrés
9,84 € TTC
Sachet petits accessoires Viessmann 7822310
Sachet petits accessoires
Code article PEX: 248542
Viessmann
Réf fabricant: 7822310
± 3 jours ouvrés
69,60 € TTC
Cable 3 poles moteur bruleur fuel Viessmann 7839391
Cable 3 poles moteur bruleur fuel
Code article PEX: 315306
Viessmann
Réf fabricant: 7839391
± 3 jours ouvrés
50,40 € TTC


Dans cette page vous trouverez l'ensemble des articles et pièces détachées de chaufferie qui composent la nomenclature Brûleur Viessmann VITOFLAME 200 VEKII 63 kW (7143167) ainsi que des liens vers les articles Viessmann. En parcourant la page Viessmann, vous pourrez également trouver toutes les pièces Viessmann présentes chez Pièces Express. L'indication de stock vous permet de savoir si la pièce détachée est disponible dans notre stock central ou bien avec un délai fournisseur. Dans ce dernier cas, renseignez vous, nous commandons très régulièrement chez chacun de nos fournisseurs, nous pouvons donc certainement répondre à votre besoin rapidement.

Nos marques
Nos catalogues
Nos outils
Nos gicleurs fioul
Nos bougies pour poêles à pellets
Pièces détachées de chauffage et climatisation
PIÈCES EXPRESS
1 rue Philippe LEBON
ZA Henri Spriet
14120 MONDEVILLE
Téléphone: 02 14 47 16 10
Siret: 790 553 242 00013
Tva: FR 38 790553242

4.7
156 avis