Pièces détachées de chauffage et climatisation
Plus de 650 000 références fabricants disponibles
Livraison en France et en Belgique
MARQUES ▾
CATALOGUES ▾
VUES ÉCLATÉES ▾ CODES DÉFAUTS ▾
OUTILS DE RECHERCHE ▾
FAQ / TUTOS
DÉSTOCKAGE
>
VOTRE RECHERCHE

Chaudière Viessmann VITOGAS GS1B 96KW (7198349)



page 3
page 4
page 5
Pièces détachées Chaudière Viessmann VITOGAS GS1B 96KW (7198349) chez Pièces Express


Référence fabricant
Position Schéma
7819596 Trappe de nettoyage 96kw 1
7518472 Anti refouleur gs1 96 kw 2
7818215 Doigt de gant 3
7819593 Joint dn60 110 x 110 x 3 4
7826550 Kit joints 5
7815013 Brosse de nettoyage 13 x 28 x 80 6
7252565 Sonde de surveillance 7
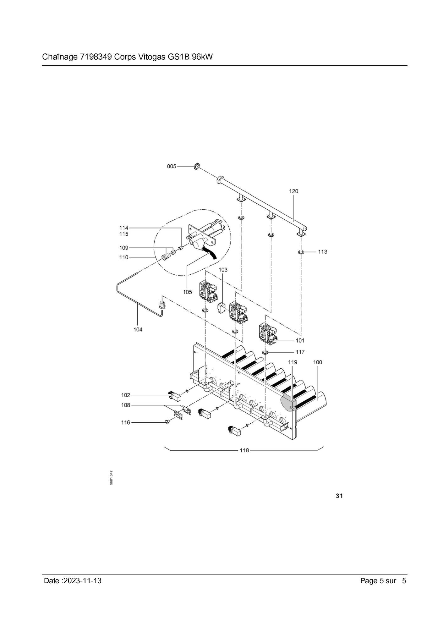
7826170 Rampe bruleur 72-144kw 100
7819268 Bloc combine gaz 101
7819269 Pressostat gaz 102
7380251 Unité d´allumage avec câble de raccordement 103
7380257 Conduite de gaz d'allumage izs 104
7380258 Cable d allumage 105
7415428 Transfo separation eg b 106
7380260 Testeur avec lampe de derangement 107
7825821 Verre de viseur et cadre 108
7825669 Visserie bruleur d allumage 109
7822652 Bruleur d allumage universel gaz 110
7819068 Boitier électronique d'allumage pour gs1 112
7088562 Jeu de joints pour atola 113
7825820 Injecteur bruleur d allumage type 26 114
7825671 Buse brûleur d’allumage type 24 115
7825672 Capuchon pour prise de mesure 116
7816227 Joint torique 117
7826161 Bruleur gs1 96kw 118
7825819 Isolation 96kw 119
7819279 Tube de racc. gaz 96 kw 120
7819019 Console 121
7825351 Tole laterale droite 200
7825352 Tole laterale g.viitogas gs1b 72/144 kw 201
7825376 Tole superieure arriere vitodens 333 202
7825362 Tole arriere vitogas gs1b 96kw 203
7825355 Tole avant vitorond 111 204
7825390 Tole superieur avant gc1 205
7825383 Tole avant superieure kc4/kw5 206
7825369 Tole mediane gs1b 207
7823696 Tige filetee d12 x 86 208
7824392 Manteau isolant 209
7824399 Matelas isolant avant 210
7824406 Matelas isolant superieur vitogas 100 211
7820082 Logo vitogas 100 212
7819438 Protection 214
7077973 Sachet avec 4 ressorts 215
7824425 Cache pour regulation 216
7819545 Spray argent 300
7819546 Crayon pour retouches, vitoargent 301
5851877 Mont.anl. vitogas100 gs1b 72-144 302
5681648 Serv.anl. vitogas 100 gs1b 72-144fr/be 303
7824749 Element lateral droit 72-144kw vitogas 304
7824748 Element lateral gauche 72-144kw vitogas 305
7824751 Element intermediaire 72-144kw 306
7824750 Element median vitorond r3/4-r1 72-144kw 308
7818467 Mamelon vitogas 309
7256280 Colis coupe-tirage 312
7197544 Accessoires montage isolation 313
7383399 Pochette joints bloc combine gaz r 1/2¨ 314
7818610 Conduite d allumage et vanne gaz 315
7818611 Conduite vanne gaz 316
7818609 Fiche d adaptation 317
7818608 Faisceau de cables de pressostat 318
7370314 Pressostat gaz but. prop. lvr 319
7818612 Cable primaire transformateur d allumage 320
7827122 Cable de bruleur n° 41/90 321
7826194 Kit de transformation gaz nat 96kw 322
7826187 Kit de transform. propane 96kw > flg 323
7193076 Accesoires elements 72-144kw 325
7192714 Kit dynamométrique 326
7824992 Tige filetee m12 gs 96kw 327
7827814 Outil de reglage vitogas 333


Les images des vues éclatées peuvent contenir des prix datant de plusieurs années, merci de ne pas en tenir compte










Pièces détachées contenues dans cet appareil Chaudière Viessmann VITOGAS GS1B 96KW (7198349)



Photo Position vue éclatée Article Référence fabricant Disponibilité et prix  
Trappe de nettoyage 96kw Viessmann 7819596
Trappe de nettoyage 96kw
Code article PEX: 314788
Viessmann
Réf fabricant: 7819596
 
obsolète
 
Anti refouleur gs1 96 kw Viessmann 7518472
Anti refouleur gs1 96 kw
Code article PEX: 475641
Viessmann
Réf fabricant: 7518472
 
obsolète
 
Doigt de gant Viessmann 7818215
Doigt de gant
Code article PEX: 246797
Viessmann
Réf fabricant: 7818215
± 3 jours ouvrés
111,60 € TTC
Joint dn60 110 x 110 x 3 Viessmann 7819593
Joint dn60 110 x 110 x 3
Code article PEX: 247535
Viessmann
Réf fabricant: 7819593
± 3 jours ouvrés
17,64 € TTC
Kit joints Viessmann 7826550
Kit joints
Code article PEX: 250748
Viessmann
Réf fabricant: 7826550
± 3 jours ouvrés
18,48 € TTC
Brosse de nettoyage 13 x 28 x 80 Viessmann 7815013
Brosse de nettoyage 13 x 28 x 80
Code article PEX: 245247
Viessmann
Réf fabricant: 7815013
± 3 jours ouvrés
16,80 € TTC
Sonde de surveillance Viessmann 7252565
Sonde de surveillance
Code article PEX: 368040
Viessmann
Réf fabricant: 7252565
En cours de réappro
100,80 € TTC
Rampe bruleur 72-144kw Viessmann 7826170
Rampe bruleur 72-144kw
Code article PEX: 250542
Viessmann
Réf fabricant: 7826170
± 3 jours ouvrés
204,00 € TTC
Bloc combine gaz Viessmann 7819268
Bloc combine gaz
Code article PEX: 247327
Viessmann
Réf fabricant: 7819268
± 3 jours ouvrés
388,80 € TTC
Pressostat gaz Viessmann 7819269
Pressostat gaz
Code article PEX: 247328
Viessmann
Réf fabricant: 7819269
± 3 jours ouvrés
122,40 € TTC
Unite allumage Viessmann 7380251
Unite allumage
Code article PEX: 756765
Viessmann
Réf fabricant: 7380251
en stock
194,40 € TTC
Conduite de gaz d'allumage IZS Viessmann 7380257
Conduite de gaz d'allumage izs
Code article PEX: 243201
Viessmann
Réf fabricant: 7380257
± 3 jours ouvrés
91,20 € TTC
Cable d allumage Viessmann 7380258
Cable d allumage
Code article PEX: 243202
Viessmann
Réf fabricant: 7380258
± 3 jours ouvrés
62,40 € TTC
Transfo separation eg b Viessmann 7415428
Transfo separation eg b
Code article PEX: 475530
Viessmann
Réf fabricant: 7415428
± 3 jours ouvrés
350,40 € TTC
Testeur avec lampe de derangement Viessmann 7380260
Testeur avec lampe de derangement
Code article PEX: 243204
Viessmann
Réf fabricant: 7380260
± 3 jours ouvrés
26,40 € TTC
Verre de viseur et cadre Viessmann 7825821
Verre de viseur et cadre
Code article PEX: 250438
Viessmann
Réf fabricant: 7825821
± 3 jours ouvrés
96,00 € TTC
Raccord filet, bruleur d allumage Viessmann 7825669
Raccord filet, bruleur d allumage
Code article PEX: 243206
Viessmann
Réf fabricant: 7825669
± 3 jours ouvrés
12,96 € TTC
Bruleur d allumage universel gaz Viessmann 7822652
Bruleur d allumage universel gaz
Code article PEX: 248750
Viessmann
Réf fabricant: 7822652
en stock
156,00 € TTC
Boitier électronique d'allumage pour GS1 Viessmann 7819068
Boitier électronique d'allumage pour gs1
Code article PEX: 297904
Viessmann
Réf fabricant: 7819068
± 3 jours ouvrés
456,00 € TTC
Jeu de joints pour atola Viessmann 7088562
Jeu de joints pour atola
Code article PEX: 240585
Viessmann
Réf fabricant: 7088562
± 3 jours ouvrés
8,40 € TTC
Injecteur bruleur d allumage type 26 Viessmann 7825820
Injecteur bruleur d allumage type 26
Code article PEX: 250437
Viessmann
Réf fabricant: 7825820
± 3 jours ouvrés
17,64 € TTC
115 page 3 Buse brûleur d’allumage type 24
 
Viessmann
Réf fabricant: 7825671
avec délai
sur devis
Capuchon pour prise de mesure Viessmann 7825672
Capuchon pour prise de mesure
Code article PEX: 298477
Viessmann
Réf fabricant: 7825672
± 3 jours ouvrés
21,00 € TTC
Joint torique Viessmann 7816227
Joint torique
Code article PEX: 245728
Viessmann
Réf fabricant: 7816227
± 3 jours ouvrés
9,48 € TTC
Bruleur gs1 96kw Viessmann 7826161
Bruleur gs1 96kw
Code article PEX: 314904
Viessmann
Réf fabricant: 7826161
± 3 jours ouvrés
8 661,60 € TTC
119 page 5 Isolation 96kw
 
Viessmann
Réf fabricant: 7825819
avec délai
sur devis
Tube de racc. gaz 96 kw Viessmann 7819279
Tube de racc. gaz 96 kw
Code article PEX: 247331
Viessmann
Réf fabricant: 7819279
± 3 jours ouvrés
906,00 € TTC
Console Viessmann 7819019
Console
Code article PEX: 247177
Viessmann
Réf fabricant: 7819019
± 3 jours ouvrés
129,60 € TTC
Tole laterale droite Viessmann 7825351
Tole laterale droite
Code article PEX: 298419
Viessmann
Réf fabricant: 7825351
± 3 jours ouvrés
212,40 € TTC
Tole laterale g.viitogas gs1b 72/144 kw Viessmann 7825352
Tole laterale g.viitogas gs1b 72/144 kw
Code article PEX: 250219
Viessmann
Réf fabricant: 7825352
± 3 jours ouvrés
213,60 € TTC
Tole superieure arriere vitodens 333 Viessmann 7825376
Tole superieure arriere vitodens 333
Code article PEX: 298437
Viessmann
Réf fabricant: 7825376
 
obsolète
 
Tole arriere vitogas gs1b 96kw Viessmann 7825362
Tole arriere vitogas gs1b 96kw
Code article PEX: 298426
Viessmann
Réf fabricant: 7825362
± 3 jours ouvrés
360,00 € TTC
Tole avant vitorond 111 Viessmann 7825355
Tole avant vitorond 111
Code article PEX: 298420
Viessmann
Réf fabricant: 7825355
 
obsolète
 
Tole superieur avant gc1 Viessmann 7825390
Tole superieur avant gc1
Code article PEX: 298445
Viessmann
Réf fabricant: 7825390
± 3 jours ouvrés
336,00 € TTC
Tole avant superieure kc4/kw5 Viessmann 7825383
Tole avant superieure kc4/kw5
Code article PEX: 298440
Viessmann
Réf fabricant: 7825383
± 3 jours ouvrés
315,60 € TTC
Tole mediane gs1b Viessmann 7825369
Tole mediane gs1b
Code article PEX: 250222
Viessmann
Réf fabricant: 7825369
± 3 jours ouvrés
223,20 € TTC
Tige filetee d12 x 86 Viessmann 7823696
Tige filetee d12 x 86
Code article PEX: 249455
Viessmann
Réf fabricant: 7823696
± 3 jours ouvrés
13,32 € TTC
Manteau isolant Viessmann 7824392
Manteau isolant
Code article PEX: 298294
Viessmann
Réf fabricant: 7824392
± 3 jours ouvrés
196,80 € TTC
Matelas isolant avant Viessmann 7824399
Matelas isolant avant
Code article PEX: 249755
Viessmann
Réf fabricant: 7824399
± 3 jours ouvrés
17,64 € TTC
Matelas isolant superieur vitogas 100 Viessmann 7824406
Matelas isolant superieur vitogas 100
Code article PEX: 298306
Viessmann
Réf fabricant: 7824406
± 3 jours ouvrés
62,40 € TTC
Logo vitogas 100 Viessmann 7820082
Logo vitogas 100
Code article PEX: 247875
Viessmann
Réf fabricant: 7820082
± 3 jours ouvrés
26,40 € TTC
Protection Viessmann 7819438
Protection
Code article PEX: 247450
Viessmann
Réf fabricant: 7819438
± 3 jours ouvrés
30,00 € TTC
Sachet avec 4 ressorts Viessmann 7077973
Sachet avec 4 ressorts
Code article PEX: 240490
Viessmann
Réf fabricant: 7077973
± 3 jours ouvrés
13,80 € TTC
Cache pour regulation Viessmann 7824425
Cache pour regulation
Code article PEX: 249757
Viessmann
Réf fabricant: 7824425
± 3 jours ouvrés
116,40 € TTC
Spray argent Viessmann 7819545
Spray argent
Code article PEX: 247502
Viessmann
Réf fabricant: 7819545
± 3 jours ouvrés
40,80 € TTC
Crayon pour retouches, vitoargent Viessmann 7819546
Crayon pour retouches, vitoargent
Code article PEX: 297920
Viessmann
Réf fabricant: 7819546
± 3 jours ouvrés
15,72 € TTC
302 page 3 Mont.anl. vitogas100 gs1b 72-144
 
Viessmann
Réf fabricant: 5851877
avec délai
sur devis
303 page 4 Serv.anl. vitogas 100 gs1b 72-144fr/be
 
Viessmann
Réf fabricant: 5681648
avec délai
sur devis
Element lateral droit 72-144kw vitogas Viessmann 7824749
Element lateral droit 72-144kw vitogas
Code article PEX: 249939
Viessmann
Réf fabricant: 7824749
± 3 jours ouvrés
952,80 € TTC
Element lateral gauche 72-144kw vitogas Viessmann 7824748
Element lateral gauche 72-144kw vitogas
Code article PEX: 249938
Viessmann
Réf fabricant: 7824748
± 3 jours ouvrés
867,60 € TTC
Element intermediaire 72-144kw Viessmann 7824751
Element intermediaire 72-144kw
Code article PEX: 249941
Viessmann
Réf fabricant: 7824751
± 3 jours ouvrés
741,60 € TTC
Element median vitorond r3/4-r1 72-144kw Viessmann 7824750
Element median vitorond r3/4-r1 72-144kw
Code article PEX: 249940
Viessmann
Réf fabricant: 7824750
± 3 jours ouvrés
770,40 € TTC
Mamelon vitogas Viessmann 7818467
Mamelon vitogas
Code article PEX: 246925
Viessmann
Réf fabricant: 7818467
± 3 jours ouvrés
26,40 € TTC
Colis coupe-tirage Viessmann 7256280
Colis coupe-tirage
Code article PEX: 241959
Viessmann
Réf fabricant: 7256280
± 3 jours ouvrés
36,00 € TTC
Accessoires montage isolation Viessmann 7197544
Accessoires montage isolation
Code article PEX: 240760
Viessmann
Réf fabricant: 7197544
± 3 jours ouvrés
17,64 € TTC
Pochette joints bloc combine gaz r 1/2¨ Viessmann 7383399
Pochette joints bloc combine gaz r 1/2¨
Code article PEX: 243263
Viessmann
Réf fabricant: 7383399
± 3 jours ouvrés
62,40 € TTC
Conduite d allumage et vanne gaz Viessmann 7818610
Conduite d allumage et vanne gaz
Code article PEX: 246972
Viessmann
Réf fabricant: 7818610
± 3 jours ouvrés
154,80 € TTC
Conduite vanne gaz Viessmann 7818611
Conduite vanne gaz
Code article PEX: 246973
Viessmann
Réf fabricant: 7818611
± 3 jours ouvrés
62,40 € TTC
Fiche d adaptation Viessmann 7818609
Fiche d adaptation
Code article PEX: 246971
Viessmann
Réf fabricant: 7818609
± 3 jours ouvrés
123,60 € TTC
Faisceau de cables de pressostat Viessmann 7818608
Faisceau de cables de pressostat
Code article PEX: 246970
Viessmann
Réf fabricant: 7818608
± 3 jours ouvrés
88,80 € TTC
Pressostat gaz but. prop. lvr Viessmann 7370314
Pressostat gaz but. prop. lvr
Code article PEX: 243093
Viessmann
Réf fabricant: 7370314
± 3 jours ouvrés
136,80 € TTC
Cable primaire transformateur d allumage Viessmann 7818612
Cable primaire transformateur d allumage
Code article PEX: 246974
Viessmann
Réf fabricant: 7818612
 
obsolète
 
321 page 5 Cable de bruleur n° 41/90
 
Viessmann
Réf fabricant: 7827122
avec délai
sur devis
Kit de transformation gaz nat 96kw Viessmann 7826194
Kit de transformation gaz nat 96kw
Code article PEX: 250549
Viessmann
Réf fabricant: 7826194
± 3 jours ouvrés
238,80 € TTC
Kit de transform. propane 96kw > flg Viessmann 7826187
Kit de transform. propane 96kw > flg
Code article PEX: 250546
Viessmann
Réf fabricant: 7826187
± 3 jours ouvrés
213,60 € TTC
Accesoires elements 72-144kw Viessmann 7193076
Accesoires elements 72-144kw
Code article PEX: 297235
Viessmann
Réf fabricant: 7193076
± 3 jours ouvrés
147,60 € TTC
326 page 3 Kit dynamométrique
 
Viessmann
Réf fabricant: 7192714
avec délai
sur devis
Tige filetee m12 gs 96kw Viessmann 7824992
Tige filetee m12 gs 96kw
Code article PEX: 475896
Viessmann
Réf fabricant: 7824992
± 3 jours ouvrés
62,40 € TTC
Outil de reglage vitogas Viessmann 7827814
Outil de reglage vitogas
Code article PEX: 251272
Viessmann
Réf fabricant: 7827814
± 3 jours ouvrés
86,40 € TTC


Dans cette page vous trouverez l'ensemble des articles et pièces détachées de chaufferie qui composent la nomenclature Chaudière Viessmann VITOGAS GS1B 96KW (7198349) ainsi que des liens vers les articles Viessmann. En parcourant la page Viessmann, vous pourrez également trouver toutes les pièces Viessmann présentes chez Pièces Express. L'indication de stock vous permet de savoir si la pièce détachée est disponible dans notre stock central ou bien avec un délai fournisseur. Dans ce dernier cas, renseignez vous, nous commandons très régulièrement chez chacun de nos fournisseurs, nous pouvons donc certainement répondre à votre besoin rapidement.

Nos marques
Nos catalogues
Nos outils
Nos gicleurs fioul
Nos bougies pour poêles à pellets
Pièces détachées de chauffage et climatisation
PIÈCES EXPRESS
1 rue Philippe LEBON
ZA Henri Spriet
14120 MONDEVILLE
Téléphone: 02 14 47 16 10
Siret: 790 553 242 00013
Tva: FR 38 790553242