Pièces détachées de chauffage et climatisation
Plus de 650 000 références fabricants disponibles
Livraison en France et en Belgique
4.7
MARQUES ▾
CATALOGUES ▾
VUES ÉCLATÉES ▾ CODES DÉFAUTS ▾
OUTILS DE RECHERCHE ▾
FAQ / TUTOS
DÉSTOCKAGE
>
VOTRE RECHERCHE

Chaudière Viessmann VITOCROSSAL CR3 978-895KW COMPACT (7177174)



page 3
page 4
page 5
page 6
Pièces détachées Chaudière Viessmann VITOCROSSAL CR3 978-895KW COMPACT (7177174) chez Pièces Express


Référence fabricant
Position Schéma
Z002334 Abgaskastendeckel mit dichtung 895 kw 1
Z001525 Jeu de joints 3
7820283 Couvercle tube de fumee cr3 895 kw 4
7810760 Couvercle 6
Z000470 Joint avec colle 7
Z001526 Joint de bac à fumée 8
7815443 Joint dn 125 nd6 9
7815441 Joint dn 80 nd 6 10
7815437 Joint dn50 11
7820285 Porte de chaudiere cr3 720-895kw 12
7814675 Ecrou laiton pour viseur de flamme 13
7811837 Verre de regard avec joints 14
7816212 Manchon pour flexible 1/4 15
7810029 Tube plastique 800 mm 16
7820037 Matelas isolant cr3 17
7828473 Bloc refractaire 18
Z001527 Emballage 15 x 25 l=2500 av autocollant 19
7822581 Joint ceram gf d=25 l=3000 20
7820852 Joint cerame 9 x 7 l = 2000 21
7347451 Plaque porte-brûleur non percée 22
7824743 Beipack syphon anti-odeur 23
7820145 Fiche de codage 1041 24
7147018 Cable bruleur avec fiche 41 et 90 l=3.5m 25
7812522 Doigt de gant 26
7817118 Plastron 200
7822579 Tole superieure avant gauche cr3 201
7822580 Tole superieure avant droite 202
7817094 Tole superieure centre 203
7817095 Tole avant dessus 204
7817096 Tole avant inferieure 205
7817097 Tole arriere superieure cr3 206
7817098 Tole arriere inferieure 207
7817099 Tole arriere gauche + droite 208
7817101 Tole laterale superieure 209
7817103 Tole laterale inferieure 210
7817104 Equerre avant gauche vitocrossal 211
7817105 Equerre avant droite cr3 212
7817106 Equerre arriere gauche vitocrossal 213
7817107 Corniere arriere droite 214
7817108 Equerre mediane vitocrossal 215
7817109 Equerre de fixation arriere 216
7817111 Matelas isolant avant vitorond 200 217
7817113 Wärmedämm-mantel mitte 218
7817114 Jaquette d isolation arriere 219
7817115 Matelas isolant avant 220
7818493 Serre cable 2 logements 221
7820023 Logo vitocrossal 300 222
7819438 Protection 223
7817116 Matelas isolant arriere 224
7817117 Sachet montage isolation vitocrossal 300 300
7819535 Bande vitorange (1 rouleau = 10 m) 301
7819545 Spray argent 302
7819546 Crayon pour retouches, vitoargent 303
5851299 Mont.anl. vitocrossal 300 cr3/37 304
5681398 Serv.anl. vitocrossal 300 cr3 305


Les images des vues éclatées peuvent contenir des prix datant de plusieurs années, merci de ne pas en tenir compte










Pièces détachées contenues dans cet appareil Chaudière Viessmann VITOCROSSAL CR3 978-895KW COMPACT (7177174)



Photo Position vue éclatée Article Référence fabricant Disponibilité et prix  
1 page 3 Abgaskastendeckel mit dichtung 895 kw
 
Viessmann
Réf fabricant: Z002334
avec délai
sur devis
Jeu de joints Viessmann Z001525
Jeu de joints
Code article PEX: 238972
Viessmann
Réf fabricant: Z001525
 
obsolète
 
Couvercle tube de fumee cr3 895 kw Viessmann 7820283
Couvercle tube de fumee cr3 895 kw
Code article PEX: 248000
Viessmann
Réf fabricant: 7820283
± 3 jours ouvrés
1 459,20 € TTC
Couvercle Viessmann 7810760
Couvercle
Code article PEX: 243988
Viessmann
Réf fabricant: 7810760
± 3 jours ouvrés
90,00 € TTC
Joint avec colle Viessmann Z000470
Joint avec colle
Code article PEX: 238969
Viessmann
Réf fabricant: Z000470
± 3 jours ouvrés
43,20 € TTC
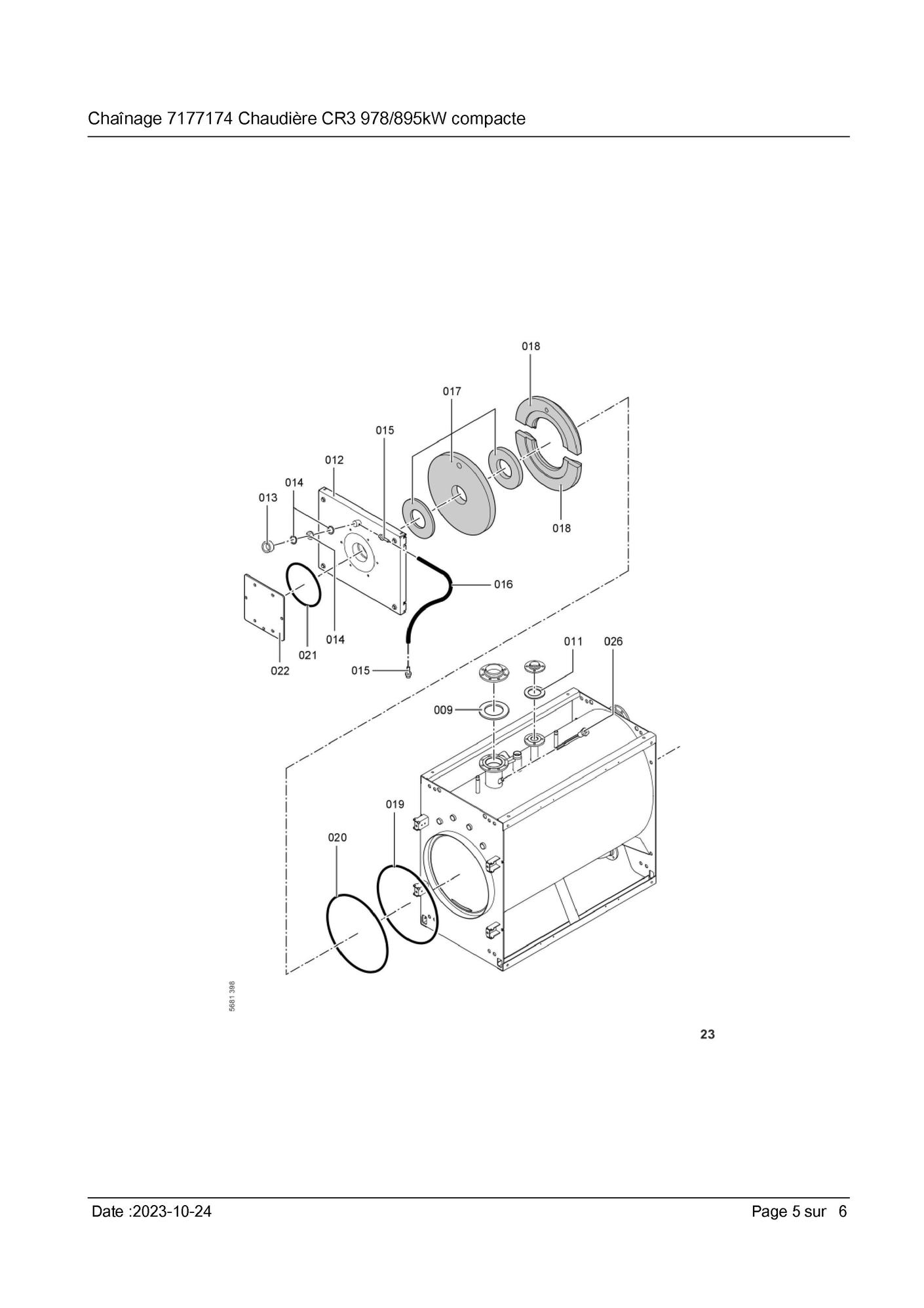
8 page 5 Joint de bac à fumée
 
Viessmann
Réf fabricant: Z001526
avec délai
sur devis
Joint dn 125 nd6 Viessmann 7815443
Joint dn 125 nd6
Code article PEX: 245424
Viessmann
Réf fabricant: 7815443
± 3 jours ouvrés
15,24 € TTC
Joint dn 80 nd 6 Viessmann 7815441
Joint dn 80 nd 6
Code article PEX: 245422
Viessmann
Réf fabricant: 7815441
± 3 jours ouvrés
17,28 € TTC
Joint dn50 Viessmann 7815437
Joint dn50
Code article PEX: 245418
Viessmann
Réf fabricant: 7815437
± 3 jours ouvrés
15,24 € TTC
Porte de chaudiere cr3 720-895kw Viessmann 7820285
Porte de chaudiere cr3 720-895kw
Code article PEX: 314797
Viessmann
Réf fabricant: 7820285
± 3 jours ouvrés
2 728,80 € TTC
Ecrou laiton pour viseur de flamme Viessmann 7814675
Ecrou laiton pour viseur de flamme
Code article PEX: 245169
Viessmann
Réf fabricant: 7814675
± 3 jours ouvrés
42,00 € TTC
Verre de regard avec joints Viessmann 7811837
Verre de regard avec joints
Code article PEX: 244325
Viessmann
Réf fabricant: 7811837
± 3 jours ouvrés
17,64 € TTC
Manchon pour flexible 1/4 Viessmann 7816212
Manchon pour flexible 1/4
Code article PEX: 245726
Viessmann
Réf fabricant: 7816212
± 3 jours ouvrés
8,88 € TTC
Tube plastique 800 mm Viessmann 7810029
Tube plastique 800 mm
Code article PEX: 243716
Viessmann
Réf fabricant: 7810029
± 3 jours ouvrés
8,28 € TTC
Matelas isolant cr3 Viessmann 7820037
Matelas isolant cr3
Code article PEX: 247847
Viessmann
Réf fabricant: 7820037
± 3 jours ouvrés
172,80 € TTC
Bloc refractaire Viessmann 7828473
Bloc refractaire
Code article PEX: 251557
Viessmann
Réf fabricant: 7828473
± 3 jours ouvrés
508,80 € TTC
Emballage 15 x 25 l=2500 av autocollant Viessmann Z001527
Emballage 15 x 25 l=2500 av autocollant
Code article PEX: 535096
Viessmann
Réf fabricant: Z001527
± 3 jours ouvrés
104,40 € TTC
Joint ceram gf d=25 l=3000 Viessmann 7822581
Joint ceram gf d=25 l=3000
Code article PEX: 248708
Viessmann
Réf fabricant: 7822581
± 3 jours ouvrés
172,80 € TTC
Joint cerame 9 x 7 l = 2000 Viessmann 7820852
Joint cerame 9 x 7 l = 2000
Code article PEX: 248283
Viessmann
Réf fabricant: 7820852
± 3 jours ouvrés
42,00 € TTC
22 page 5 Plaque porte-brûleur non percée
 
Viessmann
Réf fabricant: 7347451
avec délai
sur devis
Beipack syphon anti-odeur Viessmann 7824743
Beipack syphon anti-odeur
Code article PEX: 249934
Viessmann
Réf fabricant: 7824743
± 3 jours ouvrés
34,80 € TTC
Fiche de codage 1041 Viessmann 7820145
Fiche de codage 1041
Code article PEX: 247910
Viessmann
Réf fabricant: 7820145
± 3 jours ouvrés
26,40 € TTC
Cable bruleur avec fiche 41 et 90 l=3.5m Viessmann 7147018
Cable bruleur avec fiche 41 et 90 l=3.5m
Code article PEX: 240616
Viessmann
Réf fabricant: 7147018
± 3 jours ouvrés
sur devis
Doigt de gant Viessmann 7812522
Doigt de gant
Code article PEX: 244596
Viessmann
Réf fabricant: 7812522
± 3 jours ouvrés
90,00 € TTC
Plastron Viessmann 7817118
Plastron
Code article PEX: 246177
Viessmann
Réf fabricant: 7817118
± 3 jours ouvrés
115,20 € TTC
Tole superieure avant gauche cr3 Viessmann 7822579
Tole superieure avant gauche cr3
Code article PEX: 248707
Viessmann
Réf fabricant: 7822579
± 3 jours ouvrés
196,80 € TTC
Tole superieure avant droite Viessmann 7822580
Tole superieure avant droite
Code article PEX: 298112
Viessmann
Réf fabricant: 7822580
± 3 jours ouvrés
196,80 € TTC
Tole superieure centre Viessmann 7817094
Tole superieure centre
Code article PEX: 297763
Viessmann
Réf fabricant: 7817094
± 3 jours ouvrés
253,20 € TTC
Tole avant dessus Viessmann 7817095
Tole avant dessus
Code article PEX: 297764
Viessmann
Réf fabricant: 7817095
± 3 jours ouvrés
312,00 € TTC
Tole avant inferieure Viessmann 7817096
Tole avant inferieure
Code article PEX: 297765
Viessmann
Réf fabricant: 7817096
± 3 jours ouvrés
196,80 € TTC
Tole arriere superieure cr3 Viessmann 7817097
Tole arriere superieure cr3
Code article PEX: 246170
Viessmann
Réf fabricant: 7817097
± 3 jours ouvrés
285,60 € TTC
Tole arriere inferieure Viessmann 7817098
Tole arriere inferieure
Code article PEX: 297766
Viessmann
Réf fabricant: 7817098
± 3 jours ouvrés
196,80 € TTC
Tole arriere gauche + droite Viessmann 7817099
Tole arriere gauche + droite
Code article PEX: 297767
Viessmann
Réf fabricant: 7817099
± 3 jours ouvrés
100,80 € TTC
Tole laterale superieure Viessmann 7817101
Tole laterale superieure
Code article PEX: 297769
Viessmann
Réf fabricant: 7817101
± 3 jours ouvrés
285,60 € TTC
Tole laterale inferieure Viessmann 7817103
Tole laterale inferieure
Code article PEX: 297771
Viessmann
Réf fabricant: 7817103
± 3 jours ouvrés
253,20 € TTC
Equerre avant gauche vitocrossal Viessmann 7817104
Equerre avant gauche vitocrossal
Code article PEX: 246171
Viessmann
Réf fabricant: 7817104
± 3 jours ouvrés
285,60 € TTC
Equerre avant droite cr3 Viessmann 7817105
Equerre avant droite cr3
Code article PEX: 246172
Viessmann
Réf fabricant: 7817105
± 3 jours ouvrés
285,60 € TTC
Equerre arriere gauche vitocrossal Viessmann 7817106
Equerre arriere gauche vitocrossal
Code article PEX: 246173
Viessmann
Réf fabricant: 7817106
± 3 jours ouvrés
253,20 € TTC
Corniere arriere droite Viessmann 7817107
Corniere arriere droite
Code article PEX: 246174
Viessmann
Réf fabricant: 7817107
± 3 jours ouvrés
253,20 € TTC
Equerre mediane vitocrossal Viessmann 7817108
Equerre mediane vitocrossal
Code article PEX: 246175
Viessmann
Réf fabricant: 7817108
± 3 jours ouvrés
218,40 € TTC
Equerre de fixation arriere Viessmann 7817109
Equerre de fixation arriere
Code article PEX: 297772
Viessmann
Réf fabricant: 7817109
± 3 jours ouvrés
123,60 € TTC
Matelas isolant avant vitorond 200 Viessmann 7817111
Matelas isolant avant vitorond 200
Code article PEX: 297774
Viessmann
Réf fabricant: 7817111
 
obsolète
 
218 page 4 Wärmedämm-mantel mitte
 
Viessmann
Réf fabricant: 7817113
avec délai
sur devis
Jaquette d isolation arriere Viessmann 7817114
Jaquette d isolation arriere
Code article PEX: 314769
Viessmann
Réf fabricant: 7817114
± 3 jours ouvrés
237,60 € TTC
Matelas isolant avant Viessmann 7817115
Matelas isolant avant
Code article PEX: 297775
Viessmann
Réf fabricant: 7817115
± 3 jours ouvrés
172,80 € TTC
Serre cable 2 logements Viessmann 7818493
Serre cable 2 logements
Code article PEX: 246927
Viessmann
Réf fabricant: 7818493
± 3 jours ouvrés
12,24 € TTC
Logo vitocrossal 300 Viessmann 7820023
Logo vitocrossal 300
Code article PEX: 247836
Viessmann
Réf fabricant: 7820023
± 3 jours ouvrés
31,20 € TTC
Protection Viessmann 7819438
Protection
Code article PEX: 247450
Viessmann
Réf fabricant: 7819438
± 3 jours ouvrés
30,00 € TTC
Matelas isolant arriere Viessmann 7817116
Matelas isolant arriere
Code article PEX: 297776
Viessmann
Réf fabricant: 7817116
± 3 jours ouvrés
88,80 € TTC
Sachet montage isolation vitocrossal 300 Viessmann 7817117
Sachet montage isolation vitocrossal 300
Code article PEX: 246176
Viessmann
Réf fabricant: 7817117
± 3 jours ouvrés
79,20 € TTC
Bande vitorange (1 rouleau = 10 m) Viessmann 7819535
Bande vitorange (1 rouleau = 10 m)
Code article PEX: 247495
Viessmann
Réf fabricant: 7819535
± 3 jours ouvrés
17,28 € TTC
Spray argent Viessmann 7819545
Spray argent
Code article PEX: 247502
Viessmann
Réf fabricant: 7819545
± 3 jours ouvrés
40,80 € TTC
Crayon pour retouches, vitoargent Viessmann 7819546
Crayon pour retouches, vitoargent
Code article PEX: 297920
Viessmann
Réf fabricant: 7819546
± 3 jours ouvrés
15,72 € TTC
304 page 5 Mont.anl. vitocrossal 300 cr3/37
 
Viessmann
Réf fabricant: 5851299
avec délai
sur devis
305 page 5 Serv.anl. vitocrossal 300 cr3
 
Viessmann
Réf fabricant: 5681398
avec délai
sur devis


Dans cette page vous trouverez l'ensemble des articles et pièces détachées de chaufferie qui composent la nomenclature Chaudière Viessmann VITOCROSSAL CR3 978-895KW COMPACT (7177174) ainsi que des liens vers les articles Viessmann. En parcourant la page Viessmann, vous pourrez également trouver toutes les pièces Viessmann présentes chez Pièces Express. L'indication de stock vous permet de savoir si la pièce détachée est disponible dans notre stock central ou bien avec un délai fournisseur. Dans ce dernier cas, renseignez vous, nous commandons très régulièrement chez chacun de nos fournisseurs, nous pouvons donc certainement répondre à votre besoin rapidement.

Nos marques
Nos catalogues
Nos outils
Nos gicleurs fioul
Nos bougies pour poêles à pellets
Pièces détachées de chauffage et climatisation
PIÈCES EXPRESS
1 rue Philippe LEBON
ZA Henri Spriet
14120 MONDEVILLE
Téléphone: 02 14 47 16 10
Siret: 790 553 242 00013
Tva: FR 38 790553242

4.7
149 avis