Pièces détachées de chauffage et climatisation
Plus de 650 000 références fabricants disponibles
Livraison en France et en Belgique
MARQUES ▾
CATALOGUES ▾
VUES ÉCLATÉES ▾ CODES DÉFAUTS ▾
OUTILS DE RECHERCHE ▾
FAQ / TUTOS
DÉSTOCKAGE
>
VOTRE RECHERCHE

Chaudière Viessmann VITODENS 300 W WB3C 26KW (7199539)



page 3
page 4
page 5
page 6
Pièces détachées Chaudière Viessmann VITODENS 300 W WB3C 26KW (7199539) chez Pièces Express


Référence fabricant
Position Schéma
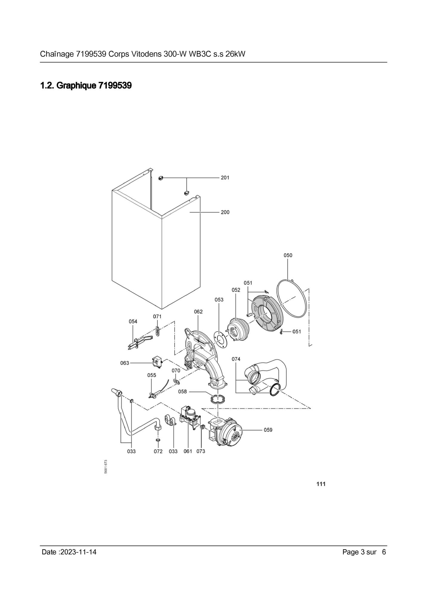
7819971 Purgeur d'air automatique g 3/8 1
7826478 Tuyau de raccordement repart. chauff. 2
7822734 Manchon de passage manchette 5
7826480 Coude de raccordemment hr 6
7826481 Anschlusswinkel hv 7
7836297 Fiche a ressort clips de blocage sonde 9
7876412 Moteur circulateur g-he km 10
7828426 Siphon 13
7826485 Echangeur 14
7826487 Jeu de passe-cables 15
7826489 Flexible condensat 17
7818021 Tube des condensats 18
7822742 Bouchon (x2) manchette de raccordement 19
7822739 Manometre avec capillaire 0-4 bars 22
7822764 Moteur linéaire pas à pas 25
7822743 Manchette de raccordement 80/125 26
7822353 Robinet de purge d air g 3/8 27
7822769 Jeu de fiches 28
7826493 Tube d alimentation gaz 33
7826495 Tuyau de raccordement hr 34
7818138 Joint d=125 cote air chaud.condens. 35
7824837 Joint viton d=80mm 36
7826499 Elements de fixation 41
7822894 Colis de joints 42
7826214 Kit joint torique 20,63 x 2,62 49
7826500 Joint bruleur 50
7828348 Anneau refractaire 51
7826502 Grille bruleur d=113 52
7826503 Joints grille bruleur 53
7874312 Electrode d allumage 54
7834233 Electrode io ni-ferral kug. 26/35kw (+joint) 55
7870571 Kit d entretien wb3c/ws3c/wr3c 26/35 kw 56
7829796 Joint bride de porte de bruleur 58
7833758 Turbine radiale nrg118e 59
7836324 Bloc combine gaz ces10 61
7826509 Porte de bruleur 62
7827957 Allumeur 63
7844858 Ensemble vis de porte 64
7827031 Joint electrode d ionisation 70
7827025 Joint electrode d allumage x5 71
7826217 Kit joints 17 x 24 x 2 72
7833975 Injecteur gaz 03 bleu 73
7827959 Rallonge venturi type 2 74
7838384 Régulation vbc130-a06.101 80
7822749 Plastron arriere 81
7818063 Bloquage regulation vitodens 82
7822750 Support l=480 83
7822751 Volet l=480 k2 84
7822707 Porte manometre 85
7822708 Pince (10 pieces) 86
7822709 Charnieres (10x) pour clapet wb2a/wb3a 87
7833243 Fiche de codage 2043:0306 88
7404365 Fusibles t 6,3 a / 250 v 89
7426136 Vitotronic 100 90
7825182 Module de commande gwg b2 91
7498513 Extension interne h1 92
7179113 Module de communication 93
7823033 Platine adaptateur 94
7823502 Poignee de securite 6,3 at 95
7823515 Contre fiche 96
7823516 Support de cable 97
7826393 Faisceau de cables x8/x9/ionisation 100
7826387 Faisceau de cables 100/35/54/terre 101
7826388 Cable de raccordement vanne gaz 35 102
7826389 Cable de raccordement moteur pas a pas 103
7826391 Faisceau de cables terre/allumeur 104
7826394 Faisceau de cables ionisat./km-bus inter 105
7817523 Plaque de protection 106
7274239 Groupe de raccordement vase d expansion 110
7826351 Plastron raccordement vase d expansion 111
7862725 Tube de raccordement depart chauffage 140
7826025 Sonde de pression 150
7820148 Sonde exterieure 151
7822767 Sonde de fumées 152
7825487 Aquastat securite (thermocommutateur) 153
7819967 Sonde chaudiere 154
7826365 Tole avant vitodens 300 200
7817500 Clips de fixation 201
7822681 Bombe de peinture blanche vitoweiss 202
7822682 Baton de peinture blanche vitoweiss 203
5851989 Mont.anl. vitodens 300-w wb3c 300
5681673 Serv.anl. vitodens 300-w wb3c 301
5581452 Bed.anl. vitotronic 100 hc1 302
5581511 Bed.anl. vitotronic 200 ho1 303
7825722 Dispositif de retours grundfos 304
7825723 Adaptateur pour moteur pas a pas 305


Les images des vues éclatées peuvent contenir des prix datant de plusieurs années, merci de ne pas en tenir compte










Pièces détachées contenues dans cet appareil Chaudière Viessmann VITODENS 300 W WB3C 26KW (7199539)



Photo Position vue éclatée Article Référence fabricant Disponibilité et prix  
Purgeur d'air automatique G 3/8 Viessmann 7819971
Purgeur d'air automatique g 3/8
Code article PEX: 247813
Viessmann
Réf fabricant: 7819971
en stock
22,56 € TTC
Tuyau de raccordement repart. chauff. Viessmann 7826478
Tuyau de raccordement repart. chauff.
Code article PEX: 298570
Viessmann
Réf fabricant: 7826478
± 3 jours ouvrés
153,60 € TTC
Manchon de passage manchette Viessmann 7822734
Manchon de passage manchette
Code article PEX: 248811
Viessmann
Réf fabricant: 7822734
en stock
26,40 € TTC
Coude de raccordemment hr Viessmann 7826480
Coude de raccordemment hr
Code article PEX: 250687
Viessmann
Réf fabricant: 7826480
± 3 jours ouvrés
30,00 € TTC
7 page 5 Anschlusswinkel hv
 
Viessmann
Réf fabricant: 7826481
avec délai
sur devis
Fiche a ressort clips de blocage sonde Viessmann 7836297
Fiche a ressort clips de blocage sonde
Code article PEX: 267691
Viessmann
Réf fabricant: 7836297
en stock
7,56 € TTC
Moteur circulateur g-he km Viessmann 7876412
Moteur circulateur g-he km
Code article PEX: 625168
Viessmann
Réf fabricant: 7876412
en stock
552,00 € TTC
Siphon Viessmann 7828426
Siphon
Code article PEX: 251552
Viessmann
Réf fabricant: 7828426
± 3 jours ouvrés
30,00 € TTC
Echangeur Viessmann 7826485
Echangeur
Code article PEX: 250690
Viessmann
Réf fabricant: 7826485
En cours de réappro
2 139,60 € TTC
Jeu de passe-cables Viessmann 7826487
Jeu de passe-cables
Code article PEX: 250692
Viessmann
Réf fabricant: 7826487
± 3 jours ouvrés
13,80 € TTC
Flexible condensat Viessmann 7826489
Flexible condensat
Code article PEX: 250694
Viessmann
Réf fabricant: 7826489
± 3 jours ouvrés
30,00 € TTC
Tube des condensats Viessmann 7818021
Tube des condensats
Code article PEX: 246671
Viessmann
Réf fabricant: 7818021
en stock
17,28 € TTC
Bouchon (x2) manchette de raccordement Viessmann 7822742
Bouchon (x2) manchette de raccordement
Code article PEX: 248818
Viessmann
Réf fabricant: 7822742
en stock
16,92 € TTC
Manometre avec capillaire 0-4 bars Viessmann 7822739
Manometre avec capillaire 0-4 bars
Code article PEX: 248815
Viessmann
Réf fabricant: 7822739
en stock
60,00 € TTC
Moteur linéaire pas à pas Viessmann 7822764
Moteur linéaire pas à pas
Code article PEX: 248836
Viessmann
Réf fabricant: 7822764
en stock
79,20 € TTC
Manchette de raccordement 80/125 Viessmann 7822743
Manchette de raccordement 80/125
Code article PEX: 248819
Viessmann
Réf fabricant: 7822743
± 3 jours ouvrés
72,00 € TTC
Robinet de purge d air g 3/8 Viessmann 7822353
Robinet de purge d air g 3/8
Code article PEX: 248567
Viessmann
Réf fabricant: 7822353
en stock
12,72 € TTC
Jeu de fiches Viessmann 7822769
Jeu de fiches
Code article PEX: 248840
Viessmann
Réf fabricant: 7822769
en stock
7,08 € TTC
Tube d alimentation gaz Viessmann 7826493
Tube d alimentation gaz
Code article PEX: 250698
Viessmann
Réf fabricant: 7826493
± 3 jours ouvrés
62,40 € TTC
Tuyau de raccordement hr Viessmann 7826495
Tuyau de raccordement hr
Code article PEX: 298575
Viessmann
Réf fabricant: 7826495
± 3 jours ouvrés
48,00 € TTC
Joint d=125 cote air chaud.condens. Viessmann 7818138
Joint d=125 cote air chaud.condens.
Code article PEX: 246756
Viessmann
Réf fabricant: 7818138
en stock
18,24 € TTC
Joint viton d=80mm Viessmann 7824837
Joint viton d=80mm
Code article PEX: 249992
Viessmann
Réf fabricant: 7824837
en stock
18,24 € TTC
Elements de fixation Viessmann 7826499
Elements de fixation
Code article PEX: 298577
Viessmann
Réf fabricant: 7826499
± 3 jours ouvrés
66,00 € TTC
Colis de joints Viessmann 7822894
Colis de joints
Code article PEX: 248923
Viessmann
Réf fabricant: 7822894
± 3 jours ouvrés
18,24 € TTC
Kit joint torique 20,63 x 2,62 Viessmann 7826214
Kit joint torique 20,63 x 2,62
Code article PEX: 250552
Viessmann
Réf fabricant: 7826214
en stock
9,84 € TTC
Joint bruleur Viessmann 7826500
Joint bruleur
Code article PEX: 250701
Viessmann
Réf fabricant: 7826500
en stock
36,00 € TTC
Anneau refractaire Viessmann 7828348
Anneau refractaire
Code article PEX: 251528
Viessmann
Réf fabricant: 7828348
en stock
72,00 € TTC
Grille bruleur d=113 Viessmann 7826502
Grille bruleur d=113
Code article PEX: 250703
Viessmann
Réf fabricant: 7826502
En cours de réappro
296,40 € TTC
Joints grille bruleur Viessmann 7826503
Joints grille bruleur
Code article PEX: 250704
Viessmann
Réf fabricant: 7826503
en stock
21,84 € TTC
Electrode d allumage Viessmann 7874312
Electrode d allumage
Code article PEX: 553228
Viessmann
Réf fabricant: 7874312
en stock
54,00 € TTC
Electrode io ni-ferral kug. 26/35kw (+joint) Viessmann 7834233
Electrode io ni-ferral kug. 26/35kw (+joint)
Code article PEX: 253300
Viessmann
Réf fabricant: 7834233
en stock
55,20 € TTC
Kit d entretien wb3c/ws3c/wr3c 26/35 kw Viessmann 7870571
Kit d entretien wb3c/ws3c/wr3c 26/35 kw
Code article PEX: 477516
Viessmann
Réf fabricant: 7870571
en stock
133,20 € TTC
Joint bride de porte de bruleur Viessmann 7829796
Joint bride de porte de bruleur
Code article PEX: 252004
Viessmann
Réf fabricant: 7829796
En cours de réappro
17,64 € TTC
Turbine radiale NRG118E Viessmann 7833758
Turbine radiale nrg118e
Code article PEX: 253180
Viessmann
Réf fabricant: 7833758
en stock
378,00 € TTC
Bloc combine gaz ces10 Viessmann 7836324
Bloc combine gaz ces10
Code article PEX: 299992
Viessmann
Réf fabricant: 7836324
en stock
198,00 € TTC
Porte de bruleur Viessmann 7826509
Porte de bruleur
Code article PEX: 250710
Viessmann
Réf fabricant: 7826509
± 3 jours ouvrés
147,60 € TTC
Allumeur Viessmann 7827957
Allumeur
Code article PEX: 251365
Viessmann
Réf fabricant: 7827957
en stock
54,00 € TTC
Ensemble vis de porte Viessmann 7844858
Ensemble vis de porte
Code article PEX: 315833
Viessmann
Réf fabricant: 7844858
en stock
15,24 € TTC
Joint electrode d ionisation Viessmann 7827031
Joint electrode d ionisation
Code article PEX: 250982
Viessmann
Réf fabricant: 7827031
en stock
16,92 € TTC
Joint electrode d allumage X5 Viessmann 7827025
Joint electrode d allumage x5
Code article PEX: 250979
Viessmann
Réf fabricant: 7827025
en stock
18,24 € TTC
Kit joints 17 x 24 x 2 Viessmann 7826217
Kit joints 17 x 24 x 2
Code article PEX: 250555
Viessmann
Réf fabricant: 7826217
en stock
9,84 € TTC
Injecteur gaz 03 bleu Viessmann 7833975
Injecteur gaz 03 bleu
Code article PEX: 253232
Viessmann
Réf fabricant: 7833975
± 3 jours ouvrés
17,16 € TTC
Rallonge venturi type 2 Viessmann 7827959
Rallonge venturi type 2
Code article PEX: 251367
Viessmann
Réf fabricant: 7827959
± 3 jours ouvrés
36,00 € TTC
Régulation VBC130-A06.101 Viessmann 7838384
Régulation vbc130-a06.101
Code article PEX: 267689
Viessmann
Réf fabricant: 7838384
en stock
794,40 € TTC
Plastron arriere Viessmann 7822749
Plastron arriere
Code article PEX: 248823
Viessmann
Réf fabricant: 7822749
± 3 jours ouvrés
26,40 € TTC
Bloquage regulation vitodens Viessmann 7818063
Bloquage regulation vitodens
Code article PEX: 246707
Viessmann
Réf fabricant: 7818063
± 3 jours ouvrés
17,64 € TTC
Support l=480 Viessmann 7822750
Support l=480
Code article PEX: 248824
Viessmann
Réf fabricant: 7822750
± 3 jours ouvrés
124,80 € TTC
Volet l=480 k2 Viessmann 7822751
Volet l=480 k2
Code article PEX: 248825
Viessmann
Réf fabricant: 7822751
± 3 jours ouvrés
67,20 € TTC
Porte manometre Viessmann 7822707
Porte manometre
Code article PEX: 248789
Viessmann
Réf fabricant: 7822707
± 3 jours ouvrés
21,72 € TTC
Pince (10 pieces) Viessmann 7822708
Pince (10 pieces)
Code article PEX: 248790
Viessmann
Réf fabricant: 7822708
± 3 jours ouvrés
11,76 € TTC
Charnieres (10x) pour clapet wb2a/wb3a Viessmann 7822709
Charnieres (10x) pour clapet wb2a/wb3a
Code article PEX: 248791
Viessmann
Réf fabricant: 7822709
en stock
27,60 € TTC
Fiche de codage 2043:0306 Viessmann 7833243
Fiche de codage 2043:0306
Code article PEX: 253039
Viessmann
Réf fabricant: 7833243
± 3 jours ouvrés
34,80 € TTC
Fusibles t 6,3 a / 250 v Viessmann 7404365
Fusibles t 6,3 a / 250 v
Code article PEX: 243455
Viessmann
Réf fabricant: 7404365
en stock
8,40 € TTC
Vitotronic 100 Viessmann 7426136
Vitotronic 100
Code article PEX: 277860
Viessmann
Réf fabricant: 7426136
 
obsolète
 
Module de commande gwg b2 Viessmann 7825182
Module de commande gwg b2
Code article PEX: 250142
Viessmann
Réf fabricant: 7825182
en stock
651,60 € TTC
92 page 6 Extension interne h1
 
Viessmann
Réf fabricant: 7498513
avec délai
sur devis
Module de communication Viessmann 7179113
Module de communication
Code article PEX: 277918
Viessmann
Réf fabricant: 7179113
± 3 jours ouvrés
489,60 € TTC
Platine adaptateur Viessmann 7823033
Platine adaptateur
Code article PEX: 249033
Viessmann
Réf fabricant: 7823033
± 3 jours ouvrés
88,80 € TTC
Poignee de securite 6,3 at Viessmann 7823502
Poignee de securite 6,3 at
Code article PEX: 249333
Viessmann
Réf fabricant: 7823502
± 3 jours ouvrés
8,88 € TTC
Contre fiche Viessmann 7823515
Contre fiche
Code article PEX: 249345
Viessmann
Réf fabricant: 7823515
± 3 jours ouvrés
62,40 € TTC
Support de cable Viessmann 7823516
Support de cable
Code article PEX: 249346
Viessmann
Réf fabricant: 7823516
± 3 jours ouvrés
11,28 € TTC
Faisceau de cables x8/x9/ionisation Viessmann 7826393
Faisceau de cables x8/x9/ionisation
Code article PEX: 250646
Viessmann
Réf fabricant: 7826393
± 3 jours ouvrés
88,80 € TTC
Faisceau de cables 100/35/54/terre Viessmann 7826387
Faisceau de cables 100/35/54/terre
Code article PEX: 250640
Viessmann
Réf fabricant: 7826387
± 3 jours ouvrés
62,40 € TTC
Faisceau de cables 100/35/54/terre Viessmann 7826388
Faisceau de cables 100/35/54/terre
Code article PEX: 250640
Viessmann
Réf fabricant: 7826388
± 3 jours ouvrés
62,40 € TTC
Cable de raccordement moteur pas a pas Viessmann 7826389
Cable de raccordement moteur pas a pas
Code article PEX: 250642
Viessmann
Réf fabricant: 7826389
± 3 jours ouvrés
26,40 € TTC
Faisceau de cables 100/35/54/terre Viessmann 7826391
Faisceau de cables 100/35/54/terre
Code article PEX: 250640
Viessmann
Réf fabricant: 7826391
± 3 jours ouvrés
62,40 € TTC
Faisceau de cables ionisat./km-bus inter Viessmann 7826394
Faisceau de cables ionisat./km-bus inter
Code article PEX: 298562
Viessmann
Réf fabricant: 7826394
 
obsolète
 
Plaque de protection Viessmann 7817523
Plaque de protection
Code article PEX: 246382
Viessmann
Réf fabricant: 7817523
± 3 jours ouvrés
48,00 € TTC
Groupe de raccordement vase d expansion Viessmann 7274239
Groupe de raccordement vase d expansion
Code article PEX: 242093
Viessmann
Réf fabricant: 7274239
± 3 jours ouvrés
40,80 € TTC
Plastron raccordement vase d expansion Viessmann 7826351
Plastron raccordement vase d expansion
Code article PEX: 250616
Viessmann
Réf fabricant: 7826351
± 3 jours ouvrés
14,76 € TTC
Tube de raccordement depart chauffage Viessmann 7862725
Tube de raccordement depart chauffage
Code article PEX: 367802
Viessmann
Réf fabricant: 7862725
± 3 jours ouvrés
63,60 € TTC
Sonde de pression Viessmann 7826025
Sonde de pression
Code article PEX: 250501
Viessmann
Réf fabricant: 7826025
en stock
74,40 € TTC
Sonde exterieure Viessmann 7820148
Sonde exterieure
Code article PEX: 267735
Viessmann
Réf fabricant: 7820148
en stock
120,00 € TTC
Sonde de fumées Viessmann 7822767
Sonde de fumées
Code article PEX: 248839
Viessmann
Réf fabricant: 7822767
en stock
50,40 € TTC
Aquastat securite (thermocommutateur) Viessmann 7825487
Aquastat securite (thermocommutateur)
Code article PEX: 250281
Viessmann
Réf fabricant: 7825487
en stock
27,60 € TTC
Sonde chaudiere Viessmann 7819967
Sonde chaudiere
Code article PEX: 247809
Viessmann
Réf fabricant: 7819967
en stock
62,40 € TTC
Tole avant vitodens 300 Viessmann 7826365
Tole avant vitodens 300
Code article PEX: 250624
Viessmann
Réf fabricant: 7826365
 
obsolète
 
Clips de fixation Viessmann 7817500
Clips de fixation
Code article PEX: 246366
Viessmann
Réf fabricant: 7817500
± 3 jours ouvrés
9,48 € TTC
Bombe de peinture blanche vitoweiss Viessmann 7822681
Bombe de peinture blanche vitoweiss
Code article PEX: 248773
Viessmann
Réf fabricant: 7822681
± 3 jours ouvrés
40,80 € TTC
Baton de peinture blanche vitoweiss Viessmann 7822682
Baton de peinture blanche vitoweiss
Code article PEX: 248774
Viessmann
Réf fabricant: 7822682
± 3 jours ouvrés
12,72 € TTC
300 page 3 Mont.anl. vitodens 300-w wb3c
 
Viessmann
Réf fabricant: 5851989
avec délai
sur devis
301 page 6 Serv.anl. vitodens 300-w wb3c
 
Viessmann
Réf fabricant: 5681673
avec délai
sur devis
302 page 6 Bed.anl. vitotronic 100 hc1
 
Viessmann
Réf fabricant: 5581452
avec délai
sur devis
303 page 3 Bed.anl. vitotronic 200 ho1
 
Viessmann
Réf fabricant: 5581511
avec délai
sur devis
Dispositif de retours Grundfos Viessmann 7825722
Dispositif de retours grundfos
Code article PEX: 250415
Viessmann
Réf fabricant: 7825722
en stock
228,00 € TTC
Adaptateur pour moteur pas a pas Viessmann 7825723
Adaptateur pour moteur pas a pas
Code article PEX: 250416
Viessmann
Réf fabricant: 7825723
en stock
72,00 € TTC


Dans cette page vous trouverez l'ensemble des articles et pièces détachées de chaufferie qui composent la nomenclature Chaudière Viessmann VITODENS 300 W WB3C 26KW (7199539) ainsi que des liens vers les articles Viessmann. En parcourant la page Viessmann, vous pourrez également trouver toutes les pièces Viessmann présentes chez Pièces Express. L'indication de stock vous permet de savoir si la pièce détachée est disponible dans notre stock central ou bien avec un délai fournisseur. Dans ce dernier cas, renseignez vous, nous commandons très régulièrement chez chacun de nos fournisseurs, nous pouvons donc certainement répondre à votre besoin rapidement.

Nos marques
Nos catalogues
Nos outils
Nos gicleurs fioul
Nos bougies pour poêles à pellets
Pièces détachées de chauffage et climatisation
PIÈCES EXPRESS
1 rue Philippe LEBON
ZA Henri Spriet
14120 MONDEVILLE
Téléphone: 02 14 47 16 10
Siret: 790 553 242 00013
Tva: FR 38 790553242