Pièces détachées de chauffage et climatisation
Plus de 650 000 références fabricants disponibles
Livraison en France et en Belgique
4.7
MARQUES ▾
CATALOGUES ▾
VUES ÉCLATÉES ▾ CODES DÉFAUTS ▾
OUTILS DE RECHERCHE ▾
FAQ / TUTOS
DÉSTOCKAGE
>
VOTRE RECHERCHE

Brûleur Viessmann BLUETWIN 18 kW (7259649)



page 1
page 2
Pièces détachées Brûleur Viessmann BLUETWIN 18 kW (7259649) chez Pièces Express


Référence fabricant
Position Schéma
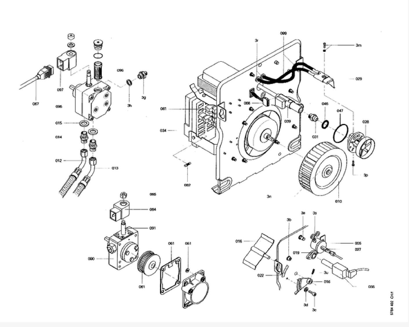
7822970 Tete de bruleur vek gr.1 15/18 kw 0002
7318979 Piece pour bruleur 0003
7218504 Joint bride bruleur 0004
7810132 Ecrou reglage pour bruleur 0005
7813724 Brennergehäuse 18-27kw 0006
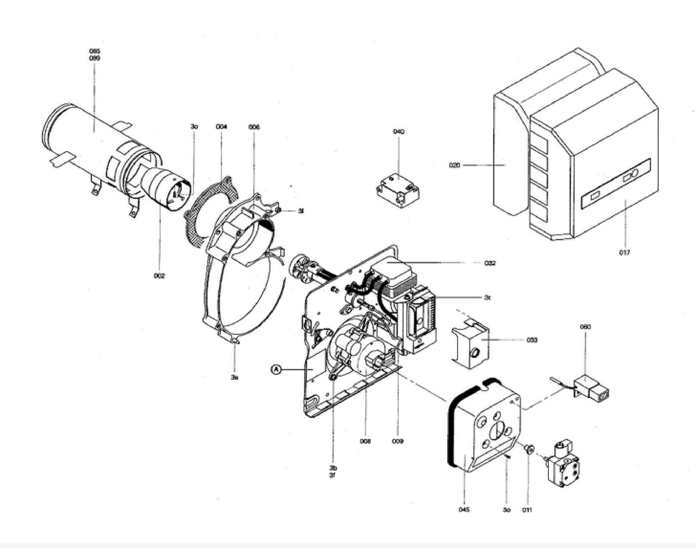
7813586 Fixations pour capot bruleur 0007
7836335 Moteur pour brûleur 0008
7812755 Conduite fuel 0009
7815284 Turbine ø160 x 34 mm 0010
7218426 Pièces d'accouplement brûleur fuel (sachet de 3) 0011
7875229 Viessmann : set olschlauche vor-/rucklau 0012
7875229 Viessmann : set olschlauche vor-/rucklau 0013
7818891 Mamelon pompe fuel 0014
7218748 Joint cuivre d'étanchéité cu 1/4" 0015
7305046 Clapet de reglage d air 0016
7812459 Capot bruleur 0017
7815741 Bride de raccordement 0019
7238523 Matelas amortisseur bruit 0020
7810087 Skalen-aufkleber 0022
7817281 Diffuseur vek qrb gr.1 0028
7810727 Electrode allumage pour bruleur 0029
7815799 Gicleur 0,5 gph 70° hf 0031
7819463 Transfo allumage zm 20/10 0032
7832743 Boitier de controle fuel lmo 14.111c2v 0033
7818899 Console pour relais bruleur mazout 0034
7855500 Detecteur lumiere ir 1010.1 axial blanc 0035
7254782 Prechauffage fuel 0039
7818897 Transformateur d'allumage danfoss 0040
7812697 Volet d air 0045
7815125 Joint torique 19 x 2,5 simrit 0046
7815981 Joint torique diffuseur. 54,0 x 3,0 mm 0047
7813983 Kit capot bruleur avec poignee 0051
7812536 Beipack brennergehäuse 0052
5481729 Mont.anl. bluetwin-olbr. 15-50kw 0053
5581287 Bed.anl. unit-olbrenner vegvi 15-33 0054
5781533 Et-bildl. bluetwin-olbr. 0055
5681264 Serv.anl. bluetwin-olbr. vegv 15-50kw 0056
7817919 Kit pieces pour pompe fuel suntec 0061
7838979 Bobine t80 pour electrovanne ( suntec ) 0064
7815297 Ecrou d electro-vanne 0065
7814345 Cable prechauffeur fuel et flexible 0066
7814346 Cable de raccordement electrovanne 0067
7218473 Compteur d heures pour bruleur mazout 0080
7404364 Fusible t 4,0 a / 250 v 0082
7241687 Insert brûleur vitola 18 kw 0085
7241779 Insert brûleur 18 kw 0089
7840263 Pompe a fuel alv 35 c 9619 6p 07 00 0090
7815738 Noyau electrovanne 0091
7834256 Pompe fuel bfp21 0095
7818904 Filtre pompe a fuel 0096
7858539 Bobine t85 plus 0097
7815942 Cable d allumage 300 mm 0099


Les images des vues éclatées peuvent contenir des prix datant de plusieurs années, merci de ne pas en tenir compte










Pièces détachées contenues dans cet appareil Brûleur Viessmann BLUETWIN 18 kW (7259649)



Photo Position vue éclatée Article Référence fabricant Disponibilité et prix  
Tete de bruleur vek gr.1 15/18 kw Viessmann 7822970
Tete de bruleur vek gr.1 15/18 kw
Code article PEX: 248993
Viessmann
Réf fabricant: 7822970
± 3 jours ouvrés
252,00 € TTC
Piece pour bruleur Viessmann 7318979
Piece pour bruleur
Code article PEX: 242323
Viessmann
Réf fabricant: 7318979
± 3 jours ouvrés
158,40 € TTC
Joint bride bruleur Viessmann 7218504
Joint bride bruleur
Code article PEX: 241013
Viessmann
Réf fabricant: 7218504
en stock
25,20 € TTC
Ecrou reglage pour bruleur Viessmann 7810132
Ecrou reglage pour bruleur
Code article PEX: 243764
Viessmann
Réf fabricant: 7810132
± 3 jours ouvrés
25,20 € TTC
0006 page 1 Brennergehäuse 18-27kw
 
Viessmann
Réf fabricant: 7813724
avec délai
sur devis
Fixations pour capot bruleur Viessmann 7813586
Fixations pour capot bruleur
Code article PEX: 244846
Viessmann
Réf fabricant: 7813586
± 3 jours ouvrés
14,28 € TTC
Moteur pour brûleur Viessmann 7836335
Moteur pour brûleur
Code article PEX: 267688
Viessmann
Réf fabricant: 7836335
en stock
331,20 € TTC
Conduite fuel Viessmann 7812755
Conduite fuel
Code article PEX: 244652
Viessmann
Réf fabricant: 7812755
± 3 jours ouvrés
75,60 € TTC
Turbine Ø160 x 34 mm Viessmann 7815284
Turbine ø160 x 34 mm
Code article PEX: 245345
Viessmann
Réf fabricant: 7815284
en stock
80,40 € TTC
Pièces d'accouplement brûleur fuel (sachet de 3) Viessmann 7218426
Pièces d'accouplement brûleur fuel (sachet de 3)
Code article PEX: 241006
Viessmann
Réf fabricant: 7218426
en stock
12,24 € TTC
Viessmann : set olschlauche vor-/rucklau Viessmann 7875229
Viessmann : set olschlauche vor-/rucklau
Code article PEX: 662956
Viessmann
Réf fabricant: 7875229
en stock
46,80 € TTC
Mamelon pompe fuel Viessmann 7818891
Mamelon pompe fuel
Code article PEX: 247097
Viessmann
Réf fabricant: 7818891
± 3 jours ouvrés
25,20 € TTC
Joint cuivre d'étanchéité CU 1/4" Viessmann 7218748
Joint cuivre d'étanchéité cu 1/4"
Code article PEX: 241021
Viessmann
Réf fabricant: 7218748
± 3 jours ouvrés
16,08 € TTC
Clapet de reglage d air Viessmann 7305046
Clapet de reglage d air
Code article PEX: 242117
Viessmann
Réf fabricant: 7305046
 
obsolète
 
Capot bruleur Viessmann 7812459
Capot bruleur
Code article PEX: 244574
Viessmann
Réf fabricant: 7812459
 
obsolète
 
Bride de raccordement Viessmann 7815741
Bride de raccordement
Code article PEX: 245559
Viessmann
Réf fabricant: 7815741
± 3 jours ouvrés
7,44 € TTC
Matelas amortisseur bruit Viessmann 7238523
Matelas amortisseur bruit
Code article PEX: 241593
Viessmann
Réf fabricant: 7238523
± 3 jours ouvrés
224,40 € TTC
Skalen-aufkleber Viessmann 7810087
Skalen-aufkleber
Code article PEX: 365798
Viessmann
Réf fabricant: 7810087
 
obsolète
 
Diffuseur VEK qrb gr.1 Viessmann 7817281
Diffuseur vek qrb gr.1
Code article PEX: 246246
Viessmann
Réf fabricant: 7817281
± 3 jours ouvrés
108,00 € TTC
Electrode allumage pour bruleur Viessmann 7810727
Electrode allumage pour bruleur
Code article PEX: 243978
Viessmann
Réf fabricant: 7810727
en stock
60,00 € TTC
Gicleur 0,5 gph 70° hf Viessmann 7815799
Gicleur 0,5 gph 70° hf
Code article PEX: 245574
Viessmann
Réf fabricant: 7815799
± 3 jours ouvrés
26,40 € TTC
Transformateur électronique EBI4M Viessmann 7819463
Transformateur électronique ebi4m
Code article PEX: 300281
Viessmann
Réf fabricant: 7819463
en stock
102,00 € TTC
Boitier de controle fuel lmo 14.111c2v Viessmann 7832743
Boitier de controle fuel lmo 14.111c2v
Code article PEX: 252864
Viessmann
Réf fabricant: 7832743
en stock
178,80 € TTC
Console pour relais bruleur mazout Viessmann 7818899
Console pour relais bruleur mazout
Code article PEX: 247104
Viessmann
Réf fabricant: 7818899
en stock
237,60 € TTC
Detecteur lumiere ir 1010.1 axial blanc Viessmann 7855500
Detecteur lumiere ir 1010.1 axial blanc
Code article PEX: 316103
Viessmann
Réf fabricant: 7855500
en stock
272,40 € TTC
Prechauffage fuel Viessmann 7254782
Prechauffage fuel
Code article PEX: 241946
Viessmann
Réf fabricant: 7254782
± 3 jours ouvrés
243,60 € TTC
Transformateur électronique EBI4M Viessmann 7818897
Transformateur électronique ebi4m
Code article PEX: 300281
Viessmann
Réf fabricant: 7818897
en stock
102,00 € TTC
Volet d air Viessmann 7812697
Volet d air
Code article PEX: 244637
Viessmann
Réf fabricant: 7812697
 
obsolète
 
Joint torique 19 x 2,5 simrit Viessmann 7815125
Joint torique 19 x 2,5 simrit
Code article PEX: 245278
Viessmann
Réf fabricant: 7815125
± 3 jours ouvrés
9,84 € TTC
Joint torique diffuseur. 54,0 x 3,0 mm Viessmann 7815981
Joint torique diffuseur. 54,0 x 3,0 mm
Code article PEX: 245636
Viessmann
Réf fabricant: 7815981
± 3 jours ouvrés
8,76 € TTC
Kit capot bruleur avec poignee Viessmann 7813983
Kit capot bruleur avec poignee
Code article PEX: 244974
Viessmann
Réf fabricant: 7813983
± 3 jours ouvrés
46,80 € TTC
0052 page 1 Beipack brennergehäuse
 
Viessmann
Réf fabricant: 7812536
avec délai
sur devis
0053 page 1 Mont.anl. bluetwin-olbr. 15-50kw
 
Viessmann
Réf fabricant: 5481729
avec délai
sur devis
0054 page 1 Bed.anl. unit-olbrenner vegvi 15-33
 
Viessmann
Réf fabricant: 5581287
avec délai
sur devis
0055 page 2 Et-bildl. bluetwin-olbr.
 
Viessmann
Réf fabricant: 5781533
avec délai
sur devis
0056 page 1 Serv.anl. bluetwin-olbr. vegv 15-50kw
 
Viessmann
Réf fabricant: 5681264
avec délai
sur devis
Kit pieces pour pompe fuel suntec Viessmann 7817919
Kit pieces pour pompe fuel suntec
Code article PEX: 246597
Viessmann
Réf fabricant: 7817919
en stock
43,20 € TTC
Bobine t80 pour electrovanne ( suntec ) Viessmann 7838979
Bobine t80 pour electrovanne ( suntec )
Code article PEX: 300644
Viessmann
Réf fabricant: 7838979
en stock
84,00 € TTC
Ecrou d electro-vanne Viessmann 7815297
Ecrou d electro-vanne
Code article PEX: 245356
Viessmann
Réf fabricant: 7815297
 
obsolète
 
Cable prechauffeur fuel et flexible Viessmann 7814345
Cable prechauffeur fuel et flexible
Code article PEX: 245061
Viessmann
Réf fabricant: 7814345
± 3 jours ouvrés
36,00 € TTC
Cable de raccordement electrovanne Viessmann 7814346
Cable de raccordement electrovanne
Code article PEX: 245062
Viessmann
Réf fabricant: 7814346
± 3 jours ouvrés
28,80 € TTC
Compteur d heures pour bruleur mazout Viessmann 7218473
Compteur d heures pour bruleur mazout
Code article PEX: 475324
Viessmann
Réf fabricant: 7218473
± 3 jours ouvrés
159,60 € TTC
Fusible t 4,0 a / 250 v Viessmann 7404364
Fusible t 4,0 a / 250 v
Code article PEX: 243454
Viessmann
Réf fabricant: 7404364
± 3 jours ouvrés
9,36 € TTC
Insert brûleur Vitola 18 kw Viessmann 7241687
Insert brûleur vitola 18 kw
Code article PEX: 241695
Viessmann
Réf fabricant: 7241687
± 3 jours ouvrés
568,80 € TTC
Insert brûleur 18 kw Viessmann 7241779
Insert brûleur 18 kw
Code article PEX: 241703
Viessmann
Réf fabricant: 7241779
± 3 jours ouvrés
568,80 € TTC
Pompe a fuel alv 35 c 9619 6p 07 00 Viessmann 7840263
Pompe a fuel alv 35 c 9619 6p 07 00
Code article PEX: 301002
Viessmann
Réf fabricant: 7840263
en stock
232,80 € TTC
Noyau electrovanne Viessmann 7815738
Noyau electrovanne
Code article PEX: 245557
Viessmann
Réf fabricant: 7815738
en stock
120,00 € TTC
Pompe fuel bfp21 Viessmann 7834256
Pompe fuel bfp21
Code article PEX: 253312
Viessmann
Réf fabricant: 7834256
en stock
241,20 € TTC
Filtre pompe a fuel Viessmann 7818904
Filtre pompe a fuel
Code article PEX: 247107
Viessmann
Réf fabricant: 7818904
± 3 jours ouvrés
39,60 € TTC
Bobine t85 plus Viessmann 7858539
Bobine t85 plus
Code article PEX: 477158
Viessmann
Réf fabricant: 7858539
en stock
84,00 € TTC
Cable d allumage 300 mm Viessmann 7815942
Cable d allumage 300 mm
Code article PEX: 245616
Viessmann
Réf fabricant: 7815942
± 3 jours ouvrés
43,20 € TTC


Dans cette page vous trouverez l'ensemble des articles et pièces détachées de chaufferie qui composent la nomenclature Brûleur Viessmann BLUETWIN 18 kW (7259649) ainsi que des liens vers les articles Viessmann. En parcourant la page Viessmann, vous pourrez également trouver toutes les pièces Viessmann présentes chez Pièces Express. L'indication de stock vous permet de savoir si la pièce détachée est disponible dans notre stock central ou bien avec un délai fournisseur. Dans ce dernier cas, renseignez vous, nous commandons très régulièrement chez chacun de nos fournisseurs, nous pouvons donc certainement répondre à votre besoin rapidement.

Nos marques
Nos catalogues
Nos outils
Nos gicleurs fioul
Nos bougies pour poêles à pellets
Pièces détachées de chauffage et climatisation
PIÈCES EXPRESS
1 rue Philippe LEBON
ZA Henri Spriet
14120 MONDEVILLE
Téléphone: 02 14 47 16 10
Siret: 790 553 242 00013
Tva: FR 38 790553242

4.7
156 avis