Pièces détachées de chauffage et climatisation
Plus de 650 000 références fabricants disponibles
Livraison en France et en Belgique
4.7
MARQUES ▾
CATALOGUES ▾
VUES ÉCLATÉES ▾ CODES DÉFAUTS ▾
OUTILS DE RECHERCHE ▾
FAQ / TUTOS
DÉSTOCKAGE
>
VOTRE RECHERCHE

Brûleur Viessmann VITOFLAME 300 VHG 18 kW (7170254)



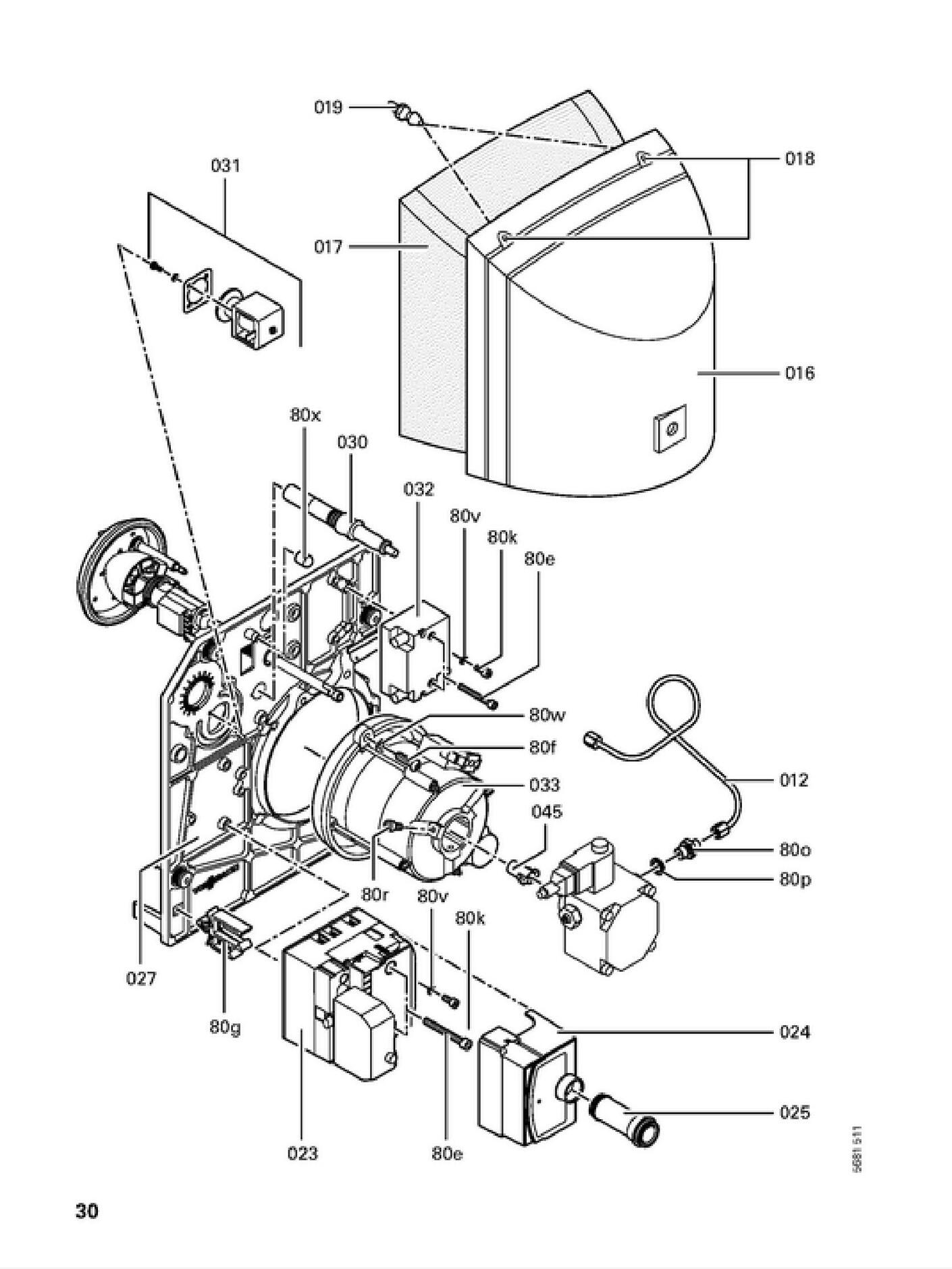
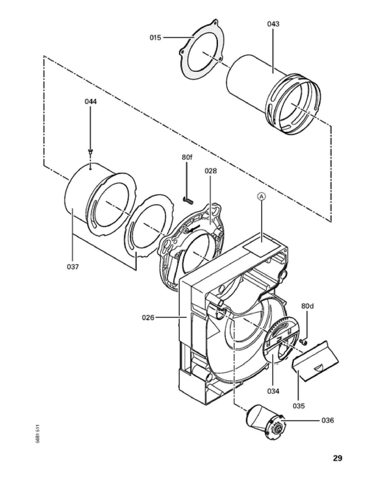
page 1
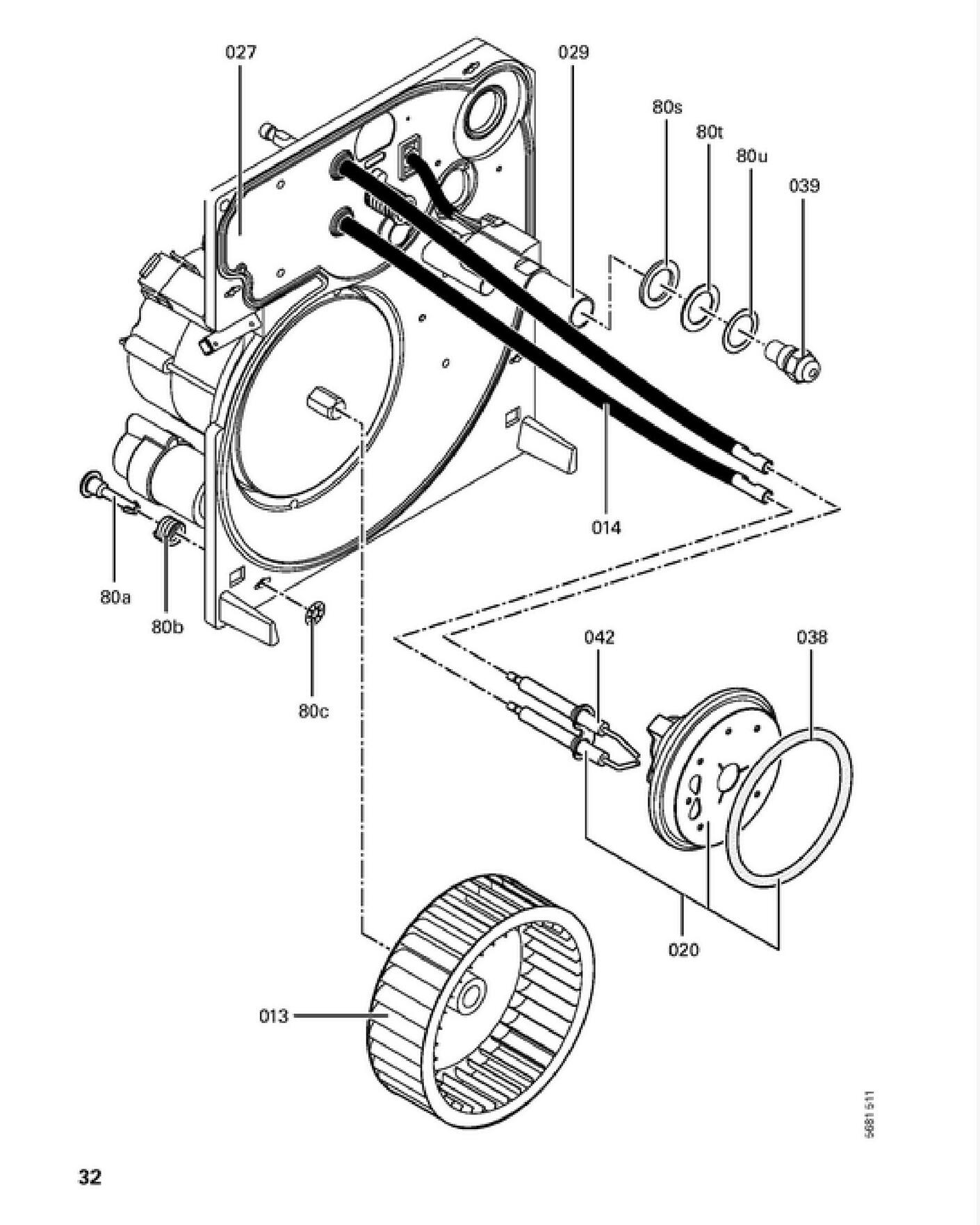
page 2
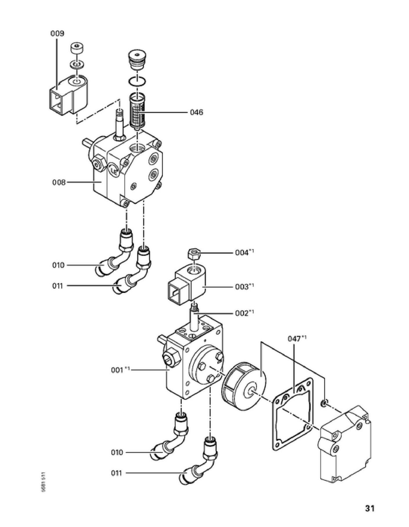
page 3
page 4
Pièces détachées Brûleur Viessmann VITOFLAME 300 VHG 18 kW (7170254) chez Pièces Express


Référence fabricant
Position Schéma
7840264 Pompe fioul alev 35 c 9356 6p 07 00 0001
7815738 Noyau electrovanne 0002
7838979 Bobine t80 pour electrovanne ( suntec ) 0003
7815297 Ecrou d electro-vanne 0004
7875238 Viessmann : set olschlauche vor-/rucklau 0006
7875238 Viessmann : set olschlauche vor-/rucklau 0007
7834257 Pompe fioul bfp21 l3 le-s 0008
7858539 Bobine t85 plus 0009
7827478 Kit de rechange flexibles fioul 1000 mm 0010
7827478 Kit de rechange flexibles fioul 1000 mm 0011
7818093 Conduite de fioul 0012
7818082 Turbine d=133 x 42 vek 0013
7818073 Cable électrodes 0014
7218504 Joint bride bruleur 0015
7188478 Capot vitoflame 300 vhg r05 0016
7818089 Matelas refractaire avec colle gr.i 0017
7819282 Fermeture capot bruleur 0018
7810200 Fixation capot bruleur 0019
7840436 Déflecteur 18 kw vhg 0020
7833937 Matelas insonorisant vgh pour sav 0022
7823567 Console interrupteur agc 24.131v 0023
7824201 Boîtier de contrôle brûleur fioul lmo54.210b2v 0024
7822297 Rallonge bouton de rearmement agk20.55 0025
7822298 Carter de bruleur gr.1 vhg 0026
7822299 Chassis porte bruleur vhg vitoflame 300 0027
7822300 Bride de bruleur vhg 0028
7840464 Ligne de gicleurs avec prechauffeur gr.1 0029
7822302 Surveillance de flamme qrc1 0030
7828374 Electro-aimant 0031
7832744 Transformateur électronique ebi4m 0032
7836325 Moteur de turbine 90 watt 0033
7817878 Aspiration d air gr.2 0034
7817879 Aspiration d air gr.1 0035
7822312 Volet d air gr.1 0036
7822330 Pot de bruleur vhg gr.1 0037
7822304 Cordon d'étanchéité 6 mm 0038
7822307 Gicleur 0,4 gph 80° s le 0039
7828654 Bouchon electro-aimant 0041
7839971 Bloc d'électrodes d'allumage (7508848) 0042
7822309 Tête de brûleur vhg gr1 vitoflame 300 0043
7252192 Sachet de rivets pop 0044
7836850 Accouplement vek jusqu a 63 kw 0045
7818904 Filtre pompe a fioul 0046
7817919 Kit pieces pour pompe fioul suntec 0047
5851431 Mont.anl. vitoflame 300 vhg 0048
5681511 Serv.anl. vitoflame 300 vhg 0049
7147839 Accessoires bruleur hg 0050
5781972 Et-bildl. vitoflame 300 0051
7822310 Sachet petits accessoires 0080
7834147 Plastron emboitable 0081
7839391 Cable 3 poles moteur bruleur fioul 0200


Les images des vues éclatées peuvent contenir des prix datant de plusieurs années, merci de ne pas en tenir compte










Pièces détachées contenues dans cet appareil Brûleur Viessmann VITOFLAME 300 VHG 18 kW (7170254)



Photo Position vue éclatée Article Référence fabricant Disponibilité et prix  
Pompe fioul alev 35 c 9356 6p 07 00 Viessmann 7840264
Pompe fioul alev 35 c 9356 6p 07 00
Code article PEX: 301003
Viessmann
Réf fabricant: 7840264
en stock
234,00 € TTC
Noyau electrovanne Viessmann 7815738
Noyau electrovanne
Code article PEX: 245557
Viessmann
Réf fabricant: 7815738
en stock
116,40 € TTC
Bobine t80 pour electrovanne ( suntec ) Viessmann 7838979
Bobine t80 pour electrovanne ( suntec )
Code article PEX: 300644
Viessmann
Réf fabricant: 7838979
En cours de réappro
79,20 € TTC
Ecrou d electro-vanne Viessmann 7815297
Ecrou d electro-vanne
Code article PEX: 245356
Viessmann
Réf fabricant: 7815297
 
obsolète
 
Viessmann : set olschlauche vor-/rucklau Viessmann 7875238
Viessmann : set olschlauche vor-/rucklau
Code article PEX: 662957
Viessmann
Réf fabricant: 7875238
± 3 jours ouvrés
42,00 € TTC
Pompe fioul bfp21 l3 le-s Viessmann 7834257
Pompe fioul bfp21 l3 le-s
Code article PEX: 253313
Viessmann
Réf fabricant: 7834257
en stock
234,00 € TTC
Bobine t85 plus Viessmann 7858539
Bobine t85 plus
Code article PEX: 477158
Viessmann
Réf fabricant: 7858539
en stock
79,20 € TTC
Kit de rechange flexibles fioul 1000 mm Viessmann 7827478
Kit de rechange flexibles fioul 1000 mm
Code article PEX: 251177
Viessmann
Réf fabricant: 7827478
en stock
40,80 € TTC
Conduite de fioul Viessmann 7818093
Conduite de fioul
Code article PEX: 246733
Viessmann
Réf fabricant: 7818093
± 3 jours ouvrés
36,00 € TTC
Turbine d=133 x 42 vek Viessmann 7818082
Turbine d=133 x 42 vek
Code article PEX: 246723
Viessmann
Réf fabricant: 7818082
en stock
62,40 € TTC
Cable électrodes Viessmann 7818073
Cable électrodes
Code article PEX: 246716
Viessmann
Réf fabricant: 7818073
en stock
39,60 € TTC
Joint bride bruleur Viessmann 7218504
Joint bride bruleur
Code article PEX: 241013
Viessmann
Réf fabricant: 7218504
en stock
22,80 € TTC
Capot vitoflame 300 vhg r05 Viessmann 7188478
Capot vitoflame 300 vhg r05
Code article PEX: 240745
Viessmann
Réf fabricant: 7188478
 
obsolète
 
Matelas refractaire avec colle gr.i Viessmann 7818089
Matelas refractaire avec colle gr.i
Code article PEX: 246729
Viessmann
Réf fabricant: 7818089
± 3 jours ouvrés
123,60 € TTC
Fermeture capot bruleur Viessmann 7819282
Fermeture capot bruleur
Code article PEX: 247332
Viessmann
Réf fabricant: 7819282
en stock
17,64 € TTC
Fixation capot bruleur Viessmann 7810200
Fixation capot bruleur
Code article PEX: 243801
Viessmann
Réf fabricant: 7810200
± 3 jours ouvrés
9,48 € TTC
Déflecteur 18 kW VHG Viessmann 7840436
Déflecteur 18 kw vhg
Code article PEX: 301054
Viessmann
Réf fabricant: 7840436
± 3 jours ouvrés
272,40 € TTC
Matelas insonorisant vgh pour sav Viessmann 7833937
Matelas insonorisant vgh pour sav
Code article PEX: 253215
Viessmann
Réf fabricant: 7833937
± 3 jours ouvrés
56,40 € TTC
Console interrupteur agc 24.131v Viessmann 7823567
Console interrupteur agc 24.131v
Code article PEX: 249390
Viessmann
Réf fabricant: 7823567
en stock
181,20 € TTC
Boîtier de contrôle brûleur fioul LMO54.210B2V Viessmann 7824201
Boîtier de contrôle brûleur fioul lmo54.210b2v
Code article PEX: 249703
Viessmann
Réf fabricant: 7824201
En cours de réappro
261,60 € TTC
Rallonge bouton de rearmement agk20.55 Viessmann 7822297
Rallonge bouton de rearmement agk20.55
Code article PEX: 248529
Viessmann
Réf fabricant: 7822297
± 3 jours ouvrés
17,64 € TTC
Carter de bruleur gr.1 vhg Viessmann 7822298
Carter de bruleur gr.1 vhg
Code article PEX: 248530
Viessmann
Réf fabricant: 7822298
± 3 jours ouvrés
313,20 € TTC
Chassis porte bruleur vhg vitoflame 300 Viessmann 7822299
Chassis porte bruleur vhg vitoflame 300
Code article PEX: 248531
Viessmann
Réf fabricant: 7822299
± 3 jours ouvrés
144,00 € TTC
Bride de bruleur vhg Viessmann 7822300
Bride de bruleur vhg
Code article PEX: 248532
Viessmann
Réf fabricant: 7822300
± 3 jours ouvrés
88,80 € TTC
Ligne de gicleurs avec prechauffeur gr.1 Viessmann 7840464
Ligne de gicleurs avec prechauffeur gr.1
Code article PEX: 301069
Viessmann
Réf fabricant: 7840464
± 3 jours ouvrés
204,00 € TTC
Surveillance de flamme qrc1 Viessmann 7822302
Surveillance de flamme qrc1
Code article PEX: 764257
Viessmann
Réf fabricant: 7822302
En cours de réappro
284,39 € TTC
Electro-aimant Viessmann 7828374
Electro-aimant
Code article PEX: 251547
Viessmann
Réf fabricant: 7828374
en stock
152,40 € TTC
Allumeur EBI4 2x7,5 230v Viessmann 7832744
Allumeur ebi4 2x7,5 230v
Code article PEX: 342994
Viessmann
Réf fabricant: 7832744
en stock
79,12 € TTC
Moteur de turbine 90 watt Viessmann 7836325
Moteur de turbine 90 watt
Code article PEX: 299993
Viessmann
Réf fabricant: 7836325
En cours de réappro
255,60 € TTC
Aspiration d air gr.2 Viessmann 7817878
Aspiration d air gr.2
Code article PEX: 246576
Viessmann
Réf fabricant: 7817878
± 3 jours ouvrés
24,00 € TTC
Aspiration d air gr.1 Viessmann 7817879
Aspiration d air gr.1
Code article PEX: 246577
Viessmann
Réf fabricant: 7817879
en stock
17,64 € TTC
Volet d air gr.1 Viessmann 7822312
Volet d air gr.1
Code article PEX: 248543
Viessmann
Réf fabricant: 7822312
en stock
45,60 € TTC
Pot de bruleur vhg gr.1 Viessmann 7822330
Pot de bruleur vhg gr.1
Code article PEX: 248556
Viessmann
Réf fabricant: 7822330
± 3 jours ouvrés
508,80 € TTC
Cordon d'étanchéité 6 mm Viessmann 7822304
Cordon d'étanchéité 6 mm
Code article PEX: 248536
Viessmann
Réf fabricant: 7822304
± 3 jours ouvrés
26,40 € TTC
Gicleur 0,4 gph 80° s le Viessmann 7822307
Gicleur 0,4 gph 80° s le
Code article PEX: 248539
Viessmann
Réf fabricant: 7822307
± 3 jours ouvrés
56,40 € TTC
Bouchon electro-aimant Viessmann 7828654
Bouchon electro-aimant
Code article PEX: 251635
Viessmann
Réf fabricant: 7828654
± 3 jours ouvrés
18,24 € TTC
Bloc d'électrodes d'allumage (7508848) Viessmann 7839971
Bloc d'électrodes d'allumage (7508848)
Code article PEX: 267682
Viessmann
Réf fabricant: 7839971
en stock
55,20 € TTC
Tête de brûleur VHG GR1 Vitoflame 300 Viessmann 7822309
Tête de brûleur vhg gr1 vitoflame 300
Code article PEX: 248541
Viessmann
Réf fabricant: 7822309
en stock
316,81 € TTC
Sachet de rivets pop Viessmann 7252192
Sachet de rivets pop
Code article PEX: 241849
Viessmann
Réf fabricant: 7252192
± 3 jours ouvrés
10,44 € TTC
Accouplement vek jusqu a 63 kw Viessmann 7836850
Accouplement vek jusqu a 63 kw
Code article PEX: 300204
Viessmann
Réf fabricant: 7836850
en stock
14,76 € TTC
Filtre pompe a fioul Viessmann 7818904
Filtre pompe a fioul
Code article PEX: 247107
Viessmann
Réf fabricant: 7818904
± 3 jours ouvrés
36,00 € TTC
Kit pieces pour pompe fioul suntec Viessmann 7817919
Kit pieces pour pompe fioul suntec
Code article PEX: 246597
Viessmann
Réf fabricant: 7817919
en stock
39,60 € TTC
0048 page 4 Mont.anl. vitoflame 300 vhg
 
Viessmann
Réf fabricant: 5851431
avec délai
sur devis
0049 page 4 Serv.anl. vitoflame 300 vhg
 
Viessmann
Réf fabricant: 5681511
avec délai
sur devis
Accessoires bruleur hg Viessmann 7147839
Accessoires bruleur hg
Code article PEX: 240621
Viessmann
Réf fabricant: 7147839
± 3 jours ouvrés
50,40 € TTC
0051 page 3 Et-bildl. vitoflame 300
 
Viessmann
Réf fabricant: 5781972
avec délai
sur devis
Sachet petits accessoires Viessmann 7822310
Sachet petits accessoires
Code article PEX: 248542
Viessmann
Réf fabricant: 7822310
± 3 jours ouvrés
66,00 € TTC
Plastron emboitable Viessmann 7834147
Plastron emboitable
Code article PEX: 253261
Viessmann
Réf fabricant: 7834147
± 3 jours ouvrés
13,68 € TTC
Cable 3 poles moteur bruleur fioul Viessmann 7839391
Cable 3 poles moteur bruleur fioul
Code article PEX: 315306
Viessmann
Réf fabricant: 7839391
± 3 jours ouvrés
48,00 € TTC


Dans cette page vous trouverez l'ensemble des articles et pièces détachées de chaufferie qui composent la nomenclature Brûleur Viessmann VITOFLAME 300 VHG 18 kW (7170254) ainsi que des liens vers les articles Viessmann. En parcourant la page Viessmann, vous pourrez également trouver toutes les pièces Viessmann présentes chez Pièces Express. L'indication de stock vous permet de savoir si la pièce détachée est disponible dans notre stock central ou bien avec un délai fournisseur. Dans ce dernier cas, renseignez vous, nous commandons très régulièrement chez chacun de nos fournisseurs, nous pouvons donc certainement répondre à votre besoin rapidement.

Nos marques
Nos catalogues
Nos outils
Nos gicleurs fioul
Nos bougies pour poêles à pellets
Pièces détachées de chauffage et climatisation
PIÈCES EXPRESS
1 rue Philippe LEBON
ZA Henri Spriet
14120 MONDEVILLE
Téléphone: 02 14 47 16 10
Siret: 790 553 242 00013
Tva: FR 38 790553242

4.7
146 avis