Pièces détachées de chauffage et climatisation
Plus de 650 000 références fabricants disponibles
Livraison en France et en Belgique
4.7
MARQUES ▾
CATALOGUES ▾
VUES ÉCLATÉES ▾ CODES DÉFAUTS ▾
OUTILS DE RECHERCHE ▾
FAQ / TUTOS
DÉSTOCKAGE
>
VOTRE RECHERCHE

Brûleur Viessmann VITOFLAME 200 VEKI 33 kW VENT VR (7441363)



page 1
page 2
page 3
page 4
Pièces détachées Brûleur Viessmann VITOFLAME 200 VEKI 33 kW VENT VR (7441363) chez Pièces Express


Référence fabricant
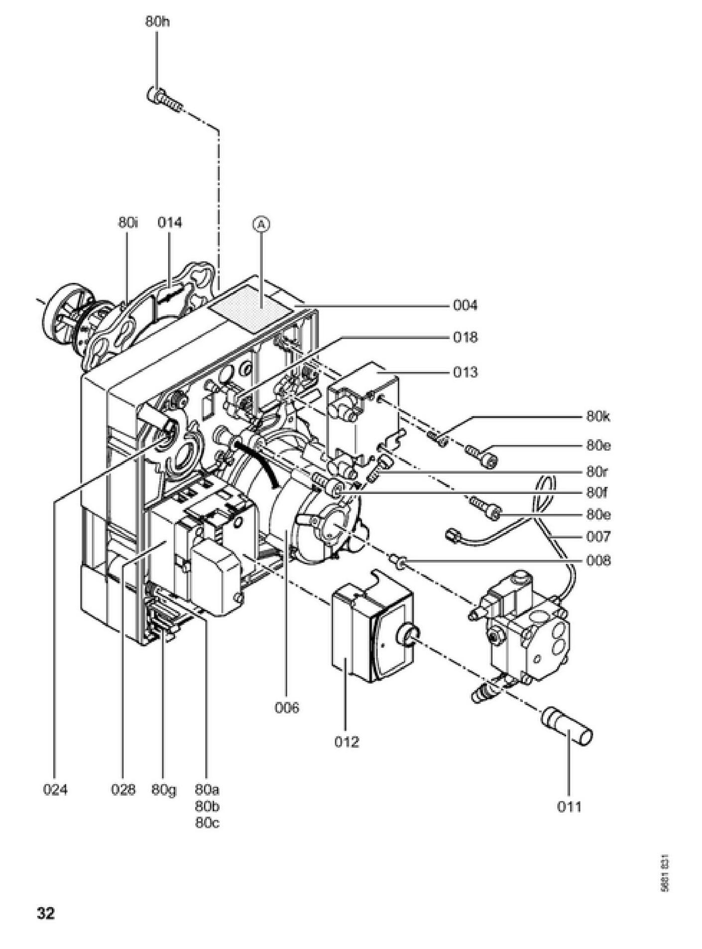
Position Schéma
7823116 Tete de bruleur d1=86 d2=58 0001
7218504 Joint bride bruleur 0002
7827783 Chassis porte bruleur hg fuel 0003
7822141 Envelop. brul. vek gr.1 av.guidage d air 0004
7810200 Fixation capot bruleur 0005
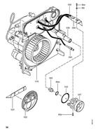
7836325 Moteur de turbine 90 watt 0006
7818093 Conduite de fuel 0007
7836850 Accouplement vek jusqu a 63 kw 0008
7198288 Capot bruleur vitorond r05 0009
7822297 Rallonge bouton de rearmement agk20.55 0011
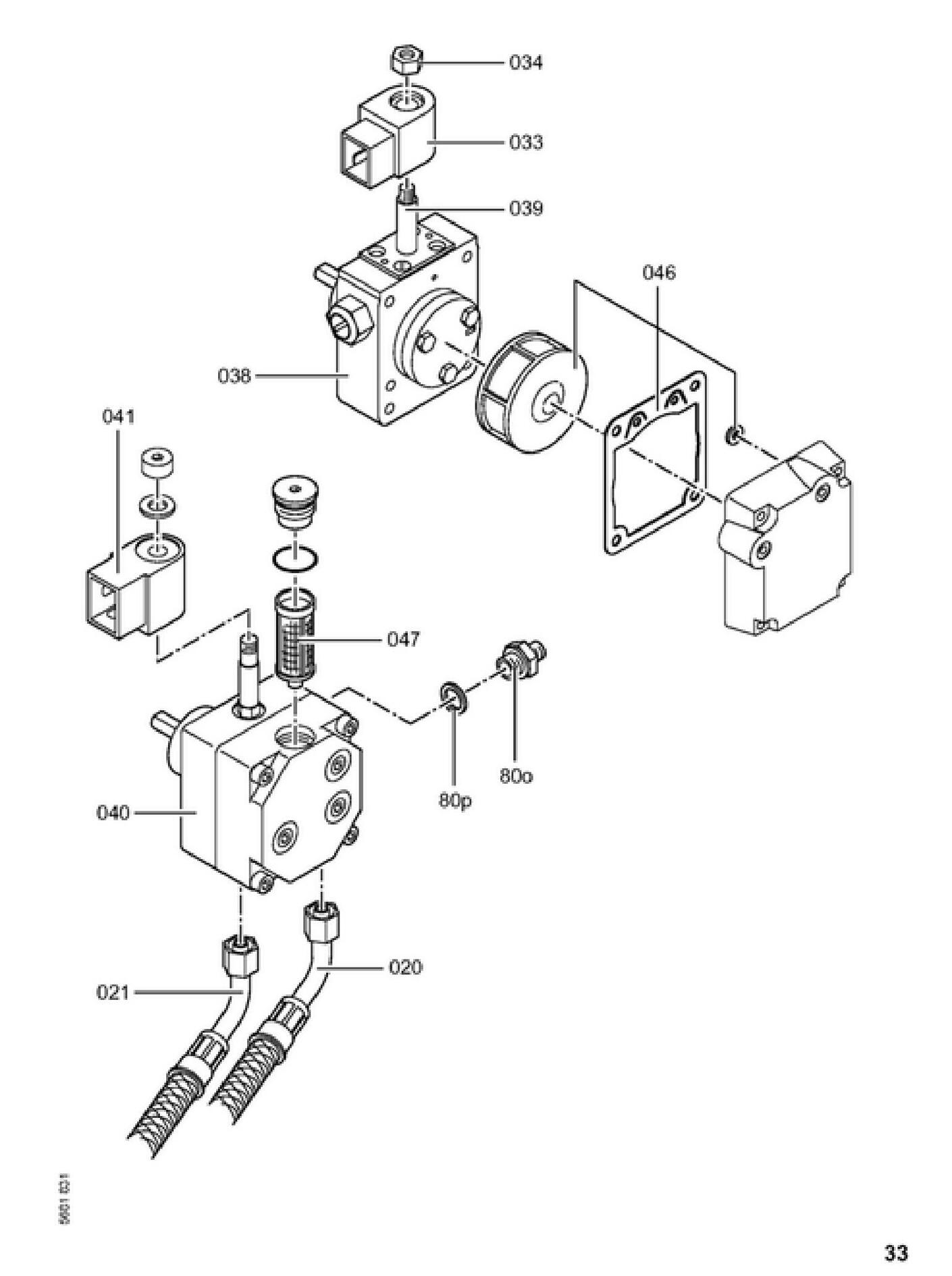
7832743 Boitier de controle fuel lmo 14.111c2v 0012
7832744 Transformateur électronique ebi4m 0013
7818067 Bride bruleur vek gr. i 0014
7818084 Tube de combustion vek 0017
7818083 Molette de reglage gicleur vek 0018
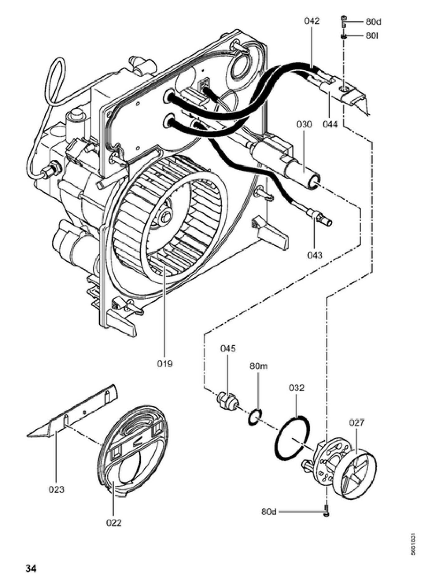
7818082 Turbine d=133 x 42 vek 0019
7827478 Kit de rechange flexibles fuel 1000 mm 0020
7827478 Kit de rechange flexibles fuel 1000 mm 0021
7817877 Diaphragme d aspiration d air gr.1 0022
7817879 Aspiration d air gr.1 0023
7822312 Volet d air gr.1 0024
7817281 Diffuseur vek qrb gr.1 0027
7823567 Console interrupteur agc 24.131v 0028
7840464 Ligne de gicleurs avec prechauffeur gr.1 0030
7815981 Joint torique diffuseur. 54,0 x 3,0 mm 0032
7838979 Bobine t80 pour electrovanne ( suntec ) 0033
7837025 Pompe fuel danfoss bfp21 0037
7840263 Pompe a fuel alv 35 c 9619 6p 07 00 0038
7815738 Noyau electrovanne 0039
7858539 Bobine t85 plus 0041
7818073 Cable électrodes 0042
7855500 Detecteur lumiere ir 1010.1 axial blanc 0043
7810727 Electrode allumage pour bruleur 0044
7820962 Gicleur 0,85 gph 60° sr danfoss 0045
7817919 Kit pieces pour pompe fuel suntec 0046
5851860 Mont.anl. vitofl. 200 vitola/-rond rlu 0071
5681871 Serv.anl. vitoflame 200 vitorond rlu 0072
7428062 Colis acc. bruleur vitoflame 0079
7822310 Sachet petits accessoires 0080
7874963 Viessmann : condensateur 4 f 0150
7837661 Passage de cables 0151
7839391 Cable 3 poles moteur bruleur fuel 0200


Les images des vues éclatées peuvent contenir des prix datant de plusieurs années, merci de ne pas en tenir compte










Pièces détachées contenues dans cet appareil Brûleur Viessmann VITOFLAME 200 VEKI 33 kW VENT VR (7441363)



Photo Position vue éclatée Article Référence fabricant Disponibilité et prix  
Tete de bruleur d1=86 d2=58 Viessmann 7823116
Tete de bruleur d1=86 d2=58
Code article PEX: 249094
Viessmann
Réf fabricant: 7823116
± 3 jours ouvrés
252,00 € TTC
Joint bride bruleur Viessmann 7218504
Joint bride bruleur
Code article PEX: 241013
Viessmann
Réf fabricant: 7218504
en stock
25,20 € TTC
Chassis porte bruleur hg fuel Viessmann 7827783
Chassis porte bruleur hg fuel
Code article PEX: 251265
Viessmann
Réf fabricant: 7827783
± 3 jours ouvrés
165,60 € TTC
Carter de bruleur vhg 18-27 kw Viessmann 7822141
Carter de bruleur vhg 18-27 kw
Code article PEX: 752924
Viessmann
Réf fabricant: 7822141
± 3 jours ouvrés
194,40 € TTC
Fixation capot bruleur Viessmann 7810200
Fixation capot bruleur
Code article PEX: 243801
Viessmann
Réf fabricant: 7810200
± 3 jours ouvrés
9,84 € TTC
Moteur de turbine 90 watt Viessmann 7836325
Moteur de turbine 90 watt
Code article PEX: 299993
Viessmann
Réf fabricant: 7836325
en stock
262,80 € TTC
Conduite de fuel Viessmann 7818093
Conduite de fuel
Code article PEX: 246733
Viessmann
Réf fabricant: 7818093
± 3 jours ouvrés
39,60 € TTC
Accouplement vek jusqu a 63 kw Viessmann 7836850
Accouplement vek jusqu a 63 kw
Code article PEX: 300204
Viessmann
Réf fabricant: 7836850
en stock
15,36 € TTC
Capot bruleur vitorond r05 Viessmann 7198288
Capot bruleur vitorond r05
Code article PEX: 240762
Viessmann
Réf fabricant: 7198288
 
obsolète
 
Rallonge bouton de rearmement agk20.55 Viessmann 7822297
Rallonge bouton de rearmement agk20.55
Code article PEX: 248529
Viessmann
Réf fabricant: 7822297
± 3 jours ouvrés
18,36 € TTC
Boitier de controle fuel lmo 14.111c2v Viessmann 7832743
Boitier de controle fuel lmo 14.111c2v
Code article PEX: 252864
Viessmann
Réf fabricant: 7832743
en stock
178,80 € TTC
Allumeur EBI4 2x7,5 230v Viessmann 7832744
Allumeur ebi4 2x7,5 230v
Code article PEX: 342994
Viessmann
Réf fabricant: 7832744
en stock
79,12 € TTC
Bride bruleur vek gr. i Viessmann 7818067
Bride bruleur vek gr. i
Code article PEX: 246711
Viessmann
Réf fabricant: 7818067
± 3 jours ouvrés
69,60 € TTC
Tube de combustion vek Viessmann 7818084
Tube de combustion vek
Code article PEX: 246725
Viessmann
Réf fabricant: 7818084
± 3 jours ouvrés
247,20 € TTC
Molette de reglage gicleur vek Viessmann 7818083
Molette de reglage gicleur vek
Code article PEX: 246724
Viessmann
Réf fabricant: 7818083
± 3 jours ouvrés
38,40 € TTC
Turbine d=133 x 42 vek Viessmann 7818082
Turbine d=133 x 42 vek
Code article PEX: 246723
Viessmann
Réf fabricant: 7818082
en stock
66,00 € TTC
Kit de rechange flexibles fuel 1000 mm Viessmann 7827478
Kit de rechange flexibles fuel 1000 mm
Code article PEX: 251177
Viessmann
Réf fabricant: 7827478
en stock
44,40 € TTC
Diaphragme d aspiration d air gr.1 Viessmann 7817877
Diaphragme d aspiration d air gr.1
Code article PEX: 246575
Viessmann
Réf fabricant: 7817877
± 3 jours ouvrés
27,60 € TTC
Aspiration d air gr.1 Viessmann 7817879
Aspiration d air gr.1
Code article PEX: 246577
Viessmann
Réf fabricant: 7817879
en stock
18,36 € TTC
Volet d air gr.1 Viessmann 7822312
Volet d air gr.1
Code article PEX: 248543
Viessmann
Réf fabricant: 7822312
en stock
50,40 € TTC
Diffuseur VEK qrb gr.1 Viessmann 7817281
Diffuseur vek qrb gr.1
Code article PEX: 246246
Viessmann
Réf fabricant: 7817281
± 3 jours ouvrés
108,00 € TTC
Console interrupteur agc 24.131v Viessmann 7823567
Console interrupteur agc 24.131v
Code article PEX: 249390
Viessmann
Réf fabricant: 7823567
en stock
187,20 € TTC
Ligne de gicleurs avec prechauffeur gr.1 Viessmann 7840464
Ligne de gicleurs avec prechauffeur gr.1
Code article PEX: 301069
Viessmann
Réf fabricant: 7840464
en stock
210,00 € TTC
Joint torique diffuseur. 54,0 x 3,0 mm Viessmann 7815981
Joint torique diffuseur. 54,0 x 3,0 mm
Code article PEX: 245636
Viessmann
Réf fabricant: 7815981
± 3 jours ouvrés
8,76 € TTC
Bobine t80 pour electrovanne ( suntec ) Viessmann 7838979
Bobine t80 pour electrovanne ( suntec )
Code article PEX: 300644
Viessmann
Réf fabricant: 7838979
en stock
84,00 € TTC
Pompe fuel danfoss bfp21 Viessmann 7837025
Pompe fuel danfoss bfp21
Code article PEX: 253842
Viessmann
Réf fabricant: 7837025
± 3 jours ouvrés
241,20 € TTC
Pompe a fuel alv 35 c 9619 6p 07 00 Viessmann 7840263
Pompe a fuel alv 35 c 9619 6p 07 00
Code article PEX: 301002
Viessmann
Réf fabricant: 7840263
en stock
232,80 € TTC
Noyau electrovanne Viessmann 7815738
Noyau electrovanne
Code article PEX: 245557
Viessmann
Réf fabricant: 7815738
en stock
120,00 € TTC
Bobine t85 plus Viessmann 7858539
Bobine t85 plus
Code article PEX: 477158
Viessmann
Réf fabricant: 7858539
en stock
84,00 € TTC
Cable électrodes Viessmann 7818073
Cable électrodes
Code article PEX: 246716
Viessmann
Réf fabricant: 7818073
en stock
43,20 € TTC
Detecteur lumiere ir 1010.1 axial blanc Viessmann 7855500
Detecteur lumiere ir 1010.1 axial blanc
Code article PEX: 316103
Viessmann
Réf fabricant: 7855500
en stock
272,40 € TTC
Electrode allumage pour bruleur Viessmann 7810727
Electrode allumage pour bruleur
Code article PEX: 243978
Viessmann
Réf fabricant: 7810727
en stock
60,00 € TTC
Gicleur 0,85 gph 60° sr danfoss Viessmann 7820962
Gicleur 0,85 gph 60° sr danfoss
Code article PEX: 248334
Viessmann
Réf fabricant: 7820962
± 3 jours ouvrés
20,04 € TTC
Kit pieces pour pompe fuel suntec Viessmann 7817919
Kit pieces pour pompe fuel suntec
Code article PEX: 246597
Viessmann
Réf fabricant: 7817919
en stock
43,20 € TTC
0071 page 2 Mont.anl. vitofl. 200 vitola/-rond rlu
 
Viessmann
Réf fabricant: 5851860
avec délai
sur devis
0072 page 2 Serv.anl. vitoflame 200 vitorond rlu
 
Viessmann
Réf fabricant: 5681871
avec délai
sur devis
Colis acc. bruleur vitoflame Viessmann 7428062
Colis acc. bruleur vitoflame
Code article PEX: 243631
Viessmann
Réf fabricant: 7428062
± 3 jours ouvrés
33,60 € TTC
Sachet petits accessoires Viessmann 7822310
Sachet petits accessoires
Code article PEX: 248542
Viessmann
Réf fabricant: 7822310
± 3 jours ouvrés
69,60 € TTC
Viessmann : condensateur 4 f Viessmann 7874963
Viessmann : condensateur 4 f
Code article PEX: 662933
Viessmann
Réf fabricant: 7874963
en stock
33,60 € TTC
Passage de cables Viessmann 7837661
Passage de cables
Code article PEX: 253983
Viessmann
Réf fabricant: 7837661
en stock
20,04 € TTC
Cable 3 poles moteur bruleur fuel Viessmann 7839391
Cable 3 poles moteur bruleur fuel
Code article PEX: 315306
Viessmann
Réf fabricant: 7839391
± 3 jours ouvrés
50,40 € TTC


Dans cette page vous trouverez l'ensemble des articles et pièces détachées de chaufferie qui composent la nomenclature Brûleur Viessmann VITOFLAME 200 VEKI 33 kW VENT VR (7441363) ainsi que des liens vers les articles Viessmann. En parcourant la page Viessmann, vous pourrez également trouver toutes les pièces Viessmann présentes chez Pièces Express. L'indication de stock vous permet de savoir si la pièce détachée est disponible dans notre stock central ou bien avec un délai fournisseur. Dans ce dernier cas, renseignez vous, nous commandons très régulièrement chez chacun de nos fournisseurs, nous pouvons donc certainement répondre à votre besoin rapidement.

Nos marques
Nos catalogues
Nos outils
Nos gicleurs fioul
Nos bougies pour poêles à pellets
Pièces détachées de chauffage et climatisation
PIÈCES EXPRESS
1 rue Philippe LEBON
ZA Henri Spriet
14120 MONDEVILLE
Téléphone: 02 14 47 16 10
Siret: 790 553 242 00013
Tva: FR 38 790553242

4.7
153 avis