Pièces détachées de chauffage et climatisation
Plus de 650 000 références fabricants disponibles
Livraison en France et en Belgique
4.7
MARQUES ▾
CATALOGUES ▾
VUES ÉCLATÉES ▾ CODES DÉFAUTS ▾
OUTILS DE RECHERCHE ▾
FAQ / TUTOS
DÉSTOCKAGE
>
VOTRE RECHERCHE

Brûleur Viessmann VR2 40 kW (7259044)



page 1
page 2
Pièces détachées Brûleur Viessmann VR2 40 kW (7259044) chez Pièces Express


Référence fabricant
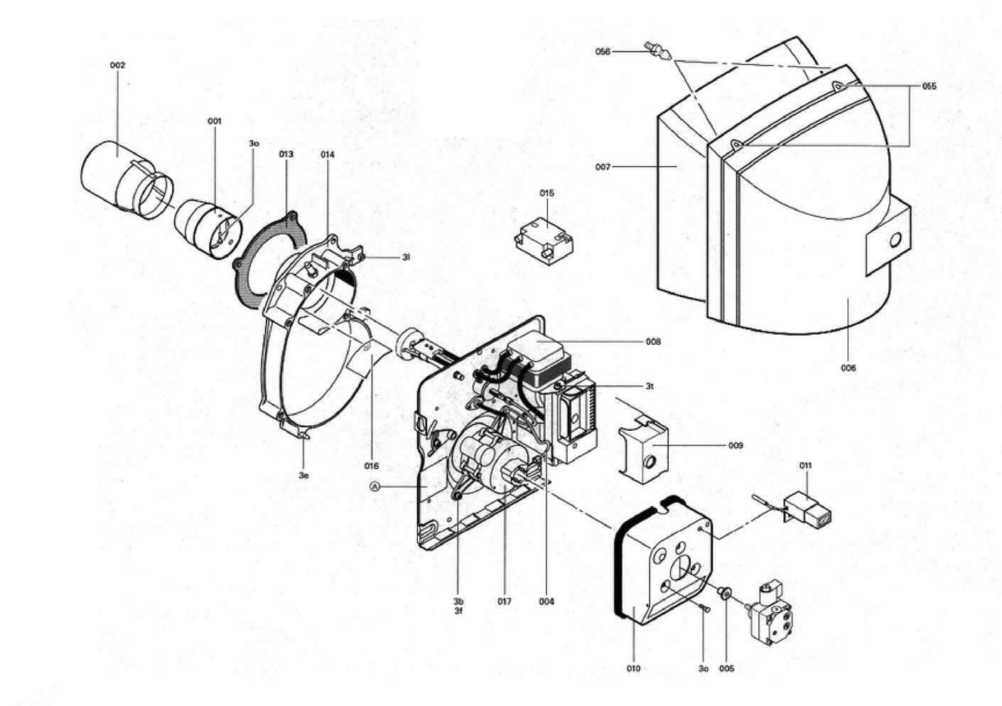
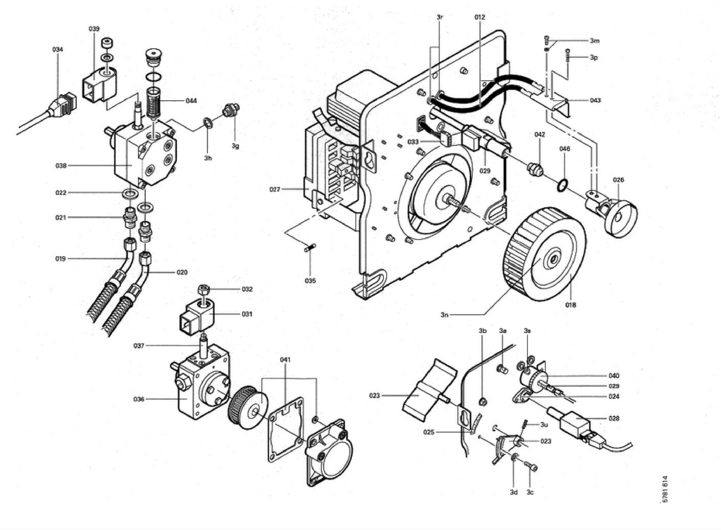
Position Schéma
7818510 Tube de combustion 40-50kw ved ii 1
7318979 Piece pour bruleur 3
7812755 Conduite fuel 4
7218426 Pièces d'accouplement brûleur fuel (sachet de 3) 5
7819461 Capot bruleur 6
7819283 Matelas isolant 7
7819463 Transfo allumage zm 20/10 8
7832743 Boitier de controle fuel lmo 14.111c2v 9
7812697 Volet d air 10
7218473 Compteur d heures pour bruleur mazout 11
7815390 Cable transfo bruleur 12
7218504 Joint bride bruleur 13
7818897 Transformateur d'allumage danfoss 15
7836335 Moteur pour brûleur 17
7815283 Turbine ø160 x 52 mm 18
7875229 Viessmann : set olschlauche vor-/rucklau 19
7875229 Viessmann : set olschlauche vor-/rucklau 20
7818891 Mamelon pompe fuel 21
7218748 Joint cuivre d'étanchéité cu 1/4" 22
7305047 Registre curseur de reglage debit d air 23
7815741 Bride de raccordement 24
7810087 Skalen-aufkleber 25
7817282 Accroche-flamme vek gr.2 26
7818899 Console pour relais bruleur mazout 27
7855500 Detecteur lumiere ir 1010.1 axial blanc 28
7254788 Prechauffage fuel 29
7838979 Bobine t80 pour electrovanne ( suntec ) 31
7815297 Ecrou d electro-vanne 32
7814345 Cable prechauffeur fuel et flexible 33
7814346 Cable de raccordement electrovanne 34
7404364 Fusible t 4,0 a / 250 v 35
7840263 Pompe a fuel alv 35 c 9619 6p 07 00 36
7815738 Noyau electrovanne 37
7834256 Pompe fuel bfp21 38
7858539 Bobine t85 plus 39
7810132 Ecrou reglage pour bruleur 40
7817919 Kit pieces pour pompe fuel suntec 41
7818142 Gicleur 1,00 gph 45 grd sf fluidics 42
7810713 Electrodes allumage ( bloc ) 43
7818904 Filtre pompe a fuel 44
7240973 Accessoires 45
7815125 Joint torique 19 x 2,5 simrit 46
5851047 Mont.anl. blueflame-olbr. ved 50
5681355 Serv.anl. blueflame-olbr. ved 52
5781614 Et-bildl. unit-olbrenner-v m.ov 53
7810200 Fixation capot bruleur 56


Les images des vues éclatées peuvent contenir des prix datant de plusieurs années, merci de ne pas en tenir compte










Pièces détachées contenues dans cet appareil Brûleur Viessmann VR2 40 kW (7259044)



Photo Position vue éclatée Article Référence fabricant Disponibilité et prix  
Tube de combustion 40-50kw ved ii Viessmann 7818510
Tube de combustion 40-50kw ved ii
Code article PEX: 246934
Viessmann
Réf fabricant: 7818510
 
obsolète
 
Piece pour bruleur Viessmann 7318979
Piece pour bruleur
Code article PEX: 242323
Viessmann
Réf fabricant: 7318979
± 3 jours ouvrés
153,60 € TTC
Conduite fuel Viessmann 7812755
Conduite fuel
Code article PEX: 244652
Viessmann
Réf fabricant: 7812755
± 3 jours ouvrés
72,00 € TTC
Pièces d'accouplement brûleur fuel (sachet de 3) Viessmann 7218426
Pièces d'accouplement brûleur fuel (sachet de 3)
Code article PEX: 241006
Viessmann
Réf fabricant: 7218426
en stock
11,76 € TTC
Capot bruleur Viessmann 7819461
Capot bruleur
Code article PEX: 247452
Viessmann
Réf fabricant: 7819461
 
obsolète
 
Matelas isolant Viessmann 7819283
Matelas isolant
Code article PEX: 247333
Viessmann
Réf fabricant: 7819283
 
obsolète
 
Transformateur électronique EBI4M Viessmann 7819463
Transformateur électronique ebi4m
Code article PEX: 300281
Viessmann
Réf fabricant: 7819463
en stock
98,40 € TTC
Boitier de controle fuel lmo 14.111c2v Viessmann 7832743
Boitier de controle fuel lmo 14.111c2v
Code article PEX: 252864
Viessmann
Réf fabricant: 7832743
en stock
172,80 € TTC
Volet d air Viessmann 7812697
Volet d air
Code article PEX: 244637
Viessmann
Réf fabricant: 7812697
 
obsolète
 
Compteur d heures pour bruleur mazout Viessmann 7218473
Compteur d heures pour bruleur mazout
Code article PEX: 475324
Viessmann
Réf fabricant: 7218473
± 3 jours ouvrés
154,80 € TTC
Cable transfo bruleur Viessmann 7815390
Cable transfo bruleur
Code article PEX: 245397
Viessmann
Réf fabricant: 7815390
en stock
36,00 € TTC
Joint bride bruleur Viessmann 7218504
Joint bride bruleur
Code article PEX: 241013
Viessmann
Réf fabricant: 7218504
en stock
22,80 € TTC
Transformateur électronique EBI4M Viessmann 7818897
Transformateur électronique ebi4m
Code article PEX: 300281
Viessmann
Réf fabricant: 7818897
en stock
98,40 € TTC
Moteur pour brûleur Viessmann 7836335
Moteur pour brûleur
Code article PEX: 267688
Viessmann
Réf fabricant: 7836335
en stock
321,60 € TTC
Turbine Ø160 x 52 mm Viessmann 7815283
Turbine ø160 x 52 mm
Code article PEX: 245344
Viessmann
Réf fabricant: 7815283
± 3 jours ouvrés
92,40 € TTC
Viessmann : set olschlauche vor-/rucklau Viessmann 7875229
Viessmann : set olschlauche vor-/rucklau
Code article PEX: 662956
Viessmann
Réf fabricant: 7875229
en stock
42,00 € TTC
Mamelon pompe fuel Viessmann 7818891
Mamelon pompe fuel
Code article PEX: 247097
Viessmann
Réf fabricant: 7818891
± 3 jours ouvrés
22,80 € TTC
Joint cuivre d'étanchéité CU 1/4" Viessmann 7218748
Joint cuivre d'étanchéité cu 1/4"
Code article PEX: 241021
Viessmann
Réf fabricant: 7218748
± 3 jours ouvrés
15,48 € TTC
Registre curseur de reglage debit d air Viessmann 7305047
Registre curseur de reglage debit d air
Code article PEX: 242118
Viessmann
Réf fabricant: 7305047
 
obsolète
 
Bride de raccordement Viessmann 7815741
Bride de raccordement
Code article PEX: 245559
Viessmann
Réf fabricant: 7815741
± 3 jours ouvrés
7,20 € TTC
Skalen-aufkleber Viessmann 7810087
Skalen-aufkleber
Code article PEX: 365798
Viessmann
Réf fabricant: 7810087
 
obsolète
 
Accroche-flamme vek gr.2 Viessmann 7817282
Accroche-flamme vek gr.2
Code article PEX: 246247
Viessmann
Réf fabricant: 7817282
± 3 jours ouvrés
194,40 € TTC
Console pour relais bruleur mazout Viessmann 7818899
Console pour relais bruleur mazout
Code article PEX: 247104
Viessmann
Réf fabricant: 7818899
en stock
230,40 € TTC
Detecteur lumiere ir 1010.1 axial blanc Viessmann 7855500
Detecteur lumiere ir 1010.1 axial blanc
Code article PEX: 316103
Viessmann
Réf fabricant: 7855500
en stock
264,00 € TTC
Prechauffage fuel Viessmann 7254788
Prechauffage fuel
Code article PEX: 241947
Viessmann
Réf fabricant: 7254788
± 3 jours ouvrés
236,40 € TTC
Bobine t80 pour electrovanne ( suntec ) Viessmann 7838979
Bobine t80 pour electrovanne ( suntec )
Code article PEX: 300644
Viessmann
Réf fabricant: 7838979
en stock
79,20 € TTC
Ecrou d electro-vanne Viessmann 7815297
Ecrou d electro-vanne
Code article PEX: 245356
Viessmann
Réf fabricant: 7815297
 
obsolète
 
Cable prechauffeur fuel et flexible Viessmann 7814345
Cable prechauffeur fuel et flexible
Code article PEX: 245061
Viessmann
Réf fabricant: 7814345
± 3 jours ouvrés
32,40 € TTC
Cable de raccordement electrovanne Viessmann 7814346
Cable de raccordement electrovanne
Code article PEX: 245062
Viessmann
Réf fabricant: 7814346
± 3 jours ouvrés
26,40 € TTC
Fusible t 4,0 a / 250 v Viessmann 7404364
Fusible t 4,0 a / 250 v
Code article PEX: 243454
Viessmann
Réf fabricant: 7404364
± 3 jours ouvrés
9,00 € TTC
Pompe a fuel alv 35 c 9619 6p 07 00 Viessmann 7840263
Pompe a fuel alv 35 c 9619 6p 07 00
Code article PEX: 301002
Viessmann
Réf fabricant: 7840263
en stock
225,60 € TTC
Noyau electrovanne Viessmann 7815738
Noyau electrovanne
Code article PEX: 245557
Viessmann
Réf fabricant: 7815738
en stock
116,40 € TTC
Pompe fuel bfp21 Viessmann 7834256
Pompe fuel bfp21
Code article PEX: 253312
Viessmann
Réf fabricant: 7834256
en stock
234,00 € TTC
Bobine t85 plus Viessmann 7858539
Bobine t85 plus
Code article PEX: 477158
Viessmann
Réf fabricant: 7858539
en stock
79,20 € TTC
Ecrou reglage pour bruleur Viessmann 7810132
Ecrou reglage pour bruleur
Code article PEX: 243764
Viessmann
Réf fabricant: 7810132
± 3 jours ouvrés
22,80 € TTC
Kit pieces pour pompe fuel suntec Viessmann 7817919
Kit pieces pour pompe fuel suntec
Code article PEX: 246597
Viessmann
Réf fabricant: 7817919
en stock
39,60 € TTC
Fluidics 1,00 45° sf Viessmann 7818142
Fluidics 1,00 45° sf
Code article PEX: 307345
Viessmann
Réf fabricant: 7818142
en stock
13,30 € TTC
Electrodes allumage ( bloc ) Viessmann 7810713
Electrodes allumage ( bloc )
Code article PEX: 243968
Viessmann
Réf fabricant: 7810713
en stock
56,40 € TTC
Filtre pompe a fuel Viessmann 7818904
Filtre pompe a fuel
Code article PEX: 247107
Viessmann
Réf fabricant: 7818904
± 3 jours ouvrés
36,00 € TTC
Accessoires Viessmann 7240973
Accessoires
Code article PEX: 241666
Viessmann
Réf fabricant: 7240973
 
obsolète
 
Joint torique 19 x 2,5 simrit Viessmann 7815125
Joint torique 19 x 2,5 simrit
Code article PEX: 245278
Viessmann
Réf fabricant: 7815125
± 3 jours ouvrés
9,48 € TTC
50 page 1 Mont.anl. blueflame-olbr. ved
 
Viessmann
Réf fabricant: 5851047
avec délai
sur devis
52 page 1 Serv.anl. blueflame-olbr. ved
 
Viessmann
Réf fabricant: 5681355
avec délai
sur devis
53 page 2 Et-bildl. unit-olbrenner-v m.ov
 
Viessmann
Réf fabricant: 5781614
avec délai
sur devis
Fixation capot bruleur Viessmann 7810200
Fixation capot bruleur
Code article PEX: 243801
Viessmann
Réf fabricant: 7810200
± 3 jours ouvrés
9,48 € TTC


Dans cette page vous trouverez l'ensemble des articles et pièces détachées de chaufferie qui composent la nomenclature Brûleur Viessmann VR2 40 kW (7259044) ainsi que des liens vers les articles Viessmann. En parcourant la page Viessmann, vous pourrez également trouver toutes les pièces Viessmann présentes chez Pièces Express. L'indication de stock vous permet de savoir si la pièce détachée est disponible dans notre stock central ou bien avec un délai fournisseur. Dans ce dernier cas, renseignez vous, nous commandons très régulièrement chez chacun de nos fournisseurs, nous pouvons donc certainement répondre à votre besoin rapidement.

Nos marques
Nos catalogues
Nos outils
Nos gicleurs fioul
Nos bougies pour poêles à pellets
Pièces détachées de chauffage et climatisation
PIÈCES EXPRESS
1 rue Philippe LEBON
ZA Henri Spriet
14120 MONDEVILLE
Téléphone: 02 14 47 16 10
Siret: 790 553 242 00013
Tva: FR 38 790553242

4.7
151 avis