Pièces détachées de chauffage et climatisation
Plus de 650 000 références fabricants disponibles
Livraison en France et en Belgique
4.7
MARQUES ▾
CATALOGUES ▾
VUES ÉCLATÉES ▾ CODES DÉFAUTS ▾
OUTILS DE RECHERCHE ▾
FAQ / TUTOS
DÉSTOCKAGE
>
VOTRE RECHERCHE

Brûleur Viessmann VR2 63 kW (7259046)



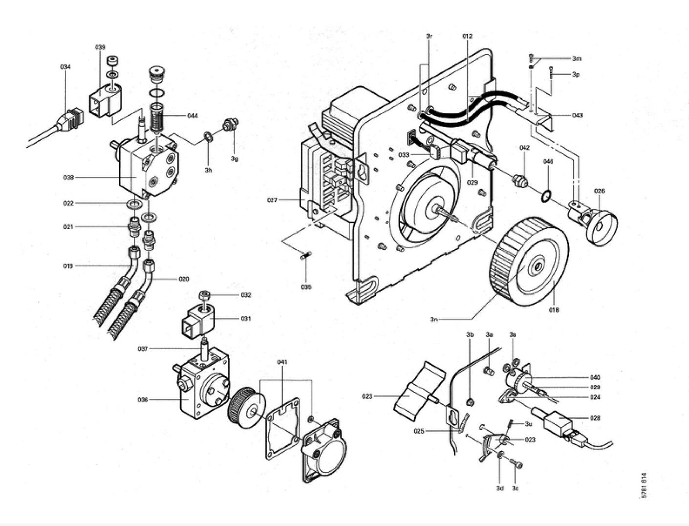
page 1
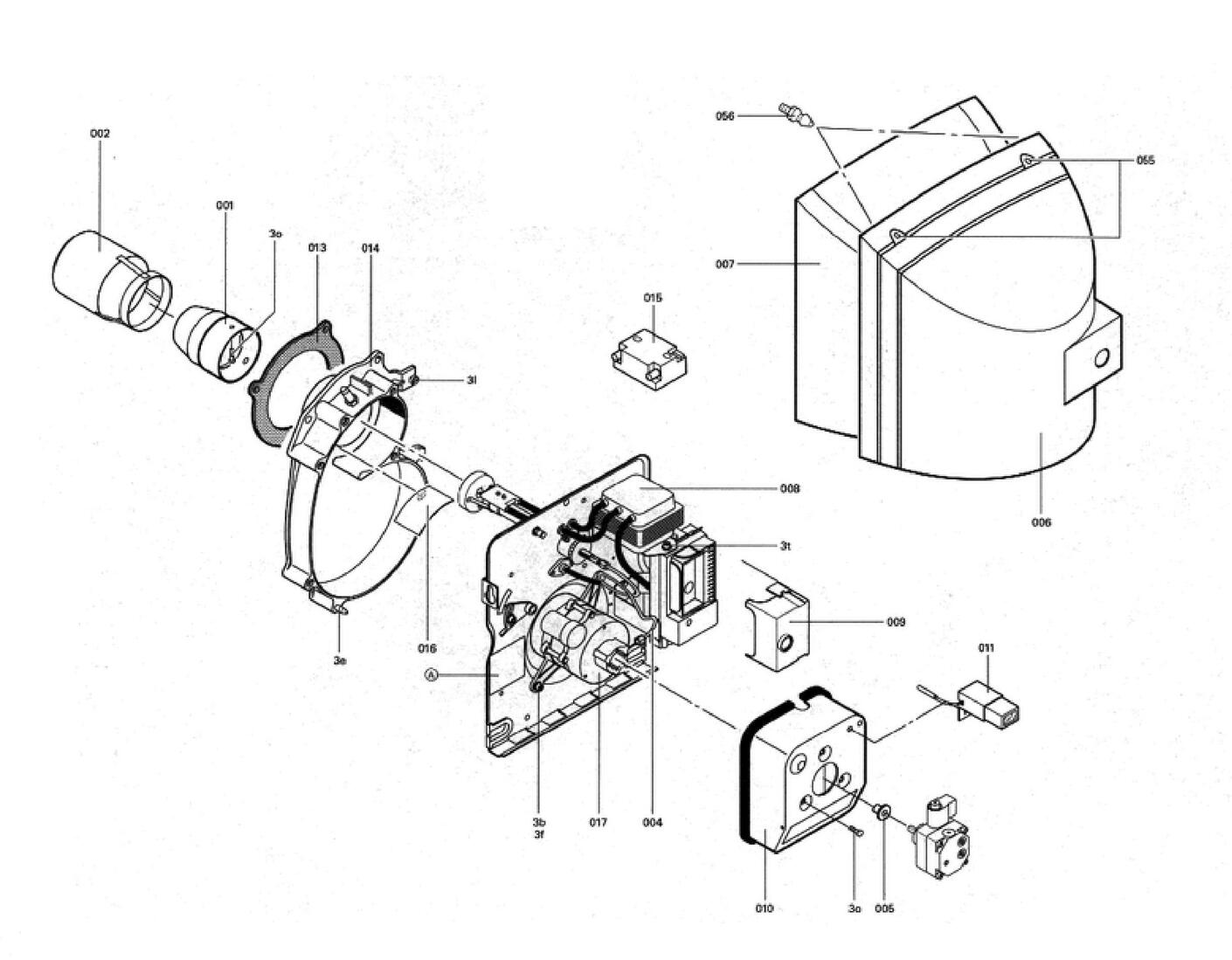
page 2
Pièces détachées Brûleur Viessmann VR2 63 kW (7259046) chez Pièces Express


Référence fabricant
Position Schéma
7818691 Tete de bruleur 0001
7818512 Tube de combustion d=180 0002
7318979 Piece pour bruleur 0003
7812755 Conduite fuel 0004
7218426 Pièces d'accouplement brûleur fuel (sachet de 3) 0005
7819461 Capot bruleur 0006
7819283 Matelas isolant 0007
7819463 Transfo allumage zm 20/10 0008
7832743 Boitier de controle fuel lmo 14.111c2v 0009
7812762 Boitier d aspiration d air 0010
7218473 Compteur d heures pour bruleur mazout 0011
7815390 Cable transfo bruleur 0012
7218504 Joint bride bruleur 0013
7818897 Transformateur d'allumage danfoss 0015
7836335 Moteur pour brûleur 0017
7815283 Turbine ø160 x 52 mm 0018
7875229 Viessmann : set olschlauche vor-/rucklau 0019
7875229 Viessmann : set olschlauche vor-/rucklau 0020
7818891 Mamelon pompe fuel 0021
7218748 Joint cuivre d'étanchéité cu 1/4" 0022
7305047 Registre curseur de reglage debit d air 0023
7815741 Bride de raccordement 0024
7810087 Skalen-aufkleber 0025
7813137 Diffuseur d = 80 mm pour bruleur mazout 0026
7818899 Console pour relais bruleur mazout 0027
7855500 Detecteur lumiere ir 1010.1 axial blanc 0028
7254788 Prechauffage fuel 0029
7838979 Bobine t80 pour electrovanne ( suntec ) 0031
7815297 Ecrou d electro-vanne 0032
7814345 Cable prechauffeur fuel et flexible 0033
7814346 Cable de raccordement electrovanne 0034
7404364 Fusible t 4,0 a / 250 v 0035
7840263 Pompe a fuel alv 35 c 9619 6p 07 00 0036
7815738 Noyau electrovanne 0037
7834256 Pompe fuel bfp21 0038
7858539 Bobine t85 plus 0039
7810132 Ecrou reglage pour bruleur 0040
7817919 Kit pieces pour pompe fuel suntec 0041
7818520 Gicleur fuel 1,50 gph 45°h 0042
7810713 Electrodes allumage ( bloc ) 0043
7818904 Filtre pompe a fuel 0044
7240973 Accessoires 0045
7815125 Joint torique 19 x 2,5 simrit 0046
5851047 Mont.anl. blueflame-ölbr. ved 0050
5681355 Serv.anl. blueflame-ölbr. ved 0052
5781614 Et-bildl. unit-ölbrenner-v m.öv 0053
7810200 Fixation capot bruleur 0056


Les images des vues éclatées peuvent contenir des prix datant de plusieurs années, merci de ne pas en tenir compte










Pièces détachées contenues dans cet appareil Brûleur Viessmann VR2 63 kW (7259046)



Photo Position vue éclatée Article Référence fabricant Disponibilité et prix  
Tete de bruleur Viessmann 7818691
Tete de bruleur
Code article PEX: 247023
Viessmann
Réf fabricant: 7818691
± 3 jours ouvrés
326,40 € TTC
Tube de combustion d=180 Viessmann 7818512
Tube de combustion d=180
Code article PEX: 246935
Viessmann
Réf fabricant: 7818512
 
obsolète
 
Piece pour bruleur Viessmann 7318979
Piece pour bruleur
Code article PEX: 242323
Viessmann
Réf fabricant: 7318979
± 3 jours ouvrés
158,40 € TTC
Conduite fuel Viessmann 7812755
Conduite fuel
Code article PEX: 244652
Viessmann
Réf fabricant: 7812755
± 3 jours ouvrés
75,60 € TTC
Pièces d'accouplement brûleur fuel (sachet de 3) Viessmann 7218426
Pièces d'accouplement brûleur fuel (sachet de 3)
Code article PEX: 241006
Viessmann
Réf fabricant: 7218426
en stock
12,24 € TTC
Capot bruleur Viessmann 7819461
Capot bruleur
Code article PEX: 247452
Viessmann
Réf fabricant: 7819461
 
obsolète
 
Matelas isolant Viessmann 7819283
Matelas isolant
Code article PEX: 247333
Viessmann
Réf fabricant: 7819283
 
obsolète
 
Transformateur électronique EBI4M Viessmann 7819463
Transformateur électronique ebi4m
Code article PEX: 300281
Viessmann
Réf fabricant: 7819463
en stock
102,00 € TTC
Boitier de controle fuel lmo 14.111c2v Viessmann 7832743
Boitier de controle fuel lmo 14.111c2v
Code article PEX: 252864
Viessmann
Réf fabricant: 7832743
en stock
178,80 € TTC
Boitier d aspiration d air Viessmann 7812762
Boitier d aspiration d air
Code article PEX: 244654
Viessmann
Réf fabricant: 7812762
 
obsolète
 
Compteur d heures pour bruleur mazout Viessmann 7218473
Compteur d heures pour bruleur mazout
Code article PEX: 475324
Viessmann
Réf fabricant: 7218473
± 3 jours ouvrés
159,60 € TTC
Cable transfo bruleur Viessmann 7815390
Cable transfo bruleur
Code article PEX: 245397
Viessmann
Réf fabricant: 7815390
en stock
39,60 € TTC
Joint bride bruleur Viessmann 7218504
Joint bride bruleur
Code article PEX: 241013
Viessmann
Réf fabricant: 7218504
en stock
25,20 € TTC
Transformateur électronique EBI4M Viessmann 7818897
Transformateur électronique ebi4m
Code article PEX: 300281
Viessmann
Réf fabricant: 7818897
en stock
102,00 € TTC
Moteur pour brûleur Viessmann 7836335
Moteur pour brûleur
Code article PEX: 267688
Viessmann
Réf fabricant: 7836335
en stock
331,20 € TTC
Turbine Ø160 x 52 mm Viessmann 7815283
Turbine ø160 x 52 mm
Code article PEX: 245344
Viessmann
Réf fabricant: 7815283
± 3 jours ouvrés
97,20 € TTC
Viessmann : set olschlauche vor-/rucklau Viessmann 7875229
Viessmann : set olschlauche vor-/rucklau
Code article PEX: 662956
Viessmann
Réf fabricant: 7875229
en stock
46,80 € TTC
Mamelon pompe fuel Viessmann 7818891
Mamelon pompe fuel
Code article PEX: 247097
Viessmann
Réf fabricant: 7818891
± 3 jours ouvrés
25,20 € TTC
Joint cuivre d'étanchéité CU 1/4" Viessmann 7218748
Joint cuivre d'étanchéité cu 1/4"
Code article PEX: 241021
Viessmann
Réf fabricant: 7218748
± 3 jours ouvrés
16,08 € TTC
Registre curseur de reglage debit d air Viessmann 7305047
Registre curseur de reglage debit d air
Code article PEX: 242118
Viessmann
Réf fabricant: 7305047
 
obsolète
 
Bride de raccordement Viessmann 7815741
Bride de raccordement
Code article PEX: 245559
Viessmann
Réf fabricant: 7815741
± 3 jours ouvrés
7,44 € TTC
Skalen-aufkleber Viessmann 7810087
Skalen-aufkleber
Code article PEX: 365798
Viessmann
Réf fabricant: 7810087
 
obsolète
 
Diffuseur d = 80 mm pour bruleur mazout Viessmann 7813137
Diffuseur d = 80 mm pour bruleur mazout
Code article PEX: 244730
Viessmann
Réf fabricant: 7813137
± 3 jours ouvrés
108,00 € TTC
Console pour relais bruleur mazout Viessmann 7818899
Console pour relais bruleur mazout
Code article PEX: 247104
Viessmann
Réf fabricant: 7818899
en stock
237,60 € TTC
Detecteur lumiere ir 1010.1 axial blanc Viessmann 7855500
Detecteur lumiere ir 1010.1 axial blanc
Code article PEX: 316103
Viessmann
Réf fabricant: 7855500
en stock
272,40 € TTC
Prechauffage fuel Viessmann 7254788
Prechauffage fuel
Code article PEX: 241947
Viessmann
Réf fabricant: 7254788
± 3 jours ouvrés
243,60 € TTC
Bobine t80 pour electrovanne ( suntec ) Viessmann 7838979
Bobine t80 pour electrovanne ( suntec )
Code article PEX: 300644
Viessmann
Réf fabricant: 7838979
en stock
84,00 € TTC
Ecrou d electro-vanne Viessmann 7815297
Ecrou d electro-vanne
Code article PEX: 245356
Viessmann
Réf fabricant: 7815297
 
obsolète
 
Cable prechauffeur fuel et flexible Viessmann 7814345
Cable prechauffeur fuel et flexible
Code article PEX: 245061
Viessmann
Réf fabricant: 7814345
± 3 jours ouvrés
36,00 € TTC
Cable de raccordement electrovanne Viessmann 7814346
Cable de raccordement electrovanne
Code article PEX: 245062
Viessmann
Réf fabricant: 7814346
± 3 jours ouvrés
28,80 € TTC
Fusible t 4,0 a / 250 v Viessmann 7404364
Fusible t 4,0 a / 250 v
Code article PEX: 243454
Viessmann
Réf fabricant: 7404364
± 3 jours ouvrés
9,36 € TTC
Pompe a fuel alv 35 c 9619 6p 07 00 Viessmann 7840263
Pompe a fuel alv 35 c 9619 6p 07 00
Code article PEX: 301002
Viessmann
Réf fabricant: 7840263
en stock
232,80 € TTC
Noyau electrovanne Viessmann 7815738
Noyau electrovanne
Code article PEX: 245557
Viessmann
Réf fabricant: 7815738
en stock
120,00 € TTC
Pompe fuel bfp21 Viessmann 7834256
Pompe fuel bfp21
Code article PEX: 253312
Viessmann
Réf fabricant: 7834256
en stock
241,20 € TTC
Bobine t85 plus Viessmann 7858539
Bobine t85 plus
Code article PEX: 477158
Viessmann
Réf fabricant: 7858539
en stock
84,00 € TTC
Ecrou reglage pour bruleur Viessmann 7810132
Ecrou reglage pour bruleur
Code article PEX: 243764
Viessmann
Réf fabricant: 7810132
± 3 jours ouvrés
25,20 € TTC
Kit pieces pour pompe fuel suntec Viessmann 7817919
Kit pieces pour pompe fuel suntec
Code article PEX: 246597
Viessmann
Réf fabricant: 7817919
en stock
43,20 € TTC
Gicleur fuel 1,50 gph 45°h Viessmann 7818520
Gicleur fuel 1,50 gph 45°h
Code article PEX: 246936
Viessmann
Réf fabricant: 7818520
± 3 jours ouvrés
25,20 € TTC
Electrodes allumage ( bloc ) Viessmann 7810713
Electrodes allumage ( bloc )
Code article PEX: 243968
Viessmann
Réf fabricant: 7810713
en stock
60,00 € TTC
Filtre pompe a fuel Viessmann 7818904
Filtre pompe a fuel
Code article PEX: 247107
Viessmann
Réf fabricant: 7818904
± 3 jours ouvrés
39,60 € TTC
Accessoires Viessmann 7240973
Accessoires
Code article PEX: 241666
Viessmann
Réf fabricant: 7240973
 
obsolète
 
Joint torique 19 x 2,5 simrit Viessmann 7815125
Joint torique 19 x 2,5 simrit
Code article PEX: 245278
Viessmann
Réf fabricant: 7815125
± 3 jours ouvrés
9,84 € TTC
0050 page 1 Mont.anl. blueflame-ölbr. ved
 
Viessmann
Réf fabricant: 5851047
avec délai
sur devis
0052 page 1 Serv.anl. blueflame-ölbr. ved
 
Viessmann
Réf fabricant: 5681355
avec délai
sur devis
0053 page 1 Et-bildl. unit-ölbrenner-v m.öv
 
Viessmann
Réf fabricant: 5781614
avec délai
sur devis
Fixation capot bruleur Viessmann 7810200
Fixation capot bruleur
Code article PEX: 243801
Viessmann
Réf fabricant: 7810200
± 3 jours ouvrés
9,84 € TTC


Dans cette page vous trouverez l'ensemble des articles et pièces détachées de chaufferie qui composent la nomenclature Brûleur Viessmann VR2 63 kW (7259046) ainsi que des liens vers les articles Viessmann. En parcourant la page Viessmann, vous pourrez également trouver toutes les pièces Viessmann présentes chez Pièces Express. L'indication de stock vous permet de savoir si la pièce détachée est disponible dans notre stock central ou bien avec un délai fournisseur. Dans ce dernier cas, renseignez vous, nous commandons très régulièrement chez chacun de nos fournisseurs, nous pouvons donc certainement répondre à votre besoin rapidement.

Nos marques
Nos catalogues
Nos outils
Nos gicleurs fioul
Nos bougies pour poêles à pellets
Pièces détachées de chauffage et climatisation
PIÈCES EXPRESS
1 rue Philippe LEBON
ZA Henri Spriet
14120 MONDEVILLE
Téléphone: 02 14 47 16 10
Siret: 790 553 242 00013
Tva: FR 38 790553242

4.7
156 avis