Pièces détachées de chauffage et climatisation
Plus de 650 000 références fabricants disponibles
Livraison en France et en Belgique
4.7
MARQUES ▾
CATALOGUES ▾
VUES ÉCLATÉES ▾ CODES DÉFAUTS ▾
OUTILS DE RECHERCHE ▾
FAQ / TUTOS
DÉSTOCKAGE
>
VOTRE RECHERCHE

Brûleur Viessmann VITOFLAME 100 VEIII 150 kW SX2 (7188849)



page 1
page 2
page 3
page 4
Pièces détachées Brûleur Viessmann VITOFLAME 100 VEIII 150 kW SX2 (7188849) chez Pièces Express


Référence fabricant
Position Schéma
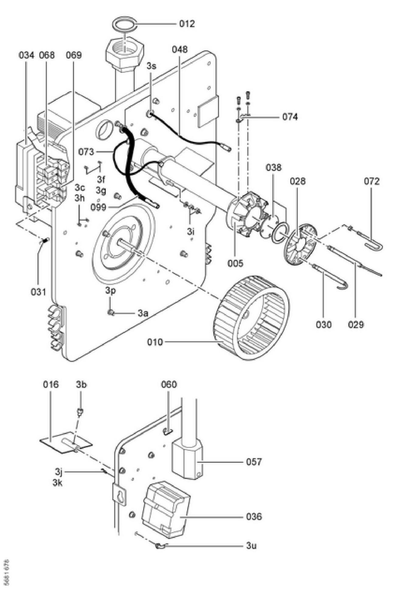
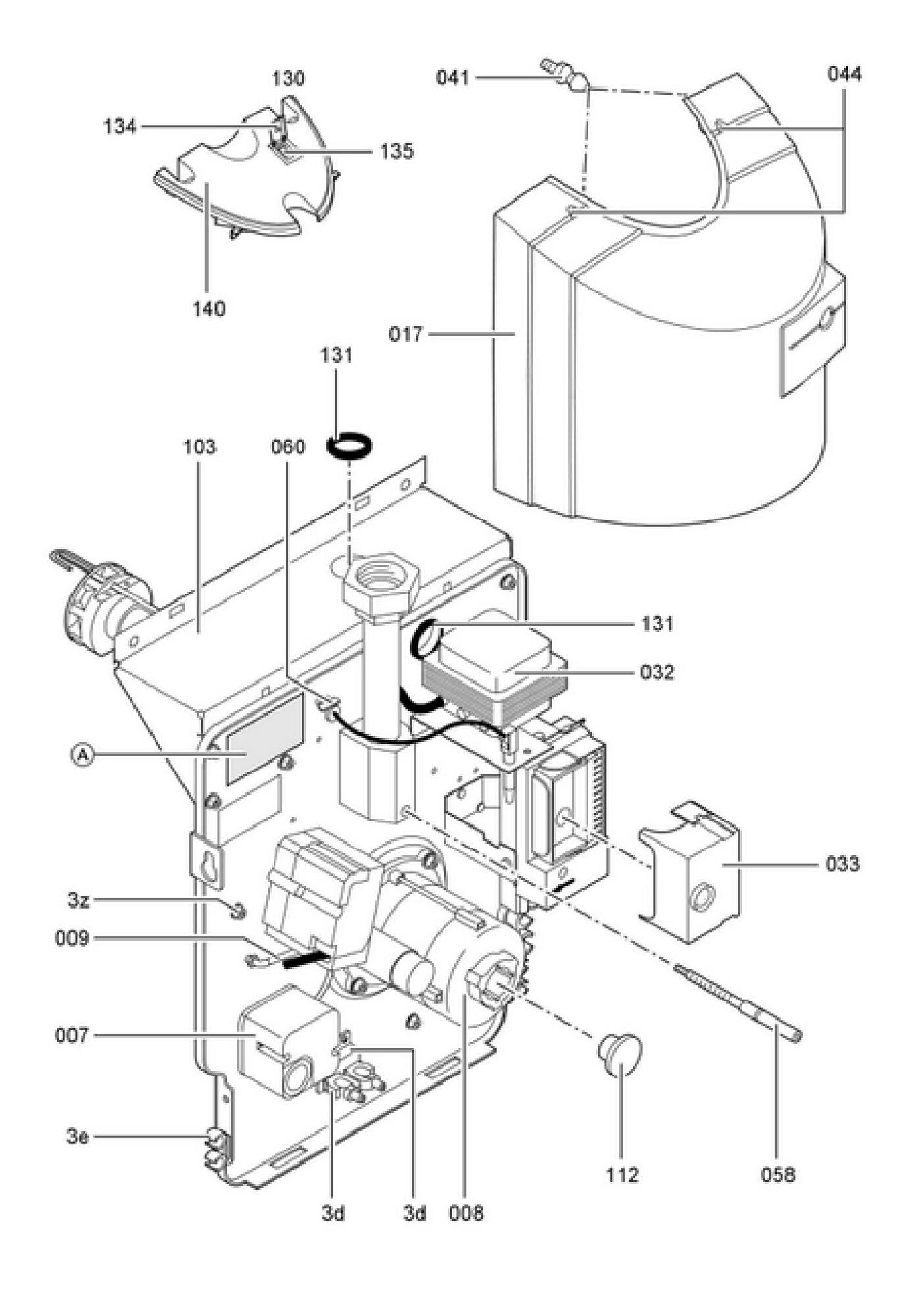
7813201 Tete de bruleur 2
7218729 Pieces bruleur gaz 70-225 kw 3
7810600 Vis de fixation m8 x 8 4
7813178 Systeme de melange 5
7810427 Joint 190 x 135 x 5 6
7813559 Pressostat air vgiii 7
7843842 Moteur bruleur 180 w 8
7252740 Flexible 9
7815169 Turbine ø180 x 62 mm 10
7218731 Joint bruleur gaz 11
7826550 Kit joints 12
7810712 Clapet de regulation d air 16
7820159 Capot bruleur vitoplex 17
7810599 Injecteur 90-195 kw 18
7810710 Accroche-flamme115-170 kw 28
7810148 Electrode d'ionisation 29
7810589 Electrode d'allumage brûleur gaz à air soufflé vgi 30
7404364 Fusible t 4,0 a / 250 v 31
7813514 Transformateur d allumage bruleur gaz 32
7826295 Boitier de controle bruleur lme21.330a2v 33
7815234 Socle de connexion boitier de bruleur 34
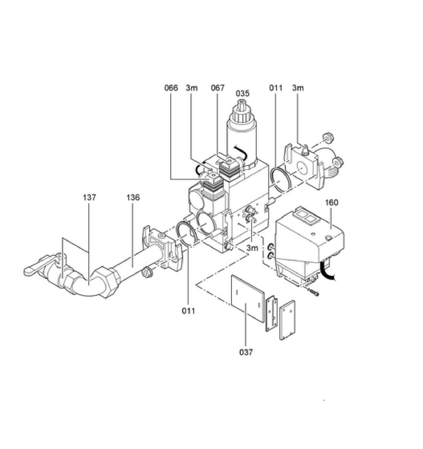
7815064 Bloc combine gaz dungs 35
7820162 Servo moteur sta 3,5 bo.37/6 4n16r 36
7218730 Joint bruleur gaz 37
7218850 Tole fermeture 150/170 kw 38
7833454 Cable servo moteur bruleur gaz vg iii 39
7810200 Fixation capot bruleur 41
7819282 Fermeture capot bruleur 44
7813549 Cable de mesure du courant d ionisatioin 48
7218500 Accessoire capot bruleur veiii 51
7307657 Paquet boite bruleur 52
5851826 Mont.anl. vitoflame 100 vgiii sx2 53
5681678 Serv.anl. vitoflame 100 vgiii sx2 55
7813164 Vis de reglage 58
7815482 Tourillon d= 6 mm, avec ailette et 60
7813547 Cable de pressostat gaz 66
7813546 Cable pour vanne magnetique 67
7813550 Pont enfichable 126 68
7813518 Pont enfichable 111 69
7822118 Electrode de masse apm 72
7813536 Cable de mise a la terre 73
7810590 Support d electrode 74
7812935 Capot insonorisant de bruleur 80-225kw 85
7815935 Cable d allumage a resistance 99
7813979 Tole de fixation capot gaz vg jsq 130kw 103
7816495 Plaque porte-bruleur vitoplex 110
7813198 Equerre de fixation 111
7815659 Lamellen-stopfen 112
7813563 Commutateur de maintenance ve3 130
7818952 Traversee sb-1500-18 131
7820976 Cache anthracite 134
7813175 Mamelon double 1604152 136
7218880 Vanne a bille et coude filete 137
7820160 Adaptateur capot bruleur vitoplex gaz 140
7836496 Condensateur 5µf 150
7218864 Appareil contrôle étanchéité vanne gaz 160
7839390 Cable de raccord. 3 broches bruleur gaz 200


Les images des vues éclatées peuvent contenir des prix datant de plusieurs années, merci de ne pas en tenir compte










Pièces détachées contenues dans cet appareil Brûleur Viessmann VITOFLAME 100 VEIII 150 kW SX2 (7188849)



Photo Position vue éclatée Article Référence fabricant Disponibilité et prix  
Tete de bruleur Viessmann 7813201
Tete de bruleur
Code article PEX: 365964
Viessmann
Réf fabricant: 7813201
 
obsolète
 
Pieces bruleur gaz 70-225 kw Viessmann 7218729
Pieces bruleur gaz 70-225 kw
Code article PEX: 241017
Viessmann
Réf fabricant: 7218729
± 3 jours ouvrés
70,80 € TTC
Vis de fixation m8 x 8 Viessmann 7810600
Vis de fixation m8 x 8
Code article PEX: 243923
Viessmann
Réf fabricant: 7810600
± 3 jours ouvrés
8,28 € TTC
Systeme de melange Viessmann 7813178
Systeme de melange
Code article PEX: 297451
Viessmann
Réf fabricant: 7813178
± 3 jours ouvrés
528,00 € TTC
Joint 190 x 135 x 5 Viessmann 7810427
Joint 190 x 135 x 5
Code article PEX: 243855
Viessmann
Réf fabricant: 7810427
± 3 jours ouvrés
23,52 € TTC
Pressostat air vgiii Viessmann 7813559
Pressostat air vgiii
Code article PEX: 244835
Viessmann
Réf fabricant: 7813559
± 3 jours ouvrés
157,20 € TTC
Moteur bruleur 180 w Viessmann 7843842
Moteur bruleur 180 w
Code article PEX: 283670
Viessmann
Réf fabricant: 7843842
± 3 jours ouvrés
402,00 € TTC
Flexible Viessmann 7252740
Flexible
Code article PEX: 241865
Viessmann
Réf fabricant: 7252740
± 3 jours ouvrés
9,48 € TTC
Turbine Ø180 x 62 mm Viessmann 7815169
Turbine ø180 x 62 mm
Code article PEX: 245296
Viessmann
Réf fabricant: 7815169
± 3 jours ouvrés
115,20 € TTC
Joint bruleur gaz Viessmann 7218731
Joint bruleur gaz
Code article PEX: 241019
Viessmann
Réf fabricant: 7218731
± 3 jours ouvrés
48,00 € TTC
Kit joints Viessmann 7826550
Kit joints
Code article PEX: 250748
Viessmann
Réf fabricant: 7826550
± 3 jours ouvrés
18,48 € TTC
Clapet de regulation d air Viessmann 7810712
Clapet de regulation d air
Code article PEX: 243967
Viessmann
Réf fabricant: 7810712
± 3 jours ouvrés
45,60 € TTC
Capot bruleur vitoplex Viessmann 7820159
Capot bruleur vitoplex
Code article PEX: 247917
Viessmann
Réf fabricant: 7820159
± 3 jours ouvrés
332,40 € TTC
Injecteur 90-195 kw Viessmann 7810599
Injecteur 90-195 kw
Code article PEX: 297387
Viessmann
Réf fabricant: 7810599
 
obsolète
 
Accroche-flamme115-170 kw Viessmann 7810710
Accroche-flamme115-170 kw
Code article PEX: 243966
Viessmann
Réf fabricant: 7810710
± 3 jours ouvrés
62,40 € TTC
Electrode d'ionisation Viessmann 7810148
Electrode d'ionisation
Code article PEX: 243775
Viessmann
Réf fabricant: 7810148
± 3 jours ouvrés
56,40 € TTC
Electrode d'allumage brûleur gaz à air soufflé VGI Viessmann 7810589
Electrode d'allumage brûleur gaz à air soufflé vgi
Code article PEX: 243917
Viessmann
Réf fabricant: 7810589
± 3 jours ouvrés
54,00 € TTC
Fusible t 4,0 a / 250 v Viessmann 7404364
Fusible t 4,0 a / 250 v
Code article PEX: 243454
Viessmann
Réf fabricant: 7404364
± 3 jours ouvrés
9,00 € TTC
Transformateur d allumage bruleur gaz Viessmann 7813514
Transformateur d allumage bruleur gaz
Code article PEX: 244808
Viessmann
Réf fabricant: 7813514
± 3 jours ouvrés
255,60 € TTC
Boitier de controle bruleur lme21.330a2v Viessmann 7826295
Boitier de controle bruleur lme21.330a2v
Code article PEX: 250609
Viessmann
Réf fabricant: 7826295
en stock
466,80 € TTC
Socle de connexion boitier de bruleur Viessmann 7815234
Socle de connexion boitier de bruleur
Code article PEX: 245312
Viessmann
Réf fabricant: 7815234
± 3 jours ouvrés
240,00 € TTC
Bloc combine gaz dungs Viessmann 7815064
Bloc combine gaz dungs
Code article PEX: 245266
Viessmann
Réf fabricant: 7815064
± 3 jours ouvrés
1 590,00 € TTC
Servo moteur sta 3,5 bo.37/6 4n16r Viessmann 7820162
Servo moteur sta 3,5 bo.37/6 4n16r
Code article PEX: 247920
Viessmann
Réf fabricant: 7820162
± 3 jours ouvrés
478,80 € TTC
Joint bruleur gaz Viessmann 7218730
Joint bruleur gaz
Code article PEX: 241018
Viessmann
Réf fabricant: 7218730
± 3 jours ouvrés
79,20 € TTC
Tole fermeture 150/170 kw Viessmann 7218850
Tole fermeture 150/170 kw
Code article PEX: 241027
Viessmann
Réf fabricant: 7218850
± 3 jours ouvrés
88,80 € TTC
Cable servo moteur bruleur gaz vg iii Viessmann 7833454
Cable servo moteur bruleur gaz vg iii
Code article PEX: 299328
Viessmann
Réf fabricant: 7833454
± 3 jours ouvrés
75,60 € TTC
Fixation capot bruleur Viessmann 7810200
Fixation capot bruleur
Code article PEX: 243801
Viessmann
Réf fabricant: 7810200
± 3 jours ouvrés
9,48 € TTC
Fermeture capot bruleur Viessmann 7819282
Fermeture capot bruleur
Code article PEX: 247332
Viessmann
Réf fabricant: 7819282
en stock
17,64 € TTC
Cable de mesure du courant d ionisatioin Viessmann 7813549
Cable de mesure du courant d ionisatioin
Code article PEX: 244829
Viessmann
Réf fabricant: 7813549
± 3 jours ouvrés
57,60 € TTC
Accessoire capot bruleur veiii Viessmann 7218500
Accessoire capot bruleur veiii
Code article PEX: 241012
Viessmann
Réf fabricant: 7218500
± 3 jours ouvrés
26,40 € TTC
Paquet boite bruleur Viessmann 7307657
Paquet boite bruleur
Code article PEX: 242179
Viessmann
Réf fabricant: 7307657
± 3 jours ouvrés
36,00 € TTC
53 page 3 Mont.anl. vitoflame 100 vgiii sx2
 
Viessmann
Réf fabricant: 5851826
avec délai
sur devis
55 page 2 Serv.anl. vitoflame 100 vgiii sx2
 
Viessmann
Réf fabricant: 5681678
avec délai
sur devis
Vis de reglage Viessmann 7813164
Vis de reglage
Code article PEX: 244737
Viessmann
Réf fabricant: 7813164
± 3 jours ouvrés
45,60 € TTC
60 page 4 Tourillon d= 6 mm, avec ailette et
 
Viessmann
Réf fabricant: 7815482
avec délai
sur devis
Cable de pressostat gaz Viessmann 7813547
Cable de pressostat gaz
Code article PEX: 297474
Viessmann
Réf fabricant: 7813547
± 3 jours ouvrés
51,60 € TTC
Cable pour vanne magnetique Viessmann 7813546
Cable pour vanne magnetique
Code article PEX: 244827
Viessmann
Réf fabricant: 7813546
± 3 jours ouvrés
51,60 € TTC
Pont enfichable 126 Viessmann 7813550
Pont enfichable 126
Code article PEX: 244830
Viessmann
Réf fabricant: 7813550
± 3 jours ouvrés
17,64 € TTC
Pont enfichable 111 Viessmann 7813518
Pont enfichable 111
Code article PEX: 244810
Viessmann
Réf fabricant: 7813518
± 3 jours ouvrés
17,64 € TTC
Electrode de masse APM Viessmann 7822118
Electrode de masse apm
Code article PEX: 248439
Viessmann
Réf fabricant: 7822118
± 3 jours ouvrés
50,40 € TTC
Cable de mise a la terre Viessmann 7813536
Cable de mise a la terre
Code article PEX: 244822
Viessmann
Réf fabricant: 7813536
± 3 jours ouvrés
12,24 € TTC
Support d electrode Viessmann 7810590
Support d electrode
Code article PEX: 243918
Viessmann
Réf fabricant: 7810590
 
obsolète
 
Capot insonorisant de bruleur 80-225kw Viessmann 7812935
Capot insonorisant de bruleur 80-225kw
Code article PEX: 244699
Viessmann
Réf fabricant: 7812935
± 3 jours ouvrés
312,00 € TTC
Cable d allumage a resistance Viessmann 7815935
Cable d allumage a resistance
Code article PEX: 245614
Viessmann
Réf fabricant: 7815935
± 3 jours ouvrés
36,00 € TTC
Tole de fixation capot gaz vg jsq 130kw Viessmann 7813979
Tole de fixation capot gaz vg jsq 130kw
Code article PEX: 475735
Viessmann
Réf fabricant: 7813979
 
obsolète
 
Plaque porte-bruleur vitoplex Viessmann 7816495
Plaque porte-bruleur vitoplex
Code article PEX: 245867
Viessmann
Réf fabricant: 7816495
± 3 jours ouvrés
196,80 € TTC
Equerre de fixation Viessmann 7813198
Equerre de fixation
Code article PEX: 297455
Viessmann
Réf fabricant: 7813198
 
obsolète
 
Lamellen-stopfen Viessmann 7815659
Lamellen-stopfen
Code article PEX: 366045
Viessmann
Réf fabricant: 7815659
 
obsolète
 
Commutateur de maintenance ve3 Viessmann 7813563
Commutateur de maintenance ve3
Code article PEX: 244837
Viessmann
Réf fabricant: 7813563
± 3 jours ouvrés
36,00 € TTC
Traversee sb-1500-18 Viessmann 7818952
Traversee sb-1500-18
Code article PEX: 475797
Viessmann
Réf fabricant: 7818952
± 3 jours ouvrés
10,68 € TTC
Cache anthracite Viessmann 7820976
Cache anthracite
Code article PEX: 248347
Viessmann
Réf fabricant: 7820976
± 3 jours ouvrés
12,96 € TTC
Mamelon double 1604152 Viessmann 7813175
Mamelon double 1604152
Code article PEX: 365963
Viessmann
Réf fabricant: 7813175
 
obsolète
 
Vanne a bille et coude filete Viessmann 7218880
Vanne a bille et coude filete
Code article PEX: 241035
Viessmann
Réf fabricant: 7218880
± 3 jours ouvrés
88,80 € TTC
Adaptateur capot bruleur vitoplex gaz Viessmann 7820160
Adaptateur capot bruleur vitoplex gaz
Code article PEX: 247918
Viessmann
Réf fabricant: 7820160
± 3 jours ouvrés
51,60 € TTC
Condensateur 5µf Viessmann 7836496
Condensateur 5µf
Code article PEX: 300050
Viessmann
Réf fabricant: 7836496
en stock
36,00 € TTC
160 page 2 Appareil contrôle étanchéité vanne gaz
 
Viessmann
Réf fabricant: 7218864
avec délai
sur devis
Cable de raccord. 3 broches bruleur gaz Viessmann 7839390
Cable de raccord. 3 broches bruleur gaz
Code article PEX: 300767
Viessmann
Réf fabricant: 7839390
± 3 jours ouvrés
48,00 € TTC


Dans cette page vous trouverez l'ensemble des articles et pièces détachées de chaufferie qui composent la nomenclature Brûleur Viessmann VITOFLAME 100 VEIII 150 kW SX2 (7188849) ainsi que des liens vers les articles Viessmann. En parcourant la page Viessmann, vous pourrez également trouver toutes les pièces Viessmann présentes chez Pièces Express. L'indication de stock vous permet de savoir si la pièce détachée est disponible dans notre stock central ou bien avec un délai fournisseur. Dans ce dernier cas, renseignez vous, nous commandons très régulièrement chez chacun de nos fournisseurs, nous pouvons donc certainement répondre à votre besoin rapidement.

Nos marques
Nos catalogues
Nos outils
Nos gicleurs fioul
Nos bougies pour poêles à pellets
Pièces détachées de chauffage et climatisation
PIÈCES EXPRESS
1 rue Philippe LEBON
ZA Henri Spriet
14120 MONDEVILLE
Téléphone: 02 14 47 16 10
Siret: 790 553 242 00013
Tva: FR 38 790553242

4.7
146 avis