Pièces détachées de chauffage et climatisation
Plus de 650 000 références fabricants disponibles
Livraison en France et en Belgique
4.7
MARQUES ▾
CATALOGUES ▾
VUES ÉCLATÉES ▾ CODES DÉFAUTS ▾
OUTILS DE RECHERCHE ▾
FAQ / TUTOS
DÉSTOCKAGE
>
VOTRE RECHERCHE

Brûleur Viessmann VITOFLAME 100 VEMII 1.1 63 kW (7185424)



page 1
page 2
page 3
page 4
Pièces détachées Brûleur Viessmann VITOFLAME 100 VEMII 1.1 63 kW (7185424) chez Pièces Express


Référence fabricant
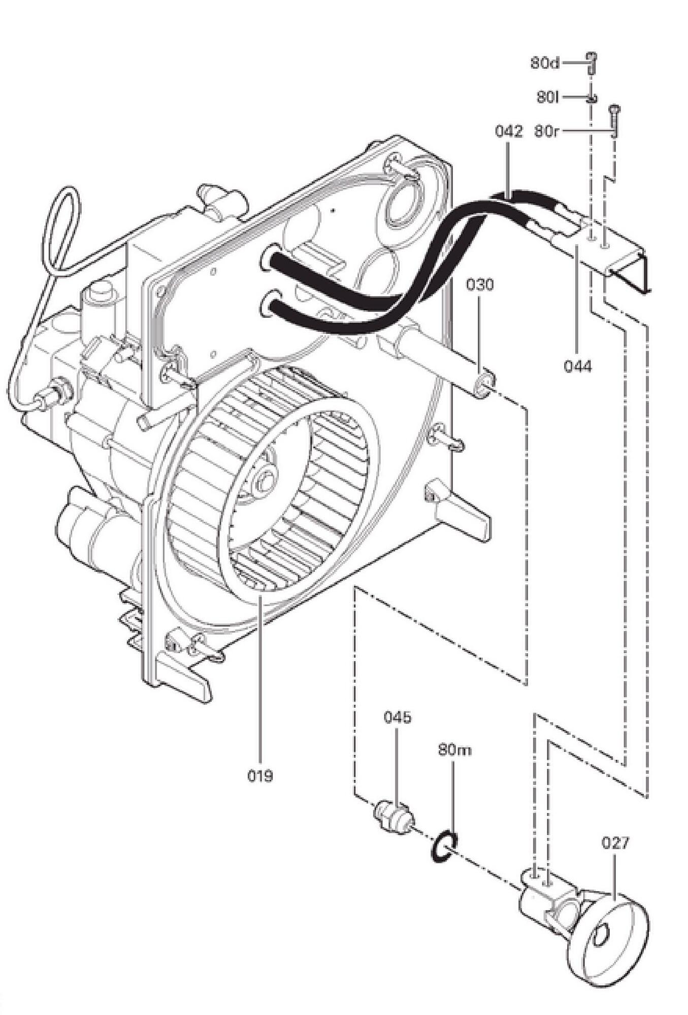
Position Schéma
7811775 Tete de bruleur pour bruleur fioul 58kw 0001
7218504 Joint bride bruleur 0002
7818095 Carter bruleur gr. iii vek 0004
7810200 Fixation capot bruleur 0005
7836325 Moteur de turbine 90 watt 0006
7818093 Conduite de fioul 0007
7836850 Accouplement vek jusqu a 63 kw 0008
7818090 Capot insonorisant bruleur gr. ii 0009
7818088 Dämmmatte mit klebstoff gr. ii 0010
7822297 Rallonge bouton de rearmement agk20.55 0011
7832743 Boitier de controle fioul lmo 14.111c2v 0012
7824756 Allumeur 230vac 100hz beru 0013
7818067 Bride bruleur vek gr. i 0014
7818083 Molette de reglage gicleur vek 0018
7818081 Turbine d=133 x 62 vek 0019
7827478 Kit de rechange flexibles fioul 1000 mm 0020
7827478 Kit de rechange flexibles fioul 1000 mm 0021
7816359 Volet d admission d air bruleur vek grii 0024
7813137 Diffuseur d = 80 mm pour bruleur mazout 0027
7820908 Socle de connexion agc 21.122v 0028
7816460 Contrôle de flamme qrb 1b a30y25h 0029
7818065 Porte gicleur gr. 2 mazout vek 0030
7838979 Bobine t80 pour electrovanne ( suntec ) 0033
7840263 Pompe a fioul alv 35 c 9619 6p 07 00 0038
7815738 Noyau electrovanne 0039
7858539 Bobine t85 plus 0041
7816395 Jeu de cable d allumage d=6,4 0042
7810713 Electrodes allumage ( bloc ) 0044
7815291 Gicleur 1,50 gph/45° s 0045
7817919 Kit pieces pour pompe fioul suntec 0046
7819282 Fermeture capot bruleur 0049
5851811 Mont.anl. vitoflame 100 vitola/-rond 0071
5681613 Serv.anl. vitoflame 100 vem vitola 0073
7810996 Bouchon de fermeture prechauff. fioul 0078
7147839 Accessoires bruleur hg 0079
7822310 Sachet petits accessoires 0080
7839391 Cable 3 poles moteur bruleur fioul 0200


Les images des vues éclatées peuvent contenir des prix datant de plusieurs années, merci de ne pas en tenir compte










Pièces détachées contenues dans cet appareil Brûleur Viessmann VITOFLAME 100 VEMII 1.1 63 kW (7185424)



Photo Position vue éclatée Article Référence fabricant Disponibilité et prix  
Tete de bruleur pour bruleur fioul 58kw Viessmann 7811775
Tete de bruleur pour bruleur fioul 58kw
Code article PEX: 244295
Viessmann
Réf fabricant: 7811775
± 3 jours ouvrés
316,80 € TTC
Joint bride bruleur Viessmann 7218504
Joint bride bruleur
Code article PEX: 241013
Viessmann
Réf fabricant: 7218504
en stock
22,80 € TTC
Carter de bruleur gr.2 avec air Viessmann 7818095
Carter de bruleur gr.2 avec air
Code article PEX: 752925
Viessmann
Réf fabricant: 7818095
± 3 jours ouvrés
188,40 € TTC
Fixation capot bruleur Viessmann 7810200
Fixation capot bruleur
Code article PEX: 243801
Viessmann
Réf fabricant: 7810200
± 3 jours ouvrés
9,48 € TTC
Moteur de turbine 90 watt Viessmann 7836325
Moteur de turbine 90 watt
Code article PEX: 299993
Viessmann
Réf fabricant: 7836325
En cours de réappro
255,60 € TTC
Conduite de fioul Viessmann 7818093
Conduite de fioul
Code article PEX: 246733
Viessmann
Réf fabricant: 7818093
± 3 jours ouvrés
36,00 € TTC
Accouplement vek jusqu a 63 kw Viessmann 7836850
Accouplement vek jusqu a 63 kw
Code article PEX: 300204
Viessmann
Réf fabricant: 7836850
en stock
14,76 € TTC
Capot bruleur gr.2 vitola 200 r 05 Viessmann 7818090
Capot bruleur gr.2 vitola 200 r 05
Code article PEX: 240731
Viessmann
Réf fabricant: 7818090
 
obsolète
 
Dämmmatte mit klebstoff gr. ii Viessmann 7818088
Dämmmatte mit klebstoff gr. ii
Code article PEX: 297855
Viessmann
Réf fabricant: 7818088
± 3 jours ouvrés
255,60 € TTC
Rallonge bouton de rearmement agk20.55 Viessmann 7822297
Rallonge bouton de rearmement agk20.55
Code article PEX: 248529
Viessmann
Réf fabricant: 7822297
± 3 jours ouvrés
17,64 € TTC
Boitier de controle fioul lmo 14.111c2v Viessmann 7832743
Boitier de controle fioul lmo 14.111c2v
Code article PEX: 252864
Viessmann
Réf fabricant: 7832743
en stock
172,80 € TTC
Allumeur 230vac 100hz beru Viessmann 7824756
Allumeur 230vac 100hz beru
Code article PEX: 249944
Viessmann
Réf fabricant: 7824756
en stock
98,40 € TTC
Bride bruleur vek gr. i Viessmann 7818067
Bride bruleur vek gr. i
Code article PEX: 246711
Viessmann
Réf fabricant: 7818067
± 3 jours ouvrés
66,00 € TTC
Molette de reglage gicleur vek Viessmann 7818083
Molette de reglage gicleur vek
Code article PEX: 246724
Viessmann
Réf fabricant: 7818083
± 3 jours ouvrés
34,80 € TTC
Turbine d=133 x 62 vek Viessmann 7818081
Turbine d=133 x 62 vek
Code article PEX: 246722
Viessmann
Réf fabricant: 7818081
± 3 jours ouvrés
62,40 € TTC
Kit de rechange flexibles fioul 1000 mm Viessmann 7827478
Kit de rechange flexibles fioul 1000 mm
Code article PEX: 251177
Viessmann
Réf fabricant: 7827478
en stock
40,80 € TTC
Volet d admission d air bruleur vek grii Viessmann 7816359
Volet d admission d air bruleur vek grii
Code article PEX: 245788
Viessmann
Réf fabricant: 7816359
± 3 jours ouvrés
26,40 € TTC
Diffuseur d = 80 mm pour bruleur mazout Viessmann 7813137
Diffuseur d = 80 mm pour bruleur mazout
Code article PEX: 244730
Viessmann
Réf fabricant: 7813137
± 3 jours ouvrés
104,40 € TTC
Socle de connexion agc 21.122v Viessmann 7820908
Socle de connexion agc 21.122v
Code article PEX: 248319
Viessmann
Réf fabricant: 7820908
± 3 jours ouvrés
176,40 € TTC
Contrôle de flamme QRB 1B A30Y25H Viessmann 7816460
Contrôle de flamme qrb 1b a30y25h
Code article PEX: 245858
Viessmann
Réf fabricant: 7816460
en stock
62,40 € TTC
Porte gicleur gr. 2 mazout vek Viessmann 7818065
Porte gicleur gr. 2 mazout vek
Code article PEX: 246709
Viessmann
Réf fabricant: 7818065
en stock
115,20 € TTC
Bobine t80 pour electrovanne ( suntec ) Viessmann 7838979
Bobine t80 pour electrovanne ( suntec )
Code article PEX: 300644
Viessmann
Réf fabricant: 7838979
En cours de réappro
79,20 € TTC
Pompe a fioul alv 35 c 9619 6p 07 00 Viessmann 7840263
Pompe a fioul alv 35 c 9619 6p 07 00
Code article PEX: 301002
Viessmann
Réf fabricant: 7840263
en stock
225,60 € TTC
Noyau electrovanne Viessmann 7815738
Noyau electrovanne
Code article PEX: 245557
Viessmann
Réf fabricant: 7815738
en stock
116,40 € TTC
Bobine t85 plus Viessmann 7858539
Bobine t85 plus
Code article PEX: 477158
Viessmann
Réf fabricant: 7858539
en stock
79,20 € TTC
Jeu de cable d allumage d=6,4 Viessmann 7816395
Jeu de cable d allumage d=6,4
Code article PEX: 245820
Viessmann
Réf fabricant: 7816395
en stock
39,60 € TTC
Electrodes allumage ( bloc ) Viessmann 7810713
Electrodes allumage ( bloc )
Code article PEX: 243968
Viessmann
Réf fabricant: 7810713
en stock
56,40 € TTC
Gicleur 1,50 gph/45° s Viessmann 7815291
Gicleur 1,50 gph/45° s
Code article PEX: 245352
Viessmann
Réf fabricant: 7815291
± 3 jours ouvrés
26,40 € TTC
Kit pieces pour pompe fioul suntec Viessmann 7817919
Kit pieces pour pompe fioul suntec
Code article PEX: 246597
Viessmann
Réf fabricant: 7817919
en stock
39,60 € TTC
Fermeture capot bruleur Viessmann 7819282
Fermeture capot bruleur
Code article PEX: 247332
Viessmann
Réf fabricant: 7819282
en stock
17,64 € TTC
0071 page 3 Mont.anl. vitoflame 100 vitola/-rond
 
Viessmann
Réf fabricant: 5851811
avec délai
sur devis
0073 page 2 Serv.anl. vitoflame 100 vem vitola
 
Viessmann
Réf fabricant: 5681613
avec délai
sur devis
Bouchon de fermeture prechauff. fioul Viessmann 7810996
Bouchon de fermeture prechauff. fioul
Code article PEX: 244056
Viessmann
Réf fabricant: 7810996
± 3 jours ouvrés
9,48 € TTC
Accessoires bruleur hg Viessmann 7147839
Accessoires bruleur hg
Code article PEX: 240621
Viessmann
Réf fabricant: 7147839
± 3 jours ouvrés
50,40 € TTC
Sachet petits accessoires Viessmann 7822310
Sachet petits accessoires
Code article PEX: 248542
Viessmann
Réf fabricant: 7822310
± 3 jours ouvrés
66,00 € TTC
Cable 3 poles moteur bruleur fioul Viessmann 7839391
Cable 3 poles moteur bruleur fioul
Code article PEX: 315306
Viessmann
Réf fabricant: 7839391
± 3 jours ouvrés
48,00 € TTC


Dans cette page vous trouverez l'ensemble des articles et pièces détachées de chaufferie qui composent la nomenclature Brûleur Viessmann VITOFLAME 100 VEMII 1.1 63 kW (7185424) ainsi que des liens vers les articles Viessmann. En parcourant la page Viessmann, vous pourrez également trouver toutes les pièces Viessmann présentes chez Pièces Express. L'indication de stock vous permet de savoir si la pièce détachée est disponible dans notre stock central ou bien avec un délai fournisseur. Dans ce dernier cas, renseignez vous, nous commandons très régulièrement chez chacun de nos fournisseurs, nous pouvons donc certainement répondre à votre besoin rapidement.

Nos marques
Nos catalogues
Nos outils
Nos gicleurs fioul
Nos bougies pour poêles à pellets
Pièces détachées de chauffage et climatisation
PIÈCES EXPRESS
1 rue Philippe LEBON
ZA Henri Spriet
14120 MONDEVILLE
Téléphone: 02 14 47 16 10
Siret: 790 553 242 00013
Tva: FR 38 790553242

4.7
146 avis