Pièces détachées de chauffage et climatisation
Plus de 650 000 références fabricants disponibles
Livraison en France et en Belgique
4.7
MARQUES ▾
CATALOGUES ▾
VUES ÉCLATÉES ▾ CODES DÉFAUTS ▾
OUTILS DE RECHERCHE ▾
FAQ / TUTOS
DÉSTOCKAGE
>
VOTRE RECHERCHE

Chaudière Chaffoteaux CALYDRA DELTA 24 VMC NAT (2002-2006) (200006787036) 200006787036



page 2
page 4
page 6
page 8
page 10
page 12
page 14
page 16
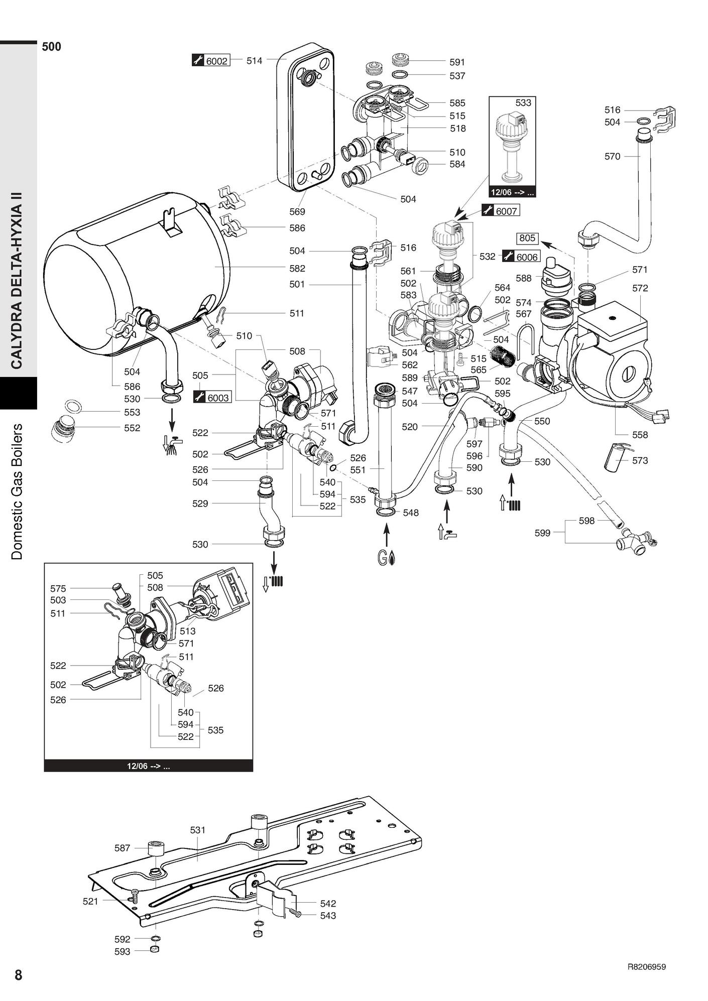
Pièces détachées Chaudière Chaffoteaux CALYDRA DELTA 24 VMC NAT (2002-2006) (200006787036) 200006787036 chez Pièces Express
Ouvrir la Vue éclatée intéractive



Référence fabricant
Position Schéma


Les images des vues éclatées peuvent contenir des prix datant de plusieurs années, merci de ne pas en tenir compte










Pièces détachées contenues dans cet appareil Chaudière Chaffoteaux CALYDRA DELTA 24 VMC NAT (2002-2006) (200006787036) 200006787036



Photo Position vue éclatée Article Référence fabricant Disponibilité et prix  
Garniture ceraplaque (poch.) Chaffoteaux 60081722
0102 page 2 Garniture ceraplaque (poch.)
Code article PEX: 211259
Chaffoteaux
Réf fabricant: 60081722
 
obsolète
 
Clip Chaffoteaux 61010050
0103 page 2 Clip
Code article PEX: 212660
Chaffoteaux
Réf fabricant: 61010050
± 3 jours ouvrés
5,72 € TTC
Securite thermique 105°c (X5) Chaffoteaux 61010191
0104 page 2 Securite thermique 105°c (x5)
Code article PEX: 212708
Chaffoteaux
Réf fabricant: 61010191
en stock
10,93 € TTC
Gouttiere d onde Chaffoteaux 61010038
0105 page 2 Gouttiere d onde
Code article PEX: 212651
Chaffoteaux
Réf fabricant: 61010038
± 3 jours ouvrés
14,92 € TTC
Vis a tole cblsx d: 6.3-13 Chaffoteaux 61010648
0106 page 2 Vis a tole cblsx d: 6.3-13
Code article PEX: 212770
Chaffoteaux
Réf fabricant: 61010648
± 3 jours ouvrés
2,39 € TTC
Bloc de becs Chaffoteaux 61010415
0107 page 2 Bloc de becs
Code article PEX: 212740
Chaffoteaux
Réf fabricant: 61010415
 
obsolète
 
Electrode allumage lg:200 Chaffoteaux 61015740
0110 page 2 Electrode allumage lg:200
Code article PEX: 213153
Chaffoteaux
Réf fabricant: 61015740
en stock
64,10 € TTC
Electrode ionisation Chaffoteaux 61002802
0111 page 2 Electrode ionisation
Code article PEX: 212115
Chaffoteaux
Réf fabricant: 61002802
en stock
31,39 € TTC
Echangeur corps de chauffe Chaffoteaux 61010017
0113 page 2 Echangeur corps de chauffe
Code article PEX: 212648
Chaffoteaux
Réf fabricant: 61010017
 
obsolète
 
Chambre de combustion Chaffoteaux 60081721
0114 page 2 Chambre de combustion
Code article PEX: 211258
Chaffoteaux
Réf fabricant: 60081721
 
obsolète
 
Vis a tole cblsx d: 4.2-9.5 Chaffoteaux 61010125
0115 page 2 Vis a tole cblsx d: 4.2-9.5
Code article PEX: 212686
Chaffoteaux
Réf fabricant: 61010125
± 3 jours ouvrés
2,39 € TTC
Nourrice 16 inj. Chaffoteaux 61010030
0117 page 2 Nourrice 16 inj.
Code article PEX: 212650
Chaffoteaux
Réf fabricant: 61010030
 
obsolète
 
Vis a tole cblsx d: 4.2-25 Chaffoteaux 61010128
0118 page 2 Vis a tole cblsx d: 4.2-25
Code article PEX: 212689
Chaffoteaux
Réf fabricant: 61010128
± 3 jours ouvrés
2,39 € TTC
Vis hx m 5-12 Chaffoteaux 61010131
0119 page 2 Vis hx m 5-12
Code article PEX: 212692
Chaffoteaux
Réf fabricant: 61010131
en stock
2,39 € TTC
Ecrou a pincer Chaffoteaux 60057488
0120 page 2 Ecrou a pincer
Code article PEX: 210198
Chaffoteaux
Réf fabricant: 60057488
± 3 jours ouvrés
2,39 € TTC
Securite thermique 49°c Chaffoteaux 61310767
0218 page 4 Securite thermique 49°c
Code article PEX: 213968
Chaffoteaux
Réf fabricant: 61310767
en stock
12,98 € TTC
Vis a tole cblsx d: 3.5-6.5 Chaffoteaux 61010126
0218 page 4 Vis a tole cblsx d: 3.5-6.5
Code article PEX: 212687
Chaffoteaux
Réf fabricant: 61010126
± 3 jours ouvrés
2,39 € TTC
Antirefouleur Chaffoteaux 61308490
0222 page 4 Antirefouleur
Code article PEX: 213869
Chaffoteaux
Réf fabricant: 61308490
 
obsolète
 
Vis a tole cblsx d: 6.3-13 Chaffoteaux 61010648
0228 page 4 Vis a tole cblsx d: 6.3-13
Code article PEX: 212770
Chaffoteaux
Réf fabricant: 61010648
± 3 jours ouvrés
2,39 € TTC
Ecrou a pincer Chaffoteaux 60057488
0308 page 4 Ecrou a pincer
Code article PEX: 210198
Chaffoteaux
Réf fabricant: 60057488
± 3 jours ouvrés
2,39 € TTC
Vanne gaz nat (plus fabriquée) Chaffoteaux 61304994
0401 page 6 Vanne gaz nat (plus fabriquée)
Code article PEX: 213620
Chaffoteaux
Réf fabricant: 61304994
 
obsolète
 
Replacement g20 valve Chaffoteaux 60081859
0402 page 6 Replacement g20 valve
Code article PEX: 485658
Chaffoteaux
Réf fabricant: 60081859
 
obsolète
 
Vis de prise de pression Chaffoteaux 60019445
0403 page 6 Vis de prise de pression
Code article PEX: 209434
Chaffoteaux
Réf fabricant: 60019445
± 3 jours ouvrés
2,39 € TTC
Embase bruleur (pochette) Chaffoteaux 60081835
0405 page 6 Embase bruleur (pochette)
Code article PEX: 211302
Chaffoteaux
Réf fabricant: 60081835
 
obsolète
 
Joint (/nourrice) Chaffoteaux 61010071
0406 page 6 Joint (/nourrice)
Code article PEX: 212670
Chaffoteaux
Réf fabricant: 61010071
± 3 jours ouvrés
3,52 € TTC
Partie gaz nat Chaffoteaux 61017398
0411 page 6 Partie gaz nat
Code article PEX: 213267
Chaffoteaux
Réf fabricant: 61017398
 
obsolète
 
Joint de forme (/electrovanne) Chaffoteaux 61013018
0432 page 6 Joint de forme (/electrovanne)
Code article PEX: 212989
Chaffoteaux
Réf fabricant: 61013018
 
obsolète
 
Joint torique d: 14.1-1.6 Chaffoteaux 60021061-41
0434 page 6 Joint torique d: 14.1-1.6
Code article PEX: 209495
Chaffoteaux
Réf fabricant: 60021061-41
± 3 jours ouvrés
1,19 € TTC
Joint torique d: 17.1-1.6 Chaffoteaux 60021061-42
0435 page 6 Joint torique d: 17.1-1.6
Code article PEX: 209497
Chaffoteaux
Réf fabricant: 60021061-42
 
obsolète
 
Joint torique d: 22-2.6 Chaffoteaux 60021061-40
0436 page 6 Joint torique d: 22-2.6
Code article PEX: 209494
Chaffoteaux
Réf fabricant: 60021061-40
± 3 jours ouvrés
2,39 € TTC
Diaphragme d: 8.0 Chaffoteaux 61013016-08
0437 page 6 Diaphragme d: 8.0
Code article PEX: 212985
Chaffoteaux
Réf fabricant: 61013016-08
± 3 jours ouvrés
31,79 € TTC
Vis clxs m 5-45 Chaffoteaux 61014414
0438 page 6 Vis clxs m 5-45
Code article PEX: 213036
Chaffoteaux
Réf fabricant: 61014414
 
obsolète
 
Vis cblxs m 4-20 Chaffoteaux 61014415
0442 page 6 Vis cblxs m 4-20
Code article PEX: 213037
Chaffoteaux
Réf fabricant: 61014415
± 3 jours ouvrés
1,75 € TTC
Vis de prise de pression Chaffoteaux 61016378
0449 page 6 Vis de prise de pression
Code article PEX: 213211
Chaffoteaux
Réf fabricant: 61016378
± 3 jours ouvrés
2,39 € TTC
Tube echangeur a vanne 3 voies Chaffoteaux 61014221
0501 page 8 Tube echangeur a vanne 3 voies
Code article PEX: 213024
Chaffoteaux
Réf fabricant: 61014221
± 3 jours ouvrés
23,95 € TTC
Epingle raccord chauffage Chaffoteaux 61002399
0502 page 8 Epingle raccord chauffage
Code article PEX: 212078
Chaffoteaux
Réf fabricant: 61002399
 
obsolète
 
Joint torique d: 17-4 Chaffoteaux 60024164-51
0504 page 8 Joint torique d: 17-4
Code article PEX: 209583
Chaffoteaux
Réf fabricant: 60024164-51
en stock
2,39 € TTC
Vanne 3 voies (pochette) Chaffoteaux 60081839
0505 page 8 Vanne 3 voies (pochette)
Code article PEX: 211305
Chaffoteaux
Réf fabricant: 60081839
en stock
157,32 € TTC
Moteur vanne 3 voies (poch) Chaffoteaux 60081953
0508 page 8 Moteur vanne 3 voies (poch)
Code article PEX: 211367
Chaffoteaux
Réf fabricant: 60081953
en stock
112,67 € TTC
Thermistance Chaffoteaux 61000733
0510 page 8 Thermistance
Code article PEX: 211967
Chaffoteaux
Réf fabricant: 61000733
en stock
28,94 € TTC
Epingle de sondes Chaffoteaux 61002083
0511 page 8 Epingle de sondes
Code article PEX: 212068
Chaffoteaux
Réf fabricant: 61002083
± 3 jours ouvrés
2,63 € TTC
Echangeur sanitaire 16 plaques + joints + vis Chaffoteaux 61302409-01
0514 page 8 Echangeur sanitaire 16 plaques + joints + vis
Code article PEX: 213447
Chaffoteaux
Réf fabricant: 61302409-01
en stock
125,14 € TTC
Vis hx m 5-12 Chaffoteaux 61010131
0515 page 8 Vis hx m 5-12
Code article PEX: 212692
Chaffoteaux
Réf fabricant: 61010131
en stock
2,39 € TTC
Clip (x5) Chaffoteaux 61010609
0516 page 8 Clip (x5)
Code article PEX: 212764
Chaffoteaux
Réf fabricant: 61010609
± 3 jours ouvrés
2,63 € TTC
Interface superieure Chaffoteaux 61014228
0518 page 8 Interface superieure
Code article PEX: 213029
Chaffoteaux
Réf fabricant: 61014228
en stock
67,93 € TTC
Durit Chaffoteaux 61012952
0520 page 8 Durit
Code article PEX: 212968
Chaffoteaux
Réf fabricant: 61012952
± 3 jours ouvrés
32,90 € TTC
Vis a tole cblsx d: 6.3-13 Chaffoteaux 61010648
0521 page 8 Vis a tole cblsx d: 6.3-13
Code article PEX: 212770
Chaffoteaux
Réf fabricant: 61010648
± 3 jours ouvrés
2,39 € TTC
Clip Chaffoteaux 61010005
0522 page 8 Clip
Code article PEX: 212638
Chaffoteaux
Réf fabricant: 61010005
± 3 jours ouvrés
2,39 € TTC
Joint torique d: 8.9-2.7 Chaffoteaux 61009834-14
0526 page 8 Joint torique d: 8.9-2.7
Code article PEX: 212618
Chaffoteaux
Réf fabricant: 61009834-14
en stock
2,39 € TTC
Tube depart chauffage Chaffoteaux 61014220
0529 page 8 Tube depart chauffage
Code article PEX: 213023
Chaffoteaux
Réf fabricant: 61014220
± 3 jours ouvrés
16,64 € TTC
Joint plat d: 24-17-1.5 Chaffoteaux 60061855-19
0530 page 8 Joint plat d: 24-17-1.5
Code article PEX: 210342
Chaffoteaux
Réf fabricant: 60061855-19
en stock
2,39 € TTC
Platine hydraulique Chaffoteaux 61014214
0531 page 8 Platine hydraulique
Code article PEX: 213021
Chaffoteaux
Réf fabricant: 61014214
± 3 jours ouvrés
14,48 € TTC
Debistat amorti sanitaire Chaffoteaux 60081471
0532 page 8 Debistat amorti sanitaire
Code article PEX: 211172
Chaffoteaux
Réf fabricant: 60081471
en stock
48,23 € TTC
Corps de robinet Chaffoteaux 61012963
0535 page 8 Corps de robinet
Code article PEX: 212970
Chaffoteaux
Réf fabricant: 61012963
en stock
34,85 € TTC
Joint torique d: 13.6-2.7 Chaffoteaux 60024164-18
0537 page 8 Joint torique d: 13.6-2.7
Code article PEX: 209569
Chaffoteaux
Réf fabricant: 60024164-18
± 3 jours ouvrés
2,39 € TTC
Tige de manoeuvre Chaffoteaux 61012946
0540 page 8 Tige de manoeuvre
Code article PEX: 212965
Chaffoteaux
Réf fabricant: 61012946
± 3 jours ouvrés
13,98 € TTC
Clip Chaffoteaux 60079845
0542 page 8 Clip
Code article PEX: 210916
Chaffoteaux
Réf fabricant: 60079845
± 3 jours ouvrés
3,74 € TTC
Vis a tole cblsx d: 4.2-9.5 Chaffoteaux 61010125
0543 page 8 Vis a tole cblsx d: 4.2-9.5
Code article PEX: 212686
Chaffoteaux
Réf fabricant: 61010125
± 3 jours ouvrés
2,39 € TTC
Filtre gaz Chaffoteaux 60037309
0547 page 8 Filtre gaz
Code article PEX: 209872
Chaffoteaux
Réf fabricant: 60037309
 
obsolète
 
Joint plat d: 24-18.2-1.5 Chaffoteaux 60022835-01
0548 page 8 Joint plat d: 24-18.2-1.5
Code article PEX: 209529
Chaffoteaux
Réf fabricant: 60022835-01
en stock
2,39 € TTC
Tube retour chauffage Chaffoteaux 61014218
0550 page 8 Tube retour chauffage
Code article PEX: 213022
Chaffoteaux
Réf fabricant: 61014218
± 3 jours ouvrés
27,20 € TTC
Tube gaz Chaffoteaux 61010040
0551 page 8 Tube gaz
Code article PEX: 212652
Chaffoteaux
Réf fabricant: 61010040
± 3 jours ouvrés
16,57 € TTC
Bouchon Chaffoteaux 61015245
0552 page 8 Bouchon
Code article PEX: 213109
Chaffoteaux
Réf fabricant: 61015245
± 3 jours ouvrés
9,67 € TTC
Joint torique d: 8.9-1.9 Chaffoteaux 60024164-13
0553 page 8 Joint torique d: 8.9-1.9
Code article PEX: 209565
Chaffoteaux
Réf fabricant: 60024164-13
en stock
2,39 € TTC
Cablage de circulateur (2 vitesses) Chaffoteaux 61306995
0558 page 8 Cablage de circulateur (2 vitesses)
Code article PEX: 213769
Chaffoteaux
Réf fabricant: 61306995
± 3 jours ouvrés
22,32 € TTC
Interface inferieure Chaffoteaux 61014172
0561 page 8 Interface inferieure
Code article PEX: 213019
Chaffoteaux
Réf fabricant: 61014172
en stock
85,57 € TTC
Joint torique d: 24.6-3.6 par 5 Chaffoteaux 61009834-30
0564 page 8 Joint torique d: 24.6-3.6 par 5
Code article PEX: 212621
Chaffoteaux
Réf fabricant: 61009834-30
en stock
2,39 € TTC
Filtre chauffage Chaffoteaux 61305560
0565 page 8 Filtre chauffage
Code article PEX: 213677
Chaffoteaux
Réf fabricant: 61305560
en stock
5,36 € TTC
Clip par 5 Chaffoteaux 60030898-03
0567 page 8 Clip par 5
Code article PEX: 209743
Chaffoteaux
Réf fabricant: 60030898-03
en stock
2,63 € TTC
Joint echangeur Chaffoteaux 65104334
0569 page 8 Joint echangeur
Code article PEX: 368881
Chaffoteaux
Réf fabricant: 65104334
en stock
4,30 € TTC
Tube de refoulement-circulateur Chaffoteaux 61015360
0570 page 8 Tube de refoulement-circulateur
Code article PEX: 213124
Chaffoteaux
Réf fabricant: 61015360
± 3 jours ouvrés
22,98 € TTC
Joint torique d: 16-1.9 par 10 Chaffoteaux 61009833-37
0571 page 8 Joint torique d: 16-1.9 par 10
Code article PEX: 212615
Chaffoteaux
Réf fabricant: 61009833-37
en stock
2,39 € TTC
Tete de pompe upmo 60ph (si grundfos uniquement!) Chaffoteaux 61301964
0572 page 8 Tete de pompe upmo 60ph (si grundfos uniquement!)
Code article PEX: 571531
Chaffoteaux
Réf fabricant: 61301964
en stock
439,38 € TTC
Tete de pompe upmo 60ph (si grundfos uniquement!) Chaffoteaux 61303461
0572 page 8 Tete de pompe upmo 60ph (si grundfos uniquement!)
Code article PEX: 571531
Chaffoteaux
Réf fabricant: 61303461
en stock
439,38 € TTC
Condensateur Chaffoteaux 61000652-10
0573 page 8 Condensateur
Code article PEX: 211963
Chaffoteaux
Réf fabricant: 61000652-10
en stock
44,86 € TTC
Joint de degazeur Chaffoteaux 61304618
0574 page 8 Joint de degazeur
Code article PEX: 213607
Chaffoteaux
Réf fabricant: 61304618
± 3 jours ouvrés
7,69 € TTC
Ballon 6l Chaffoteaux 61012790
0582 page 8 Ballon 6l
Code article PEX: 212951
Chaffoteaux
Réf fabricant: 61012790
± 3 jours ouvrés
501,48 € TTC
Tube communication (avec joints et filtre) Chaffoteaux 61012808
0583 page 8 Tube communication (avec joints et filtre)
Code article PEX: 212952
Chaffoteaux
Réf fabricant: 61012808
en stock
12,48 € TTC
Ecrou Chaffoteaux 61012886
0584 page 8 Ecrou
Code article PEX: 212959
Chaffoteaux
Réf fabricant: 61012886
± 3 jours ouvrés
57,91 € TTC
Epingle Chaffoteaux 61012909-02
0585 page 8 Epingle
Code article PEX: 212960
Chaffoteaux
Réf fabricant: 61012909-02
± 3 jours ouvrés
2,63 € TTC
Clip Chaffoteaux 61012983
0586 page 8 Clip
Code article PEX: 212976
Chaffoteaux
Réf fabricant: 61012983
± 3 jours ouvrés
2,88 € TTC
Rondelle d: 12.5-5.2-5 Chaffoteaux 61015757
0587 page 8 Rondelle d: 12.5-5.2-5
Code article PEX: 213156
Chaffoteaux
Réf fabricant: 61015757
± 3 jours ouvrés
2,39 € TTC
Tete de degazeur (ensemble) Chaffoteaux 61304608
0588 page 8 Tete de degazeur (ensemble)
Code article PEX: 213605
Chaffoteaux
Réf fabricant: 61304608
en stock
44,65 € TTC
Corps de debistat Chaffoteaux 61012743
0589 page 8 Corps de debistat
Code article PEX: 212942
Chaffoteaux
Réf fabricant: 61012743
en stock
24,67 € TTC
Tube eau froide sanitaire Chaffoteaux 61014983
0590 page 8 Tube eau froide sanitaire
Code article PEX: 213088
Chaffoteaux
Réf fabricant: 61014983
± 3 jours ouvrés
26,32 € TTC
Tube eau froide sanitaire Chaffoteaux 61315414
0590 page 8 Tube eau froide sanitaire
Code article PEX: 214383
Chaffoteaux
Réf fabricant: 61315414
± 3 jours ouvrés
30,65 € TTC
Bouchon Chaffoteaux 61002490
0591 page 8 Bouchon
Code article PEX: 212082
Chaffoteaux
Réf fabricant: 61002490
± 3 jours ouvrés
2,63 € TTC
Rondelle d: 12-6.2-1.2 Chaffoteaux 60007059-03
0592 page 8 Rondelle d: 12-6.2-1.2
Code article PEX: 209376
Chaffoteaux
Réf fabricant: 60007059-03
 
obsolète
 
Ecrou h m 6-1 ep:5 Chaffoteaux 60026501-03
0593 page 8 Ecrou h m 6-1 ep:5
Code article PEX: 209661
Chaffoteaux
Réf fabricant: 60026501-03
 
obsolète
 
Joint torique d: 2.7-10.5 Chaffoteaux 61009834-15
0594 page 8 Joint torique d: 2.7-10.5
Code article PEX: 212619
Chaffoteaux
Réf fabricant: 61009834-15
± 3 jours ouvrés
2,39 € TTC
Joint plat d: 10.5-6.2-1.5 Chaffoteaux 60022831-07
0595 page 8 Joint plat d: 10.5-6.2-1.5
Code article PEX: 209524
Chaffoteaux
Réf fabricant: 60022831-07
± 3 jours ouvrés
2,63 € TTC
Clapet decharge (7.5-->9bars) Chaffoteaux 61014984
0596 page 8 Clapet decharge (7.5-->9bars)
Code article PEX: 213089
Chaffoteaux
Réf fabricant: 61014984
en stock
32,92 € TTC
Joint plat d: 13.9-10.4-1.5 Chaffoteaux 60061853-02
0597 page 8 Joint plat d: 13.9-10.4-1.5
Code article PEX: 210317
Chaffoteaux
Réf fabricant: 60061853-02
± 3 jours ouvrés
2,63 € TTC
Tube pvc d: 9x12 l: 1m Chaffoteaux 60081266
0598 page 8 Tube pvc d: 9x12 l: 1m
Code article PEX: 211083
Chaffoteaux
Réf fabricant: 60081266
± 3 jours ouvrés
14,81 € TTC
Raccord (pochette) Chaffoteaux 61020242
0599 page 8 Raccord (pochette)
Code article PEX: 213331
Chaffoteaux
Réf fabricant: 61020242
± 3 jours ouvrés
15,36 € TTC
Boitier electrique Chaffoteaux 61306778
0601 page 10 Boitier electrique
Code article PEX: 213752
Chaffoteaux
Réf fabricant: 61306778
 
obsolète
 
Porte notice Chaffoteaux 61307421
0604 page 10 Porte notice
Code article PEX: 213784
Chaffoteaux
Réf fabricant: 61307421
 
obsolète
 
Allumeur Chaffoteaux 61002105-20
0607 page 10 Allumeur
Code article PEX: 212070
Chaffoteaux
Réf fabricant: 61002105-20
en stock
74,88 € TTC
Cablage allumeur Chaffoteaux 61015739
0608 page 10 Cablage allumeur
Code article PEX: 213152
Chaffoteaux
Réf fabricant: 61015739
± 3 jours ouvrés
33,96 € TTC
Couvercle connecteurs Chaffoteaux 61010014
0609 page 10 Couvercle connecteurs
Code article PEX: 212646
Chaffoteaux
Réf fabricant: 61010014
± 3 jours ouvrés
10,98 € TTC
Connecteur 10 broches + shunts Chaffoteaux 61303358
0610 page 10 Connecteur 10 broches + shunts
Code article PEX: 213524
Chaffoteaux
Réf fabricant: 61303358
± 3 jours ouvrés
15,36 € TTC
Faisceau de cables Chaffoteaux 61306313
0611 page 10 Faisceau de cables
Code article PEX: 213717
Chaffoteaux
Réf fabricant: 61306313
 
obsolète
 
Barrette de connexion Chaffoteaux 61010152
0612 page 10 Barrette de connexion
Code article PEX: 212699
Chaffoteaux
Réf fabricant: 61010152
± 3 jours ouvrés
6,44 € TTC
Vis a tole tcbl d: 4-10 Chaffoteaux 61020509
0613 page 10 Vis a tole tcbl d: 4-10
Code article PEX: 213338
Chaffoteaux
Réf fabricant: 61020509
 
obsolète
 
Couvercle boitier electrique Chaffoteaux 61010007
0614 page 10 Couvercle boitier electrique
Code article PEX: 212640
Chaffoteaux
Réf fabricant: 61010007
 
obsolète
 
Circuits imprimes Chaffoteaux 61308277
0615 page 10 Circuits imprimes
Code article PEX: 474532
Chaffoteaux
Réf fabricant: 61308277
en stock
468,12 € TTC
Platine boitier electrique Chaffoteaux 61010006
0617 page 10 Platine boitier electrique
Code article PEX: 212639
Chaffoteaux
Réf fabricant: 61010006
en stock
53,50 € TTC
Bouchon Chaffoteaux 61011316
0618 page 10 Bouchon
Code article PEX: 212829
Chaffoteaux
Réf fabricant: 61011316
± 3 jours ouvrés
2,39 € TTC
Plaque de protection Chaffoteaux 61010239
0619 page 10 Plaque de protection
Code article PEX: 212715
Chaffoteaux
Réf fabricant: 61010239
± 3 jours ouvrés
9,23 € TTC
Centreur Chaffoteaux 61010241
0620 page 10 Centreur
Code article PEX: 212717
Chaffoteaux
Réf fabricant: 61010241
± 3 jours ouvrés
2,39 € TTC
Transmetteur de leds temp. Chaffoteaux 61303699
0621 page 10 Transmetteur de leds temp.
Code article PEX: 213553
Chaffoteaux
Réf fabricant: 61303699
 
obsolète
 
Bouton de rearmement Chaffoteaux 61010072
0622 page 10 Bouton de rearmement
Code article PEX: 212671
Chaffoteaux
Réf fabricant: 61010072
± 3 jours ouvrés
3,07 € TTC
Transmetteur de leds m/a Chaffoteaux 61303700
0623 page 10 Transmetteur de leds m/a
Code article PEX: 213554
Chaffoteaux
Réf fabricant: 61303700
± 3 jours ouvrés
8,76 € TTC
Fusible 250v 2a temporise Chaffoteaux 61003456
0627 page 10 Fusible 250v 2a temporise
Code article PEX: 212146
Chaffoteaux
Réf fabricant: 61003456
± 3 jours ouvrés
2,63 € TTC
Fusible 250v 0.315a temporise Chaffoteaux 61307845
0628 page 10 Fusible 250v 0.315a temporise
Code article PEX: 213822
Chaffoteaux
Réf fabricant: 61307845
± 3 jours ouvrés
2,63 € TTC
Fusible 250v 1.25a temporise Chaffoteaux 61003635
0629 page 10 Fusible 250v 1.25a temporise
Code article PEX: 212154
Chaffoteaux
Réf fabricant: 61003635
± 3 jours ouvrés
2,63 € TTC
Cablage de masse jusqu au 10/06 Chaffoteaux 61305498
0631 page 10 Cablage de masse jusqu au 10/06
Code article PEX: 213675
Chaffoteaux
Réf fabricant: 61305498
± 3 jours ouvrés
6,00 € TTC
Obturateur Chaffoteaux 61304599
0632 page 10 Obturateur
Code article PEX: 213604
Chaffoteaux
Réf fabricant: 61304599
 
obsolète
 
Patte support Chaffoteaux 61304977
0635 page 10 Patte support
Code article PEX: 213618
Chaffoteaux
Réf fabricant: 61304977
± 3 jours ouvrés
4,76 € TTC
Vis a tole d: 3.5-9.5 Chaffoteaux 61015329
0636 page 10 Vis a tole d: 3.5-9.5
Code article PEX: 213116
Chaffoteaux
Réf fabricant: 61015329
± 3 jours ouvrés
2,39 € TTC
Cablage vanne 3 voies Chaffoteaux 61305893
0638 page 10 Cablage vanne 3 voies
Code article PEX: 213692
Chaffoteaux
Réf fabricant: 61305893
± 3 jours ouvrés
19,56 € TTC
Connecteur femelle 2 poles Chaffoteaux 61307926
0641 page 10 Connecteur femelle 2 poles
Code article PEX: 213824
Chaffoteaux
Réf fabricant: 61307926
 
obsolète
 
Shunt noir Chaffoteaux 61400030
0642 page 10 Shunt noir
Code article PEX: 214523
Chaffoteaux
Réf fabricant: 61400030
± 3 jours ouvrés
2,46 € TTC
Connecteur femelle 3 poles Chaffoteaux 61003209
0643 page 10 Connecteur femelle 3 poles
Code article PEX: 212137
Chaffoteaux
Réf fabricant: 61003209
± 3 jours ouvrés
2,70 € TTC
Bornier raccordement Chaffoteaux 61308032
0644 page 10 Bornier raccordement
Code article PEX: 213836
Chaffoteaux
Réf fabricant: 61308032
± 3 jours ouvrés
3,90 € TTC
Cablage d alimentation Chaffoteaux 61302102
0644 page 10 Cablage d alimentation
Code article PEX: 213433
Chaffoteaux
Réf fabricant: 61302102
± 3 jours ouvrés
12,46 € TTC
Traverse superieure Chaffoteaux 61010029
0701 page 12 Traverse superieure
Code article PEX: 212649
Chaffoteaux
Réf fabricant: 61010029
± 3 jours ouvrés
8,44 € TTC
Vase d expansion ep : 92 cm Chaffoteaux 60056676-06
0703 page 12 Vase d expansion ep : 92 cm
Code article PEX: 210190
Chaffoteaux
Réf fabricant: 60056676-06
en stock
210,62 € TTC
Rallonge de vase d expansion Chaffoteaux 61010170
0705 page 12 Rallonge de vase d expansion
Code article PEX: 212703
Chaffoteaux
Réf fabricant: 61010170
en stock
26,11 € TTC
Vis a tole cblsx d: 6.3-19 Chaffoteaux 61014516
0706 page 12 Vis a tole cblsx d: 6.3-19
Code article PEX: 213070
Chaffoteaux
Réf fabricant: 61014516
± 3 jours ouvrés
0,80 € TTC
Durit (pochette) Chaffoteaux 60081824
0709 page 12 Durit (pochette)
Code article PEX: 211301
Chaffoteaux
Réf fabricant: 60081824
± 3 jours ouvrés
25,31 € TTC
Clip (x10) Chaffoteaux 61002406
0710 page 12 Clip (x10)
Code article PEX: 212079
Chaffoteaux
Réf fabricant: 61002406
± 3 jours ouvrés
2,63 € TTC
Joint torique d: 5.7-1.9 Chaffoteaux 61009834-10
0711 page 12 Joint torique d: 5.7-1.9
Code article PEX: 212617
Chaffoteaux
Réf fabricant: 61009834-10
en stock
2,39 € TTC
Joint plat d: 12-6-2 Chaffoteaux 61308868
0712 page 12 Joint plat d: 12-6-2
Code article PEX: 213887
Chaffoteaux
Réf fabricant: 61308868
± 3 jours ouvrés
2,63 € TTC
Clip Chaffoteaux 61010005
0713 page 12 Clip
Code article PEX: 212638
Chaffoteaux
Réf fabricant: 61010005
± 3 jours ouvrés
2,39 € TTC
Joint torique d: 8.9-2.7 Chaffoteaux 61009834-14
0714 page 12 Joint torique d: 8.9-2.7
Code article PEX: 212618
Chaffoteaux
Réf fabricant: 61009834-14
en stock
2,39 € TTC
Vis a tole cblsx d: 4.2-9.5 Chaffoteaux 61010125
0801 page 12 Vis a tole cblsx d: 4.2-9.5
Code article PEX: 212686
Chaffoteaux
Réf fabricant: 61010125
± 3 jours ouvrés
2,39 € TTC
Carrosserie Chaffoteaux 61010016
0802 page 12 Carrosserie
Code article PEX: 212647
Chaffoteaux
Réf fabricant: 61010016
± 3 jours ouvrés
680,65 € TTC
Manometre Chaffoteaux 61303158
0805 page 12 Manometre
Code article PEX: 213495
Chaffoteaux
Réf fabricant: 61303158
en stock
40,30 € TTC
Porte Chaffoteaux 61304530
0806 page 12 Porte
Code article PEX: 213597
Chaffoteaux
Réf fabricant: 61304530
± 3 jours ouvrés
15,16 € TTC
Bandeau serig. (sans prog.) Chaffoteaux 61304314
0807 page 12 Bandeau serig. (sans prog.)
Code article PEX: 213585
Chaffoteaux
Réf fabricant: 61304314
± 3 jours ouvrés
18,00 € TTC
Bouton blanc Chaffoteaux 61304848
0811 page 12 Bouton blanc
Code article PEX: 213615
Chaffoteaux
Réf fabricant: 61304848
en stock
13,20 € TTC
Entretoise Chaffoteaux 61015797
0813 page 12 Entretoise
Code article PEX: 213161
Chaffoteaux
Réf fabricant: 61015797
± 3 jours ouvrés
7,63 € TTC
Vis fx90 d: 3.5-16 Chaffoteaux 61010133
0815 page 12 Vis fx90 d: 3.5-16
Code article PEX: 212694
Chaffoteaux
Réf fabricant: 61010133
± 3 jours ouvrés
2,39 € TTC
Robinet dc Chaffoteaux 61020388
0902 page 14 Robinet dc
Code article PEX: 213334
Chaffoteaux
Réf fabricant: 61020388
en stock
56,46 € TTC
Raccord ec Chaffoteaux 61020916
0903 page 14 Raccord ec
Code article PEX: 213355
Chaffoteaux
Réf fabricant: 61020916
± 3 jours ouvrés
19,56 € TTC
Robinet gaz Chaffoteaux 61020389
0904 page 14 Robinet gaz
Code article PEX: 213335
Chaffoteaux
Réf fabricant: 61020389
± 3 jours ouvrés
43,72 € TTC
Robinet ef Chaffoteaux 61302612
0905 page 14 Robinet ef
Code article PEX: 422994
Chaffoteaux
Réf fabricant: 61302612
 
obsolète
 
Robinet rc Chaffoteaux 61302614
0906 page 14 Robinet rc
Code article PEX: 213465
Chaffoteaux
Réf fabricant: 61302614
en stock
45,77 € TTC
Platine support mural Chaffoteaux 61002497
0907 page 14 Platine support mural
Code article PEX: 212084
Chaffoteaux
Réf fabricant: 61002497
± 3 jours ouvrés
5,83 € TTC
Rondelle d: 14.2-7.2-1.2 Chaffoteaux 60005369-03
0908 page 14 Rondelle d: 14.2-7.2-1.2
Code article PEX: 209370
Chaffoteaux
Réf fabricant: 60005369-03
± 3 jours ouvrés
2,59 € TTC
Vis a bois d:6-38 Chaffoteaux 60025617-03
0909 page 14 Vis a bois d:6-38
Code article PEX: 209637
Chaffoteaux
Réf fabricant: 60025617-03
± 3 jours ouvrés
1,19 € TTC
Tube disconnecteur Chaffoteaux 61010065
0911 page 14 Tube disconnecteur
Code article PEX: 212667
Chaffoteaux
Réf fabricant: 61010065
 
obsolète
 
Joint torique d: 6-1 Chaffoteaux 60024164-41
0912 page 14 Joint torique d: 6-1
Code article PEX: 209579
Chaffoteaux
Réf fabricant: 60024164-41
± 3 jours ouvrés
2,39 € TTC
Joint plat d: 14.8-10.3-1.5 Chaffoteaux 60061854-11
0913 page 14 Joint plat d: 14.8-10.3-1.5
Code article PEX: 210325
Chaffoteaux
Réf fabricant: 60061854-11
± 3 jours ouvrés
2,63 € TTC
Ecrou 3/8" ep: 11 Chaffoteaux 60020746-20
0914 page 14 Ecrou 3/8" ep: 11
Code article PEX: 209462
Chaffoteaux
Réf fabricant: 60020746-20
± 3 jours ouvrés
3,13 € TTC
Douille de raccordement Chaffoteaux 60001574
0915 page 14 Douille de raccordement
Code article PEX: 209042
Chaffoteaux
Réf fabricant: 60001574
± 3 jours ouvrés
5,81 € TTC
Tube pvc d: 9x12 l: 1m Chaffoteaux 60081266
0916 page 14 Tube pvc d: 9x12 l: 1m
Code article PEX: 211083
Chaffoteaux
Réf fabricant: 60081266
± 3 jours ouvrés
14,81 € TTC
Joint plat d: 24-17-1.5 Chaffoteaux 60061855-19
0917 page 14 Joint plat d: 24-17-1.5
Code article PEX: 210342
Chaffoteaux
Réf fabricant: 60061855-19
en stock
2,39 € TTC
Contre ecrou 3/4" Chaffoteaux 60031140
0918 page 14 Contre ecrou 3/4"
Code article PEX: 209759
Chaffoteaux
Réf fabricant: 60031140
± 3 jours ouvrés
2,63 € TTC
Limit. debit 10l (bleu) Chaffoteaux 61002775-10
0919 page 14 Limit. debit 10l (bleu)
Code article PEX: 212108
Chaffoteaux
Réf fabricant: 61002775-10
± 3 jours ouvrés
11,47 € TTC
Limit. debit 12l (rouge) Chaffoteaux 61002775-12
0919 page 14 Limit. debit 12l (rouge)
Code article PEX: 212109
Chaffoteaux
Réf fabricant: 61002775-12
± 3 jours ouvrés
11,47 € TTC
Limit. debit 14l (rose) Chaffoteaux 61002775-14
0919 page 14 Limit. debit 14l (rose)
Code article PEX: 212110
Chaffoteaux
Réf fabricant: 61002775-14
± 3 jours ouvrés
11,33 € TTC
Limit. debit 15l (vert clair) Chaffoteaux 61002775-15
0919 page 14 Limit. debit 15l (vert clair)
Code article PEX: 212111
Chaffoteaux
Réf fabricant: 61002775-15
 
obsolète
 
Limit. debit 7l (vert fonce) Chaffoteaux 61002775-07
0919 page 14 Limit. debit 7l (vert fonce)
Code article PEX: 212106
Chaffoteaux
Réf fabricant: 61002775-07
± 3 jours ouvrés
11,78 € TTC
Limit. debit 8l (blanc) Chaffoteaux 61002775-08
0919 page 14 Limit. debit 8l (blanc)
Code article PEX: 212107
Chaffoteaux
Réf fabricant: 61002775-08
± 3 jours ouvrés
11,47 € TTC
Contre ecrou h 1/2" Chaffoteaux 60031139
0920 page 14 Contre ecrou h 1/2"
Code article PEX: 209758
Chaffoteaux
Réf fabricant: 60031139
± 3 jours ouvrés
3,70 € TTC
Joint plat d: 24-18.2-1.5 Chaffoteaux 60022835-01
0921 page 14 Joint plat d: 24-18.2-1.5
Code article PEX: 209529
Chaffoteaux
Réf fabricant: 60022835-01
en stock
2,39 € TTC
Manette noire Chaffoteaux 61302611
0922 page 14 Manette noire
Code article PEX: 213462
Chaffoteaux
Réf fabricant: 61302611
en stock
2,63 € TTC
Manette jaune Chaffoteaux 61302610
0923 page 14 Manette jaune
Code article PEX: 213461
Chaffoteaux
Réf fabricant: 61302610
± 3 jours ouvrés
2,63 € TTC
Purgeur equipe (pochette) Chaffoteaux 60081028
0925 page 14 Purgeur equipe (pochette)
Code article PEX: 210952
Chaffoteaux
Réf fabricant: 60081028
en stock
12,95 € TTC
Vis de prise de pression Chaffoteaux 61016378
0927 page 14 Vis de prise de pression
Code article PEX: 213211
Chaffoteaux
Réf fabricant: 61016378
± 3 jours ouvrés
2,39 € TTC
Disconnecteur (pochette) Chaffoteaux 60081664
0928 page 14 Disconnecteur (pochette)
Code article PEX: 211245
Chaffoteaux
Réf fabricant: 60081664
en stock
63,48 € TTC
Ecrou h m 10-1 Chaffoteaux 60031825-08
0929 page 14 Ecrou h m 10-1
Code article PEX: 209786
Chaffoteaux
Réf fabricant: 60031825-08
± 3 jours ouvrés
2,87 € TTC
Joint plat d: 8.5-4.1-1.5 Chaffoteaux 60061852-12
0930 page 14 Joint plat d: 8.5-4.1-1.5
Code article PEX: 210315
Chaffoteaux
Réf fabricant: 60061852-12
± 3 jours ouvrés
2,39 € TTC
Vis a teton m4 Chaffoteaux 61304327
0931 page 14 Vis a teton m4
Code article PEX: 213586
Chaffoteaux
Réf fabricant: 61304327
± 3 jours ouvrés
2,63 € TTC
Joint torique d: 13.6-2.7 Chaffoteaux 61009834-18
0936 page 14 Joint torique d: 13.6-2.7
Code article PEX: 212620
Chaffoteaux
Réf fabricant: 61009834-18
en stock
2,39 € TTC
Tube pvc d: 13x17 l: 1m Chaffoteaux 60081266-02
0937 page 14 Tube pvc d: 13x17 l: 1m
Code article PEX: 211085
Chaffoteaux
Réf fabricant: 60081266-02
en stock
34,10 € TTC
Soupape de securite 3 bars (sans joint) Chaffoteaux 61020933
0938 page 14 Soupape de securite 3 bars (sans joint)
Code article PEX: 213360
Chaffoteaux
Réf fabricant: 61020933
en stock
42,02 € TTC
Joint plat d: 18.4-12.2-1.5 Chaffoteaux 60061855-14
0939 page 14 Joint plat d: 18.4-12.2-1.5
Code article PEX: 210337
Chaffoteaux
Réf fabricant: 60061855-14
en stock
2,39 € TTC
Ecrou 1/2" ep: 10 Chaffoteaux 60020747-68
0940 page 14 Ecrou 1/2" ep: 10
Code article PEX: 209466
Chaffoteaux
Réf fabricant: 60020747-68
± 3 jours ouvrés
5,66 € TTC
Douille raccordement soupape Chaffoteaux 60047727
0941 page 14 Douille raccordement soupape
Code article PEX: 210056
Chaffoteaux
Réf fabricant: 60047727
± 3 jours ouvrés
6,73 € TTC
Tube de rempl. (pour disco.) Chaffoteaux 61020885
0942 page 14 Tube de rempl. (pour disco.)
Code article PEX: 213353
Chaffoteaux
Réf fabricant: 61020885
 
obsolète
 
Accessoires (pochette) Chaffoteaux 61010324
0943 page 14 Accessoires (pochette)
Code article PEX: 212721
Chaffoteaux
Réf fabricant: 61010324
 
obsolète
 
Bouton gris Chaffoteaux 61302613
0948 page 14 Bouton gris
Code article PEX: 213464
Chaffoteaux
Réf fabricant: 61302613
en stock
3,42 € TTC
Tete de robinet Chaffoteaux 61314798
0950 page 14 Tete de robinet
Code article PEX: 214320
Chaffoteaux
Réf fabricant: 61314798
en stock
13,67 € TTC
Eqt transf nat > but/prop Chaffoteaux 61018431
5001 page 16 Eqt transf nat > but/prop
Code article PEX: 213301
Chaffoteaux
Réf fabricant: 61018431
 
obsolète
 
Eqt transf but/prop > nat Chaffoteaux 61018427
5002 page 16 Eqt transf but/prop > nat
Code article PEX: 213297
Chaffoteaux
Réf fabricant: 61018427
 
obsolète
 
Gabarit de pose Chaffoteaux 61010073
5030 page 16 Gabarit de pose
Code article PEX: 212672
Chaffoteaux
Réf fabricant: 61010073
± 3 jours ouvrés
10,33 € TTC
Kit calydra delta 24>18 vmc b/p Chaffoteaux 61307540
5043 page 16 Kit calydra delta 24>18 vmc b/p
Code article PEX: 311124
Chaffoteaux
Réf fabricant: 61307540
 
obsolète
 
Kit calydra delta 24>18 vmc nat Chaffoteaux 61307539
5043 page 16 Kit calydra delta 24>18 vmc nat
Code article PEX: 311123
Chaffoteaux
Réf fabricant: 61307539
 
obsolète
 
Interface detartrage ech. cdc Chaffoteaux 61014100
6001 page 16 Interface detartrage ech. cdc
Code article PEX: 213014
Chaffoteaux
Réf fabricant: 61014100
± 3 jours ouvrés
58,24 € TTC
Interface detartrage ech. pla. Chaffoteaux 61011075
60012 page 16 Interface detartrage ech. pla.
Code article PEX: 212801
Chaffoteaux
Réf fabricant: 61011075
± 3 jours ouvrés
227,34 € TTC
Boitier de simulation vanne 3v Chaffoteaux 61012597
60032 page 16 Boitier de simulation vanne 3v
Code article PEX: 212914
Chaffoteaux
Réf fabricant: 61012597
 
obsolète
 
Cle de demontage Chaffoteaux 61302650
60063 page 16 Cle de demontage
Code article PEX: 213470
Chaffoteaux
Réf fabricant: 61302650
 
obsolète
 
Kit connecteur debistat Chaffoteaux 61306970
60067 page 16 Kit connecteur debistat
Code article PEX: 213765
Chaffoteaux
Réf fabricant: 61306970
en stock
15,28 € TTC


Dans cette page vous trouverez l'ensemble des articles et pièces détachées de chaufferie qui composent la nomenclature Chaudière Chaffoteaux CALYDRA DELTA 24 VMC NAT (2002-2006) (200006787036) 200006787036 ainsi que des liens vers les articles Chaffoteaux. En parcourant la page Chaffoteaux, vous pourrez également trouver toutes les pièces Chaffoteaux présentes chez Pièces Express. L'indication de stock vous permet de savoir si la pièce détachée est disponible dans notre stock central ou bien avec un délai fournisseur. Dans ce dernier cas, renseignez vous, nous commandons très régulièrement chez chacun de nos fournisseurs, nous pouvons donc certainement répondre à votre besoin rapidement.

Nos marques
Nos catalogues
Nos outils
Nos gicleurs fioul
Nos bougies pour poêles à pellets
Pièces détachées de chauffage et climatisation
PIÈCES EXPRESS
1 rue Philippe LEBON
ZA Henri Spriet
14120 MONDEVILLE
Téléphone: 02 14 47 16 10
Siret: 790 553 242 00013
Tva: FR 38 790553242

4.7
153 avis