Pièces détachées de chauffage et climatisation
Plus de 650 000 références fabricants disponibles
Livraison en France et en Belgique
4.7
MARQUES ▾
CATALOGUES ▾
VUES ÉCLATÉES ▾ CODES DÉFAUTS ▾
OUTILS DE RECHERCHE ▾
FAQ / TUTOS
DÉSTOCKAGE
>
VOTRE RECHERCHE

Brûleur Cuenod BB-NC36 BX217A (3834652)



page 2
Pièces détachées Brûleur Cuenod BB-NC36 BX217A (3834652) chez Pièces Express


Référence fabricant
Position Schéma
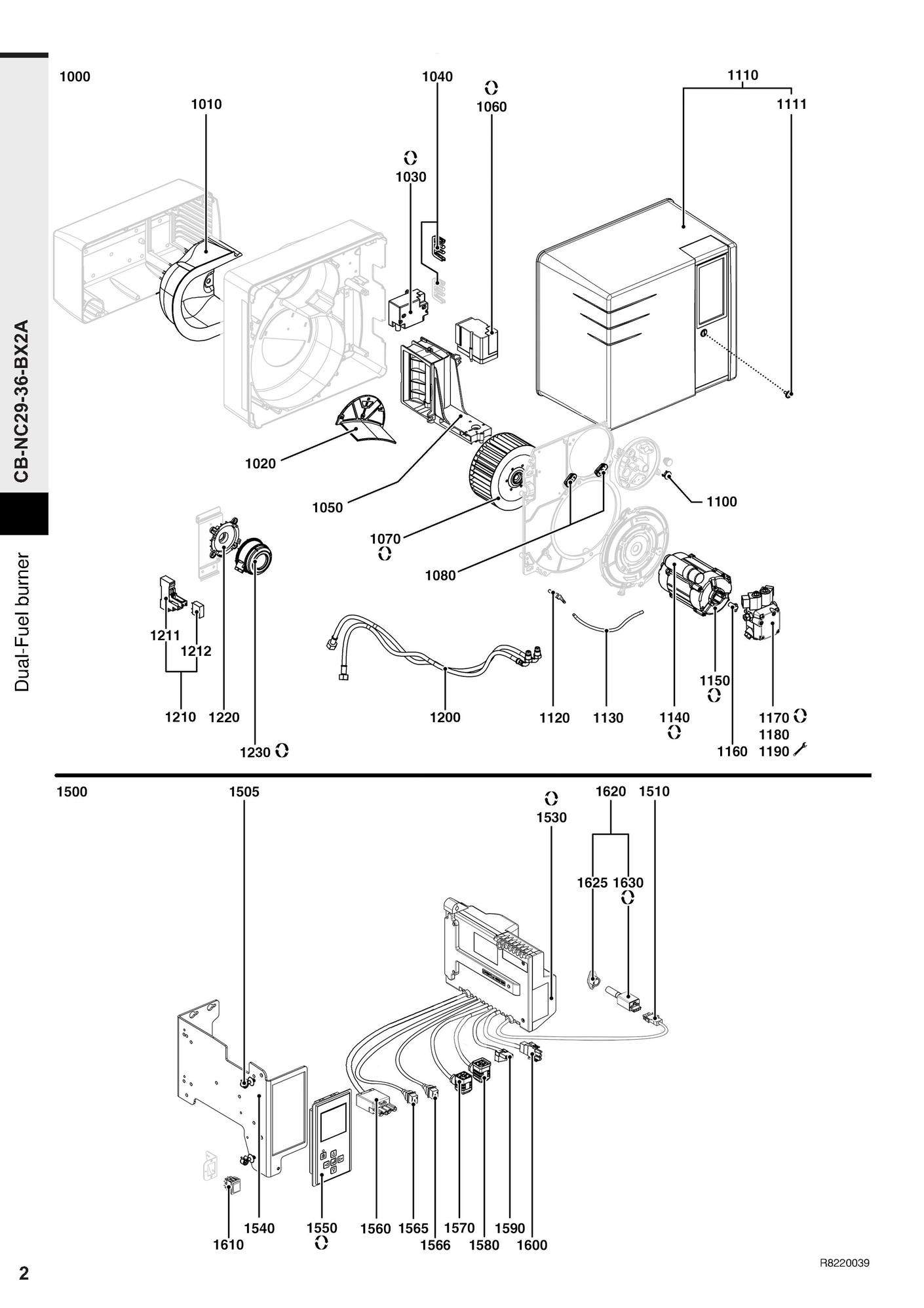
65300518 Isolant phonique / boite a air 1010
65300525 Recyclage 1020
13009663 Allumeur ebi 4m 2x7,5v 1030
13016845 Passe fil / carter 1040
65300514 Volet d air 1050
65300527 Servomoteur ste 4,5 b0.37/6-r 1060
13021143 Turbine d180x70 1070
65300517 Passe cable dim34x15/12 / platine (pr) 1080
13007807 Voyant de flamme 1100
65300601 Capot nc29/36 - cuenod 1110
65300519 Vis fixation capot 1111
13016844 Prise de pression d air 65300567 1120
13015497 Tuyau d.4/7 1130
13012984 Condensateur 10µf SIMEL 1140
65300577 Condensateur 8 µf ACC 1140
65300528 Moteur du bruleur 1150
13018143 Accouplement pompe/moteur smen 1160
13012002 At2 45 d 9535 AS 1170
13010006 Bobine AS 1180
13010470 Kit filtre d20 a 47/57/67(nm) AS 1190
13004833 Flexible mazout 1,5m (x2) 1200
13017722 Relais+supp. 2rt 8a agni 230v 1210
13017720 Support relais finder 95.05 1211
13017721 Relais finder 1212
13020723 Support manostat huba 1220
13020502 Manostat huba air 0,5 a 5 1230
65300679 Clips d.6/10+ent. a pressionner(x10) 1505
65300210 Cable + prise / cellule ird lg400 1510
65300880 Control unit tcg2xx 1530
65300524 Support coffret + afficheur 1540
65301109 Afficheur / coffret tch24x 1550
65300531 Cable + prise wieland 4p (2e all.) 1560
65301189 Cable+prise / vanne 1ere all. 1565
65301190 Cable+prise / vanne 2eme all. 1566
65301191 Cable+prise / manostat gaz 1570
65301192 Cable+prise / vanne gaz 1580
65300619 Cable + prise / allumeur 1590
13010519 Cable + prise / moteur 1600
13009683 Interrupteur 3 pos 1610
13007158 Kit cellule ird 1020 satronic 13007855 1620
13010461 Support aimante/cellule ird 1625
65300218 Cellule ird 1020 axiale 13007855 1630


Les images des vues éclatées peuvent contenir des prix datant de plusieurs années, merci de ne pas en tenir compte










Pièces détachées contenues dans cet appareil Brûleur Cuenod BB-NC36 BX217A (3834652)



Photo Position vue éclatée Article Référence fabricant Disponibilité et prix  
Isolant phonique / boite a air Cuenod 65300518
1010 page 2 Isolant phonique / boite a air
Code article PEX: 185662
Cuenod
Réf fabricant: 65300518
± 3 jours ouvrés
94,30 € TTC
Recyclage Cuenod 65300525
1020 page 2 Recyclage
Code article PEX: 185669
Cuenod
Réf fabricant: 65300525
± 3 jours ouvrés
39,48 € TTC
Allumeur EBI4 2x7,5 230v Cuenod 13009663
1030 page 2 Allumeur ebi4 2x7,5 230v
Code article PEX: 342994
Cuenod
Réf fabricant: 13009663
en stock
79,12 € TTC
Passe fil / carter Cuenod 13016845
1040 page 2 Passe fil / carter
Code article PEX: 183395
Cuenod
Réf fabricant: 13016845
± 3 jours ouvrés
25,14 € TTC
Volet d air Cuenod 65300514
1050 page 2 Volet d air
Code article PEX: 185658
Cuenod
Réf fabricant: 65300514
± 3 jours ouvrés
143,92 € TTC
Servomoteur ste 4,5 b0.37/6-r Cuenod 65300527
1060 page 2 Servomoteur ste 4,5 b0.37/6-r
Code article PEX: 185671
Cuenod
Réf fabricant: 65300527
en stock
505,34 € TTC
Turbine d180x70 Cuenod 13021143
1070 page 2 Turbine d180x70
Code article PEX: 184682
Cuenod
Réf fabricant: 13021143
± 3 jours ouvrés
101,36 € TTC
Passe cable dim34x15/12 / platine (pr) Cuenod 65300517
1080 page 2 Passe cable dim34x15/12 / platine (pr)
Code article PEX: 185661
Cuenod
Réf fabricant: 65300517
± 3 jours ouvrés
31,10 € TTC
Voyant de flamme Cuenod 13007807
1100 page 2 Voyant de flamme
Code article PEX: 180805
Cuenod
Réf fabricant: 13007807
± 3 jours ouvrés
25,46 € TTC
Capot nc29/36 - cuenod Cuenod 65300601
1110 page 2 Capot nc29/36 - cuenod
Code article PEX: 185723
Cuenod
Réf fabricant: 65300601
± 3 jours ouvrés
145,69 € TTC
Vis fixation capot Cuenod 65300519
1111 page 2 Vis fixation capot
Code article PEX: 185663
Cuenod
Réf fabricant: 65300519
± 3 jours ouvrés
24,50 € TTC
Prise de pression d air Cuenod 13016844
1120 page 2 Prise de pression d air
Code article PEX: 183394
Cuenod
Réf fabricant: 13016844
 
obsolète
 
Tuyau d.4/7 Cuenod 13015497
1130 page 2 Tuyau d.4/7
Code article PEX: 182704
Cuenod
Réf fabricant: 13015497
± 3 jours ouvrés
30,30 € TTC
Condensateur 10µf Cuenod 13012984
1140 page 2 Condensateur 10µf
Code article PEX: 181830
Cuenod
Réf fabricant: 13012984
± 3 jours ouvrés
89,12 € TTC
Condensateur 8 µf Cuenod 65300577
1140 page 2 Condensateur 8 µf
Code article PEX: 185705
Cuenod
Réf fabricant: 65300577
± 3 jours ouvrés
62,86 € TTC
Moteur du bruleur Cuenod 65300528
1150 page 2 Moteur du bruleur
Code article PEX: 185672
Cuenod
Réf fabricant: 65300528
± 3 jours ouvrés
491,02 € TTC
Accouplement pompe/moteur smen Cuenod 13018143
1160 page 2 Accouplement pompe/moteur smen
Code article PEX: 183696
Cuenod
Réf fabricant: 13018143
± 3 jours ouvrés
29,02 € TTC
Pompe fuel at2v 45 d 9638 6p 0700 Cuenod 13012002
1170 page 2 Pompe fuel at2v 45 d 9638 6p 0700
Code article PEX: 541716
Cuenod
Réf fabricant: 13012002
en stock
608,16 € TTC
Bobine Cuenod 13010006
1180 page 2 Bobine
Code article PEX: 181122
Cuenod
Réf fabricant: 13010006
en stock
109,10 € TTC
Kit filtre d20 a 47/57/67(nm) Cuenod 13010470
1190 page 2 Kit filtre d20 a 47/57/67(nm)
Code article PEX: 181236
Cuenod
Réf fabricant: 13010470
 
obsolète
 
Flexible mazout 1,5m (x2) Cuenod 13004833
1200 page 2 Flexible mazout 1,5m (x2)
Code article PEX: 180693
Cuenod
Réf fabricant: 13004833
± 3 jours ouvrés
108,30 € TTC
Relais+supp. 2rt 8a agni 230v Cuenod 13017722
1210 page 2 Relais+supp. 2rt 8a agni 230v
Code article PEX: 183612
Cuenod
Réf fabricant: 13017722
± 3 jours ouvrés
91,85 € TTC
Support relais finder 95.05 Cuenod 13017720
1211 page 2 Support relais finder 95.05
Code article PEX: 183610
Cuenod
Réf fabricant: 13017720
± 16 jours ouvrés
53,16 € TTC
Relais finder Cuenod 13017721
1212 page 2 Relais finder
Code article PEX: 183611
Cuenod
Réf fabricant: 13017721
± 3 jours ouvrés
49,31 € TTC
Support manostat huba Cuenod 13020723
1220 page 2 Support manostat huba
Code article PEX: 184553
Cuenod
Réf fabricant: 13020723
± 3 jours ouvrés
27,24 € TTC
Manostat huba air 0,5 a 5 Cuenod 13020502
1230 page 2 Manostat huba air 0,5 a 5
Code article PEX: 184474
Cuenod
Réf fabricant: 13020502
± 3 jours ouvrés
121,18 € TTC
Clips d.6/10+ent. a pressionner(x10) Cuenod 65300679
1505 page 2 Clips d.6/10+ent. a pressionner(x10)
Code article PEX: 185777
Cuenod
Réf fabricant: 65300679
± 3 jours ouvrés
87,19 € TTC
Cable + prise / cellule ird lg400 Cuenod 65300210
1510 page 2 Cable + prise / cellule ird lg400
Code article PEX: 185428
Cuenod
Réf fabricant: 65300210
± 3 jours ouvrés
83,78 € TTC
Control unit tcg2xx Cuenod 65300880
1530 page 2 Control unit tcg2xx
Code article PEX: 185918
Cuenod
Réf fabricant: 65300880
± 3 jours ouvrés
498,56 € TTC
Support coffret + afficheur Cuenod 65300524
1540 page 2 Support coffret + afficheur
Code article PEX: 185668
Cuenod
Réf fabricant: 65300524
± 3 jours ouvrés
117,16 € TTC
Afficheur / coffret tch24x Cuenod 65301109
1550 page 2 Afficheur / coffret tch24x
Code article PEX: 186064
Cuenod
Réf fabricant: 65301109
± 3 jours ouvrés
303,59 € TTC
Cable + prise wieland 4p (2e all.) Cuenod 65300531
1560 page 2 Cable + prise wieland 4p (2e all.)
Code article PEX: 185675
Cuenod
Réf fabricant: 65300531
± 3 jours ouvrés
53,82 € TTC
1565 page 2 Cable+prise / vanne 1ere all.
 
Cuenod
Réf fabricant: 65301189
avec délai
sur devis
1566 page 2 Cable+prise / vanne 2eme all.
 
Cuenod
Réf fabricant: 65301190
avec délai
sur devis
1570 page 2 Cable+prise / manostat gaz
 
Cuenod
Réf fabricant: 65301191
avec délai
sur devis
1580 page 2 Cable+prise / vanne gaz
 
Cuenod
Réf fabricant: 65301192
avec délai
sur devis
Cable + prise / allumeur Cuenod 65300619
1590 page 2 Cable + prise / allumeur
Code article PEX: 185734
Cuenod
Réf fabricant: 65300619
± 3 jours ouvrés
32,39 € TTC
Cable + prise / moteur Cuenod 13010519
1600 page 2 Cable + prise / moteur
Code article PEX: 181272
Cuenod
Réf fabricant: 13010519
en stock
35,94 € TTC
Interrupteur 3 pos Cuenod 13009683
1610 page 2 Interrupteur 3 pos
Code article PEX: 180984
Cuenod
Réf fabricant: 13009683
± 3 jours ouvrés
54,00 € TTC
Kit cellule ird 1020 satronic Cuenod 13007158
1620 page 2 Kit cellule ird 1020 satronic
Code article PEX: 180738
Cuenod
Réf fabricant: 13007158
 
obsolète
 
Support aimante/cellule ird Cuenod 13010461
1625 page 2 Support aimante/cellule ird
Code article PEX: 181230
Cuenod
Réf fabricant: 13010461
± 3 jours ouvrés
53,50 € TTC
Cellule ird 1020 axiale Cuenod 65300218
1630 page 2 Cellule ird 1020 axiale
Code article PEX: 185436
Cuenod
Réf fabricant: 65300218
 
obsolète
 


Dans cette page vous trouverez l'ensemble des articles et pièces détachées de chaufferie qui composent la nomenclature Brûleur Cuenod BB-NC36 BX217A (3834652) ainsi que des liens vers les articles Cuenod. En parcourant la page Cuenod, vous pourrez également trouver toutes les pièces Cuenod présentes chez Pièces Express. L'indication de stock vous permet de savoir si la pièce détachée est disponible dans notre stock central ou bien avec un délai fournisseur. Dans ce dernier cas, renseignez vous, nous commandons très régulièrement chez chacun de nos fournisseurs, nous pouvons donc certainement répondre à votre besoin rapidement.

Nos marques
Nos catalogues
Nos outils
Nos gicleurs fioul
Nos bougies pour poêles à pellets
Pièces détachées de chauffage et climatisation
PIÈCES EXPRESS
1 rue Philippe LEBON
ZA Henri Spriet
14120 MONDEVILLE
Téléphone: 02 14 47 16 10
Siret: 790 553 242 00013
Tva: FR 38 790553242

4.7
151 avis