Pièces détachées de chauffage et climatisation
Plus de 650 000 références fabricants disponibles
Livraison en France et en Belgique
4.7
MARQUES ▾
CATALOGUES ▾
VUES ÉCLATÉES ▾ CODES DÉFAUTS ▾
OUTILS DE RECHERCHE ▾
FAQ / TUTOS
DÉSTOCKAGE
>
VOTRE RECHERCHE

Chaudière Ariston GENUS TANK 27 RI GN (F) (1997-2001) Ref 534501



page 2
page 4
page 6
page 8
Pièces détachées Chaudière Ariston GENUS TANK 27 RI GN (F) (1997-2001) Ref 534501 chez Pièces Express


Référence fabricant
Position Schéma


Les images des vues éclatées peuvent contenir des prix datant de plusieurs années, merci de ne pas en tenir compte










Pièces détachées contenues dans cet appareil Chaudière Ariston GENUS TANK 27 RI GN (F) (1997-2001) Ref 534501



Photo Position vue éclatée Article Référence fabricant Disponibilité et prix  
Eqt transformation Ariston 569282
5001 page 8 Eqt transformation
Code article PEX: 206856
Ariston
Réf fabricant: 569282
± 3 jours ouvrés
54,56 € TTC
Circuit imp alimentation ea-mi/p Ariston 952915
698 page 8 Circuit imp alimentation ea-mi/p
Code article PEX: 222090
Ariston
Réf fabricant: 952915
 
obsolète
 
Sonde sanitaire l=5m Ariston 997274
697 page 8 Sonde sanitaire l=5m
Code article PEX: 223431
Ariston
Réf fabricant: 997274
 
obsolète
 
Couvercle droit tableau bord Ariston 571628
681 page 8 Couvercle droit tableau bord
Code article PEX: 207189
Ariston
Réf fabricant: 571628
± 3 jours ouvrés
9,96 € TTC
Couvercle gauche tableau bord Ariston 571629
680 page 8 Couvercle gauche tableau bord
Code article PEX: 207190
Ariston
Réf fabricant: 571629
 
obsolète
 
Passe cable obture Ariston 569720
679 page 8 Passe cable obture
Code article PEX: 206908
Ariston
Réf fabricant: 569720
± 16 jours ouvrés
3,61 € TTC
Kit interrupteur on/off Ariston 573303
675 page 8 Kit interrupteur on/off
Code article PEX: 207501
Ariston
Réf fabricant: 573303
± 3 jours ouvrés
12,71 € TTC
Kit selecteur ete/hiver Ariston 573302
674 page 8 Kit selecteur ete/hiver
Code article PEX: 207500
Ariston
Réf fabricant: 573302
± 3 jours ouvrés
9,70 € TTC
Cablage spott Ariston 573186
657 page 8 Cablage spott
Code article PEX: 207462
Ariston
Réf fabricant: 573186
± 3 jours ouvrés
12,48 € TTC
Passe cable Ariston 573534
656 page 8 Passe cable
Code article PEX: 207584
Ariston
Réf fabricant: 573534
 
obsolète
 
Passe cable etanche Ariston 569458
655 page 8 Passe cable etanche
Code article PEX: 206882
Ariston
Réf fabricant: 569458
± 3 jours ouvrés
9,02 € TTC
Kit manette de reglage Ariston 573301
650 page 8 Kit manette de reglage
Code article PEX: 207499
Ariston
Réf fabricant: 573301
± 3 jours ouvrés
9,89 € TTC
Bornier 2 plots Ariston 571787
646 page 8 Bornier 2 plots
Code article PEX: 207235
Ariston
Réf fabricant: 571787
± 3 jours ouvrés
2,50 € TTC
Cablage d alimentation Ariston 998012
638 page 8 Cablage d alimentation
Code article PEX: 223532
Ariston
Réf fabricant: 998012
 
obsolète
 
Protecteur voyant simple Ariston 571550
621 page 8 Protecteur voyant simple
Code article PEX: 207172
Ariston
Réf fabricant: 571550
± 3 jours ouvrés
10,04 € TTC
Circuit imprime e c-mi/ffi Ariston 953083
615 page 8 Circuit imprime e c-mi/ffi
Code article PEX: 222109
Ariston
Réf fabricant: 953083
 
obsolète
 
Cablage circuit imprime Ariston 952610
612 page 8 Cablage circuit imprime
Code article PEX: 222082
Ariston
Réf fabricant: 952610
 
obsolète
 
Rondelle nylon Ariston 569711
608 page 8 Rondelle nylon
Code article PEX: 206905
Ariston
Réf fabricant: 569711
± 3 jours ouvrés
4,76 € TTC
Bloque cable Ariston 571562
605 page 8 Bloque cable
Code article PEX: 207177
Ariston
Réf fabricant: 571562
± 3 jours ouvrés
3,96 € TTC
Kit bouton de rearmement Ariston 573300
603 page 8 Kit bouton de rearmement
Code article PEX: 207498
Ariston
Réf fabricant: 573300
± 3 jours ouvrés
9,76 € TTC
Manometre circulaire Ariston 571649
602 page 8 Manometre circulaire
Code article PEX: 207196
Ariston
Réf fabricant: 571649
± 3 jours ouvrés
28,45 € TTC
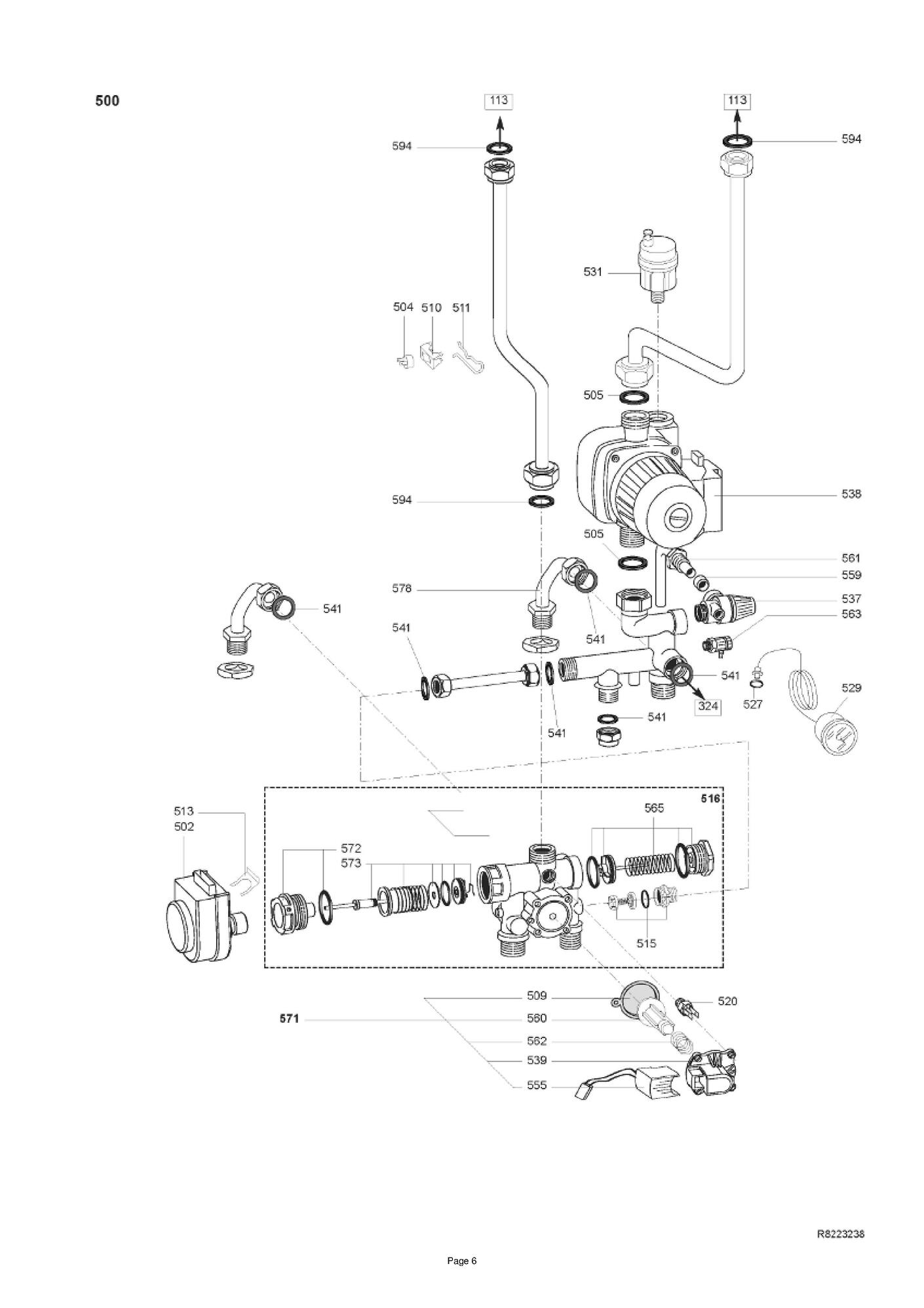
Joint eau-gaz 3/4 Ariston 573520
594 page 6 Joint eau-gaz 3/4
Code article PEX: 207577
Ariston
Réf fabricant: 573520
± 16 jours ouvrés
2,63 € TTC
Tube retour ballon Ariston 573175
578 page 6 Tube retour ballon
Code article PEX: 207458
Ariston
Réf fabricant: 573175
 
obsolète
 
Kit groupe 3 voies Ariston 571447
573 page 6 Kit groupe 3 voies
Code article PEX: 207153
Ariston
Réf fabricant: 571447
± 3 jours ouvrés
30,94 € TTC
Presse etoupe clapet chauffage Ariston 998013
572 page 6 Presse etoupe clapet chauffage
Code article PEX: 223533
Ariston
Réf fabricant: 998013
± 3 jours ouvrés
52,02 € TTC
Pressostat circulateur Ariston 65100519
571 page 6 Pressostat circulateur
Code article PEX: 216868
Ariston
Réf fabricant: 65100519
± 3 jours ouvrés
69,72 € TTC
D.h.w. pressure switch kit Ariston 65104756
565 page 6 D.h.w. pressure switch kit
Code article PEX: 485798
Ariston
Réf fabricant: 65104756
± 3 jours ouvrés
64,00 € TTC
Robinet de vidange Ariston 573727
563 page 6 Robinet de vidange
Code article PEX: 207604
Ariston
Réf fabricant: 573727
en stock
10,94 € TTC
Ressort du debistat primaire Ariston 571771
562 page 6 Ressort du debistat primaire
Code article PEX: 207227
Ariston
Réf fabricant: 571771
± 3 jours ouvrés
3,41 € TTC
Tube Ariston 573176
561 page 6 Tube
Code article PEX: 207459
Ariston
Réf fabricant: 573176
± 3 jours ouvrés
8,83 € TTC
Piston de debistat Ariston 571772
560 page 6 Piston de debistat
Code article PEX: 207228
Ariston
Réf fabricant: 571772
± 3 jours ouvrés
12,04 € TTC
Manchon Ariston 998567
559 page 6 Manchon
Code article PEX: 223701
Ariston
Réf fabricant: 998567
± 3 jours ouvrés
2,28 € TTC
Interrupteur magneti. debistat Ariston 998172
555 page 6 Interrupteur magneti. debistat
Code article PEX: 223588
Ariston
Réf fabricant: 998172
± 3 jours ouvrés
31,31 € TTC
Joint 1/2 Ariston 573528
541 page 6 Joint 1/2
Code article PEX: 207581
Ariston
Réf fabricant: 573528
en stock
2,63 € TTC
Capot sup debistat primaire Ariston 571770
539 page 6 Capot sup debistat primaire
Code article PEX: 207226
Ariston
Réf fabricant: 571770
± 3 jours ouvrés
10,06 € TTC
Pompe para rsl ku/7-50/sc Ariston 65121587
538 page 6 Pompe para rsl ku/7-50/sc
Code article PEX: 630533
Ariston
Réf fabricant: 65121587
± 3 jours ouvrés
405,23 € TTC
Groupe de securite 1/2 3 bars Ariston 573172
537 page 6 Groupe de securite 1/2 3 bars
Code article PEX: 207456
Ariston
Réf fabricant: 573172
± 3 jours ouvrés
27,07 € TTC
Purgeur automatique 3/8 Ariston 571639
531 page 6 Purgeur automatique 3/8
Code article PEX: 207192
Ariston
Réf fabricant: 571639
± 3 jours ouvrés
19,87 € TTC
Manometre circulaire Ariston 571649
529 page 6 Manometre circulaire
Code article PEX: 207196
Ariston
Réf fabricant: 571649
± 3 jours ouvrés
28,45 € TTC
Joint 1/4 Ariston 569390
527 page 6 Joint 1/4
Code article PEX: 206864
Ariston
Réf fabricant: 569390
± 16 jours ouvrés
2,63 € TTC
Sonde temperature Ariston 998458-01
520 page 6 Sonde temperature
Code article PEX: 424413
Ariston
Réf fabricant: 998458-01
en stock
9,65 € TTC
Groupe depart chauffage Ariston 997148
Groupe depart chauffage
Code article PEX: 223395
Ariston
Réf fabricant: 997148
± 3 jours ouvrés
354,91 € TTC
Kit by-pass chauffage Ariston 571443
515 page 6 Kit by-pass chauffage
Code article PEX: 207149
Ariston
Réf fabricant: 571443
± 3 jours ouvrés
28,14 € TTC
Clips fixation moteur Ariston 997077
513 page 6 Clips fixation moteur
Code article PEX: 223376
Ariston
Réf fabricant: 997077
± 3 jours ouvrés
2,90 € TTC
Clips de thermostat surchauffe Ariston 998043
511 page 6 Clips de thermostat surchauffe
Code article PEX: 223542
Ariston
Réf fabricant: 998043
 
obsolète
 
Fixation thermostat surchauffe Ariston 997224
510 page 6 Fixation thermostat surchauffe
Code article PEX: 223410
Ariston
Réf fabricant: 997224
± 3 jours ouvrés
9,73 € TTC
Membrane pressostat noire Ariston 571547
509 page 6 Membrane pressostat noire
Code article PEX: 207169
Ariston
Réf fabricant: 571547
± 3 jours ouvrés
9,65 € TTC
Joint 1" Ariston 569387
505 page 6 Joint 1"
Code article PEX: 206863
Ariston
Réf fabricant: 569387
± 16 jours ouvrés
4,72 € TTC
Thermostat de securite 103°c Ariston 996065
504 page 6 Thermostat de securite 103°c
Code article PEX: 223145
Ariston
Réf fabricant: 996065
± 16 jours ouvrés
16,33 € TTC
Tete motorisee vanne 3 voies Ariston 997147
502 page 6 Tete motorisee vanne 3 voies
Code article PEX: 223394
Ariston
Réf fabricant: 997147
en stock
44,84 € TTC
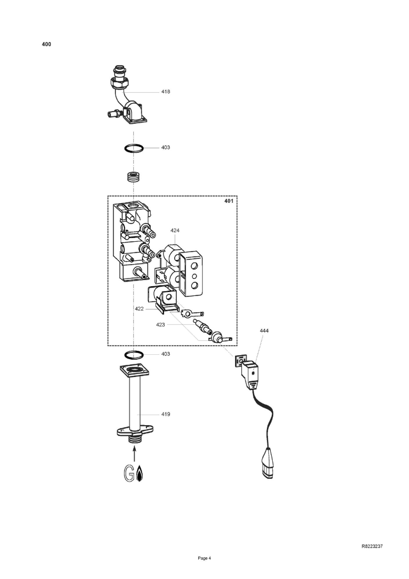
Cablage d alimentation valve gaz Ariston 999247
444 page 4 Cablage d alimentation valve gaz
Code article PEX: 223913
Ariston
Réf fabricant: 999247
± 3 jours ouvrés
22,36 € TTC
Bobine de commande valve gaz Ariston 570712
424 page 4 Bobine de commande valve gaz
Code article PEX: 207039
Ariston
Réf fabricant: 570712
± 3 jours ouvrés
80,32 € TTC
Cartouche de regulation Ariston 573745
423 page 4 Cartouche de regulation
Code article PEX: 207609
Ariston
Réf fabricant: 573745
± 3 jours ouvrés
120,66 € TTC
Bobine modureg pour vanne sit 24v Ariston 573740
422 page 4 Bobine modureg pour vanne sit 24v
Code article PEX: 207606
Ariston
Réf fabricant: 573740
± 3 jours ouvrés
65,40 € TTC
Tube valve gaz / bruleur Ariston 573246
419 page 4 Tube valve gaz / bruleur
Code article PEX: 207484
Ariston
Réf fabricant: 573246
 
obsolète
 
Tube entree gaz Ariston 997202
418 page 4 Tube entree gaz
Code article PEX: 223405
Ariston
Réf fabricant: 997202
 
obsolète
 
Joint torique Ariston 571965
403 page 4 Joint torique
Code article PEX: 207247
Ariston
Réf fabricant: 571965
± 3 jours ouvrés
2,39 € TTC
Valve gaz Ariston 573457
401 page 4 Valve gaz
Code article PEX: 207568
Ariston
Réf fabricant: 573457
± 3 jours ouvrés
307,34 € TTC
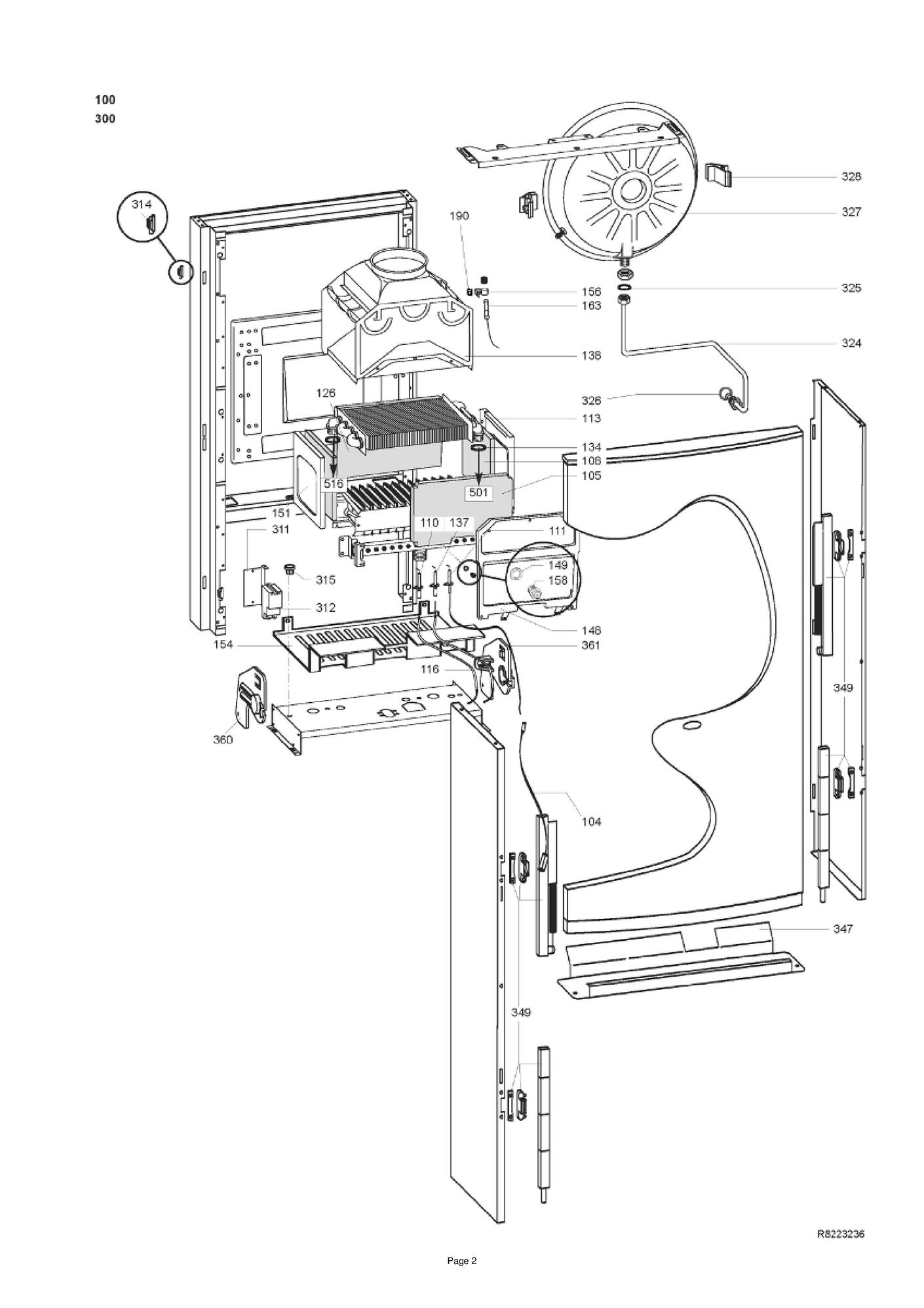
Fixation droite Ariston 998041
361 page 2 Fixation droite
Code article PEX: 223540
Ariston
Réf fabricant: 998041
± 3 jours ouvrés
4,80 € TTC
Fixation gauche Ariston 998042
360 page 2 Fixation gauche
Code article PEX: 223541
Ariston
Réf fabricant: 998042
± 3 jours ouvrés
4,80 € TTC
Kit guide panneau avant Ariston 571993
349 page 2 Kit guide panneau avant
Code article PEX: 207261
Ariston
Réf fabricant: 571993
± 3 jours ouvrés
105,41 € TTC
Carrosserie Ariston 997818
347 page 2 Carrosserie
Code article PEX: 223478
Ariston
Réf fabricant: 997818
± 3 jours ouvrés
11,78 € TTC
Fixation pour vase d expansion Ariston 999679
328 page 2 Fixation pour vase d expansion
Code article PEX: 224013
Ariston
Réf fabricant: 999679
± 3 jours ouvrés
3,83 € TTC
Vase d expansion Ariston 573294
327 page 2 Vase d expansion
Code article PEX: 207494
Ariston
Réf fabricant: 573294
± 3 jours ouvrés
76,62 € TTC
Joint 1/2 Ariston 573528
326 page 2 Joint 1/2
Code article PEX: 207581
Ariston
Réf fabricant: 573528
en stock
2,63 € TTC
Joint eau-gaz 3/8 Ariston 573521
325 page 2 Joint eau-gaz 3/8
Code article PEX: 207578
Ariston
Réf fabricant: 573521
± 3 jours ouvrés
2,63 € TTC
Tube vase d expansion Ariston 573311
324 page 2 Tube vase d expansion
Code article PEX: 207508
Ariston
Réf fabricant: 573311
± 3 jours ouvrés
18,58 € TTC
Passe cable Ariston 570772
315 page 2 Passe cable
Code article PEX: 207049
Ariston
Réf fabricant: 570772
± 3 jours ouvrés
1,69 € TTC
Support plastique kit ( 4 pieces) Ariston 574302
314 page 2 Support plastique kit ( 4 pieces)
Code article PEX: 207760
Ariston
Réf fabricant: 574302
± 3 jours ouvrés
13,97 € TTC
Transformateur d allumage Ariston 573023
312 page 2 Transformateur d allumage
Code article PEX: 207405
Ariston
Réf fabricant: 573023
± 3 jours ouvrés
30,17 € TTC
Support d allumeur Ariston 573285
311 page 2 Support d allumeur
Code article PEX: 207489
Ariston
Réf fabricant: 573285
 
obsolète
 
Ecrous (5pc) Ariston 570717
190 page 2 Ecrous (5pc)
Code article PEX: 207042
Ariston
Réf fabricant: 570717
± 3 jours ouvrés
7,96 € TTC
Sonde fumees Ariston 995345
163 page 2 Sonde fumees
Code article PEX: 222861
Ariston
Réf fabricant: 995345
± 3 jours ouvrés
27,79 € TTC
Injecteur bruleur 1,25 gn Ariston 570248
158 page 2 Injecteur bruleur 1,25 gn
Code article PEX: 206953
Ariston
Réf fabricant: 570248
± 3 jours ouvrés
2,90 € TTC
Ressort de fixation spott Ariston 573349
156 page 2 Ressort de fixation spott
Code article PEX: 207533
Ariston
Réf fabricant: 573349
± 3 jours ouvrés
8,66 € TTC
Diffuseur d air Ariston 999411
154 page 2 Diffuseur d air
Code article PEX: 223940
Ariston
Réf fabricant: 999411
 
obsolète
 
Panneau gauche chambre comb. Ariston 573243
151 page 2 Panneau gauche chambre comb.
Code article PEX: 207481
Ariston
Réf fabricant: 573243
 
obsolète
 
Rondelle d injecteur Ariston 572138
149 page 2 Rondelle d injecteur
Code article PEX: 207268
Ariston
Réf fabricant: 572138
 
obsolète
 
Chambre de combustion avant Ariston 572648
148 page 2 Chambre de combustion avant
Code article PEX: 207307
Ariston
Réf fabricant: 572648
 
obsolète
 
Antirefouleur Ariston 573984
138 page 2 Antirefouleur
Code article PEX: 207678
Ariston
Réf fabricant: 573984
 
obsolète
 
Electrode allumage droite Ariston 569560
137 page 2 Electrode allumage droite
Code article PEX: 206898
Ariston
Réf fabricant: 569560
 
obsolète
 
Joint eau-gaz 3/4 Ariston 573520
134 page 2 Joint eau-gaz 3/4
Code article PEX: 207577
Ariston
Réf fabricant: 573520
± 16 jours ouvrés
2,63 € TTC
Isolant ceramique arriere Ariston 998130
126 page 2 Isolant ceramique arriere
Code article PEX: 223574
Ariston
Réf fabricant: 998130
± 3 jours ouvrés
19,16 € TTC
Cablage electrode allumage Ariston 571662
116 page 2 Cablage electrode allumage
Code article PEX: 207206
Ariston
Réf fabricant: 571662
± 3 jours ouvrés
9,32 € TTC
Echangeur primaire Ariston 998139
113 page 2 Echangeur primaire
Code article PEX: 223581
Ariston
Réf fabricant: 998139
± 3 jours ouvrés
381,14 € TTC
Electrode ionisation+fixation Ariston 573441
111 page 2 Electrode ionisation+fixation
Code article PEX: 207555
Ariston
Réf fabricant: 573441
en stock
14,30 € TTC
Electrode allumage gauche Ariston 569561
110 page 2 Electrode allumage gauche
Code article PEX: 206899
Ariston
Réf fabricant: 569561
± 3 jours ouvrés
13,88 € TTC
Fibre ceramique laterale Ariston 998128
108 page 2 Fibre ceramique laterale
Code article PEX: 223572
Ariston
Réf fabricant: 998128
± 3 jours ouvrés
16,08 € TTC
Isolant ceramique frontal Ariston 998129
105 page 2 Isolant ceramique frontal
Code article PEX: 223573
Ariston
Réf fabricant: 998129
 
obsolète
 
Cablage raccord electrode ionis. Ariston 571657
104 page 2 Cablage raccord electrode ionis.
Code article PEX: 207205
Ariston
Réf fabricant: 571657
 
obsolète
 


Dans cette page vous trouverez l'ensemble des articles et pièces détachées de chaufferie qui composent la nomenclature Chaudière Ariston GENUS TANK 27 RI GN (F) (1997-2001) Ref 534501 ainsi que des liens vers les articles Ariston. En parcourant la page Ariston, vous pourrez également trouver toutes les pièces Ariston présentes chez Pièces Express. L'indication de stock vous permet de savoir si la pièce détachée est disponible dans notre stock central ou bien avec un délai fournisseur. Dans ce dernier cas, renseignez vous, nous commandons très régulièrement chez chacun de nos fournisseurs, nous pouvons donc certainement répondre à votre besoin rapidement.

Nos marques
Nos catalogues
Nos outils
Nos gicleurs fioul
Nos bougies pour poêles à pellets
Pièces détachées de chauffage et climatisation
PIÈCES EXPRESS
1 rue Philippe LEBON
ZA Henri Spriet
14120 MONDEVILLE
Téléphone: 02 14 47 16 10
Siret: 790 553 242 00013
Tva: FR 38 790553242

4.7
149 avis