Pièces détachées de chauffage et climatisation
Plus de 650 000 références fabricants disponibles
Livraison en France et en Belgique
4.7
MARQUES ▾
CATALOGUES ▾
VUES ÉCLATÉES ▾ CODES DÉFAUTS ▾
OUTILS DE RECHERCHE ▾
FAQ / TUTOS
DÉSTOCKAGE
>
VOTRE RECHERCHE

Chaudière Viessmann VITODENS 222 F FS2A 35KW (7374966)



page 5
page 6
page 7
page 8
page 9
page 10
page 11
Pièces détachées Chaudière Viessmann VITODENS 222 F FS2A 35KW (7374966) chez Pièces Express


Référence fabricant
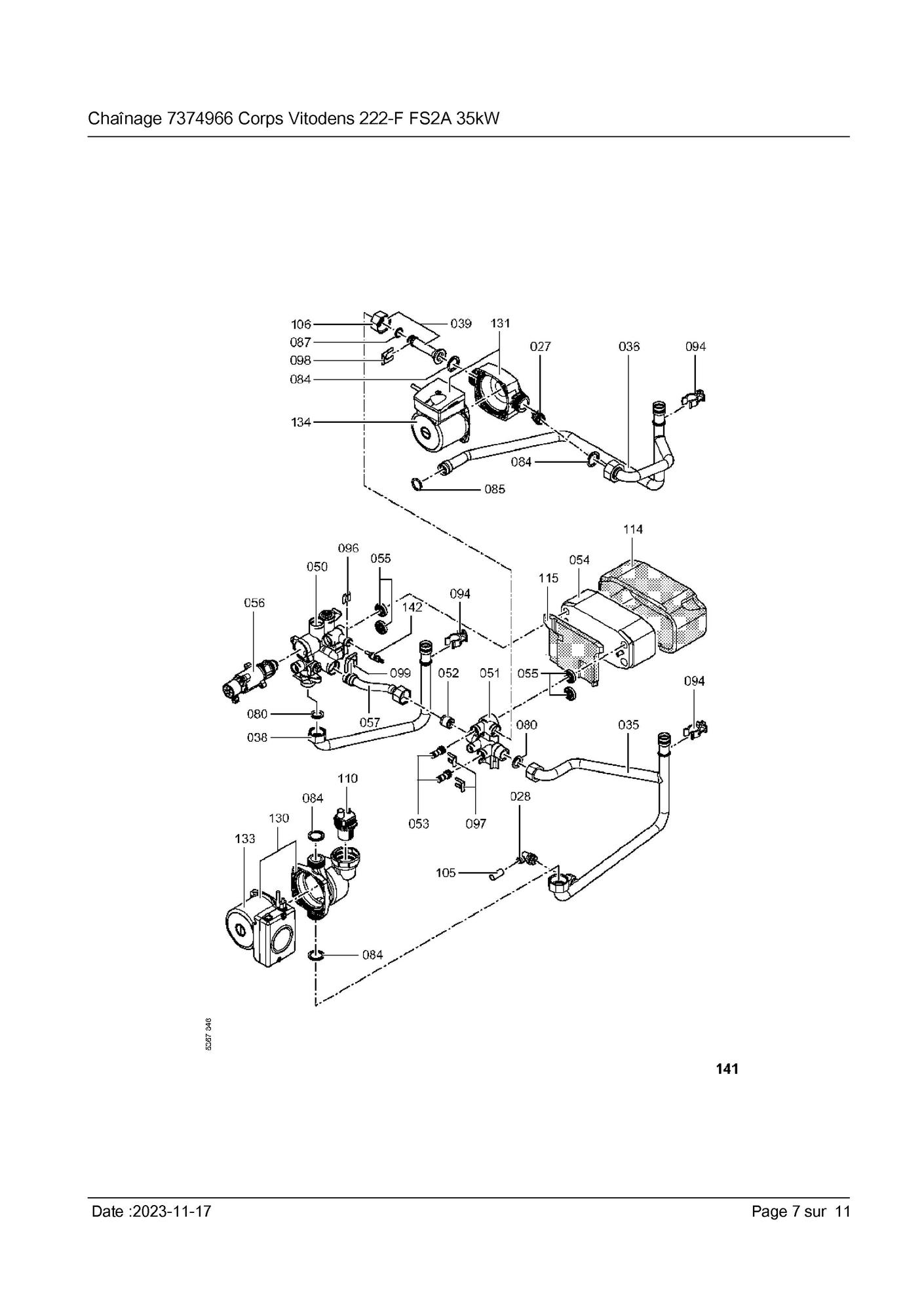
Position Schéma
7831501 Vase d expansion 12 l 1
7831502 Conduite de raccord. vase expansion g3/8 2
7831786 Caisson tole interne avec joint 3
7828005 Joint d etancheite 15 l=520 4
7826466 Manchette de raccordement 5
7822742 Bouchon (x2) manchette de raccordement 6
7826471 Joint arrivee d air 7
7828645 Joint d etancheite buse de fumee 8
7822734 Manchon de passage manchette 9
7826462 Echangeur de chaleur (+ isolant de fond) 10
7844866 Flexible pre-forme retour chauffage 11
7831736 Flexible d evacuation condensats 26/35kw 12
7831624 Siphon 13
7832345 Flexible 19 x 2300 ondule 15
7832347 Flexible 19 x 500 ondule 16
7831625 Flexible 19 x 270 ondule 17
7826932 Recuperateur de condensats 19
7830016 Bloc d'isolation thermique 20
7833037 Soupape de securité 3 bars d=19,9 x g1/2 21
7831628 Manchon pour flexible g1/2 d19 23
7883462 Raccord coude 24
7831630 Conduite de raccordement ecs 25
7831739 Diaphragme d= 6,0 26
7831631 Cartouche rv ov20/dn20 27
7822353 Robinet de purge d air g 3/8 28
7831633 Manometre ng27 0-4 bars avec capillaire 29
7831655 Coude d arret reservoir kw 30
7831740 Gasrohr 35kw 31
7828017 Tube depart 32
7831641 Tube eau froide reservoir (130l) 33
7831743 Anschlussrohr hv wz 35kw 34
7831772 Conduite de raccordemment des retours hr 35
7831746 Tube de raccordement kw 36
7831638 Tube eau chaude 37
7831650 Tube de depart hv 38
7831654 Raccordement hydraulique 39
7831748 Tube de raccordement retour chauffage 40
7828036 Ensemble depart 50
7828037 Dispositif de retours 51
7827941 Vanne de decharge hds 20-230 52
7828042 Bouchon d=8/ d=10 53
7831659 Echangeur a plaques bp10-16 54
7827933 Joints profile (x4) 55
7827932 Moteur pas a pas 56
7828038 Conduite de decharge 57
7836177 Joint de brûleur ø187 mm 60
7828346 Bague isolante 61
7826513 Chambre de combustion 26/35kw (cylindre) 62
7826514 Joint de tete de bruleur 63
7826516 Electrode d'allumage 26/35kw 64
7834234 Electrode d'ionisation ni-ferral 65
7829796 Joint bride de porte de bruleur 66
7833758 Turbine radiale nrg118e 67
7836324 Bloc combine gaz ces10 68
7826519 Porte de bruleur 69
7827957 Allumeur 70
7827024 Joint electrode d ionisation 71
7827025 Joint electrode d allumage x5 72
7870565 Kit d entretien ws2a/fs2a/fb2a 19-35 73
7833978 Injecteur gaz 06 noir 74
7827958 Rallonge venturi type 1 75
7844858 Ensemble vis de porte 76
7831673 Jeu de joints a 16 x 24 x 2 80
7826217 Kit joints 17 x 24 x 2 81
7828002 Kit joints a 10 x 15 x 1,5 82
7828003 Joints 23 x 30 x 2 84
7826215 Kit joints toriques 17,86 x 2,62 (5 p) 85
7827948 Joint torique 14,3 x 2,4 87
7828007 Joint torique 35,4 x 3,59 (5 joints) 88
7822769 Jeu de fiches 89
7825522 Jeu de fermetures a ressort 90
7827997 Passe-cable 92
7832710 Clips pour tube d=18 93
7831674 Clips tube d=18 / 1,5 94
7827429 Collier de fixation dn25 (x5) 95
7827943 Clip d=8 96
7827944 Clip d=10 97
7827945 Clip d=15 98
7827946 Clip d=18 99
7831675 Manchon de flexible 34,3-38,7 100
7831676 Manchon de flexible 34,0-37,4 101
7831677 Ressort de surete d evacuation des cond. 102
7810996 Bouchon de fermeture prechauff. fioul 103
7831678 Capuchon 104
7831679 Flexible 10 x 1,5 x 750 105
7831680 überwurfmutter g1 106
7819602 Graisse pour joint (6g) 108
7828750 Purgeur d air 110
7831683 Corniere de fixation reservoir 111
7831771 Socle de regulation 112
7832280 Tole superieure 113
7832348 Coquille isolante echangeur a plaques 114
7832349 Isolant echangeur a plaques 115
7833138 Fixation de securite 117
7874669 Circulateur g-he 130 130
7831685 Pompe ecs viup15-30 cil2 pps 3h 131
7822767 Sonde de fumées 140
7825487 Aquastat securite (thermocommutateur) 141
7819967 Sonde chaudiere 142
7834379 Sonde ecs ntc 10k 143
7831780 Reservoir 130l 160
7835727 Fourreau 162
7819661 Serre cable 163
7819647 Joint ballon ceracell/vitocell 100 164
7831784 Anode magnesium d=33 250/220 165
7831783 Bride d anode avec joint 166
7823572 Isolant de bride 167
7831781 Fourreau 171
7831782 Couvercle 172
7826482 Pompe chauffage viupm-15/70 km 180
7828639 Coude de raccordement retour chauffage 190
7831662 Tole laterale gauche vitodens 200
7831664 Tole laterale droite vitodens 202
7832271 Tole superieure vitodens 222/333 204
7831912 Tole avant superieure 205
7831668 Tole avant inferieure vitodens 206
7819544 Pied reglable m12x35 9517060 207
7819773 Fixations pour tole 208
7822682 Baton de peinture blanche vitoweiss 209
7822681 Bombe de peinture blanche vitoweiss 210
7838380 Regulation vbc132-a06.401 300
7831617 Boitier face arriere 301
7833255 Fiche de codage 2061:0102 302
7404365 Fusibles t 6,3 a / 250 v 303
7823502 Poignee de securite 6,3 at 304
7862299 Vitotronic 200 ho1b 305
7661174 Vitotronic 100 type hc1b 306
7842325 Lon - module compact gwg2009 307
7823033 Platine adaptateur 308
7498575 Extension interne h1 309
7831620 Faisceau de cables x8/x9/ionisation 310
7831623 Faisceau de cables 100/35/54/terre 311
7825555 Cable de racc. moteur pas a pas molex 312
7823515 Contre fiche 313
7823516 Support de cable 314
7831618 Pieces de blocage gauche et droite 315
7831619 Papillon gauche et droit vitoladens 316
7837053 Sonde exterieure ntc 317
7817509 Logo viessmann 330
5581614 Bed.anl. vitotronic 100 hc1a 400
5581615 Bed.anl. vitotronic 200 ho1a 401
5367846 Nm-mt vitodens 222-f fs2a 402
5367846 Nm-mt vitodens 222-f fs2a 402


Les images des vues éclatées peuvent contenir des prix datant de plusieurs années, merci de ne pas en tenir compte










Pièces détachées contenues dans cet appareil Chaudière Viessmann VITODENS 222 F FS2A 35KW (7374966)



Photo Position vue éclatée Article Référence fabricant Disponibilité et prix  
Vase d expansion 12 l Viessmann 7831501
Vase d expansion 12 l
Code article PEX: 252423
Viessmann
Réf fabricant: 7831501
en stock
181,20 € TTC
Conduite de raccord. vase expansion g3/8 Viessmann 7831502
Conduite de raccord. vase expansion g3/8
Code article PEX: 252424
Viessmann
Réf fabricant: 7831502
en stock
27,60 € TTC
Caisson tole interne avec joint Viessmann 7831786
Caisson tole interne avec joint
Code article PEX: 252504
Viessmann
Réf fabricant: 7831786
± 3 jours ouvrés
79,20 € TTC
Joint d etancheite 15 l=520 Viessmann 7828005
Joint d etancheite 15 l=520
Code article PEX: 251392
Viessmann
Réf fabricant: 7828005
± 3 jours ouvrés
24,00 € TTC
Manchette de raccordement Viessmann 7826466
Manchette de raccordement
Code article PEX: 250677
Viessmann
Réf fabricant: 7826466
± 3 jours ouvrés
57,60 € TTC
Bouchon (x2) manchette de raccordement Viessmann 7822742
Bouchon (x2) manchette de raccordement
Code article PEX: 248818
Viessmann
Réf fabricant: 7822742
en stock
16,92 € TTC
Joint arrivee d air Viessmann 7826471
Joint arrivee d air
Code article PEX: 250682
Viessmann
Réf fabricant: 7826471
En cours de réappro
10,68 € TTC
Joint d etancheite buse de fumee Viessmann 7828645
Joint d etancheite buse de fumee
Code article PEX: 251628
Viessmann
Réf fabricant: 7828645
en stock
13,68 € TTC
Manchon de passage manchette Viessmann 7822734
Manchon de passage manchette
Code article PEX: 248811
Viessmann
Réf fabricant: 7822734
en stock
26,40 € TTC
Echangeur de chaleur (+ isolant de fond) Viessmann 7826462
Echangeur de chaleur (+ isolant de fond)
Code article PEX: 250673
Viessmann
Réf fabricant: 7826462
en stock
991,20 € TTC
Flexible pre-forme retour chauffage Viessmann 7844866
Flexible pre-forme retour chauffage
Code article PEX: 315836
Viessmann
Réf fabricant: 7844866
en stock
51,60 € TTC
Flexible d evacuation condensats 26/35kw Viessmann 7831736
Flexible d evacuation condensats 26/35kw
Code article PEX: 252487
Viessmann
Réf fabricant: 7831736
± 3 jours ouvrés
34,80 € TTC
Siphon Viessmann 7831624
Siphon
Code article PEX: 252442
Viessmann
Réf fabricant: 7831624
± 3 jours ouvrés
30,00 € TTC
Flexible 19 x 2300 ondule Viessmann 7832345
Flexible 19 x 2300 ondule
Code article PEX: 252748
Viessmann
Réf fabricant: 7832345
± 3 jours ouvrés
16,44 € TTC
Flexible 19 x 500 ondule Viessmann 7832347
Flexible 19 x 500 ondule
Code article PEX: 252749
Viessmann
Réf fabricant: 7832347
± 3 jours ouvrés
24,00 € TTC
Flexible 19 x 270 ondule Viessmann 7831625
Flexible 19 x 270 ondule
Code article PEX: 252443
Viessmann
Réf fabricant: 7831625
± 3 jours ouvrés
15,24 € TTC
Recuperateur de condensats Viessmann 7826932
Recuperateur de condensats
Code article PEX: 250960
Viessmann
Réf fabricant: 7826932
± 3 jours ouvrés
10,08 € TTC
Bloc d'isolation thermique Viessmann 7830016
Bloc d'isolation thermique
Code article PEX: 252063
Viessmann
Réf fabricant: 7830016
en stock
64,80 € TTC
Soupape de securité 3 bars d=19,9 x g1/2 Viessmann 7833037
Soupape de securité 3 bars d=19,9 x g1/2
Code article PEX: 252959
Viessmann
Réf fabricant: 7833037
en stock
30,00 € TTC
Manchon pour flexible g1/2 d19 Viessmann 7831628
Manchon pour flexible g1/2 d19
Code article PEX: 252444
Viessmann
Réf fabricant: 7831628
± 3 jours ouvrés
17,64 € TTC
Raccord coude Viessmann 7883462
Raccord coude
Code article PEX: 718394
Viessmann
Réf fabricant: 7883462
± 3 jours ouvrés
60,00 € TTC
Conduite de raccordement ecs Viessmann 7831630
Conduite de raccordement ecs
Code article PEX: 252446
Viessmann
Réf fabricant: 7831630
en stock
62,40 € TTC
Diaphragme d= 6,0 Viessmann 7831739
Diaphragme d= 6,0
Code article PEX: 252489
Viessmann
Réf fabricant: 7831739
± 3 jours ouvrés
17,64 € TTC
Cartouche rv ov20/dn20 Viessmann 7831631
Cartouche rv ov20/dn20
Code article PEX: 252447
Viessmann
Réf fabricant: 7831631
± 3 jours ouvrés
24,00 € TTC
Robinet de purge d air g 3/8 Viessmann 7822353
Robinet de purge d air g 3/8
Code article PEX: 248567
Viessmann
Réf fabricant: 7822353
en stock
12,72 € TTC
Manometre ng27 0-4 bars avec capillaire Viessmann 7831633
Manometre ng27 0-4 bars avec capillaire
Code article PEX: 252448
Viessmann
Réf fabricant: 7831633
en stock
40,80 € TTC
Coude d arret reservoir kw Viessmann 7831655
Coude d arret reservoir kw
Code article PEX: 252458
Viessmann
Réf fabricant: 7831655
± 3 jours ouvrés
62,40 € TTC
31 page 10 Gasrohr 35kw
 
Viessmann
Réf fabricant: 7831740
avec délai
sur devis
Tube depart Viessmann 7828017
Tube depart
Code article PEX: 251402
Viessmann
Réf fabricant: 7828017
± 3 jours ouvrés
79,20 € TTC
Tube eau froide reservoir (130l) Viessmann 7831641
Tube eau froide reservoir (130l)
Code article PEX: 252452
Viessmann
Réf fabricant: 7831641
± 3 jours ouvrés
100,80 € TTC
34 page 6 Anschlussrohr hv wz 35kw
 
Viessmann
Réf fabricant: 7831743
avec délai
sur devis
Conduite de raccordemment des retours hr Viessmann 7831772
Conduite de raccordemment des retours hr
Code article PEX: 252497
Viessmann
Réf fabricant: 7831772
± 3 jours ouvrés
152,40 € TTC
Tube de raccordement kw Viessmann 7831746
Tube de raccordement kw
Code article PEX: 252491
Viessmann
Réf fabricant: 7831746
± 3 jours ouvrés
100,80 € TTC
Tube raccordement eau chaude sanitaire Viessmann 7831638
Tube raccordement eau chaude sanitaire
Code article PEX: 299167
Viessmann
Réf fabricant: 7831638
± 3 jours ouvrés
50,40 € TTC
Tube de depart hv Viessmann 7831650
Tube de depart hv
Code article PEX: 252455
Viessmann
Réf fabricant: 7831650
± 3 jours ouvrés
70,80 € TTC
Raccordement hydraulique Viessmann 7831654
Raccordement hydraulique
Code article PEX: 252457
Viessmann
Réf fabricant: 7831654
± 3 jours ouvrés
54,00 € TTC
Tube de raccordement retour chauffage Viessmann 7831748
Tube de raccordement retour chauffage
Code article PEX: 299079
Viessmann
Réf fabricant: 7831748
± 3 jours ouvrés
56,40 € TTC
Ensemble depart Viessmann 7828036
Ensemble depart
Code article PEX: 251415
Viessmann
Réf fabricant: 7828036
en stock
181,20 € TTC
Dispositif de retours Viessmann 7828037
Dispositif de retours
Code article PEX: 251416
Viessmann
Réf fabricant: 7828037
en stock
45,60 € TTC
Vanne de decharge hds 20-230 Viessmann 7827941
Vanne de decharge hds 20-230
Code article PEX: 251351
Viessmann
Réf fabricant: 7827941
en stock
36,00 € TTC
Bouchon d=8/ d=10 Viessmann 7828042
Bouchon d=8/ d=10
Code article PEX: 251420
Viessmann
Réf fabricant: 7828042
± 3 jours ouvrés
17,64 € TTC
Echangeur a plaques bp10-16 Viessmann 7831659
Echangeur a plaques bp10-16
Code article PEX: 252461
Viessmann
Réf fabricant: 7831659
en stock
165,60 € TTC
Joints profile (x4) Viessmann 7827933
Joints profile (x4)
Code article PEX: 251344
Viessmann
Réf fabricant: 7827933
en stock
11,76 € TTC
Moteur pas a pas Viessmann 7827932
Moteur pas a pas
Code article PEX: 251343
Viessmann
Réf fabricant: 7827932
en stock
94,80 € TTC
Conduite de decharge Viessmann 7828038
Conduite de decharge
Code article PEX: 251417
Viessmann
Réf fabricant: 7828038
En cours de réappro
51,60 € TTC
Joint de brûleur Ø187 mm Viessmann 7836177
Joint de brûleur ø187 mm
Code article PEX: 253822
Viessmann
Réf fabricant: 7836177
en stock
34,80 € TTC
Bague isolante Viessmann 7828346
Bague isolante
Code article PEX: 251526
Viessmann
Réf fabricant: 7828346
en stock
75,60 € TTC
Chambre de combustion 26/35kw (cylindre) Viessmann 7826513
Chambre de combustion 26/35kw (cylindre)
Code article PEX: 250714
Viessmann
Réf fabricant: 7826513
en stock
194,40 € TTC
Joint de tete de bruleur Viessmann 7826514
Joint de tete de bruleur
Code article PEX: 250715
Viessmann
Réf fabricant: 7826514
en stock
22,56 € TTC
Electrode d'allumage 26/35kw Viessmann 7826516
Electrode d'allumage 26/35kw
Code article PEX: 250717
Viessmann
Réf fabricant: 7826516
en stock
54,00 € TTC
Electrode d'ionisation ni-ferral Viessmann 7834234
Electrode d'ionisation ni-ferral
Code article PEX: 253301
Viessmann
Réf fabricant: 7834234
en stock
55,20 € TTC
Joint bride de porte de bruleur Viessmann 7829796
Joint bride de porte de bruleur
Code article PEX: 252004
Viessmann
Réf fabricant: 7829796
en stock
17,64 € TTC
Turbine radiale NRG118E Viessmann 7833758
Turbine radiale nrg118e
Code article PEX: 253180
Viessmann
Réf fabricant: 7833758
en stock
378,00 € TTC
Bloc combine gaz ces10 Viessmann 7836324
Bloc combine gaz ces10
Code article PEX: 299992
Viessmann
Réf fabricant: 7836324
en stock
198,00 € TTC
Porte de bruleur Viessmann 7826519
Porte de bruleur
Code article PEX: 250720
Viessmann
Réf fabricant: 7826519
En cours de réappro
186,00 € TTC
Allumeur Viessmann 7827957
Allumeur
Code article PEX: 251365
Viessmann
Réf fabricant: 7827957
en stock
54,00 € TTC
Joint electrode d ionisation Viessmann 7827024
Joint electrode d ionisation
Code article PEX: 250978
Viessmann
Réf fabricant: 7827024
en stock
18,24 € TTC
Joint electrode d allumage X5 Viessmann 7827025
Joint electrode d allumage x5
Code article PEX: 250979
Viessmann
Réf fabricant: 7827025
en stock
18,24 € TTC
Kit d entretien ws2a/fs2a/fb2a 19-35 Viessmann 7870565
Kit d entretien ws2a/fs2a/fb2a 19-35
Code article PEX: 477509
Viessmann
Réf fabricant: 7870565
en stock
128,40 € TTC
Injecteur gaz 06 noir Viessmann 7833978
Injecteur gaz 06 noir
Code article PEX: 253235
Viessmann
Réf fabricant: 7833978
± 3 jours ouvrés
17,16 € TTC
Rallonge venturi type 1 Viessmann 7827958
Rallonge venturi type 1
Code article PEX: 251366
Viessmann
Réf fabricant: 7827958
± 3 jours ouvrés
36,00 € TTC
Ensemble vis de porte Viessmann 7844858
Ensemble vis de porte
Code article PEX: 315833
Viessmann
Réf fabricant: 7844858
en stock
15,24 € TTC
Jeu de joints a 16 x 24 x 2 Viessmann 7831673
Jeu de joints a 16 x 24 x 2
Code article PEX: 252470
Viessmann
Réf fabricant: 7831673
± 3 jours ouvrés
9,84 € TTC
Kit joints 17 x 24 x 2 Viessmann 7826217
Kit joints 17 x 24 x 2
Code article PEX: 250555
Viessmann
Réf fabricant: 7826217
en stock
9,84 € TTC
Kit joints a 10 x 15 x 1,5 Viessmann 7828002
Kit joints a 10 x 15 x 1,5
Code article PEX: 251389
Viessmann
Réf fabricant: 7828002
en stock
9,84 € TTC
Joints 23 x 30 x 2 Viessmann 7828003
Joints 23 x 30 x 2
Code article PEX: 251390
Viessmann
Réf fabricant: 7828003
en stock
9,84 € TTC
Kit joints toriques 17,86 x 2,62 (5 p) Viessmann 7826215
Kit joints toriques 17,86 x 2,62 (5 p)
Code article PEX: 250553
Viessmann
Réf fabricant: 7826215
en stock
11,76 € TTC
Joint torique 14,3 x 2,4 Viessmann 7827948
Joint torique 14,3 x 2,4
Code article PEX: 251358
Viessmann
Réf fabricant: 7827948
En cours de réappro
17,16 € TTC
Joint torique 35,4 x 3,59 (5 joints) Viessmann 7828007
Joint torique 35,4 x 3,59 (5 joints)
Code article PEX: 251393
Viessmann
Réf fabricant: 7828007
± 3 jours ouvrés
16,80 € TTC
Jeu de fiches Viessmann 7822769
Jeu de fiches
Code article PEX: 248840
Viessmann
Réf fabricant: 7822769
± 3 jours ouvrés
7,08 € TTC
Jeu de fermetures a ressort Viessmann 7825522
Jeu de fermetures a ressort
Code article PEX: 250305
Viessmann
Réf fabricant: 7825522
± 3 jours ouvrés
14,40 € TTC
Passe-cable Viessmann 7827997
Passe-cable
Code article PEX: 251384
Viessmann
Réf fabricant: 7827997
± 3 jours ouvrés
40,80 € TTC
Clips pour tube d=18 Viessmann 7832710
Clips pour tube d=18
Code article PEX: 252854
Viessmann
Réf fabricant: 7832710
en stock
14,16 € TTC
Clips tube d=18 / 1,5 Viessmann 7831674
Clips tube d=18 / 1,5
Code article PEX: 252471
Viessmann
Réf fabricant: 7831674
± 3 jours ouvrés
14,16 € TTC
Collier de fixation dn25 (X5) Viessmann 7827429
Collier de fixation dn25 (x5)
Code article PEX: 251163
Viessmann
Réf fabricant: 7827429
en stock
17,16 € TTC
Clip d=8 Viessmann 7827943
Clip d=8
Code article PEX: 251353
Viessmann
Réf fabricant: 7827943
en stock
10,92 € TTC
Clip d=10 Viessmann 7827944
Clip d=10
Code article PEX: 251354
Viessmann
Réf fabricant: 7827944
± 3 jours ouvrés
14,16 € TTC
Clip d=15 Viessmann 7827945
Clip d=15
Code article PEX: 251355
Viessmann
Réf fabricant: 7827945
± 3 jours ouvrés
17,64 € TTC
Clip d=18 Viessmann 7827946
Clip d=18
Code article PEX: 251356
Viessmann
Réf fabricant: 7827946
en stock
15,72 € TTC
Manchon de flexible 34,3-38,7 Viessmann 7831675
Manchon de flexible 34,3-38,7
Code article PEX: 252472
Viessmann
Réf fabricant: 7831675
± 3 jours ouvrés
14,40 € TTC
Manchon de flexible 34,0-37,4 Viessmann 7831676
Manchon de flexible 34,0-37,4
Code article PEX: 252473
Viessmann
Réf fabricant: 7831676
± 3 jours ouvrés
30,00 € TTC
Ressort de surete d evacuation des cond. Viessmann 7831677
Ressort de surete d evacuation des cond.
Code article PEX: 252474
Viessmann
Réf fabricant: 7831677
± 3 jours ouvrés
9,48 € TTC
Bouchon de fermeture prechauff. fioul Viessmann 7810996
Bouchon de fermeture prechauff. fioul
Code article PEX: 244056
Viessmann
Réf fabricant: 7810996
± 3 jours ouvrés
9,48 € TTC
Capuchon Viessmann 7831678
Capuchon
Code article PEX: 299070
Viessmann
Réf fabricant: 7831678
± 3 jours ouvrés
34,80 € TTC
Flexible 10 x 1,5 x 750 Viessmann 7831679
Flexible 10 x 1,5 x 750
Code article PEX: 252475
Viessmann
Réf fabricant: 7831679
± 3 jours ouvrés
39,60 € TTC
106 page 7 überwurfmutter g1
 
Viessmann
Réf fabricant: 7831680
avec délai
sur devis
Graisse pour joint (6g) Viessmann 7819602
Graisse pour joint (6g)
Code article PEX: 247538
Viessmann
Réf fabricant: 7819602
± 3 jours ouvrés
5,64 € TTC
Purgeur d air Viessmann 7828750
Purgeur d air
Code article PEX: 251658
Viessmann
Réf fabricant: 7828750
en stock
38,40 € TTC
Corniere de fixation reservoir Viessmann 7831683
Corniere de fixation reservoir
Code article PEX: 299073
Viessmann
Réf fabricant: 7831683
± 3 jours ouvrés
34,80 € TTC
Socle de regulation Viessmann 7831771
Socle de regulation
Code article PEX: 252496
Viessmann
Réf fabricant: 7831771
± 3 jours ouvrés
51,60 € TTC
Tole superieure Viessmann 7832280
Tole superieure
Code article PEX: 252720
Viessmann
Réf fabricant: 7832280
± 3 jours ouvrés
88,80 € TTC
Coquille isolante echangeur a plaques Viessmann 7832348
Coquille isolante echangeur a plaques
Code article PEX: 299200
Viessmann
Réf fabricant: 7832348
± 3 jours ouvrés
54,00 € TTC
Isolant echangeur a plaques Viessmann 7832349
Isolant echangeur a plaques
Code article PEX: 299201
Viessmann
Réf fabricant: 7832349
± 3 jours ouvrés
54,00 € TTC
Fixation de securite Viessmann 7833138
Fixation de securite
Code article PEX: 299307
Viessmann
Réf fabricant: 7833138
± 3 jours ouvrés
45,60 € TTC
Circulateur G-HE 130 Viessmann 7874669
Circulateur g-he 130
Code article PEX: 718046
Viessmann
Réf fabricant: 7874669
en stock
456,00 € TTC
Pompe ecs viup15-30 cil2 pps 3h Viessmann 7831685
Pompe ecs viup15-30 cil2 pps 3h
Code article PEX: 252477
Viessmann
Réf fabricant: 7831685
en stock
266,40 € TTC
Sonde de fumées Viessmann 7822767
Sonde de fumées
Code article PEX: 248839
Viessmann
Réf fabricant: 7822767
en stock
50,40 € TTC
Aquastat securite (thermocommutateur) Viessmann 7825487
Aquastat securite (thermocommutateur)
Code article PEX: 250281
Viessmann
Réf fabricant: 7825487
en stock
27,60 € TTC
Sonde chaudiere Viessmann 7819967
Sonde chaudiere
Code article PEX: 247809
Viessmann
Réf fabricant: 7819967
en stock
62,40 € TTC
Sonde ecs ntc 10k Viessmann 7834379
Sonde ecs ntc 10k
Code article PEX: 253357
Viessmann
Réf fabricant: 7834379
en stock
100,80 € TTC
Reservoir 130l Viessmann 7831780
Reservoir 130l
Code article PEX: 252499
Viessmann
Réf fabricant: 7831780
± 3 jours ouvrés
1 365,60 € TTC
Fourreau Viessmann 7835727
Fourreau
Code article PEX: 253754
Viessmann
Réf fabricant: 7835727
en stock
17,64 € TTC
Serre cable Viessmann 7819661
Serre cable
Code article PEX: 247580
Viessmann
Réf fabricant: 7819661
± 3 jours ouvrés
8,28 € TTC
Joint ballon Ceracell/Vitocell 100 Viessmann 7819647
Joint ballon ceracell/vitocell 100
Code article PEX: 247571
Viessmann
Réf fabricant: 7819647
en stock
18,24 € TTC
Anode magnesium d=33 250/220 Viessmann 7831784
Anode magnesium d=33 250/220
Code article PEX: 252503
Viessmann
Réf fabricant: 7831784
en stock
75,60 € TTC
Bride d anode avec joint Viessmann 7831783
Bride d anode avec joint
Code article PEX: 252502
Viessmann
Réf fabricant: 7831783
± 3 jours ouvrés
115,20 € TTC
Isolant de bride Viessmann 7823572
Isolant de bride
Code article PEX: 249395
Viessmann
Réf fabricant: 7823572
en stock
34,80 € TTC
Fourreau Viessmann 7831781
Fourreau
Code article PEX: 252500
Viessmann
Réf fabricant: 7831781
± 3 jours ouvrés
15,24 € TTC
Couvercle Viessmann 7831782
Couvercle
Code article PEX: 252501
Viessmann
Réf fabricant: 7831782
± 3 jours ouvrés
17,64 € TTC
Moteur circulateur g-he km Viessmann 7826482
Moteur circulateur g-he km
Code article PEX: 625168
Viessmann
Réf fabricant: 7826482
en stock
552,00 € TTC
Coude de raccordement retour chauffage Viessmann 7828639
Coude de raccordement retour chauffage
Code article PEX: 251623
Viessmann
Réf fabricant: 7828639
± 3 jours ouvrés
51,60 € TTC
Tole laterale gauche vitodens Viessmann 7831662
Tole laterale gauche vitodens
Code article PEX: 252464
Viessmann
Réf fabricant: 7831662
± 3 jours ouvrés
177,60 € TTC
Tole laterale droite vitodens Viessmann 7831664
Tole laterale droite vitodens
Code article PEX: 252466
Viessmann
Réf fabricant: 7831664
± 3 jours ouvrés
176,40 € TTC
Tole superieure vitodens 222/333 Viessmann 7832271
Tole superieure vitodens 222/333
Code article PEX: 252716
Viessmann
Réf fabricant: 7832271
± 3 jours ouvrés
106,80 € TTC
Tole avant superieure Viessmann 7831912
Tole avant superieure
Code article PEX: 252540
Viessmann
Réf fabricant: 7831912
± 3 jours ouvrés
181,20 € TTC
Tole avant inferieure vitodens Viessmann 7831668
Tole avant inferieure vitodens
Code article PEX: 252469
Viessmann
Réf fabricant: 7831668
± 3 jours ouvrés
236,40 € TTC
Pied reglable m12x35 9517060 Viessmann 7819544
Pied reglable m12x35 9517060
Code article PEX: 247501
Viessmann
Réf fabricant: 7819544
± 3 jours ouvrés
9,48 € TTC
Fixations pour tole Viessmann 7819773
Fixations pour tole
Code article PEX: 247661
Viessmann
Réf fabricant: 7819773
en stock
16,80 € TTC
Baton de peinture blanche vitoweiss Viessmann 7822682
Baton de peinture blanche vitoweiss
Code article PEX: 248774
Viessmann
Réf fabricant: 7822682
± 3 jours ouvrés
12,72 € TTC
Bombe de peinture blanche vitoweiss Viessmann 7822681
Bombe de peinture blanche vitoweiss
Code article PEX: 248773
Viessmann
Réf fabricant: 7822681
± 3 jours ouvrés
40,80 € TTC
Regulation vbc132-a06.401 Viessmann 7838380
Regulation vbc132-a06.401
Code article PEX: 300449
Viessmann
Réf fabricant: 7838380
en stock
794,40 € TTC
Boitier face arriere Viessmann 7831617
Boitier face arriere
Code article PEX: 252435
Viessmann
Réf fabricant: 7831617
± 3 jours ouvrés
34,80 € TTC
Fiche de codage 2061:0102 Viessmann 7833255
Fiche de codage 2061:0102
Code article PEX: 253051
Viessmann
Réf fabricant: 7833255
± 3 jours ouvrés
34,80 € TTC
Fusibles t 6,3 a / 250 v Viessmann 7404365
Fusibles t 6,3 a / 250 v
Code article PEX: 243455
Viessmann
Réf fabricant: 7404365
en stock
8,40 € TTC
Poignee de securite 6,3 at Viessmann 7823502
Poignee de securite 6,3 at
Code article PEX: 249333
Viessmann
Réf fabricant: 7823502
± 3 jours ouvrés
8,88 € TTC
Vitotronic 200 ho1b Viessmann 7862299
Vitotronic 200 ho1b
Code article PEX: 300357
Viessmann
Réf fabricant: 7862299
en stock
523,20 € TTC
Vitotronic 100 type hc1b Viessmann 7661174
Vitotronic 100 type hc1b
Code article PEX: 316329
Viessmann
Réf fabricant: 7661174
 
obsolète
 
Lon - module compact gwg2009 Viessmann 7842325
Lon - module compact gwg2009
Code article PEX: 315493
Viessmann
Réf fabricant: 7842325
± 3 jours ouvrés
258,00 € TTC
Platine adaptateur Viessmann 7823033
Platine adaptateur
Code article PEX: 249033
Viessmann
Réf fabricant: 7823033
± 3 jours ouvrés
88,80 € TTC
Extension interne h1 Viessmann 7498575
Extension interne h1
Code article PEX: 475604
Viessmann
Réf fabricant: 7498575
± 3 jours ouvrés
147,60 € TTC
Faisceau de cables x8/x9/ionisation Viessmann 7831620
Faisceau de cables x8/x9/ionisation
Code article PEX: 252438
Viessmann
Réf fabricant: 7831620
± 3 jours ouvrés
79,20 € TTC
Faisceau de cables 100/35/54/terre Viessmann 7831623
Faisceau de cables 100/35/54/terre
Code article PEX: 252441
Viessmann
Réf fabricant: 7831623
± 3 jours ouvrés
51,60 € TTC
Cable de racc. moteur pas a pas molex Viessmann 7825555
Cable de racc. moteur pas a pas molex
Code article PEX: 250333
Viessmann
Réf fabricant: 7825555
± 3 jours ouvrés
30,00 € TTC
Contre fiche Viessmann 7823515
Contre fiche
Code article PEX: 249345
Viessmann
Réf fabricant: 7823515
± 3 jours ouvrés
62,40 € TTC
Support de cable Viessmann 7823516
Support de cable
Code article PEX: 249346
Viessmann
Réf fabricant: 7823516
± 3 jours ouvrés
11,28 € TTC
Pieces de blocage gauche et droite Viessmann 7831618
Pieces de blocage gauche et droite
Code article PEX: 252436
Viessmann
Réf fabricant: 7831618
± 3 jours ouvrés
21,12 € TTC
Papillon gauche et droit vitoladens Viessmann 7831619
Papillon gauche et droit vitoladens
Code article PEX: 252437
Viessmann
Réf fabricant: 7831619
± 3 jours ouvrés
66,00 € TTC
Sonde exterieure ntc Viessmann 7837053
Sonde exterieure ntc
Code article PEX: 253845
Viessmann
Réf fabricant: 7837053
en stock
176,40 € TTC
Logo viessmann Viessmann 7817509
Logo viessmann
Code article PEX: 246375
Viessmann
Réf fabricant: 7817509
± 3 jours ouvrés
26,40 € TTC
400 page 9 Bed.anl. vitotronic 100 hc1a
 
Viessmann
Réf fabricant: 5581614
avec délai
sur devis
401 page 6 Bed.anl. vitotronic 200 ho1a
 
Viessmann
Réf fabricant: 5581615
avec délai
sur devis
402 Nm-mt vitodens 222-f fs2a
 
Viessmann
Réf fabricant: 5367846
avec délai
sur devis


Dans cette page vous trouverez l'ensemble des articles et pièces détachées de chaufferie qui composent la nomenclature Chaudière Viessmann VITODENS 222 F FS2A 35KW (7374966) ainsi que des liens vers les articles Viessmann. En parcourant la page Viessmann, vous pourrez également trouver toutes les pièces Viessmann présentes chez Pièces Express. L'indication de stock vous permet de savoir si la pièce détachée est disponible dans notre stock central ou bien avec un délai fournisseur. Dans ce dernier cas, renseignez vous, nous commandons très régulièrement chez chacun de nos fournisseurs, nous pouvons donc certainement répondre à votre besoin rapidement.

Nos marques
Nos catalogues
Nos outils
Nos gicleurs fioul
Nos bougies pour poêles à pellets
Pièces détachées de chauffage et climatisation
PIÈCES EXPRESS
1 rue Philippe LEBON
ZA Henri Spriet
14120 MONDEVILLE
Téléphone: 02 14 47 16 10
Siret: 790 553 242 00013
Tva: FR 38 790553242

4.7
148 avis